牙嵌式涂胶辊传动的设计应用
Design and Application of Tooth-Clamping Glue Roller Transmission
DOI: 10.12677/met.2025.141006, PDF, HTML, XML,   
作者: 尹志良, 马 列, 业 明:红塔烟草集团(有限)责任公司玉溪卷烟厂,云南 玉溪
关键词: 牙嵌式连接涂胶辊传动设计Tooth-Clamping Connection Design of Glue Roller Transmission
摘要: PROTOS 2C卷烟机在运行一段时间后,会出现涂胶辊传动连接销断裂,引起质量问题,且维修费时费力。文章介绍了一种新型涂胶辊传动的设计应用,将螺母与涂胶辊的连接方式改为牙嵌式,既保证了传动螺母原有工作要求,又提升了传动使用寿命,增加了可靠性。
Abstract: After a period of operation, the PROTOS 2C cigarette-making machine experiences frequent breakage of the transmission connection pin of the glue roller, causing quality issues and time-consuming maintenance. This paper introduces the design and application of a new type of glue roller transmission, which changes the connection mode between the nut and the glue roller to a tooth-clamping type. This not only ensures the original working requirements of the transmission nut but also improves the service life and reliability of the transmission.
文章引用:尹志良, 马列, 业明. 牙嵌式涂胶辊传动的设计应用[J]. 机械工程与技术, 2025, 14(1): 67-72. https://doi.org/10.12677/met.2025.141006

1. 背景及问题

PROTOS系列作为HAUNI公司经典机型,在国内各卷烟生产厂有着广泛的运用。其中PROTOS 2C是二系列内的经典机型,生产速度12000支/分,其技术先进、性能可靠、结构紧凑、运行稳定,有效保障生产顺利进行。接装纸上胶是卷烟生产中一个重要的工艺环节,其工作原理是利用圆柱面带有凹槽的控胶辊和涂胶辊相互挤压,将控胶辊凹槽内的胶水涂抹到涂胶辊上。由接装纸供纸轮供给的接装纸贴在涂胶辊表面运行,在接装纸上形成稳定均匀的胶水层,最终涂抹过胶水的接装纸进入后续切割环节。在此过程中,控胶辊和涂胶辊相向运动,控胶辊、涂胶辊的表面线速度和接装纸供给速度三者相等。

PROTOS 2C卷烟机在卷包车间属于主力机型,设备在运行一段时间后各机台陆续出现涂胶辊传动连接销断裂,导致涂胶辊传动失效,引起接装纸上胶不均匀或不连续,继而出现烟支漏气、接装纸飞边等质量问题。且断裂的销残留在涂胶辊轴上的螺母销孔内,只能重新更换螺母,同时必须对涂胶辊轴的圆跳动做重新校核。维修过程耗费大量时间,严重影响设备效率。此问题已经成为该机型的共性问题,严重影响设备运行的连续性和烟支质量,为此针对问题进行立项。

2. 涂胶辊传动连接销的改进

2.1. 涂胶辊传动连接销断裂原因分析

首先,涂胶辊上销孔大于销的直径5 mm。当接装纸上胶组件启动或者连入主传动瞬间造成冲击;

其次,涂胶辊在设备启动、停止和水松纸拼接降速等过程中转速剧烈变化,再加上控胶辊和涂胶辊相互挤压转动,在转速剧烈变化时,传动连接销将承受交变载荷和冲击载荷,单一传动销难以满足长时间使用要求;

再次,销钉磨损后不容易发现。工作中因端头螺母未锁紧势必导致销钉不断磨损,生产运行中难以及时发现,当销钉不断磨损导致其横截面积不断减小,最终因剪切应力而断裂。

因此,需对涂胶辊传动方式进行改进,提供更可靠寿命更长的传动方式。

涂胶辊传动连接销所在的螺母具有调整涂胶辊轴在机架上圆跳动的作用,保证涂胶辊轴轴端圆跳动≤ 0.03 mm,为保证调整能有效进行,螺母上6个螺栓孔的位置和尺寸、螺母内外径尺寸和螺母整体厚度等与配合安装调整有关联的尺寸都不改变[1]

在查阅机械设计手册后,考虑涂胶辊易拆装,且传动定位可靠,将螺母与涂胶辊的连接方式改为牙嵌式,重新设计传动螺母和涂胶辊。研究发现改为牙嵌式连接后,不论是连接强度,还是连接精度,都有较大提高。

2.2. 牙嵌式连接的基本参数选择

2.2.1. 牙型选取

机械设计手册关于牙嵌式连接的设计和选型,选择正梯形牙型。理由如下:

涂胶辊要容易安装拆卸;涂胶辊传动精度要求高,须尽可能减少传动间隙;涂胶辊只在停机静止的情况进行拆装;涂胶辊在生产时转速较高;尽可能减少加工成本,降低加工难度。

2.2.2. 牙数选取

确定牙嵌式连接牙型选择后,对牙数进行选取。机械设计手册上推荐5、7、9、11这类奇数,并且无论牙数多少,都必须在圆周上均匀布置,在前文叙述中提到,螺母除了传动涂胶辊以外还有调整涂胶辊轴圆跳动的作用,其上6个螺栓孔的位置不能改动,所以机械设计手册上推荐的奇数牙数无法使用,只能选取牙数为6,且均匀布置在圆周上,与螺栓孔交错布置[2]

2.2.3. 其余参数确认

在确认其余参数时,须保证螺母内外径尺寸和螺母的整体厚度等与配合安装调整有关联的尺寸都不改变。在螺母端面上加工出6个牙齿需采用去除材料的方式,且螺母总厚度不能改变,所以牙齿的顶面即为原螺母的端面。

根据机械设计手册有关牙嵌式连接的相关参数计算和选取,获得以下参数:

牙齿外径即螺母外径D = 61 mm;

牙齿内径D1 = 0.75 × D = 45.75 mm,圆整后D1 = 46 mm;

牙齿宽度b = (D − D1)/2 = 7.5 mm;

牙齿高度h,前文中提到牙齿的顶面即为原螺母的端面,所以在保证强度的前提下尽可能选取小的牙齿高度,可节约加工成本。从机械设计手册中结合牙齿外径D和牙齿内径D1的尺寸,从7齿中直接选取h = 6 mm。

牙齿中心角Φ和相邻两齿夹角Φ1。考虑螺栓孔的位置,相邻两齿中心线夹角只能为60°。再结合该部件的配合关系,即螺母通过牙嵌式连接涂胶辊传动,如果减小螺母的加工难度,减少螺母侧的材料去除,那将增大涂胶辊侧的加工难度和增加材料去除率。从加工工艺的角度出发,选择螺母和涂胶辊两侧的牙嵌连接采取均分的策略,同时也能增加互换性。最终选取Φ = 20˚,Φ1 = 40˚ [3]

材料的选择:在牙嵌式涂胶辊传动的设计中,材料选择至关重要。经过查阅相关资料,我们决定采用9Cr18不锈钢作为主要材料,这一选择基于以下科学分析:

1) 耐磨性:9Cr18不锈钢具有高碳高铬成分,硬度高且耐磨,适合涂胶辊与控胶辊之间的高速摩擦环境。

2) 耐腐蚀性:该材料具备优异的抗腐蚀性能,能在湿润、有胶水的环境中保持部件完整性,延长使用寿命。

3) 机械性能:9Cr18不锈钢的强度和韧性平衡,能够满足涂胶辊传动所需的高负荷和交变应力条件。

4) 加工性能:该材料易于切削加工,适合精密制造,确保涂胶辊和传动部件的精确配合[4]

因此,9Cr18不锈钢是牙嵌式涂胶辊传动设计的理想材料,其性能全面满足设计要求,确保设备的高效稳定运行。

至此,传动螺母从销传动改为牙嵌式传动的牙齿相关选型完成,涂胶辊侧也做相应的设计改进,并同时加工保证配合精度,提高互换性。

2.3. 牙嵌式连接的强度校核

根据机械设计手册牙嵌式连接强度校核的内容,只有当淬硬刚齿数z > 7时,才需要进行弯曲强度校核,螺母上牙嵌连接齿数z = 6仅需要进行工作面的挤压应力校核。

σ p = 2 T e D p z A σ pp

T e ——计算转矩, Nmm T e =KT

T ——理论转矩, T 为电动机的公称转矩,查阅接嘴机电机铭牌;

T=2000Nmm

K ——工况系数,空载下结合取 K=1.35

D p ——牙齿平均直径, D p = D+ D 1 2 = 61+46 2 =53.5mm

z ——计算牙数, z = 1 2 z=3

A ——牙的承压工作面积, mm 2 A=hb=6×7.5=45 mm 2

σ pp ——牙齿的许用挤压应力, N/ mm 2 σ pp =88 N/ mm 2

代入计算后 σ p 7.48 N/ mm 2 ,小于 σ pp ,符合强度要求。

2.4. 绘制零件图并加工零件

根据以上分析和选型,绘制螺母和涂胶辊改进后的零件图,如图1图2所示。

Figure 1. Drawing of nut component

1. 螺母零件图

Figure 2. Drawing of glue roller component

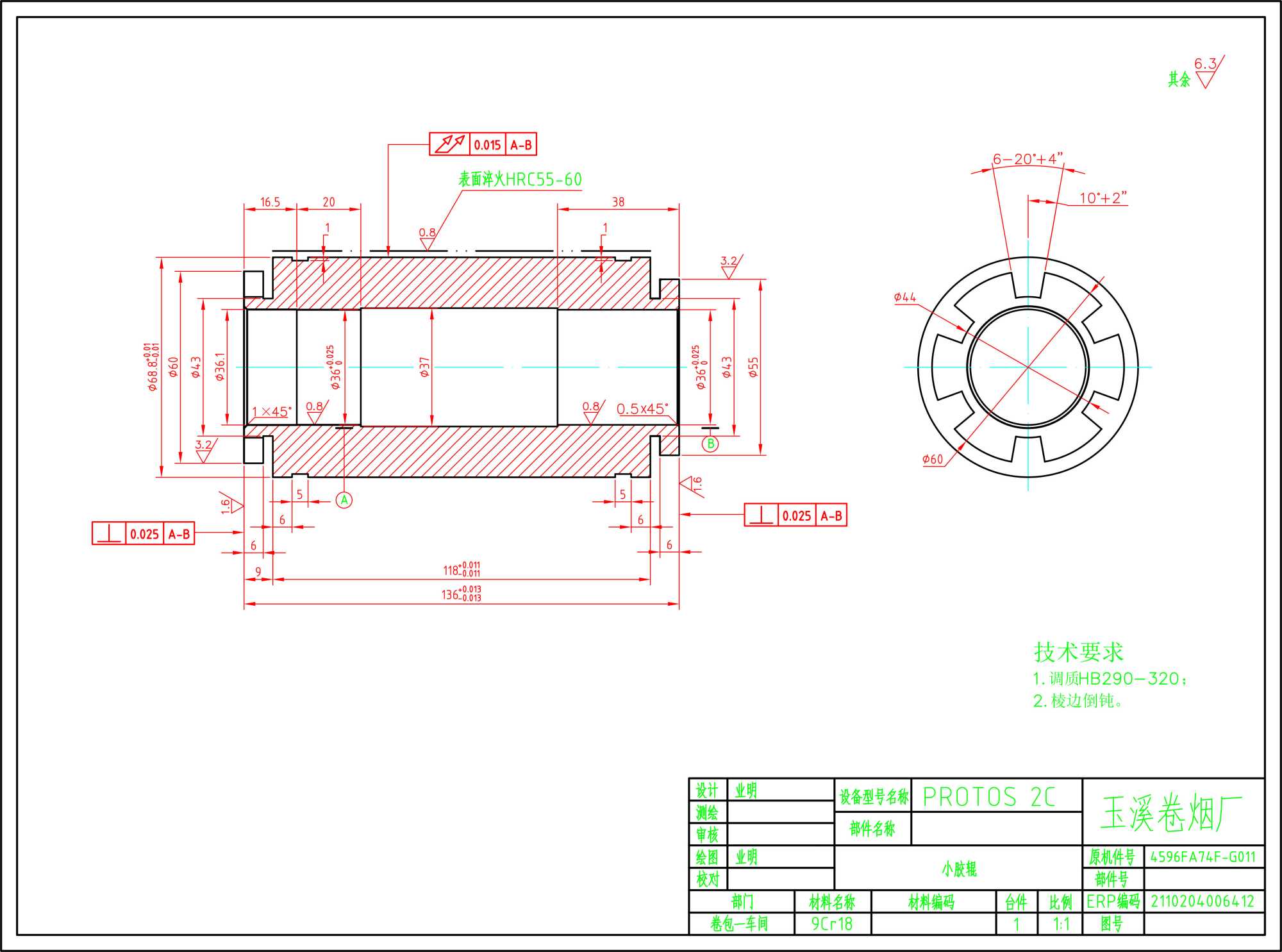
2. 涂胶辊零件图

涂胶辊除与螺母连接的轴端改为牙嵌式外,其余与接装纸上胶工作有关的尺寸未做改动,保证上胶工作的有效性,利于改进的实施。如图3所示,为涂胶辊和螺母的装配图。

Figure 3. Assembly drawing of glue roller and nut

3. 涂胶辊和螺母装配图

3. 应用效果验证

选取五台PROTOS 2C卷烟机进行改进前后对比,通过查阅修理记录表,改进前六个月五台PROTOS 2C卷烟机涂胶辊传动连接销断裂维修的数据如表1所示。

Table 1. Maintenance records before improvement

1. 改进前维修记录

机台号

A1

A2

A3

A4

A5

总计

维修次数

2

1

1

2

1

7

维修时间

(75 + 80) min

65 min

72 min

(70 + 75) min

78 min

515 min

对A1-A5五台PROTOS 2C卷烟机涂胶辊传动改为牙嵌式传动,记录改进后六个月内五台设备因涂胶辊传动件故障而维修的数据,如表2所示。

Table 2. Maintenance records after improvement

2. 改进后维修记录

机台号

A1

A2

A3

A4

A5

总计

维修次数

0

0

0

0

0

0

维修时间

0

0

0

0

0

0

综合对比两个表格可以看出,改进前五台设备六个月内共计因涂胶辊传动连接销断裂而维修了7次,总计耗时515分钟。将五台设备涂胶辊传动改为牙嵌式传动后,六个月内没有因涂胶辊传动件故障而维修的情况。

综上所述,本次针对PROTOS 2C卷烟机涂胶辊传动方式的改进取得了显著的应用效果,不仅提高了生产效率、降低了成本,还提升了产品质量。该改进方案的成功实施,为同类型的卷烟生产设备提供了有益的参考和借鉴。

4. 结论

牙嵌式涂胶辊传动的设计应用,不仅成功解决了PROTOS 2C卷烟机涂胶辊传动连接销频繁断裂的难题,更为烟草生产设备的技术创新提供了宝贵的经验和启示。通过深入分析连接销断裂的原因,我们巧妙地采用了牙嵌式连接方式,实现了传动螺母与涂胶辊之间的稳定、可靠连接。这一改进不仅显著提高了设备的运行稳定性和生产效率,还有效降低了维护成本和配件更换频率,为企业创造了可观的经济效益。

更为重要的是,牙嵌式涂胶辊传动的设计应用,充分体现了理论与实践的紧密结合。我们在充分了解设备工作原理和故障特点的基础上,结合机械设计手册和相关理论知识,进行了严谨的分析和计算,确保了改进方案的可行性和有效性。这一过程中,我们不仅积累了丰富的实践经验,更提升了自身的技术水平和创新能力。

展望未来,牙嵌式涂胶辊传动的设计应用将有着更为广阔的前景。随着烟草行业的持续发展和市场竞争的不断加剧,对生产设备的技术要求和产品质量将越来越高。我们相信,凭借不断的技术创新和经验积累,牙嵌式涂胶辊传动将能够在更多类型的卷烟生产设备中得到应用和推广,为烟草行业的转型升级和可持续发展贡献更多的力量。同时,这一改进思路和方法也将为其他类似设备的改进提供有益的参考和借鉴。

参考文献

[1] 潘银松. 机械原理[M]. 重庆: 重庆大学出版社, 2016: 241.
[2] 闻邦椿. 机械设计手册[M]. 北京: 机械工业出版社, 2017: 12.
[3] 朱双霞, 张红钢. 机械设计基础[M]. 重庆: 重庆大学出版社, 2016.
[4] 单辉祖. 材料力学(第2版) [M]. 北京: 高等教育出版社, 2004.