车辆称重系统设计
Design of Vehicle Weighing System
DOI: 10.12677/jsta.2025.132018, PDF, HTML, XML,   
作者: 刘慧婷:广州科技职业技术大学自动化工程学院,广东 广州
关键词: 车辆称重单片机称重传感器机械设计Vehicle Weighing Singlechip The Weighing Sensor Machine Design
摘要: 为有效治理车辆超载问题,提高车辆称重的准确性与效率,本文设计了一种基于单片机的车辆称重系统该系统由机械部分和电路部分组成,机械部分主要完成称体结构设计及强度刚度校核;电路部分包括称重传感器的选择、放大电路设计、A/D转换电路设计、单片机系统电路设计、电源电路设计和报警电路设计等。通过实验验证该系统具有较高的测量精度和稳定性,能够满足车辆称重的实际需求。
Abstract: In order to effectively address the problem of vehicle overloading and improve the accuracy and efficiency of vehicle weighing, this paper designs a vehicle weighing system based on a single-chip microcomputer. The system consists of a mechanical part and a circuit part. The mechanical part mainly completes the design of the weighing structure and the verification of strength and stiffness. The circuit part includes the selection of weighing sensors, amplification circuit design, A/D conversion circuit design, microcontroller system circuit design, power circuit design, and alarm circuit design. Through experiments, it has been verified that the system has high measurement accuracy and can meet the practical needs of vehicle weighing.
文章引用:刘慧婷. 车辆称重系统设计[J]. 传感器技术与应用, 2025, 13(2): 175-185. https://doi.org/10.12677/jsta.2025.132018

1. 引言

随着交通运输业的快速发展,车辆超载问题日益严重,不仅对道路基础设施造成破坏,还严重影响行车安全,因此准确对车辆进行称重,成为治理超载的关键环节。传统的车辆称重系统存在测量精度低,响应速度慢的问题,难以满足现代交通管理的需求。目前有两种方法对超载车辆监控,即静态和动态,动态称重系统是能够实现超载治理和重量不停车收费,但是,因为有很多因素影响动态称重为车辆振动,速度精度,路面粗糙度等。其必会使测量精度下降,导致测量结果不准。为了提高测量准确性,很多人一直在全力进行它的钻研,但效果甚微[1]。相反,静态的尽管需要静态称量,但其安全稳定、准确性高,并且价格便宜。

近年来,随着大规模集成电路的飞速发展,单片机更加应用在各种智能化表中。在车辆称重系统中使用单片机可使系统的性能提高、成本降低,的优越性[2]

2. 车辆称重系统的分析与设计

2.1. 车辆称重系统的构成

车辆称重系统一般由压力传感器组成的称重平台、放大信号调理电路、模数(A/D转换)电路、单片机处理芯片、LCD液晶显示电路及声光报警电路等组成,如图1所示[3]。系统的称重平台与公路路面处于同一水平面,当车辆通过称重平台时,将作用在称重平台上的压力信号通过传感器转换为电压信号,经信号放大,模数转换电路送给处理器,处理器将测得的车辆重信号进行数据处理后通过LCD显示出车辆的真实重量[4]

Figure 1. Block diagram of vehicle weighing system

1. 车辆称重系统框图

2.2. 车辆称重系统的机械部分设计

对于车辆称重系统来说,硬件系统是它的最基本的框架,也是系统的所有功能的基础。硬件的选择和所选硬件的性能对系统的功能实现以及系统的精度都有直接的影响,系统的设计成功与否很大程度上取决于硬件系统的设计。对于本系统,硬件系统的设计可分为以下几个部分:机械部分和电路部分。机械部分就是称重平台的设计,即秤体的设计。

称体的设计

机械部分主要由称重称体和传感器构成。秤体是承受重量载荷的承载器,其作用是把承载车辆的实际重量准确有效地传递到测量装置的称重传感器上[5]。秤体主要是由台面钢板、秤体主梁、秤体端梁、传感器支承座和秤体之间连接装置等钢结构件组合焊接而成的一个平台型构件。有单个平台组成一台电子汽车衡的形式,也有两个以上平台串联在一起组成一台电子汽车车衡的形式。

(1) 秤体的选取

秤体中所有的钢结构件,材料均为普通碳素结构钢Q235;秤体台面钢板材料厚度为10 mm;秤体主梁用6 mm钢板加工成U形状,上口宽270 mm,下部宽150 mm,U型梁高300 mm;在秤体横截面上布设七根U型钢梁[6]

(2) 强度和刚度校核

根据GB/T 7723-2008《固定式电子衡器》国家标准,对承载器最大相对变形量的规定,最大秤量为50~60 t。电子汽车衡,在秤体中部1.8 m长区域范围内,加载26 t重的均布载荷。并设定秤体自重为5 t,也加载到秤体中部的限定区域内,即秤体中部所受最大集中载荷值为31 t,均布载荷q = 172.22 kg/cm。

设定秤体为一简支梁,纵长方向两个支承点的距离与所选秤体长度一致,即7000 mm。

2.3. 车辆称重系统的电路部分设计

电路部分包括传感器的选择及其信号调理电路的设计、单片机系统设计、A/D转换接口电路的设计、显示电路设计、报警电路等。

2.3.1. 称重传感器选择

测量重量的传感器有很多种,按工作原理分有弹性力平衡式压力传感器、感应式传感器、应变式传感器、压电式传感器、霍尔式压力传感器、电容式、光纤式、数字式传感器等。选择传感器要考虑以下几点:

(1) 数量的选择

根据称重系统的用途、秤体需要支撑点数而定,使用时根据实际情况来确定。

(2) 量程的选择

传感器量程的选择可依据秤的最大称量值、选用传感器的个数、秤体的自重、可能产生的最大偏载及动载等因素综合评价来确定。一般来说,传感器的量程越接近分配到每个传感器的载荷,其称量的准确度就越高。但在实际使用时,由于加在传感器上的载荷除被称物体外,还存在秤体自重、皮重、偏载及振动冲击等载荷,因此选用传感器量程时,要考虑诸多方面的因素,保证传感器的安全和寿命。

(3) 准确度的选择

传感器的准确度等级包括传感器的非线形、蠕变、蠕变恢复、滞后、重复性、灵敏度等技术指标。在选用传感器的时候,不要单纯追求高等级的传感器,而既要考虑满足电子秤的准确度要求,又要考虑其成本。

(4) 使用环境及介质性能的考虑

根据环境条件和被测介质的性能综合选择。

(5) 传感器型号

传感器型号的选择要考虑各种类型传感器的适用范围。这主要取决于称量的类型和安装空间,保证安装合适,称量安全可靠。

总之,既要从各方面提高要求,又要考虑经济效益,确保达到高性价比。从上述几点综合考虑,本设计选用常用的电阻应变式称重传感器。

选择SSBD桥式(双剪切梁)称重传感器。采用氩弧焊接工艺,防水、防尘能力达到GB4208规定的IP67等级要求。其技术参数为:

量 程:0~50 (t)

灵 敏 度:2.0 ± 0.002 MV/V

工作温度:−20℃~+65℃

输入阻抗:772 ± 4 Ω

输出阻抗:700 ± 1 Ω

绝缘电阻:大于5000 MΩ

供桥电压:10 VDC

材 质:合金钢

接线方式:电源(+)红线 电源(−)绿线 输出(+)黄线 输出(−)白线

2.3.2. 放大电路设计

由于称重传感器转换后的电压信号是幅度很小的毫伏级差动信号,很难直接进行模数转换,因此需要对这一模拟电信号进行放大处理[7]

放大器的输入信号一般是由传感器输出的。传感器的输出信号不仅电平低、内阻高、还常伴有较高的共模电压[8]。因此,一般对放大器有如下一些要求:

(1) 输入阻抗应远大于信号源内阻。否则,放大器的负载效应会使所测电压造成偏差。

(2) 抗共模电压干扰能力强。

(3) 在预定的频带宽度内有稳定准确的增益、良好的线性,输入漂移和噪声应足够小以保证要求的信噪比,从而保证放大器输出性能稳定。

Figure 2. An amplifier constructed using a standard operational amplifier

2. 利用普通运放构成的放大器

由于普通低温漂运算放大器构成多级放大器会引入大量噪声,而信号转换器需要很高的精度,所以几毫伏的干扰信号就会直接影响最后的测量精度。所以,采用由高精度低漂移运算放大器构成的差动放大器。差动放大器具有高输入阻抗,增益高的特点。所以我们采用普通运放OP07做成一个差动放大器,如下图2所示。

系统附近电磁干扰引起的高频噪声采用电阻R11和电容C6用于滤除截止频率为50 Hz的高频噪声。

传感器电桥采用恒压源供电,激励电压为10 V,本电压由精密稳压电源提供。选用的SSBD桥式(双剪切梁)称重传感器灵敏度为2.0 mv/v,传感器输出电压范围为0~20 mv。AD转换芯片的输入电压要求为0~5 V,所以考虑把传感器的输出信号放大到0~5 V范围内,放大倍数为250倍。考虑温度漂移会给放大电路带来影响,整个放大电路的可调电阻和R1R13均采用低温度系数(5 ppm)的高精密电阻,为了方便电阻值的选择,放大倍数定位250倍[9]

(1) 第一级放大电路(图3)

放大倍数:

A 1 = R 9 R 1 (1)

本级电路放大倍数:

G= 250K 1K =250

Figure 3. First-level amplifier circuit diagram

3. 第一级放大电路图

(2) 第二级放大电路(图4)

本级电路放大倍数:

A 2 = R 12 / R 11 (2)

G = 1 K/1 K = 1

Figure 4. The second level magnifies the circuit diagram

4. 第二级放大电路图

由前面的分析可知,影响称重信号从频域来讲包括:真实的低频轴重信号、外界干扰因素引起的低频振动信号和检测系统附近电磁干扰引起的高频噪声,前两种信号理论上处于约0~30 Hz的同一频段,不能通过普通滤波去噪,只能通过数字滤波,而高频噪声可以通过低通滤波器实现频段分离[10]。为了不使有用信号被滤掉,我们低通滤波器采用截止频率为50 Hz的RC滤波电路,如R11C6组成的RC滤波电路。截止频率

f = 1/R11*R12其中R11 = 1 K; (3)

C6 = 0.3 uf。

采用两级放大电路,第一级放大倍数为10,第二级放大倍数为25,总放大倍数为250。选用OP07高精度低漂移运算放大器,设计差动放大器,以提高信号的抗干扰能力和稳定性[11]。同时,采用RC低通滤波电路,截止频率为50 Hz,滤除高频噪声。

2.3.3. A/D转换电路设计

模拟信号经过放大滤波后要进行A/D转换变成数字量,计算机才能处理。A/D的最主要性能指标就是分辨率和转换时间,这两条取决于测试设备的精度要求和信号变化速率[12]

选择8位A/D转换芯片ADC0804,ADC0804是属于连续渐进式的A/D转换器,这类型的A/D转换器除了转换速度快(几十至几百us)、分辨率高外,还有价钱便宜的优点,普遍被应用于微电脑的接口设计上,如图5所示。通过设计外围电路,实现模拟信号到数字信号的转换,为单片机处理提供数据支持。

2.3.4. 单片机系统电路设计

根据以上设计方案,硬件部分采用51系列单片机AT89S51为控制核心部件,实现车辆称重系统的基本控制功能。AT89S51是一款8位的内带4K程序存储器的微控制器,考虑到用软件实现车辆称重系统的各项功能时,所需的软件量并不是很大,不需要太大的程序存储空间,因此在对AT89S51实际设计时不需要在片外再扩展程序存储器,这样不仅节省了硬件资源,也优化了电路的设计[13]

Figure 5. ADC0804 peripheral circuit design

5. ADC0804外围电路设计

2.3.5. 显示和报警电路设计

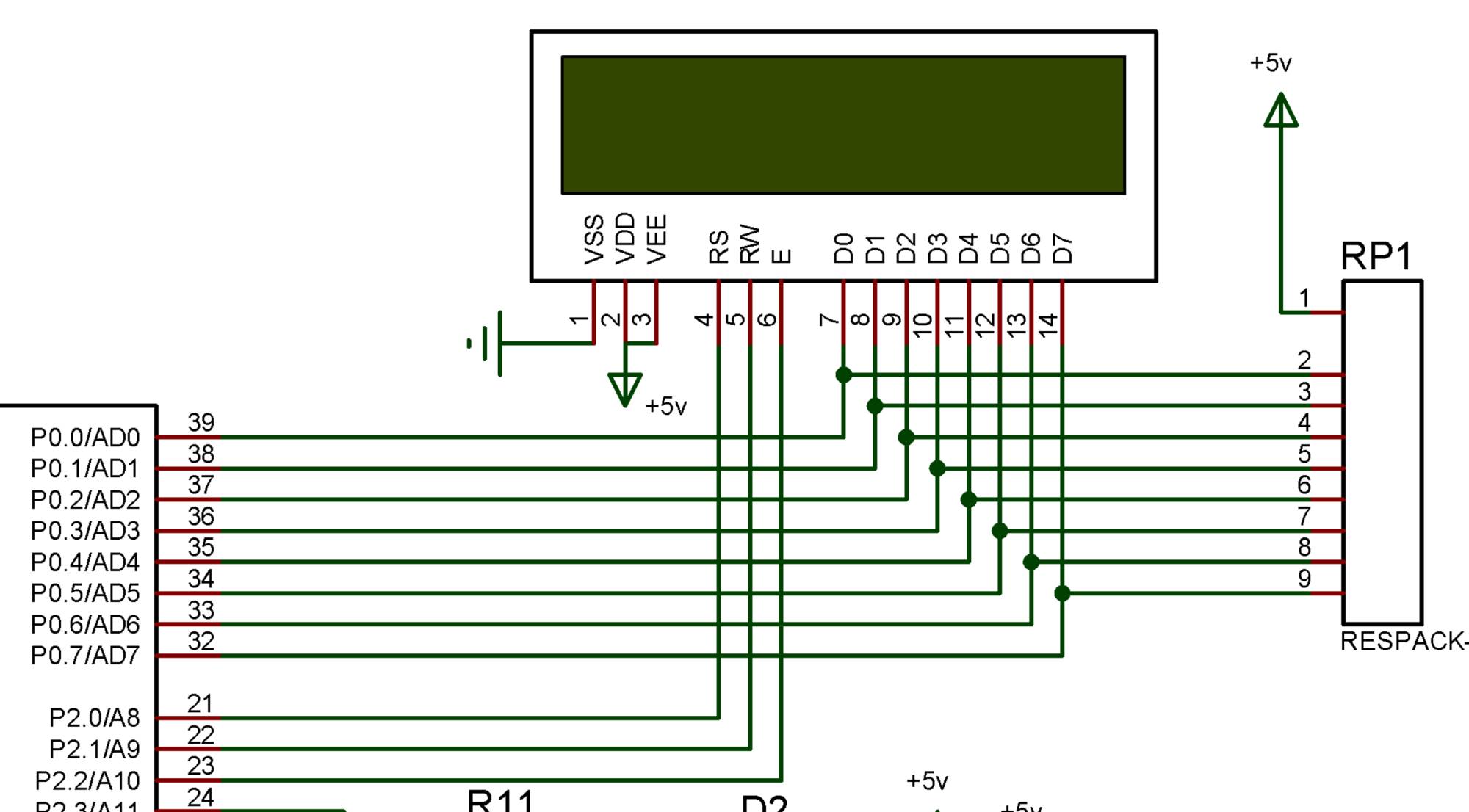
LCD (英文全称为Liquid Crystal Display)是一种采用了液晶控制透光度技术来实现色彩的显示器。LCD显示器还通过液晶控制透光度的技术原理让底板整体发光,所以它做到了真正的完全平面[14]。LCD没有辐射,即使长时间使用也不会对健康造成很大伤害。LED显示是基于发光二极管的显示器,多数发光二极管按矩阵排列就可以组成大屏幕显示器。本车辆称重显示电路设计采用LCD液晶显示,使称重显示更直观和清晰。

Figure 6. LCD display circuitry

6. LCD显示电路

根据本设计中的称重范围和要求,采用1602LCD字符型液晶显示称出的重量,其显示容量为16*2个字符,满足本设计需要。显示电路中,用RP1电阻完成液晶显示输入口的拉高电压。这样处理既简化了接口电路又使LCD液晶管的驱动得以实现,大大简化了电路,同时使数据输出时直接可以通过一条数据写指令完成。1602LCD液晶显示的位地址,采用C51的P0口的P0.0~P0.7的驱动即可实现。如图6所示。

在设计系统后,添加了LED闪光报警部分电路,把发光二极管引线接到单片机P2.3口,喇叭引线接到P2.4口。当传感器检测到的信号经过模数转换和单片机处理后大于系统规定的称重范围时,二极管开始点亮,并发出声音报警信号[15]。如图7所示。

Figure 7. Sound and light alarm circuit

7. 声光报警电路

3. 车辆称重系统设计实验分析

采用SSBD桥式(双剪切梁)称重传感器的工作机制与实际应用方法。自主设计并搭建一套高度适配车辆称重场景的系统,实现对车辆重量高精度测量。全面了解氩弧焊接工艺在称重传感器封装过程中的关键应用,确保系统防水、防尘性能严格达到GB4208规定的IP67等级标准。熟练掌握对车辆称重系统的调试与校准流程,有效提升系统测量的精度和稳定性。

3.1. 实验原理

称重传感器工作原理:SSBD桥式(双剪切梁)称重传感器运用电阻应变原理。当车辆重量施加于由合金钢制成的弹性元件时,元件产生形变,粘贴在其表面的应变片电阻值随之改变。在桥式电路中,电阻值的变化致使电桥输出电压发生相应变化,该输出电压与所承受的外力(即车辆重量)呈线性正相关。通过精确测量电桥输出电压,并经过后续的信号处理与转换,即可精准获取车辆的重量数据。

系统整体原理:车辆驶入称重平台,称重平台与称重传感器刚性连接,传感器将车辆重量转化为微弱电信号输出。该信号先经过前置放大、滤波等预处理环节,再传输至数据采集模块进行模数转换,最后由微处理器完成数据的深度处理与计算,最终将车辆重量数值直观显示在显示屏上。

3.2. 实验设备与材料

SSBD桥式(双剪切梁)称重传感器:量程覆盖0~50 (t),灵敏度为2.0 ± 0.002 MV/V,可在−20℃至+65℃的环境温度下稳定工作,输入阻抗772 ± 4 Ω,输出阻抗700 ± 1 Ω,绝缘电阻大于5000 MΩ,推荐供桥电压为10 VDC,采用优质合金钢材质。

信号调理电路模块:集成高性能放大器、滤波器等元件,专门用于对传感器输出的微弱信号进行高效放大与精准滤波处理。

数据采集模块:负责将模拟信号快速、准确地转换为数字信号,以便传输至微处理器进行后续处理。

微处理器:选用功能强大的STM32系列,具备高效的数据处理能力、灵活的控制功能以及便捷的外部设备通信接口。

显示屏:采用清晰易读的LCD显示屏,用于实时显示车辆重量数值。

氩弧焊机:选用专业级氩弧焊机,用于对传感器进行精密焊接封装,确保焊接质量。

防水、防尘材料:采用符合IP67等级标准的密封胶、密封圈等材料,确保传感器的防水、防尘性能。

其他辅助材料:各类规格的导线、优质电路板、高强度螺丝、螺母等。

3.3. 实验步骤

3.3.1. 称重传感器的准备与封装

对传感器进行严格的外观检查,确认无任何损坏迹象,各项参数均符合实验要求。

运用氩弧焊机,严格按照既定焊接工艺参数,精确控制焊接电流、电压和焊接时间,对传感器的各个部件进行高质量焊接组装。

焊接完成后,对传感器进行全面的防水、防尘处理。使用密封胶均匀涂抹在传感器的接口、缝隙等关键部位,并安装高质量密封圈,确保其防水、防尘性能达到IP67等级要求。处理完成后,运用专业测试设备对传感器进行绝缘电阻测试,确保绝缘电阻大于5000 MΩ。

3.3.2. 系统硬件搭建

将称重传感器牢固安装在称重平台上,确保安装位置准确,传感器受力均匀。

依据传感器的输出特性和信号调理电路的设计要求,精准连接信号调理电路模块与称重传感器的各引脚,确保供桥电压稳定在10 VDC,输入和输出信号线连接无误。

将经过信号调理后的信号接入数据采集模块,严格按照数据采集模块的接口定义进行连接。

完成数据采集模块与微处理器的连接,确保数据传输稳定可靠。

连接微处理器与显示屏,准确设置显示屏的通信接口和显示参数,确保能够清晰、准确地显示车辆重量值。

3.3.3. 系统软件设计

在微处理器开发环境中,精心编写数据采集程序,实现对数据采集模块输出数据的快速、准确读取。

编写高效的数据处理程序,依据称重传感器的灵敏度等关键参数,将采集到的数据精确转换为实际的车辆重量值。

编写简洁直观的显示程序,将处理后的车辆重量值实时显示在显示屏上。

设计完善的校准程序,用于定期对系统进行校准,不断提高测量精度。

3.3.4. 系统调试与校准

接通系统电源,全面检查各模块的工作状态,观察显示屏是否显示正常。

使用标准重量砝码对系统进行校准。依次将不同重量的砝码平稳放置在称重平台上,详细记录系统显示的重量值与砝码实际重量值的差异。通过精细调整系统的校准参数,使系统显示的重量值与砝码实际重量值高度吻合,有效减小测量误差。

在不同环境温度下(涵盖传感器工作温度范围,如−20℃、0℃、25℃、65℃等)对系统进行全面测试,仔细观察温度对测量结果的影响,并进行针对性的温度补偿调整,确保系统在不同温度条件下都能实现准确的车辆重量测量。

3.3.5. 车辆称重测试

将校准后的车辆称重系统放置在水平、稳固的位置,确保称重平台处于理想工作状态。

引导不同重量的车辆依次缓慢、平稳地驶上称重平台,待车辆完全静止稳定后,准确记录系统显示的车辆重量值。

将测量结果与车辆的实际重量(可通过其他高精度称重方式获取)进行细致对比,精确计算测量误差,全面评估系统的测量精度。

3.4. 实验数据记录与分析

3.4.1. 数据记录(见表1)

在校准过程中,详细记录不同重量砝码对应的系统显示重量值。

在不同温度测试时,准确记录每个温度点下标准砝码对应的系统显示重量值。

在车辆称重测试中,如实记录每辆测试车辆的实际重量和系统测量的重量值。

Table 1. Experimental analysis of vehicle weighing system design

1. 车辆称重系统设计实验分析

20 T

30 T

40 T

50 T

−20˚C

20.15

30.17

40.20

50.25

0˚C

20.02

30.03

40.05

50.08

25˚C

19.99

30.01

40.02

50.05

65˚C

19.98

29.99

40.01

50.02

3.4.2. 数据分析

根据校准数据,运用专业算法计算系统的呈线性度误差,其误差均小于2%以内,能够达到系统在不同重量范围内的测量准确性。

全面分析温度对测量结果的影响,在变化温度的范围内,系统的温度稳定性实在测量范围内。

根据车辆称重测试数据,精确计算系统的测量精度,客观评估系统是完全满足设计要求。

车辆称重测试时,要确保车辆行驶平稳,避免对系统造成冲击,影响测量结果的准确性。

3.5. 实验总结

通过本次车辆称重系统设计实验,成功自主设计并搭建了一套基于SSBD桥式(双剪切梁)称重传感器的车辆称重系统。深入掌握了称重传感器的工作原理和实际应用技巧,全面了解了氩弧焊接工艺在传感器封装中的关键作用以及如何实现系统的高效防水、防尘功能。通过系统调试和校准,显著提高了系统的测量精度和稳定性。在实验过程中,虽然遇到了信号干扰、测量误差较大等问题,但通过深入分析和采取针对性措施,最终成功解决了这些问题。本次实验不仅有效提升了实践动手能力,还培养了严谨的科学思维和解决实际问题的能力,为今后从事相关领域的工作积累了宝贵经验。

4. 结论

(1) 通过采用U型梁结构秤体,提高了秤体的刚度和强度,延长了使用寿命。

(2) 通过选用高性能称重传感器和单片机,确保了系统的测量精度和稳定性。

(3) 通过设计了完善的信号调理电路和报警电路,提高了系统的实用性和可靠性

参考文献

[1] 罗鑫. 基于卷积神经网络的多车桥梁动态称重方法研究[D]: [硕士学位论文]. 长沙: 湖南大学, 2021.
[2] 刘凤鸣, 张浩雨, 韦皓. 基于单片机的汽车防盗报警系统研究[J]. 人民公交, 2025(2): 156-158.
[3] 狄俊豪, 郭晨霞, 杨瑞峰. 基于CSSA-LSTM神经网络的动态称重算法的研究[J]. 电子测量技术, 2024, 47(11): 95-100.
[4] 李自杰. 煤炭无人值守计量智能发运自动防作弊技术研究[J]. 自动化技术与应用, 2025, 44(1): 28-31, 88.
[5] 江文帅, 杨晓翔, 赖征创. 新型平板式动态汽车衡结构设计及校准研究[J]. 机械制造与自动化, 2024, 53(5): 40-47.
[6] 贺高升, 刘建庄, 李准, 等. 锚杆(索)孔对U型钢承载影响与结构优化研究[J]. 采矿技术, 2024, 24(6): 16-20.
[7] 李旺. 基于宽度学习网络的电子鼻瞬态响应分类与预测算法研究[D]: [硕士学位论文]. 重庆: 西南大学, 2023.
[8] 史磊, 晏怀斌, 于骏申. 一种多通道数字接收机的设计与测试方法[J]. 测控技术, 2023, 42(7): 80-86.
[9] 王晨旭. 应用于隔震支座变形位移监测的三维位移传感器研究[D]: [硕士学位论文]. 廊坊: 防灾科技学院, 2024.
[10] 张孝政. 基于自适应目标状态检测的毫米波雷达心肺监测系统研究[D]: [硕士学位论文]. 南京: 东南大学, 2023.
[11] 张淑琳. 基于运算放大器的低噪声放大电路设计与优化[J]. 电工技术, 2024(S2): 112-114, 118.
[12] 吴咏倩. 电子信息工程中质量标准化的数字信号处理技术[J]. 中国品牌与防伪, 2025(1): 161-163.
[13] 郭江. 基于单片机的无线通信系统设计[J]. 无线互联科技, 2024, 21(18): 79-81.
[14] 潘银松, 颜烨, 高瑜, 等. 计算机导论[M]. 重庆: 重庆大学出版社: 2020: 311.
[15] 陈强, 宫改花, 张贾军. 基于超声波和北斗定位技术的作业范围自动化监测预警技术研究[J]. 电子设计工程, 2025, 33(3): 168-173.