GDX500小盒包装机烟包移位及五号轮夹烟维修案例分析
Analysis of Maintenance Cases for Tobacco Packet Shift and 5th Wheel Clamping Failure in GDX500 Carton Packaging Machine
摘要: GDX500包装机作为卷烟生产企业的主要机型,承担着重要的产能任务。在GDX500设备的维修保养过程中发现,在影响其设备运行效率的众多因素中,GDX500小盒包装机烟包移位及5号轮夹烟故障是一个重要因素。本文通过对GDX500包装机5号轮传动系统的分析,查找小盒包装机烟包移位及5号轮夹烟故障的主要原因是烟包输送带补偿机构(内齿轮变速机构)故障和烟包输送带传动机构(共轭凸轮间歇机构)故障。基于对故障原因的分析,更换相应损坏件,调整电机相位,等方式排除小盒包装机烟包移位及5号轮夹烟故障。
Abstract: As the main model of cigarette production enterprises, GDX500 packaging machine undertakes important production capacity tasks. During the maintenance and repair process of GDX500 equipment, it was found that among the numerous factors affecting the operation efficiency of the equipment, the problem of cigarette packet shift and 5th wheel clamping failure in GDX500 carton packaging machine is an important factor. This paper analyzes the 5th wheel transmission system of GDX500 packaging machine and identifies that the main causes of cigarette packet shift and 5th wheel clamping failure in the carton packaging machine are the failure of the cigarette packet conveying belt compensation mechanism (internal gear speed change mechanism) and the failure of the cigarette packet conveying belt transmission mechanism (conjugate cam intermittent mechanism). Based on the analysis of the failure causes, replacing the corresponding damaged parts and adjusting the motor phase, etc., were used to eliminate the problems of cigarette packet shift and 5th wheel clamping in the carton packaging machine.
文章引用:王磊, 王子涵. GDX500小盒包装机烟包移位及五号轮夹烟维修案例分析[J]. 机械工程与技术, 2026, 15(1): 107-114. https://doi.org/10.12677/met.2026.151011

1. 引言

GDX500软盒包装机组是意大利GD公司生产的高速软盒卷烟生产设备,生产速度为500包/min,是较早使用卷盘辅料的软盒卷烟成型设备。软盒卷烟的商标纸除具有在储存、运输、销售阶段保护烟支的功能,还发挥着传递品牌价值、吸引消费者、提升卷烟档次感的作用,因此它的成型质量将直接影响小盒包装的质量。GDX500小盒包装机在完成小盒干燥后,进入5号轮,经常会出现烟包移位及5号轮夹烟故障[1],影响设备运行效率和小盒成型质量。

2. 烟包移位及五号轮夹烟原因分析

GDX500小盒包装机小包成型后经过干燥带干燥后,依次进入5号轮将成型小包输送至下一道工序,如下图所示,成型小包在5号轮上顺利转移是其进入下一道工序的重要保障。如图1所示。

Figure 1. Illustration of the small box entering the fifth wheel

1. 小盒进入五号轮示意图

GDX500小盒包装机在运行过程中会出现烟包输送通道中烟包移位、歪斜现象,导致5号轮夹烟故障。此故障时常出现,设备运行效率难以得到保障。5号轮夹烟故障如图2所示。

Figure 2. Diagram of the fifth wheel holding the tobacco

2. 五号轮夹烟示意图

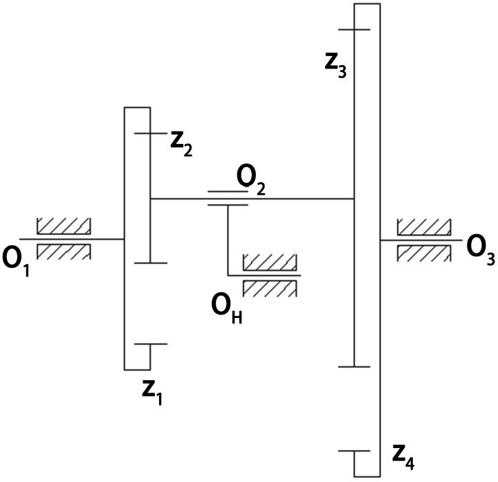
GDX500小盒包装机烟包输送带及5号轮的传动均来自同一传动系统,传动系统主要由主传动带轮、烟包输送带传动机构(共轭凸轮间歇机构、内齿轮变速机构)、5号轮传动齿形带、5号轮传动机构(凸轮间歇机构)组成[2]。传动系统如图3所示。

Figure 3. Schematic diagram of the fifth wheel transmission system

3. 五号轮传动系统示意图

处理烟包在输送通道中移位、歪斜和5号轮夹烟故障时,首先要观察故障现象,分析原因及判断故障类型。观察及检查烟包在输送通道中状态,如是否歪斜、多包、少包、烟包输送是否到位、烟包输送带左右张紧是否一致、烟包在输送通道中松紧程度及相关电器故障。故障原因主要有烟包输送带补偿机构(内齿轮变速机构)故障和烟包输送带传动机构(共轭凸轮间歇机构)。

3. 烟包移位和五号轮夹烟故障处理方法

在排除其他夹烟原因后,检查烟包输送带补偿机构工作是否正常,烟包在输送带通道中包数68~70包之间,大多数设定为69包,烟包在输送带出口存在时,两个检测器相位是239˚~259˚之间,两个检测器分别检测烟包侧面的前端和后端,该检测器控制补偿电机工作。工作原理是在机器相位239˚~259˚之间时,如果检测器未检测到烟包时,补偿电机带动内齿轮变速机构加速,反之如果在该相位区间提前检测到烟包时补偿电机带动内齿轮变速机构减速,使烟包输送带正确传送烟包到位。如图4所示。

Figure 4. Working principal diagram of the compensation motor

4. 补偿电机工作原理图

与此同时,检查、更换补偿电机联轴器。在烟包输送通道中出现烟包送不到位、烟包输送超前工位错误及5号轮夹烟时,应检查补偿机构电机工作是否正常,联轴器是否转动,如果不转动,检查联轴器是否断裂,如果断裂更换联轴器,使电机补偿机构正常工作。

内齿轮变速机构是由内齿轮、蜗杆蜗轮、齿轮轴、偏心座、内齿轮组成的,其工作原理是共轭凸轮间歇机构输出端的内齿轮与涡轮偏心座内的齿轮轴相啮合,齿轮轴另一端的齿轮与离合器输入端内齿轮相啮合[3],如图5所示。正常工作时,共轭凸轮间歇机构带动涡轮的齿轮轴转动,齿轮轴又带动离合器转动。

机器正常运行时补偿电机不工作,内齿轮、蜗杆蜗轮、齿轮轴、偏心座、内齿轮组成定轴轮系。

当烟包输送带出口检测器在机器相位239˚~259˚,检测器未检测到烟包时,或者提前检测到烟包存在时,补偿电机带动补偿机构即蜗杆涡轮转动,将相位调整到239˚~259˚。具体工作原理如下。

Figure 5. Working principal diagram of internal gear speed change mechanism

5. 内齿轮变速机构工作原理图

电机补偿机构未开启时:

蜗杆涡轮转速WH = 0,干燥带传动的内外齿轮是一个定轴轮系,输入输出的传动比

i= ( 1 ) n 齿 齿 (1)

其中n是齿轮传动中外齿轮啮合的对数。

i 13 = w 1 w 3 ( 1 ) 0 z 2 z 4 z 1 z 3 (2)

带入数据

i 13 = 162 182

w 3 = 1 i 13 w 1   (3)

电机补偿机构开启时:

蜗杆涡轮转速WH ≠ 0,干燥带传动的内外齿轮与电机补偿的蜗杆涡轮组成一个行星轮系[4],计算输入输出的传动比时需要给差动轮系附加一个−WH,将其转换为定轴轮系。

i= ( 1 ) n 齿 齿

其中n是齿轮传动中外齿轮啮合的对数。

i 13 = w 1H w 3H = w 1 H w H w 3 H w H = ( 1 ) 0 z 2 z 4 z 1 z 3 (4)

带入数据

i 13 = 162 182

x 3 H = 1 i 13 w 1 +( 1 1 i 13 ) w H (5)

Δ w 3 = w 3 H w 3 =( 1 1 i 13 ) w H (6)

WH与齿轮轴转向相同时,减速;当WH与齿轮轴转向相反时,加速。电机补偿机构通过蜗杆涡轮转速与齿轮轴转速的叠加实现速度补偿。

内齿轮变速机构的涡轮偏心座孔内装有一薄轴承与齿轮轴联接,由于偏心座内的齿轮轴变速和间歇运动,轴承受到的冲击较大,同时齿轮轴带动烟包输送带运动,使得负荷加重,轴承易损坏[5],如图6所示,造成内齿轮变速机构异响、烟包输送带运动不平稳、导致5号轮夹烟等故障,应重新更换轴承,使共轭凸轮间歇机构运动平稳可靠,烟包正确输送到位。

涡轮两端支撑轴承由于使用时间长,滚珠磨损导致间隙增大,轴承的径向跳动,致使内齿轮与齿轮轴啮合不紧密,严重时甚至会出现跳齿的现象,导致5号轮夹烟故障,应重新更换轴承。

检查调整烟包输送带传动机构(共轭凸轮间歇机构)。烟包输送带传动机构是烟包移位、歪斜及5号轮夹烟中最难处理也是最难判断的故障,其共轭凸轮间歇机构如图7所示。

Figure 6. Diagram of gear shaft and bearing wear

6. 齿轮轴及轴承磨损示意图

Figure 7. Schematic diagram of the conjugate cam speed-changing mechanism

7. 共轭凸轮变速机构示意图

烟包输送带传动故障除了主要由内齿轮变速机构导致外,共轭凸轮间歇机构故障也是一个重要原因。烟包输送传动带是由共轭凸轮间歇机构–内齿轮变速机构–蜗杆蜗轮–牙嵌式离合器–齿轮轴–齿轮–主动带轮组成。通常出现故障的是共轭凸轮间歇机构,如图8所示。

Figure 8. Schematic diagram of the conveyor drive mechanism for cigarette packs

8. 烟包输送传动机构示意图

共轭凸轮间歇机构的传动精度高,共轭凸轮的传动原理是通过两片凸轮同时控制一从动件,所以共轭的两片凸轮必须严格保证一进一退,即你退我进,否则机构会卡死或损坏。如图9所示。共轭凸轮间歇机构由于高速运动和自身间歇运动,故机构内的凸轮和滚子受到较大的力,凸轮的传动弧面、定位弧面和滚子表面产生磨损,磨损后凸轮工作表面与滚子工作面间隙增大,导致凸轮机构传动和定位不精确。同时,随着磨损加剧,间隙不断变大,凸轮与滚子的运动冲击变大,导致滚子损坏和滚子内部的轴销折断,最终会导致5号轮夹烟。

Figure 9. Schematic diagram of conjugate cam transmission

9. 共轭凸轮传动示意图

凸轮机构的凸轮和滚子间隙变大,应更换相应损坏件,共轭凸轮间歇机构的凸轮和滚子啮合是没有间隙的,传动弧面和定位弧面与滚子啮合是均匀的、对称的,实现运动是一进一退,一边是传动弧面工作,另一面是定位弧面工作,在更换凸轮与滚子时,要进行凸轮与滚子间隙调整,使凸轮滚子啮合间隙为零。由于支撑座是偏心的,因此可通过调整凸轮轴两端支承座来实现。

完成以上改造后,对GDX500卷包机组的运行数据进行跟踪记录,对比改进前后设备运行数据如表1所示。

Table 1. Comparison of operating data before and after improvement of the GDX500 cartoning machine regarding the frequency of cigarette box shifting and the fault of the fifth wheel clamping cigarettes

1. GDX500卷包机组烟包移位和五号轮夹烟故障频次改进前后运行数据对比

时间

项目

2025年10月

2025年11月

2025年12月

改进前

60次

63次

61次

改进后

15次

13次

12次

从GDX500卷包机组烟包移位和五号轮夹烟故障从改进前的61.33次/月降低为改进后的13.33次/月,改进效果明显。

4. 结论

本文通过分析烟包移位和五号轮夹烟故障的原因,找到导致烟包移位和五号轮夹烟故障的主要因素。通过对五号轮传动系统的分析和传统系统中执行部件分析,对传动系统中的磨损件进行及时更换,并对补偿机构进行调试,有效地解决了烟包移位和五号轮夹烟的故障,GDX500卷包机组烟包移位和五号轮夹烟故障从改进前的61.33次/月降低为改进后的13.33次/月,改进效果明显。提高了GDX500小盒包装机设备运行的效率。

参考文献

[1] 杨森. GDX500包装机干燥输送系统研究与应用[C]. 云南省烟草学会工业专业委员会2011年学术年会论文集. 2011: 182-188.
[2] 郑晓耘, 卜建立. YB45包装机五号轮模盒的改进[J]. 科技传播, 2013(11): 138-138, 126.
[3] 赵民, 徐玉中. GDX2包装机五号轮弧型导轨的改进[J]. 中国科技纵横, 2013(15): 94-95.
[4] 江苏中烟工业有限责任公司. 包装机五号轮出口组件定位调节工装[P]. 中国专利, CN202321266318.5. 2023-12-08.
[5] 河南中烟工业有限责任公司. 一种用于八角烟包的五号轮模盒[P]. 中国专利, CN202420970236.7. 2025-01-10.