风电机组齿轮箱行星轮失效分析研究
Failure Analysis and Research on the Planet Gear of Wind Turbine Gearbox
DOI: 10.12677/ms.2026.163047, PDF, HTML, XML,    科研立项经费支持
作者: 闫俞廷, 李晓博:西安热工研究院有限公司,陕西 西安;王亮亮, 何晨博:西安益通热工技术服务有限责任公司,陕西 西安;徐经纬, 纪效华, 赵振阳:深能南京能源控股有限公司,江苏 南京
关键词: 风电齿轮失效分析夹杂物热处理Wind Turbine Gear Failure Analysis Inclusions Heat Treatment
摘要: 针对风电机组齿轮箱内的行星齿轮失效断齿,通过宏观形貌、化学成分分析、金相组织观察、断口扫描电镜分析、力学性能测试对失效行星轮进行分析。结果表明:行星齿轮组织内部存在大量尺寸超标夹杂物与高含碳量第二相质点,结合外加载荷作用,造成行星轮首先于齿根处开裂失效。据此,提出了金属钢件熔炼过程中优化熔炼工艺,热处理过程中采用均匀加热方式或热处理后进行二次回火与均匀化退火工艺。
Abstract: The study focuses on the planet gear failure analysis of a wind turbine gearbox. The failed planet gear was examined through macroscopic observation, chemical composition analysis, metallographic examination, fracture surface scanning electron microscopy (SEM), and mechanical property testing. The results indicated that a large number of oversized inclusions and carbon-rich second-phase particles existed within the microstructure of the planet gear. Under the combined influence of these material defects and external service loads, the planet gear initiated a fatigue crack at the tooth root, which subsequently propagated and led to the final fracture of the gear. Based on this, improvement measures are proposed for the steel manufacturing process, including optimizing the melting temperature and holding time during the smelting stage, and adopting uniform heating methods during heat treatment, followed by tempering or homogenization annealing to improve microstructural uniformity and reduce the risk of similar failures.
文章引用:闫俞廷, 李晓博, 王亮亮, 何晨博, 徐经纬, 纪效华, 赵振阳. 风电机组齿轮箱行星轮失效分析研究[J]. 材料科学, 2026, 16(3): 21-27. https://doi.org/10.12677/ms.2026.163047

1. 引言

在全球能源格局向清洁低碳化深度转型的当下,风力发电凭借其可再生属性与零碳排放的突出优势,已然崛起为新能源产业的核心支撑力量。伴随风电机组服役年限的逐步增加,其核心传动组件的可靠性隐患愈发突出[1]-[3]。齿轮箱作为风电机组实现叶轮低转速向发电机高转速转换的关键传动装置,承担着扭矩传递的核心使命,其工作状态的稳定性直接决定了整机运行的安全水平[4]-[6]。行星轮是风电齿轮箱行星传动系统中的核心承载构件,每级多个行星轮与太阳轮、内齿圈相互啮合配合,共同完成动力传递与转速调节任务。由于长期处于交变载荷、瞬时冲击载荷及复杂复合应力的作用环境中,行星轮成为齿轮箱中故障发生率较高的部件之一[7] [8]。断齿故障一旦发生,不仅会造成齿轮箱传动功能瞬间中断,引发风电机组非计划停机,进而产生高额的发电量损失与设备维修费用,还可能因断齿碎片在齿轮箱内部造成二次冲击损伤,甚至诱发整机系统性故障,对风电场的安全生产构成严重威胁[9]-[11]

某风电场安装风机类型为GE2.5-132常温型机组,叶轮直径132米,齿轮箱厂家为南高齿,型号FDM2D-E07667-101,结构为两级行星一级平行结构。2020年9月机组并网投产,运行4年后于2024年9月内窥镜检测中发现齿轮箱内部存在断齿,对该台齿轮箱下架更换,并进行失效分析工作。

2. 试验材料与方法

从失效齿轮上进行取样,分别进行:采用电感耦合等离子体发射光谱法对行星轮的材质进行化学成分分析;经磨制抛光、硝酸酒精腐蚀后,采用CX40M金相显微镜进行金相组织观察,并按照GB/T 13298标准进行金相分析;采用HXD-1000TMC/LCD型硬度计对行星轮齿顶、齿芯完好部位进行显微维氏硬度测试;依据GB/T 228. 1标准对失效行星轮进行室温拉伸试验,试样采用ϕ10 mm标准拉伸试棒;采用JSM-6390A型扫描电子显微镜对断口的微观组织和失效形貌进行观察。

3. 试验结果及讨论

3.1. 失效齿轮宏观分析

图1为失效二级太阳轮、行星轮、齿圈的宏观样貌。图1(a)图1(c)分别为失效太阳轮、齿圈的断裂形貌,断面存在明显的挤压、塑性变形,表现为碎块进入齿面啮合区后的压溃现象。图1(b)为失效行星轮的断口宏观形貌,多数齿根处存在明显的疲劳辉纹,疲劳源区、扩展区、瞬断区清晰可见,为典型的疲劳断裂特征。因此判断初始断裂位置为行星轮齿根处,本文重点开展行星轮断齿的失效分析工作。

Figure 1. Macromorphology of the failed gear

1. 失效齿轮宏观形貌

3.2. 化学成分分析

失效行星齿轮材质为18CrNiMo7-6,为欧标合金结构钢,其对应国内牌号为17Cr2Ni2Mo。从行星轮切取试样进行化学成分分析,测试结果如下表1所示,检测结果符合GB/T 17107-1997《锻件用结构钢牌号和力学性能》中对17Cr2Ni2Mo的成分范围规定。

Table 1. Chemical composition analysis of the planet gear (wt.%)

1. 行星轮化学成分分析(wt.%)

元素

C

Si

Mn

P

S

Cr

Mo

Ni

实测

0.2

0.25

0.63

0.012

0.009

1.6

0.26

1.55

标准

0.15~0.21

≤0.40

0.50~0.90

≤0.025

≤0.035

1.50~1.80

0.25~0.35

1.40~1.70

3.3. 金相试验及断口扫描电镜分析

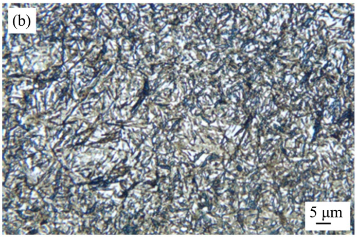
将行星轮齿顶完好部位及缺损部位切取横截面试样,进行金相显微观察,如图2~4所示。金相组织较为细密,齿顶和齿根均以针状马氏体为主(图2图3所示),而齿芯则以板条马氏体为主(图4所示),均含有残余奥氏体和碳化物,符合该类渗碳钢的组织要求。

Figure 2. Metallographic structure at the tooth tip of the planet gear

2. 行星轮齿顶金相组织

图5为抛光态行星轮不同区域宏观形貌,齿顶、齿芯、齿根均存在夹杂物,齿根表面处夹杂物含量较多。通过扫描电镜与能谱分析对行星轮夹杂物尺寸、成分进行分析,尺寸、成分结果如表2图6所示。依据GB/T 10561《钢中非金属夹杂物含量的测定标准评级图显微检验法》对失效行星轮夹杂物尺寸进行评级,夹杂物评级为DH 2.0,DT2.5,DS 2.0,超出JB/T 13027《重载齿轮渗碳热处理技术要求》中尺寸要求。能谱分析结果表明,夹杂物主要含Al、Ca、Si、Cr、S等元素。

Figure 3. Metallographic structure at the tooth root of the planet gear

3. 行星轮齿根金相组织

Figure 4. Metallographic structure in the tooth core of the planet gear

4. 行星轮齿芯金相组织

Figure 5. Inclusions in the polished planet gear (a) tooth tip (b) tooth core (c) tooth root

5. 抛光态行星轮夹杂物 (a) 齿顶 (b) 齿芯 (c) 齿根

Figure 6. Size analysis of inclusions in the planet gear

6. 行星轮夹杂物尺寸分析

Table 2. EDS analysis results of inclusions (at.%)

2. 夹杂物能谱分析结果(at.%)

尺寸/μm

C

O

Al

Ca

Si

S

Cr

Mo

1

25.70

8.20

54.71

30.01

0.54

0.26

0.49

4.38

0.17

2

30.47

16.74

49.20

20.89

0.25

0.24

0.36

3.65

0.31

3

28.96

10.60

54.08

24.08

0.44

0.21

0.58

2.60

0.52

4

23.56

9.79

33.46

35.01

0.61

0.32

0.21

3.76

0.64

5

21.24

8.64

45.32

25.54

0.45

0.64

0.42

5.25

0.11

6

38.54

18.66

49.20

20.89

0.25

0.24

0.28

4.65

0.27

7

33.14

85.01

8.09

6.88

0.25

0.14

0.42

1.51

0.38

8

26.84

36.30

30.63

1.09

3.01

0.21

0.36

4.15

0.84

此外,在行星轮近表面发现了条带状密集分布的第二相质点,如图7所示,能谱分析显示这些质点含碳量较高,与金属熔炼、热处理阶段工艺不当有关。由于与铁基体物性差异较大、变形不协调,这些分布在近表面的粗大夹杂物(如各类氧化物、硫化物等)、碳化物等在循环承载过程中易因变形不协调等因素产生不同程度的应力集中而成为裂纹形核点,降低部件的长周期服役能力[12]

Figure 7. Banded second-phase particles

7. 条带状第二相质点

对典型断面进行观察,在超声辅助作用下采用5%的稀醋酸对断口进行清理。图8失效行星轮断面,边缘裂纹萌生处平坦,周围有剥落痕迹,断面可见大量解理面,断面光滑,未见明显塑性变形,裂纹扩展区可见大量疲劳辉纹,表明断口属于疲劳断裂。终断区较光滑,可观察到大量汇聚的条带,表明裂纹扩展速度快。在断裂源区附近通过能谱分析探测到断裂起始区域存在Si、Cr、S、Mo等元素聚集的夹杂物,近表面源区附近有含碳量较高的第二相质点,如图9所示,与上文未断裂齿轮的扫描电镜结果一致。

从夹杂物EDS结果及结合断口面扫结果判断,夹杂物主体为铝酸钙系复合夹杂(CaO-Al2O3),并伴随硅酸盐、硫化物、尖晶石、铬/钼氧化物的复合聚集。其主要成因为钢材精炼后期钙处理过量、喂线工艺不合理导致铝酸钙聚集长大,叠加全流程二次氧化使Cr、Mo、Si、S等合金元素氧化形成复合相,以及精炼渣卷入和耐材侵蚀引入外来大颗粒夹杂[13]-[15]

Figure 8. Microscopic morphology of the failed planet gear fracture surface (a) origin region; (b) propagation region; (c) overload fracture region

8. 失效行星轮断口微观形貌(a) 源区;(b) 扩展区;(c) 瞬断区

Figure 9. EDS analysis of the fracture origin region of the failed planet gear

9. 失效行星轮断口源区能谱分析

3.4. 硬度试验

使用HXD-1000TMC/LCD型硬度计对行星轮齿顶完好部位横截面进行显微维氏硬度测试,试验力1000 g,保荷时间15 s,按照齿顶–齿芯顺序,测试点间隔为1 mm。硬度试验结果见表3,表面硬度符合JB/T 13027《重载齿轮渗碳热处理技术要求》中规定渗碳齿轮维氏硬度范围。根据硬度变化可推断渗碳层深度约4 mm,符合JB/T 13027《重载齿轮渗碳热处理技术要求》标准对渗碳齿轮有效硬化层深度的推荐值。

Table 3. Hardness measurement results of the planet gear

3. 行星轮硬度测试结果

HV

1

2

3

4

5

6

7

8

9

10

齿顶

722.5

710.1

691.0

712.6

619.6

586.4

/

/

/

/

齿芯

/

/

/

/

/

574.4

513.9

494.9

465.0

458.6

3.5. 室温拉伸试验

从失效行星轮上沿齿轮轴向各加工两根棒状拉伸试样,进行室温拉伸性能测试,结果见表4。失效行星轮拉伸性能符合标准GB/T 17107《锻件用结构钢牌号和力学性能》相关规定。

Table 4. Tensile property test results of the planet gear

4. 行星轮拉伸性能测试结果

编号

Rp0.2/MPa

Rm/MPa

A/%

Z/%

1

820

1103

14.0

59

2

886

1104

14.0

58

标准

≥790

≥1080

≥8

≥35

4. 结论

(1) 结合各位置断齿宏观形貌、断面微观形貌,判断首先失效位置为二级行星轮齿根处,为典型的疲劳断裂特征,太阳轮、齿圈的断齿为行星轮断齿后的次生失效。

(2) 根据行星轮金相组织、扫描电镜分析,失效行星轮的裂纹源处可观察到大量尺寸超标夹杂物、高含碳量第二相质点,结合外加载荷作用,造成行星轮首先于齿根处开裂失效。

(3) 建议金属熔炼过程中,重点控制钙处理参数,将钢材中钙稳定在15~25 ppm、钙/铝比控制在0.8~1.2,钙处理后应软吹氩 ≥ 8~10 min,严格执行长水口氩封、中间包覆盖及过热度20℃~30℃的全流程保护浇注,同时稳定精炼渣系、加强耐材侵蚀检查与更换,并建立Al、Ca、O及夹杂物评级的闭环检测与管控,从源头减少大尺寸复合夹杂生成与残留。热处理阶段,采用均匀加热方式,减少工件不同区域的温差,防止局部碳浓度过高导致第二相异常析出,必要时可在热处理后进行二次回火或均匀化退火。

基金项目

中国华能集团科技项目(TP-24-TZK35)。

参考文献

[1] 王晶晶, 吴晓铃. 风电齿轮箱的发展及技术分析[J]. 机械传动, 2008, 32(6): 5-8.
[2] 王辉, 李晓龙, 王罡, 等. 大型风电齿轮箱的失效问题及其设计制造技术的国内外现状分析[J]. 中国机械工程, 2013, 24(11): 1542-1549.
[3] 龙霞飞, 刘伟强, 罗朝旭, 等. 基于INRBO优化FMD的风电齿轮箱故障诊断[J]. 智慧电力, 2026, 54(1): 93-101.
[4] 何海军, 单诚. 风电齿轮箱一级太阳轮失效分析与热处理改进[J]. 机械制造, 2025, 63(12): 89-92.
[5] 宋金辉, 程小利, 黄敏, 等. 风电齿轮箱高速中间轴失效原因分析[J]. 金属热处理, 2019, 44(S1): 89-92.
[6] 王付岗, 程林志, 杨杨, 等. 风电机组增速齿轮箱第三级大齿轮失效分析[J]. 机械传动, 2017, 41(8): 30-34.
[7] 闫俞廷, 牛立斌, 龙裕轩, 等. 电牵引采煤机右牵引部齿轮失效分析[J]. 热加工工艺, 2021, 50(4): 154-156+160.
[8] 安宗文, 杨腾飞. 基于失效物理的风电齿轮箱失效相关机理分析[J]. 机械设计, 2018, 35(6): 82-86.
[9] 王稳, 李新星. 装配误差引发风电机组齿轮箱失效分析[J]. 自动化应用, 2018(11): 119-121.
[10] 姜荣国, 王强, 李若辉, 等. 风电齿轮箱小齿轮齿面剥落原因分析[J]. 腐蚀科学与防护技, 2016, 28(2): 154-159.
[11] 王金娜, 李发钰. 基于模块化结构的风电齿轮箱可靠性分析与故障预测方法[J]. 电力设备管理, 2025, 6(22): 107-109.
[12] 胡志红, 林丽, 张秀丽, 等. 基于磨粒监测的齿轮箱磨损特性分析[J]. 热加工工艺, 2018, 47(6): 53-56+60.
[13] 王雪原. 风电齿轮箱用18CrNiMo7-6钢均质性及非金属夹杂物控制研究[J]. 连铸, 2025, 44(5): 204-209.
[14] 李上民, 杨大华, 王彭, 等. 海上风电齿轮箱润滑油指标失效机理及控制办法[J]. 船舶工程, 2025, 47(S2): 96-101.
[15] 许恒雷, 廖唯良, 冯宇, 等. 基于实际风场载荷的齿轮箱DOE强度失效研究[J]. 机械设计与制造工程, 2025, 54(4): 5-9.