空气水基CAB-35泡沫黏度特性及水平管流研究
Study on Pressure Drop of Air-Water-Based CAB-35 Foam in Horizontal Pipe Flow
DOI: 10.12677/jogt.2026.481014, PDF, HTML, XML,   
作者: 聂 恒, 梅徐一, 陈纪阳, 王修武*:昆明理工大学化学工程学院,云南 昆明;徐 阳:国家石油天然气管网集团有限公司云南分公司,云南 昆明
关键词: 泡沫流变性黏度特性模型泡沫流型改进压降模型Foam Rheology Viscosity Characteristic Model Foam Flow Pattern Improved Pressure Drop Model
摘要: 管流过程中泡沫流体黏度会随工况变化而变化,准确分析其黏度特性、流动规律及压降特征,对泡沫流体在管流工况应用中具有重要意义。本文以空气水基CAB-35泡沫流体为研究对象,采用室内实验与理论分析相结合的方法,系统开展了该泡沫流体的黏度特性及水平管流特征分析研究。结果表明,空气水基CAB-35泡沫呈现出假塑性流体特征,CAB-35浓度和工况温度对其黏度有显著影响,通过引入无量纲温度修正系数构建了其适配的流变本构模型。水平管流实验发现,其流动过程中主要呈现泡沫波浪流、均相流和段塞流三种流型:基于已构建的泡沫流变本构模型开展压降预测,现有典型的Lockhart-Martinelli (L-M)、均相流和漂移流压降模型预测结果均存在一定偏差,考虑气相流量修正以优化误差相对较小的均相流模型,结果显示优化后的模型预测平均误差降低至9.07%。综合表明,基于泡沫流体流变本构模型优化后的管流压降模型满足工程设计的需要,可为这类泡沫流体在管输相关应用中提供理论支持。
Abstract: During pipeline flow, the viscosity of foam fluid changes with operating conditions. Accurate analysis of its viscosity characteristics, flow laws and pressure drop features are of great significance for the application of foam fluid in pipeline flow conditions. In this paper, air-water based CAB-35 foam fluid is taken as the research object, and a combination of laboratory experiments and theoretical analysis is used to systematically carry out the study on viscosity characteristics and horizontal pipeline flow features of this foam fluid. The results show that the air-water based CAB-35 foam exhibits pseudoplastic fluid characteristics. The CAB-35 concentration and operating temperature have significant effects on its viscosity, and an adapted rheological constitutive model is established by introducing a dimensionless temperature correction coefficient. The horizontal pipeline flow experiments reveal that three main flow patterns, namely foam wavy flow, homogeneous flow and slug flow, are observed during its flow. Based on the constructed foam rheological constitutive model to carry out pressure drop prediction, certain deviations exist in the predictions of the existing typical Lockhart-Martinelli (L-M), homogeneous flow and drift flux pressure drop models. By considering gas flow rate correction to optimize the homogeneous flow model with relatively small errors, the results show that the average prediction error of the optimized model is reduced to 9.07%. The comprehensive analysis indicates that the pipeline pressure drop model optimized based on the foam fluid rheological constitutive model meets the needs of engineering design, and can provide theoretical support for the relevant pipeline transportation applications of such foam fluids.
文章引用:聂恒, 梅徐一, 陈纪阳, 徐阳, 王修武. 空气水基CAB-35泡沫黏度特性及水平管流研究[J]. 石油天然气学报, 2026, 48(1): 117-128. https://doi.org/10.12677/jogt.2026.481014

1. 引言

泡沫流体作为一种气液两相流体,广泛应用于石油开采、化学清洗、废水处理、消防灭火等领域,特别是在管道输送系统中,泡沫的流动特性直接影响着系统的设计、能效和成本。在许多工业过程中,泡沫流体不仅需要承载运输液体,还需在不同工况下保持稳定流动,因此,准确预测泡沫流体在管道中的压降特性,对优化工艺设计和提高设备效率具有重要意义[1] [2]

泡沫流体是一种复杂的非牛顿流体,其流变性受多种因素的影响。陈涛[3]等研究了压缩空气泡沫流体的流变性,阐明了压缩空气泡沫的流变行为特性,明确压缩空气泡沫的流变本构方程,但压缩空气泡沫流变行为与普通空气泡沫流变行为的一致性有待验证。王昊宇等[4]研究了发泡用水量对沥青发泡体系流变参数的影响,通过DSR等方法评估动态黏度和剪切响应,指出水含量对高温流变性有不利影响,尽管涉及黏度变化,但研究对象为泡沫沥青复合材料而非经典泡沫两相体系。Yu [5]等研究了泡沫衰减过程中泡沫黏度的变化,揭示了排液与粗化过程对泡沫黏度的耦合效应,对泡沫黏度变化机制解释有着重要贡献,但缺乏对泡沫流体流变行为的描述。

近年来,关于泡沫管流压降的研究逐渐增多。Li [6]等研究了不同表面活性剂类型及浓度对水平管道泡沫流型与压降的影响。提出了基于Weber和Bond数的泡沫流动通用流型图,并将压降与流型联系起来,确定了不同泡沫流动模式下的压降规律,为流型预测和压降估算提供实验依据,未考虑泡沫流体的剪切变稀行为。M. Bogdanovic [7]等通过实验测量不同泡沫质量范围的水平泡沫流动摩擦压降提出了新的摩擦因子关联公式,覆盖湿泡沫与干泡沫区间,得出现有模型在不同泡沫区域准确性不足,并提出新的经验关联模型,但未涵盖极高质量下(98%)的泡沫流进行研究。C. Du [8]等研究了非牛顿流体基础泡沫在水平管道中的流型、压降与物理化学特性之间的关系,强调了流型转换和非牛顿特性对压降的显著影响,主要针对非牛顿特性的溶液泡沫,对常规空气–水泡沫的通用性有待进一步验证。

张宇豪[9]等采用漂移模型改进井筒泡沫压降预测方法,通过实验数据修正漂移速度和分布系数,提高泡沫井筒压降预测精度,但主要应用于井筒条件,未针对水平管路中泡沫流的压降规律进行深入研究。熊至宜[10]聚焦煤层气井筒垂直环空管内气液两相流的流态规律,核心目标是明确关键参数对流传态的影响,但未开展物理实验验证模拟结果的准确性。胡忠新[11]研究了亚/超临界水氧化工艺中高温高压气液两相流的管路流动特性,通过数值模拟揭示不同管路结构对流动参数的影响,为管路设计与优化提供理论支撑,同样未开展物理实验验证模拟结果的准确性。

现有研究表明,管流过程中泡沫流体流型会影响管流压降,研究人员通过实验手段解析泡沫流动的流型与压降关系,明确了不同流型阶段对压降曲线的显著调控作用。同时,泡沫流体黏度也是影响管流压降的重要因素,对泡沫流体黏度特性的精准描述,是实现管流压降精准计算的前提。基于现有研究的不足,本文针对空气水基CAB-35泡沫流体展开研究,将泡沫的黏度特性与管流压降模型结合,确定空气水基CAB-35泡沫的管流特性,为该类泡沫流体在实际工程中的管流系统设计、压降预测及参数优化提供理论支撑与数据参考。

2. 实验部分

2.1. 主要材料及仪器

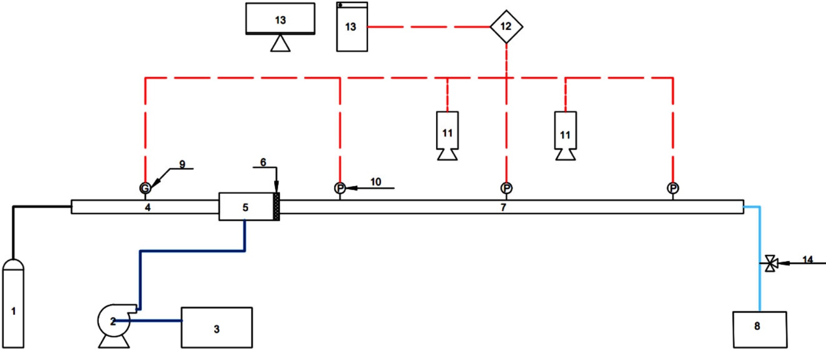
椰油酰胺丙基甜菜碱(CAB-35,35%有效含量),NDJ-5s旋转粘度计(100 mPas~100000 mPas),电动搅拌器(0~3000 r/min),恒温数显油浴锅(0~300℃),自制泡沫管流实验装置,自制泡沫管流实验装置如图1所示:其中压力传感器量程为0~180 Kpa,精度0.1%,气体流量计量程为3~300 NL/min,精度为2% FS,高速摄像机最大帧率为10000 FPS。

1:气瓶;2:泵;3:起泡剂;4:气体泵送管;5:泡沫发生器;6:多孔塞;7:可视化流变测试段;8:废液箱;9:气体流量计;10:压力传感器X3;11:高速摄像机;12:数据采集卡;13:数据采集、处理系统;14:节流阀。

Figure 1. Schematic diagram of the pipe flow device

1. 管流装置结构图

2.2. 空气水基CAB-35泡沫流变性测试

配置一定浓度的CAB-35起泡剂溶液,并放入恒温油浴锅中,利用搅拌器以2800 r/min的速率匀速搅拌7 min,制得泡沫基液。利用旋转式黏度仪对不同剪切速率下的泡沫基液进行黏度测量,记录不同剪切速率下的泡沫黏度。通过改变剪切速率(2.1 s1~10.6 s1)、表面活性剂浓度(0.1 wt%, 0.3 wt%, 0.6 wt%, 1.0 wt%)以及温度(30℃, 45℃, 60℃, 75℃),获取泡沫流体表观黏度的变化规律。

2.3. 空气水基CAB-35泡沫管流实验

利用自制的泡沫水平管流装置,进行空气水基CAB-35泡沫管流实验。配置好特定浓度的起泡剂溶液,通过蠕动泵将起泡剂送入泡沫发生器中,并与气相混合,形成泡沫流体,通过高速摄像机拍摄泡沫流体的特征,通过压力传感器获取管路压力,获得管路压降。通过改变气相流量(20~80 L/min)和液相流量(400~1000 mL/min)获取不同工况条件下的泡沫水平管流特性。

3. 结果与讨论

3.1. 空气水基CAB-35泡沫黏度特性研究

3.1.1. 空气水基CAB-35泡沫的流变性

现有研究表明,水基泡沫通常展现出假塑性流体的特征,即随着剪切速率的增加,黏度下降,可用幂律模型 μ=K γ n1 来描述该类泡沫流体的流变行为[12]。通过实验,空气水基CAB-35泡沫也为假塑性流体,在所设置实验浓度范围内,均表现出剪切变稀行为,可使用幂律模型对其流变性进行描述,经过拟合后,R2均接近1,具体参数如表1所示。

Table 1. Determination of rheological parameters of air-water based CAB-35 foam fluid

1. 空气水基CAB-35泡沫流体的流变参数确定

组别

浓度(wt%)

温度(℃)

K (mPasn)

n (无量纲)

R2

A

0.1wt%

30

1253.257

0.6540

0.994

0.3wt%

30

1325.867

0.6398

0.993

0.6wt%

30

1380.480

0.6296

0.993

1.0wt%

30

1272.214

0.6522

0.994

B

0.6wt%

30

1380.480

0.6296

0.993

0.6wt%

45

1073.767

0.6655

0.992

0.6wt%

60

958.186

0.6808

0.982

0.6wt%

75

764.892

0.6900

0.992

随着起泡剂浓度的增加,水基空气CAB-35泡沫黏度先增加后降低,在0.6 wt%条件下达到最大,此时 K 值也最大。 K 是影响泡沫流体稳定性的核心因素之一, K 越大,泡沫流体的黏稠程度越高,泡沫液膜的排液速度越慢,泡沫之间的聚并、破裂阻力越强,稳定性越好[13]。在0.6 wt%浓度下,此时黏度最高,为1051.38 mPas, K 值达到最大,达到1380.480,表明在此浓度下空气水基CAB-35泡沫的稳定性最好,能有效抵抗重力排液,使泡沫寿命更长;同时在该浓度下, n 值最低, n 值越低表明假塑性越强,在准静态(低剪切)条件下会有更高的黏度,进一步提高了泡沫的稳定性。

对于泡沫流体而言,泡沫流体的稳定性随着起泡剂浓度增加而提高,当起泡剂浓度达到胶束浓度之后,继续增加浓度不会提升稳定性,有时还会降低稳定性[14],为筛选出最优发泡浓度,对CAB-35起泡剂溶液进行了表面张力测量,实验结果如图3。随着浓度的增加,表面张力先降低后升高,在0.7 wt%浓度下达到最低,表明在该浓度下能有最好的泡沫稳定性。结合流变性实验所设置浓度,确定后续管流实验浓度为0.6 wt%。

Figure 2. Effect of different concentrations on the viscosity of air-water-based CAB-35 foam

2. 不同浓度对空气水基CAB-35泡沫黏度的影响

Figure 3. Surface tension curve

3. 表面张力曲线图

3.1.2. 温度影响及修正模型

温度升高会加剧泡沫的排水和粗化[15],由于泡沫膜随着温度升高而热变薄,这会导致液体迅速排出泡沫薄片并降低泡沫粘度,从而导致泡沫稳定性降低[16]。当泡沫膜由于温度的增加而变薄时,泡沫气泡中的结构变化(包括薄片破裂和气泡聚结)发生得更快[17],且随着液膜变薄,泡沫的弹性减弱,导致抵抗变形的能力贬低,在更高的剪切速率下容易破裂,致使泡沫黏度降低。随着温度变高,泡沫流体的剪切稀化特征变弱,泡沫的稳定性变得更差,且泡沫粗化、聚结速率加剧,且温度升高增加了分子的动能,减弱了分子间作用力,从而降低了流体的流动阻力。

Figure 4. Influence of different temperatures on the apparent viscosity at 0.6 wt% CAB-35

4. 0.6 wt% CAB-35条件下,不同温度对表观黏度的影响

为量化温度影响,引入无量纲温度常数 T D ,其计算式为式(1)。

T D = T T ref T ref (1)

Table 2. Actual temperature T and its dimensionless temperature T D

2. 实际温度 T 及其无量纲温度 T D

实际温度 T

无量纲温度 T D

30˚C

0

45˚C

0.5

60˚C

1

75˚C

1.5

Figure 5. Influence of dimensionless temperature on foam rheological parameters ( K and n )

5. 无量纲温度对泡沫流变参数( K n )的影响

通过图5分析发现,流动稠度指数(K)与无量纲温度通过线性方程关联,流动行为指数(n)为无量纲温度 T D 的二次函数,见式(2)、(3)。

K= l 1 T D + l 2 (2)

n= m 1 T D 2 + m 2 T D + m 3 (3)

并将 K n 值代入 μ=K γ n1 中,得到了一种改进形式的幂律模型,该模型考虑了无量纲温度和剪切速率的影响,改进模型见式(4):

μ=( l 1 T D + l 2 ) γ ( m 1 T D 2 + m 2 T D + m 3 1 ) (4)

式中: l 1 l 2 m 1 m 2 m 3 是通过使用改进的模型对泡沫黏度试验数据进行非线性回归而确定的方程系数,拟合参数见表3

Table 3. Fitting parameters of Eq. (4)

3. 式(4)的拟合参数

参数

拟合值

R2

l 1

−392.469

0.949

l 2

1338.683

m 1

−0.027

0.985

m 2

0.079

m 3

0.630

并对该模型进行验证,在0.6 wt%,常压情况下,利用旋转式黏度仪对20℃、30℃、40℃、50℃、60℃、70℃温度下的泡沫进行黏度测量,剪切速率为1.3 s1,所获得的实际值与预测值进行对比,结果表4所示:

Table 4. Actual values, predicted values and errors

4. 实际值与预测值及误差

T D

实际测量值(mPas)

预测黏度值(mPas)

误差(%)

−0.333

1305.18

1323.22

1.38

0

1291.18

1214.84

5.91

0.333

1218.72

1102.96

9.50

0.667

1136.75

987.77

13.11

1.000

993.93

870.47

12.42

1.333

736.73

751.29

1.98

结果表明,该改进式能较好预测黏度,低温下误差较小,能满足工程需求。后续管流实验温度为常温,浓度为0.6 wt%,可使用该公式计算管流过程中空气水基CAB-35泡沫流体黏度。

3.2. 空气水基CAB-35泡沫管流特性研究

通过自制管流实验装置,结合空气水基CAB-35黏度特性对管流特性进行研究。所用浓度为0.6 wt%,温度为常温,通过不同的气相流量(20~80 L/min)、液相流量(400~1000 mL/min)来记录管路特征。结合不同的管流压降模型,对泡沫流体水平管流压降进行预测,并改进相关模型。

3.2.1. 管流实验结果及分析

实验过程中主要有三种不同的泡沫流型:当气相流量为30 L/min时,此时泡沫流体中气泡较大,如图6(b1),由于大气泡的不稳定性,导致在流动过程中容易破裂,容易形成段塞流;气相流量为40 L/min时,此时能够形成气泡较小的泡沫流体,如图6(b2)所示,虽然此时气泡较小,但由于气速加快导致气液混合时长变短,产生的泡沫不连续,导致段塞。当气相流量高于60 L/min,此时泡沫流体的流型均为泡沫波浪流,如图6(c),发泡效果差,此时只能生成少量泡沫浮在液相上方,该种流型下管流压降较低。不同泡沫流型如图6所示。

(a) 均相泡沫流

(b1) 泡沫–空气段塞流

(b2) 泡沫–空气段塞流

(c) 泡沫波浪流

Figure 6. Different flow patterns of foam fluid

6. 泡沫流体的不同流型

随着气相流量的增加,压降表现出先上升后下降的趋势。当气相流量超过60 L/min时,压降显著降低,此时泡沫流体流型为泡沫波浪流,呈现出液相、气相分层现象。此时气体与起泡剂溶液接触时间短,扰动效果不足,从而只能产生部分泡沫,形成泡沫波浪流,该流型下压力损失来自气相和漂浮泡沫之间的相互作用,从而导致低压降;当气相流量低于60 L/min时,此时的气速能让气体和起泡剂溶液充分接触、混合,产生较为均匀连续的泡沫,此时泡沫流体充满管道,流型为均相流和段塞流,拥有较高压降,如图7所示。

Figure 7. Influence of various flow rates on pipeline pressure drop

7. 各流量对管路压降的影响

随着液相流量增加,管路压降也随之增加,当液相流量超过1000 mL/min,此时管路压降下降,因为此时液相流量过大,导致液相集中在管壁,导致液膜变厚,滑移现象加强,且此时发泡效果变差,产生的泡沫不连续,导致压降变低。

3.2.2. 管流压降模型分析及验证

对于目前的泡沫管流压降计算,主要有均相流模型[18]、分相流模型[19]、漂移流模型[20]、基于流形模型进行压降计算以及组合模型压降计算。本实验采用均相流模型、分相流模型、漂移流模型来对泡沫管流压降进行计算。

对于泡沫流体而言,Lockhart-Martinelli模型[21]整体预测压降结果偏低,对于泡沫波浪流的压降预测则有较好的精度。均相流模型和漂移流模型对于泡沫波浪流的压降预测结果偏高,在泡沫均相流和段塞流的流型下预测值有一定精度,如图8所示。对于均相泡沫流型而言,均相流模型平均误差为22.20%,漂移流模型为24.45%;对于泡沫段塞流型而言,均相流模型平均误差为21.76%,漂移流模型为34.41%,总体上,均相流模型平均误差为22.84%,漂移流模型为25.37%。对于泡沫均相流型和泡沫段塞流型,均相流模型精度高于漂移流模型,因此在均相流模型基础上进行改进,用以预测均相泡沫流型和泡沫段塞流型的压降。

(a) 均相流模型压降预测及误差 (b) 漂移流模型压降预测及误差

(c) L-M模型压降预测及误差

Figure 8. Experimental pressure drop and predicted pressure drop of various models

8. 实验压降与各模型预测压降

各模型对于实验条件下的泡沫流体压降预测精度不足,偏差较大。对于泡沫均相流型和泡沫段塞流型,均相流模型误差好于漂移流模型,因此基于均相流模型对其进行改进,用以预测泡沫均相流型以及泡沫段塞流型下的管路压降。

引入系数 H H 为气相流量 Q g (L/min)的函数, H 表达式如式(5)所示:

 H=0.002 Q g 2 +0.14 Q g 1.2 (5)

压降计算采用Darcy-Weisbach公式[22],如式(6):

ΔP=f L D ρ m v m 2 2 (6)

v m = Q g + Q l A (7)

ρ m =( 1α ) ρ l +α ρ g (8)

α= Q g Q g + Q l (9)

f= 16 R e m (10)

R e m = D ρ m v m μ (11)

改进后模型为:

ΔP=8 L D 2 μ v m H (12)

其中: f 为摩擦系数, R e m 为混合雷诺数, D 是管内径(m), A 为管路面积(m3), μ 为泡沫流体黏度(Pas), α 为含气量, ρ m 为混合密度(kg/m3), ρ l 为液相密度(kg/m3), ρ g 为气相密度(kg/m3), v m 为混合速度(m/s), Q g 为气相流量(m3/min), Q l 为液相流量(m3/min)。

引进系数 H 后模型后预测精度有所提高,平均误差降低至9.07%,能有效预测均相泡沫流和泡沫段塞流压降。对于泡沫波浪流型,使用L-M修正模型,预测结果较好。结果如图9所示。

Figure 9. Experimental pressure drop and predicted pressure drop of the improved model

9. 实验压降与改进后模型预测压降

通过引入系数 H ,将均相流型及段塞流型下的压降预测平均值从22.84%降低至9.07%,有效提高了泡沫均相流型和泡沫段塞流型的预测精度,为该类泡沫流体在实际工程中的压降预测及参数优化提供理论支撑与数据参考。

4. 结论与展望

4.1. 结论

针对空气水基CAB-35泡沫流体,进行了流变学测试以及管流实验,得出了以下结论。

1) 温度对泡沫流体的黏度起消极作用,会加剧泡沫的失稳。利用试验数据进行了非线性回归,得到了泡沫表观黏度的修正幂律模型。流动稠度指数(K)与温度呈线性关系,流动行为指数(n)与温度呈二次函数关系。修正后的幂律模型在低温情况下有较好的预测效果,在20℃时,误差仅有1.38%。

2) 由不同模型对泡沫管流进行压降预测,结果表明,L-M模型适用于泡沫波浪流型;在泡沫均相流型和泡沫段塞流型下,均相流模型精度更好,均相泡沫流型下平均误差为22.84%,优于漂移流模型平均误差25.37%。

3) 通过引入修正系数 H ,对模型进行修正。改进后模型能有效提高精度,能较好地预测泡沫均相流型和泡沫段塞流型下的压降,平均误差降低至9.07%,满足工程应用需求。

4.2. 展望

管流实验条件集中在特定表面活性及特定工况下,对于其他类型泡沫流体的管流特性配适性尚不明确,且由于室内条件的局限性,只能尽量贴合实际工况,对于长距离运输下泡沫流体的流动特性尚未可知,同时,管流过程中也忽略了液膜厚度以及气泡大小对管路压降的影响。未来研究可以通过改变表面活性剂浓度以及类型,气速、液速,获得更为丰富的实验结果,同时结合管壁液膜厚度以及气泡大小,分析管流过程中压降及流型的变化,可以为泡沫水平管流特性提供更加完善的理论依据。

NOTES

*通讯作者。

参考文献

[1] Saxena, A., Pathak, A.K., Ojha, K. and Sharma, S. (2017) Experimental and Modeling Hydraulic Studies of Foam Drilling Fluid Flowing through Vertical Smooth Pipes. Egyptian Journal of Petroleum, 26, 279-290. [Google Scholar] [CrossRef
[2] Edouard, D., Lacroix, M., Huu, C.P. and Luck, F. (2008) Pressure Drop Modeling on SOLID Foam: State-of-the Art Correlation. Chemical Engineering Journal, 144, 299-311. [Google Scholar] [CrossRef
[3] 陈涛, 秦国杨, 李毅, 等. 高稳定压缩空气泡沫流变性研究[J]. 消防科学与技术, 2025, 44(9): 1297-1302.
[4] 王昊宇, 胡国玺, 李永波. 发泡用水对泡沫沥青流变性能的影响[J]. 土木工程, 2024, 13(8): 1640-1648.
[5] Yu, W. and Lo, J.H.Y. (2024) The Peak Viscosity of Decaying Foam with Natural Drainage and Coarsening. Soft Matter, 20, 4964-4971. [Google Scholar] [CrossRef] [PubMed]
[6] Li, H., Zhang, X. and Wu, Y. (2024) Flow Pattern and Pressure Loss of Foam Flow in Horizontal Pipes: Role of Surfactant Type and Dynamic Surface Tension. Chemical Engineering Journal, 472, Article ID: 107210.
[7] Bogdanovic, M. and Karapiperis, M. (2024) Development of a Friction Factor Correlation for a Foam Flow in a Horizontal Circular Pipe. Annals of Nuclear Energy, 160, Article ID: 107432.
[8] Du, C. and Wang, X. (2025) Flow Pattern and Pressure Drop of Foam Flow Generated from Non-Newtonian Fluids. Chemical Engineering Journal, 495, Article ID: 127511.
[9] 张宇豪, 王志彬, 蒋琪, 等. 基于漂移理论的泡沫排水采气井井筒压降预测模型[J]. 石油学报, 2023, 44(5): 862-872.
[10] 熊至宜, 张云, 张丽稳, 等. 煤层气井筒气液两相流数值模拟[J]. 中国石油大学学报(自然科学版), 2023, 47(2): 153-159.
[11] 胡忠新, 廉士俊, 李启凡, 等. 管路内高温高压气液两相流动特性[J]. 高校化学工程学报, 2022, 36(1): 36-45.
[12] Rahim Risal, A., Manan, M.A., Yekeen, N., Mohamed Samin, A. and Azli, N.B. (2018) Rheological Properties of Surface-Modified Nanoparticles-Stabilized CO2 Foam. Journal of Dispersion Science and Technology, 39, 1767-1779. [Google Scholar] [CrossRef
[13] Al-Darweesh, J., Aljawad, M.S., Tariq, Z., Alajmei, S., Yan, B. and Kamal, M.S. (2024) Prediction of Foam Rheology Models Parameters Utilizing Machine Learning Tools. ACS Omega, 9, 20397-20409. [Google Scholar] [CrossRef] [PubMed]
[14] Li, C., Huang, Y., Sun, X., Gao, R., Zeng, F., Tontiwachwuthikul, P., et al. (2017) Rheological Properties Study of Foam Fracturing Fluid Using CO2 and Surfactant. Chemical Engineering Science, 170, 720-730. [Google Scholar] [CrossRef
[15] Kapetas, L., Vincent Bonnieu, S., Danelis, S., Rossen, W.R., Farajzadeh, R., Eftekhari, A.A., et al. (2016) Effect of Temperature on Foam Flow in Porous Media. Journal of Industrial and Engineering Chemistry, 36, 229-237. [Google Scholar] [CrossRef
[16] Schneider, M., Wailliez, J., Alves, D., Gay, C., Rio, E., In, M., et al. (2024) Limiting Coarsening of a Two-Bubble Foam with Viscosity. Colloids and Surfaces A: Physicochemical and Engineering Aspects, 688, Article ID: 133560. [Google Scholar] [CrossRef
[17] Langevin, D. (2000) Influence of Interfacial Rheology on Foam and Emulsion Properties. Advances in Colloid and Interface Science, 88, 209-222. [Google Scholar] [CrossRef] [PubMed]
[18] Furlong, T.W. and Schmidt, D.P. (2012) A Comparison of Homogenous and Separated Flow Assumptions for Adiabatic Capillary Flow. Applied Thermal Engineering, 48, 186-193. [Google Scholar] [CrossRef
[19] Fu, F. and Klausner, J.F. (1997) A Separated Flow Model for Predicting Two-Phase Pressure Drop and Evaporative Heat Transfer for Vertical Annular Flow. International Journal of Heat and Fluid Flow, 18, 541-549. [Google Scholar] [CrossRef
[20] Natarajan, P., Velraj, R. and Seeniraj, R.V. (2008) Application of Drift-Flux Model in Liquid-Solid Circulating Fluidized Bed. Chemical Engineering Communications, 195, 1144-1158. [Google Scholar] [CrossRef
[21] Chen, Y., Chinello, G., Tait, P. and Jia, J. (2022) A New Correlation to Determine the Lockhart-Martinelli Parameter from Vertical Differential Pressure for Horizontal Venturi Tube Over-Reading Correction. Flow Measurement and Instrumentation, 88, Article ID: 102266. [Google Scholar] [CrossRef
[22] Liu, H., Wang, H., Liu, S., Hu, C., Ding, Y. and Zhang, J. (2015) Lattice Boltzmann Method for the Saint-Venant Equations. Journal of Hydrology, 524, 411-416. [Google Scholar] [CrossRef