基于多准比例谐振的单相双向AC/DC变换器G2V/V2L模式统一控制策略研究
Research on a Multi-QPR-Based Unified Control Strategy for a Single-Phase Bidirectional AC/DC Converter in G2V/V2L Modes
摘要: 针对单相双向OBC (车载充电机)在G2V (充电)与V2L (供电)模式下控制结构不统一、谐波抑制不足的问题,本文以“单相H桥AC/DC + 隔离型CLLLC谐振DC/DC”的级联拓扑为对象,提出面向前级AC/DC的多准比例谐振统一电流控制策略。两种模式共用同一“电压外环 + (PI并联多准比例谐振)电流内环”内核,仅切换外环控制对象与电流参考生成方式:G2V采用母线电压PI外环并结合PLL(锁相环)生成正弦电流参考;V2L采用基于QPR (准比例谐振)的输出电压外环生成电流参考以合成220 V/50Hz正弦电压。Multi-QPR (多准比例谐振)包含基波及3/5/7次等通道,对目标频点提供高增益实现选择性补偿。仿真结果表明,相比传统PI控制,所提策略可显著降低G2V电流THD (总谐波畸变率),并改善V2L输出电压THD,从而提升系统电能质量。
Abstract: To address the non-unified control structure and insufficient harmonic suppression of a single-phase bidirectional On-Board Charger (OBC) operating in both Grid-to-Vehicle (G2V) charging and Vehicle-to-Load (V2L) supplying modes, this paper investigates a cascaded topology consisting of a single-phase H-bridge AC/DC stage and an isolated CLLLC resonant DC/DC stage, and proposes a unified current control strategy for the front-end AC/DC converter based on a Multi-Quasi-Proportional Resonant (Multi-QPR) controller. In both modes, the same control core—an outer voltage loop plus an inner current loop implemented by PI in parallel with Multi-QPR—is reused, while only the outer-loop controlled variable and the current-reference generation method are switched. Specifically, in G2V mode, a DC-bus voltage PI regulator together with a Phase-Locked Loop (PLL) generates the sinusoidal current reference; in V2L mode, a QPR-based output-voltage loop produces the current reference to synthesize a 220 V/50Hz sinusoidal output. The proposed Multi-QPR includes resonant channels at the fundamental and selected 3rd/5th/7th harmonics, providing high gain at targeted frequencies for selective compensation. Simulation results demonstrate that, compared with conventional PI control, the proposed strategy significantly reduces the grid current THD in G2V mode and improves the output voltage THD in V2L mode, thereby enhancing the overall power quality.
文章引用:王潇, 刘胜永. 基于多准比例谐振的单相双向AC/DC变换器G2V/V2L模式统一控制策略研究 [J]. 建模与仿真, 2026, 15(3): 1-11. https://doi.org/10.12677/mos.2026.153038

1. 引言

随着全球能源结构向低碳化转型,电动汽车逐渐从交通工具演变为可控的分布式储能单元,电动汽车的可移动性,使其车载动力电池充当了移动储能单元的角色,而这一功能是通过OBC来实现的[1]。电动汽车能够依据需要将电能反馈给电网,帮助平衡电网负荷[2],或直接为各种电气设备供电,满足在没有固定电源插座环境下的电力需求,如在野外露营、户外工作等情形下,电动汽车的V2L功能提供了便捷的电源方案[3]

双向车载充电机(OBC)是能量转换核心,对其拓扑结构来说,目前主要可以分为单级式和两级式。单级式虽然结构简单,但是存在电压范围较窄,电流波形和效率等性能指标不能达到理想状态等问题[4]。尽管通过使用改进的拓扑结构和控制策略,能在一定程度上扩大输出电压范围并提升性能[5],但过于复杂。与之相对的两级式OBC更受青睐,其具有优越的功率因数校正与电气隔离能力[6]

在控制策略方面,传统PI控制器难以实现交流量的无稳态误差跟踪,也缺乏对3/5/7次等低次谐波的选择性抑制能力,难以满足G2V/V2L两种模式运行需求。QPR控制器在基波频率具有高增益,能够消除稳态误差[7],并在逆变器与并网场景中得到应用。多准比例谐振(Multi-QPR)结构能够对特定谐波提供选择性补偿,改善动态性能与电能质量。然而现有研究多聚焦于单模式或单级电路优化,缺乏一种统一控制框架以同时兼顾电流调节与电压调节。

本文研究围绕单相“单相H桥AC/DC + 隔离型CLLLC谐振DC/DC”级联拓扑展开,针对双向OBC在G2V与V2L模式下控制模式逻辑不统一和动态性能下降问题,构建了一套系统化的统一控制运行方法,提出一种基于并联Multi-QPR的AC侧统一调节结构,使同一控制内核能够在G2V模式下实现电流的高精度正弦跟踪,在V2L模式下实现交流输出电压的高质量调节,从而实现两种模式的控制器复用与结构统一。本文的研究旨在为双向OBC的统一控制策略提供一条可实现的技术路径。

2. 单相双向OBC系统结构与建模

2.1. 系统主电路拓扑

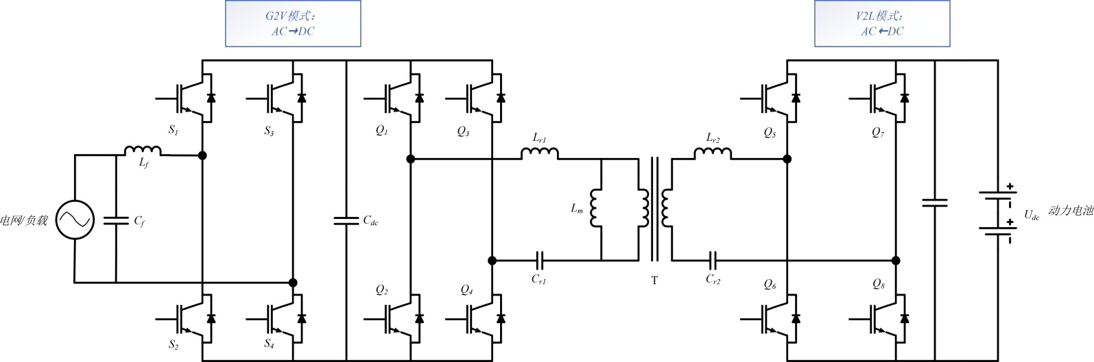
本研究对象为车载单相双向OBC,其主电路拓扑如图1所示,由前级单相H桥AC/DC变换器和后级隔离型CLLLC谐振DC/DC变换器级联构成。前级全桥电路在逆变器中得到广泛应用,其器件电压应力低,在有源逆变或者无源逆变都可以工作[8]。后级CLLLC型谐振变换器结构完全对称,具备双向运行能力,正反向运行谐振腔均具备升降压能力[9]

Figure 1. Main circuit topology diagram of single-phase bidirectional On-Board Charger

1. 车载单相双向OBC主电路拓扑图

前级H桥通过滤波电感 L f 接入单相电网或交流负载,在G2V模式下作为PWM整流器运行,实现电网侧交流电能向直流母线的双向能量变换;在V2L模式下作为电压源型逆变器运行,为外接交流负载提供220 V/50 Hz的正弦电压。

后级CLLLC谐振变换器由谐振网络、高频变压器及桥臂构成,实现直流母线与动力电池之间的双向能量变换及电压匹配[10]。在G2V模式下,为电池充电;在V2L模式下,将电池电压变换至设定的母线电压 U dc *

直流母线电容 C dc 连接于前后级之间,用于缓冲功率波动并支撑直流母线电压,为前级AC/DC和后级DC/DC提供能量交互平台。

2.2. G2V模式建模

G2V模式下,能量由交流电网流向电池,前级H桥作为单相PWM整流器运行,目标是将单相交流电整流为稳定的直流母线电压 U dc ,并实现并网电流近似正弦且与电网电压同相。电网电压为:

u g ( t )= U g sin( ωt ) (1)

H桥输出电压的基波等效值为 u inv ( t ) ,交流侧接有滤波电感 L f 。AC侧电感电流满足:

L f d i ac ( t ) dt = u g ( t ) u inv ( t ) (2)

H桥输出电压与直流母线电压的关系为:

u inv ( t )=m( t ) U dc ( t ) 2 (3)

式中: m( t ) 为等效调制比,由电流内环控制器根据电流误差调节获得。

从直流侧看,前级AC/DC向母线输送的功率为 p ac ( t ) ,后级DC/DC及电池侧吸收的功率为 p dc ( t ) 。直流母线电压满足功率平衡关系为:

C dc d U dc ( t ) dt = p ac ( t ) p dc ( t ) U dc ( t ) (4)

式(2)、式(3)和式(4)共同刻画了G2V模式下前级AC/DC与直流母线的动态特性,为后续设计“电压外环 + PI并联Multi-QPR电流内环”的控制结构提供模型基础。

2.3. V2L模式建模

V2L模式下,后级CLLLC谐振变换器将电池电压提升并稳压至设定值 U dc * ,前级H桥逆变器通过输出LC滤波器向独立负载供电。逆变桥输出电压基波分量为 u inv ( t ) ,输出LC滤波器电感、电容分别为 L f C f ,负载等效阻值为 R f ,则有:

L f d i L ( t ) dt = u inv ( t ) u ac ( t ) (5)

C f d u ac ( t ) dt = i L ( t ) u ac ( t ) R o (6)

式中 i L ( t ) 为滤波电感电流, u ac ( t ) 为输出电压。式(5)和式(6)构成了V2L模式下前级逆变器及输出LC滤波器的状态空间模型,描述了母线电压、逆变桥输出与交流输出电压之间的动态联系。

本章针对“H桥AC/DC + CLLLC DC/DC”级联拓扑的单相双向OBC,介绍了系统主电路结构及G2V、V2L两种运行模式下的基本工作原理。

3. 基于Multi-QPR的G2V/V2L统一控制策略设计

3.1. 前级AC/DC统一控制框架

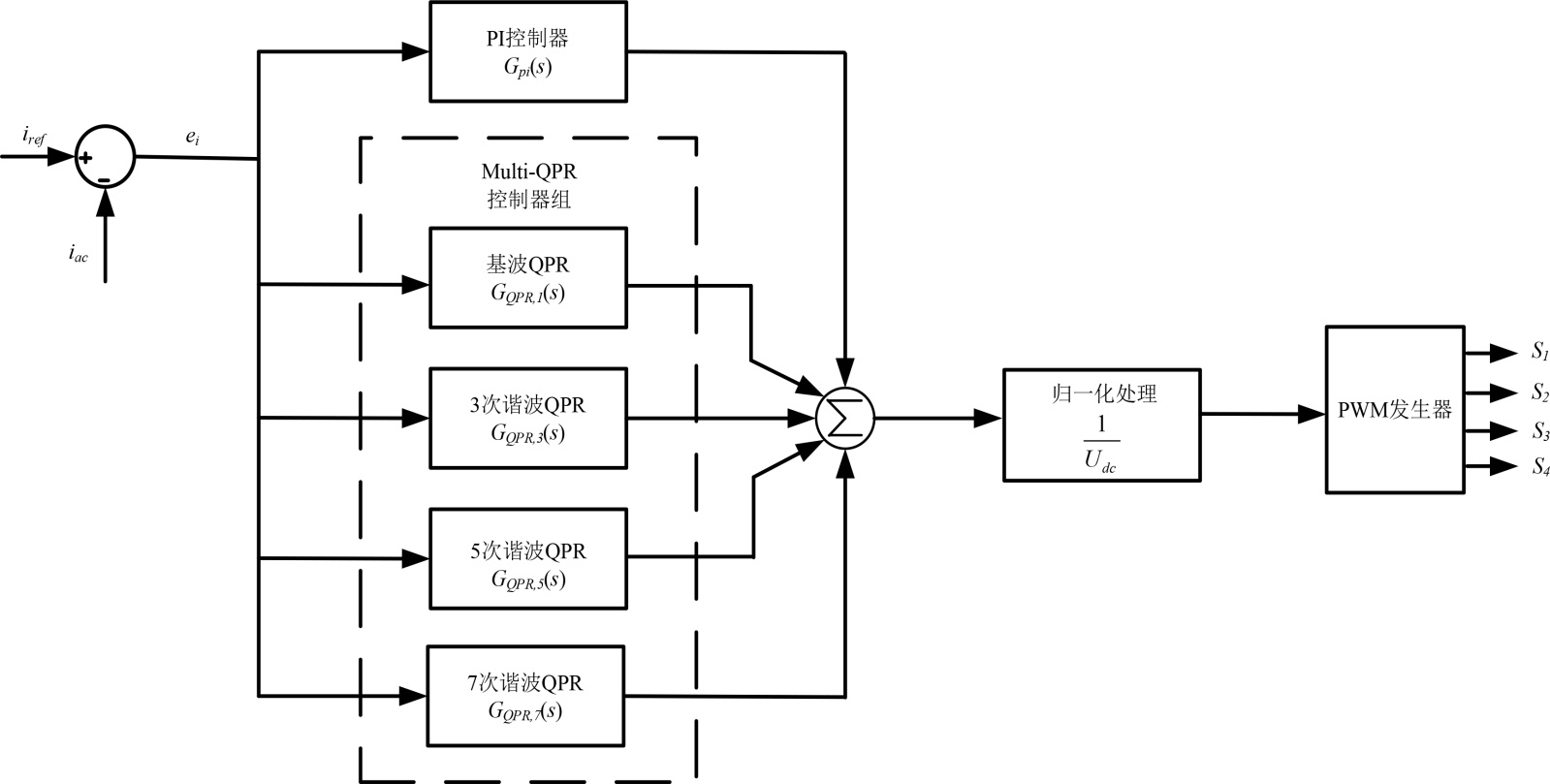
前级单相H桥AC/DC在G2V并网充电与V2L车载供电两种模式下运行时,硬件拓扑保持不变。为减小控制器设计工作量并简化模式切换逻辑,本文在AC侧统一采用“电压外环 + PI与Multi-QPR并联的电流内环”结构,控制框架如图2所示。

系统通过单相SOGI-PLL从电网电压中提取基波相位和频率,为G2V模式提供同步正弦信号,在V2L模式下则由内部参考产生同频率正弦信号。模式信号Mode用于在G2V/V2L之间切换外环:Mode=1时选择母线电压 U dc 作为外环控制量;Mode=0时选择输出电压 U ac 作为外环控制量。无论何种模式,交流侧电流误差均为:

e i = i ac,ref i ac (7)

始终由同一套PI并联Multi-QPR电流内环调节,输出调制信号驱动H桥,实现前级AC/DC控制内核在两种模式下的统一复用。

3.2. G2V模式控制结构

G2V模式下,能量由电网流向电池,前级H桥作为PWM整流器运行,需要在保持母线电压稳定的同时,实现电流近似正弦且与电网电压同相。

Figure 2. Unified control framework diagram for the front-end AC/DC

2. 前级AC/DC统一控制框架图

母线电压给定值为 U dc * ,误差为:

e udc = U dc * U dc (8)

该误差信号送入电压PI控制器,输出电流幅值系数 k udc ,利用PLL输出的正弦信号,可得到电流参考:

i ac,ref ( t )= k udc sin( ωt ) (9)

式中 ω 为电网角频率。通过调节 k udc ,在保证功率因数接近1的前提下实现闭环控制。

3.3. V2L模式控制结构

V2L模式下,后级CLLLC谐振变换器将电池电压提升并稳压至设定母线电压 U dc * 前级H桥作为电压源型逆变器运行,为独立负载提供220 V/50Hz的正弦电压。以输出电压 u dc 为外环控制量,定义电压误差为:

e uac = u ac * u ac (10)

QPR电压外环,其连续时间等效形式为:

G v,QPR ( s )= K p,v + K r,v 2 ω c,v s s 2 +2 ω c,v s+ ω 0 2 (11)

其中 K p,v 为比例系数, K r,v 为谐振增益, ω 0 为基波角频率, ω c,v 阻尼系数。电压外环以 e udc 为输入,输出V2L模式下的电流参考 i ac,ref

得到 i ac,ref 后,V2L模式下的电流内环仍采用与G2V模式完全相同的PI并联Multi-QPR结构,不再单独设计新的控制器。Multi-QPR继续在电流内环中对低次谐波电流进行补偿,从而间接改善输出电压波形质量,降低V2L输出电压THD。模式切换时仅需切换外环及参考量,电流内环保持不变,有利于减小G2V/V2L切换瞬间的动态冲击。

3.4. Multi-QPR控制器结构

为兼顾电流精确跟踪和谐波抑制,本文在电流内环中引入Multi-QPR控制器,与PI控制器并联。针对某一谐波频率 ω h 的单个QPR通道,其连续时间传递函数表示为:

G QPR,h ( s )= K r,h 2 ω c,h s s 2 +2 ω c,h s+ ω h 2 (12)

多个通道并联构成Multi-QPR控制器的传递函数为:

G QPR ( s )= h{ 1,3,5,7 } G QPR,h ( s ) (13)

本文中主要考虑基波及3/5/7次低次谐波。电流内环的等效控制器为:

G i ( s )= G pi ( s )+ G QPR ( s ) (14)

参数整定先仅启用PI与基波QPR通道,保证基波电流平稳跟踪;在此基础上依次投入3/5/7次谐波通道,从较小谐振增益起步,通过频谱分析观察谐波抑制效果和系统稳定裕度,实现动态性能与谐波抑制之间的最优。

3.5. PI并联Multi-QPR电流内环

电流内环结构如图3所示:

Figure 3. PI parallel Multi-QPR current inner loop structure diagram

3. PI并联Multi-QPR电流内环结构图

电流误差一方面送入PI控制器,用于保证电流快速、无稳态误差地跟踪参考;另一方面送入Multi -QPR控制器,对基波及若干低次谐波电流进行选择性补偿。两者输出相加后得到控制量,经归一化为调制比,再送入PWM模块产生H桥驱动信号。通过PI并联Multi-QPR复合控制,可在G2V模式下实现高功率因数、低THD的电流控制。

3.6. 系统开环频率响应与稳定性裕度分析

为了验证参数设计的合理性及系统的稳定性,绘制了其伯德图,如图4所示。

Figure 4. Open-loop frequency response and stability margin analysis of the system

4. 系统开环频率响应与稳定性裕度分析

从幅频特性曲线可以看出,Multi-QPR控制器在50 Hz、150 Hz、250 Hz及350 Hz处均产生了显著的增益尖峰,保证了对基波及低次谐波电流的高精度跟踪与抑制。从相频特性曲线可见,尽管多个谐振环节引入了额外的相位滞后,但通过合理配置比例增益与谐振增益,系统的开环截止频率约为1.5 kHz。在此频率处,系统的相位裕度为51.2˚,满足稳定性要求。该频域分析结果表明,所设计的Multi-QPR控制策略在实现谐波抑制功能的同时,具备足够的动态稳定裕度。

4. 仿真验证

为验证前述所提出的基于多准比例谐振的统一控制策略的有效性和优越性,本文基于MATLAB/Simulink R2021b平台,搭建了包含AC/DC H桥和DC/DC CLLLC变换器的级联式双向变换器系统仿真模型。本章将详细介绍仿真参数,并对G2V和V2L两种关键工作模式下的仿真结果进行深入分析。

4.1. 关键参数

主电路关键参数如表1所示。

Table 1. Key parameters table of the main circuit

1. 主电路关键参数表

模型参数

数值

电网/负载电压uac/V

220

电网频率ω0/Hz

50

直流母线电压参考 U dc /V

400

CLLLC励磁电感Lm/μH

135

CLLLC原边谐振电感Lr1/μH

8.4

CLLLC原边谐振电容Cr1/nF

300

CLLLC二次侧电感Lr2/μH

3.74

CLLLC二次侧电容Cr2/nF

675

CLLLC变压器变比n

1.05:1

交流负载电阻R

7.33

电池额定电压Vbat/V

380

输出功率P/kW

6.6

4.2. G2V模式仿真结果与分析

在G2V模式下,变换器工作于并网充电状态。设定直流母线电压为400 V,电流有功分量由母线电压环动态给出,无功分量参考为0,以实现单位功率因数运行。

Figure 5. Voltage and current waveforms in G2V mode

5. G2V模式下电压与电流波形图

图5可以看出,电流波形平滑,且与电网电压波形严格同相,表明系统实现了高功率因数充电。为验证本文所提Multi-QPR控制策略对电流谐波的抑制效果,分别对采用传统PI控制和本文所提Multi-QPR控制两种情况下的电流进行频谱分析,结果如图6所示。

分析图6可知,在传统PI控制下,由于控制器在谐波频率点增益不足,电流中存在明显的3次、5次、7次等低次谐波分量,其THD为5.22%。而在采用本文提出的Multi-QPR控制策略后,各次谐波分量均得到了有效的抑制,幅值被显著压低。此时,电流的THD降低至1.04%,充分证明了所提策略在提升电能质量方面的优越性。

4.3. V2L模式仿真结果与分析

首先,验证了CLLLC变换器对直流母线电压的稳定能力。如图7所示,在V2L模式启动、负载投入后,直流母线电压经过一个短暂的动态调整过程,其平均值能够快速、精确地稳定在参考值400 V,仅存在因后级单相功率脉动而产生的正常二次谐波纹波,证明了DC/DC级联控制的有效性。

Figure 6. Comparison diagram of current spectrum in G2V mode

6. G2V模式下电流频谱对比图

Figure 7. DC bus voltage waveform in V2L mode

7. V2L模式下直流母线电压波形图

图8展示了V2L模式下,输出交流电压的稳态波形。

由图可见,实际输出电压能够精准地跟踪正弦参考电压,幅值和相位均无明显误差,波形平滑,失真度低。这得益于Multi-QPR控制器在基频处提供的高增益。为进一步量化输出电压的质量,同样对采用传统PI控制和本文所提Multi-QPR控制两种情况下的输出电压进行频谱分析,对比结果如图9所示。

Figure 8. Output voltage waveform in V2L mode

8. V2L模式下输出电压波形图

Figure 9. Comparison of output voltage spectra in V2L mode

9. V2L模式下输出电压频谱对比图

分析图9可以发现,在传统PI控制下,即使负载为线性电阻,由于系统死区时间、器件非理想特性等因素,输出电压中仍会存在一定的谐波分量,其THD为2.91%。而采用Multi-QPR控制后,控制器能够主动补偿这些非理想因素导致的电压畸变,3、5、7次谐波被有效抑制,输出电压的THD降低至0.48%,为高质量供电提供了有力保障。

5. 结论

研究结果表明,本文所设计的统一控制架构具备高度的有效性和灵活性。该架构通过模式切换逻辑,巧妙地复用了核心的Multi-QPR控制器算法,使其既能服务于G2V模式下的电流谐波抑制,又能服务于V2L模式下的输出电压质量优化。在G2V并网充电模式下,与传统PI控制相比,所提出的Multi-QPR电流控制器能够针对性地抑制由电网电压畸变及系统非理想因素引起的3、5、7次等关键低次谐波,使得电流的总谐波畸变率得到了显著的降低。同样,在V2L供电模式下,输出电压THD同样得到了大幅优化,确保了为负载提供高质量、高稳定性的正弦交流电。

参考文献

[1] 茹超超. 双向两级式车载充电机设计与关键问题研究[D]: [硕士学位论文]. 杭州: 浙江大学, 2024.
[2] 郑远硕. 面向V2G车电互联的电动汽车充放电灵活性调控与优化研究[D]: [博士学位论文]. 北京: 北京科技大学, 2023.
[3] 季策. 基于串联谐振双有源桥的多模式三端口车载充电机研究[D]: [硕士学位论文]. 合肥: 合肥工业大学, 2022.
[4] 赵文辉, 沈艳霞. 电动汽车车载充电机拓扑研究综述[J]. 控制工程, 2019, 26(1): 29-36.
[5] 王琳, 孙俊彦, 王正仕. 基于重复控制的单相单级隔离型AC/DC变换器探讨[J]. 电工技术, 2019(9): 15-18+23.
[6] 陈烁杭. 两级式双向Buck-Boost LLC DC-DC变换器控制研究[D]: [硕士学位论文]. 广州: 广东工业大学, 2025.
[7] 郑旭玺, 张志, 梁振腾, 等. 基于准比例谐振控制器的无桥PFC环路建模与设计[J]. 集成电路应用, 2025, 42(6): 37-39.
[8] 杨雁勇. 双向OBC中整流/逆变双向变换器的研究设计[D]: [硕士学位论文]. 杭州: 浙江大学, 2018.
[9] 陈启超. CLLLC谐振型双向DC/DC变换器若干关键问题研究[D]: [博士学位论文]. 哈尔滨: 哈尔滨工业大学, 2015.
[10] 马学东. 光储充放系统储能侧双向DC-DC变换器及其控制策略研究[D]: [硕士学位论文]. 柳州: 广西科技大学, 2025.