基于可控整流的磁耦合谐振式无线充电系统控制策略研究
Control Strategy for Magnetically Coupled Resonant Wireless Charging Systems Based on Controlled Rectification
摘要: 结合锂电池恒流恒压二阶段充电的逻辑,基于双边LCC型磁耦合谐振式无线电能传输具有的原副边恒流输出的特性,通过对整流桥进行控制,该系统不仅能实现恒流恒压输出的功能,同时对充电过程中的各种扰动也有良好的抵抗能力。首先分析双边LCC型补偿拓扑的电路特性以及可控整流控制原理,接着对电流环和电压环分别设计了模糊PI控制和线性自抗扰控制,最后采用Matlab/Simulink仿真验证,结果表明相比于传统的PI控制,所提控制方法不仅能实现恒流恒压二阶段充电功能,面对负载突变和互感变化时具有更好的动态性能。
Abstract: This work implements a two-stage Constant-Current (CC) and Constant-Voltage (CV) charging strategy for lithium batteries by exploiting the inherent primary and secondary side constant-current output characteristics of bilateral LCC-compensated Magnetically Coupled Resonant Wireless Power Transfer (MCR-WPT) systems. Through active control of the rectifier stage, the system not only achieves the desired output profiles but also maintains robust performance against operational disturbances. The operational principles of the bilateral LCC topology and the controlled rectification scheme are first analyzed. Subsequently, a fuzzy-PI controller and a linear active disturbance rejection controller are designed for the current and voltage regulation loops, respectively. Validation via Matlab/Simulink simulations demonstrates that, compared to conventional PI control, the proposed method successfully accomplishes the two-stage charging function while exhibiting superior dynamic response to both load transients and variations in coupling mutual inductance.
文章引用:莫凡, 刘胜永. 基于可控整流的磁耦合谐振式无线充电系统控制策略研究 [J]. 建模与仿真, 2026, 15(3): 12-22. https://doi.org/10.12677/mos.2026.153039

1. 引言

无线电能传输(Wireless Power Transfer, WPT)技术由尼古拉特斯拉在十九世纪末提出。随着电力电子技术不断发展,充电技术不断向着大功率、高效率、高频化等方向发展,而无线电能传输(WPT)技术逐渐成为现代设备充电技术的研究热点[1] [2],无人机、医疗设备、电动汽车等领域均有无线电能传输技术的使用。

双边LCC型补偿拓扑[3] [4]的磁耦合谐振式无线电能传输(Magnetic Coupling Resonant Wireless Power Transfer, MCR-WPT)系统是基于传统的SS型补偿拓扑的磁耦合谐振式无线充电系统改进而来,具有补偿原件参数设计多样化、开环可实现恒流输出等特点,但输出功率和效率也会随着磁耦合线圈的偏移而下降。

锂电池普遍采用“恒流–恒压(Constant Current-Constant Voltage)”的两阶段充电模式,即在充电初期以恒流方式进行快速充电,在电池电压达到设定值后进入恒压充电阶段,电流逐渐减小,充电期间电池等效电阻不断增大。为了实现恒流恒压二阶段充电的功能,以及解决充电过程中负载突变和磁耦合线圈未能完全对齐互感下降导致的输出电压电流不稳定的问题,研究学者主要采用以下几种控制方式:控制逆变电路的工作频率[5] [6],控制逆变电路移相角[7],切换不同的补偿拓扑[8] [9],在系统的后级增加DCDC变换器[10] [11]对DCDC变换器进行闭环控制。切换开关频率,系统存在多个恒流恒压输出的频率工作点时,可能会出现频率分叉现象,使得开关频率在多个谐振频率点之间来回跳动,导致系统不稳定;对逆变器桥控制占空比的方式,闭环控制时需要原副边之间进行无线通信进行输出信号的反馈,易受到原副边高频电磁波干扰;切换补偿拓扑,在切换点输出电压电流会产生较大波动,影响电池寿命;后级增加DCDC变换器,增加系统成本和损耗,降低系统效率。

综上所述,本文在双边LCC补偿拓扑的磁耦合谐振式无线充电系统的基础上,将后级的不控整流二极管替换为四个MOSFET管,通过对四个MOSFET管的导通占空比进行控制,实现恒流恒压二阶段充电功能,为了提升系统的动态性能以及抗偏移能力,在恒压模式电压环采用线性自抗扰控制(Linear Active Disturbance Rejection Controller, LADRC),恒流模式电流环采用模糊PI控制。最后通过Matlab/Simulink仿真验证了本文所提的基于可控整流的磁耦合谐振式无线充电系统控制策略研究的可行性。

2. MCR-WPT系统电路特性及控制原理分析

2.1. 主电路拓扑分析

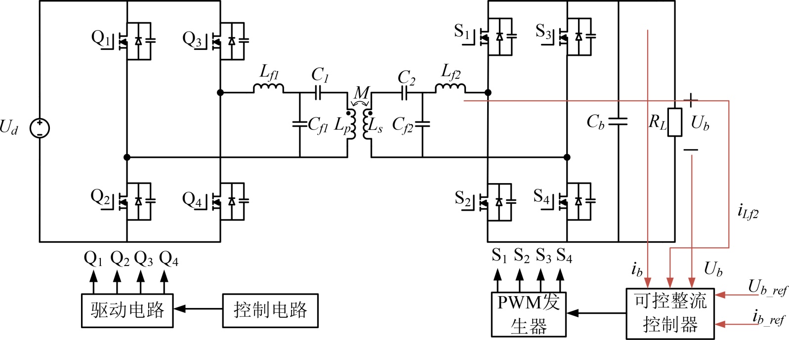
所提系统电路拓扑如图1所示,主要由全桥逆变电路、谐振补偿拓扑和可控整流电路三个部分构成。Ud为直流输入电压,开关管Q1、Q2、Q3、Q4为发射级逆变桥的四个开关管;Lf1Cf1C1组成原边补偿拓扑,Lf2Cf2C2组成副边补偿拓扑,LpLs分别为磁耦合线圈原副边线圈自感,M为原副边线圈的互感;S1、S2、S3、S4分别是接收端整流桥的四个开关管;Uin为直流输入电压Ud经85 kHz高频逆变后的逆变桥交流输出电压,RL为电池负载等效电阻,Ubib分别为流入电池负载的系统输出电压和输出电流。

双边LCC谐振补偿拓扑的电路特性分析有两种方法,基于等效漏感模型和基于等效互感模型,本文采用等效互感模型分析。如图2所示,Uin为原边谐振补偿拓扑的输入电压,Req为输出等效负载,Uo为等效输出负载两端的电压, ω 为系统工作频率即逆变桥开关管频率, jωMI 是磁耦合线圈原副边电流在另一边生成的感应电动势。

Figure 1. MCR-WPT main circuit topology

1. MCR-WPT主电路拓扑

Figure 2. Equivalent circuit diagram of bilateral LCC compensation topology

2. 双边LCC补偿拓扑等效电路图

忽略补偿拓扑中电容与电感的寄生电阻,对该电路进行基波分析列写KVL方程如下:

{ U ˙ in I ˙ in ( jω L f1 + 1 jω C f1 )+ I ˙ 1 1 jω C f1 =0 I ˙ in 1 jω C f1 I ˙ 1 ( jω L p + 1 jω C f1 + 1 jω C 1 )+jωM I ˙ 2 =0 jωM I ˙ 1 I ˙ 2 ( jω L s + 1 jω C f2 + 1 jω C 2 )+ I ˙ o 1 jω C f2 =0 I ˙ 2 1 jω C f2 I ˙ o ( jω L f2 + 1 jω C f2 ) U ˙ o =0 U ˙ o = I ˙ o R eq (1)

式中: ω 为系统的工作频率即逆变电路开关频率, j 为虚数。

根据上述KVL方程,得出四种谐振状况:发射线圈补偿电感Lf1与并联补偿电容Cf1谐振;发射线圈自感Lp与串联补偿电容C1和并联补偿电容Cf1谐振;接收线圈自感Ls与串联补偿电容C2和并联补偿电容Cf2谐振;接收线圈补偿电感Lf2与并联补偿电容Cf2谐振。谐振条件如下:

{ jω L f1 + 1 jω C f1 =0 jω L p + 1 jω C f1 + 1 jω C 1 =0 jω L f2 + 1 jω C f2 =0 jω L s + 1 jω C f2 + 1 jω C 2 =0 (2)

原边发射线圈的电流 I ˙ 1 为:

I ˙ 1 = U ˙ in jω L f1 (3)

副边接收线圈的电流 I ˙ 2 为:

I ˙ 2 = U ˙ o jω L f2 (4)

负载端的输出电流 I ˙ o 为:

I ˙ o = U ˙ in M jω L f1 L f2 (5)

负载端的输出电压 U ˙ o 为:

U ˙ o = I ˙ o R eq = U ˙ in M R eq jω L f1 L f2 (6)

根据式(3)可知,由双边LCC谐振补偿拓扑构成的无线充电系统的原边接收线圈的电流 I ˙ 1 与负载Rload和线圈之间的互感M无关,即原边线圈具有输入恒压输出恒流特性,保证了交变磁场的稳定。由式(5),副边接收侧负载端的输出电流 I ˙ o 与输入电压 U ˙ in 、线圈互感M、谐振补偿电感 L f1 L f2 有关,与负载Rload无关,即副边接收端具有输入恒压恒流的特性。

2.2. 可控整流控制原理

图3是全桥可控整流等效电路图、开关管S1~S4驱动信号及输出电压电流图。由电路特性分析可知发射线圈具有恒流特性,则接收线圈的感应电动势具有恒压特性,可将原边逆变桥、补偿网络与磁耦合线圈等效为一个恒定的交流电压源。

根据驱动信号图,将一个周期标记t0~t4,在每个周期内,存在两段时间t0~t1t2~t3S2S4同时导通,副边补偿拓扑的输出电流在整流桥内循环不会提供给负载,而其余的时间正常整流,即可以通过控制占空比d来控制输出电压和输出电流,推导出占空比对于输出电压电流的关系表达式如下。

Figure 3. Equivalent circuit diagram of the controlled rectifier and waveforms of switching signals, output voltage, and output current

3. 可控整流等效电路图及开关信号输出电压电流图

I b = 1 π 2πDπ π 2 I Lf2_rms sin( ωt )d( ωt )= 2 ( 1cos2πd ) π I Lf2_rms (7)

U b = 2 ( 1cos2πd ) π I Lf2_rms R L (8)

其中,Ilf2_rmsilf2的有效值,d α 的关系为:

d= α 2π + 1 2 (9)

3. MCR-WPT控制策略

由上述对双边LCC补偿拓扑的电路特性分析,可知通过对补偿网络参数设计可使接收端的输出电流具有与负载变化无关的恒流特性,所以对前级发射端的逆变电路只需进行开环控制。为了实现恒流恒压二阶段充电的功能以及应对由负载变化和磁耦合线圈径向偏移引起的互感变化导致的输出电压电流变化,需要对后级接收端的整流电路进行闭环控制。图4图5分别是MCR-WPT控制框图及可控整流控制框图。

Figure 4. Control block diagram of MCR-WPT

4. MCR-WPT控制框图

Figure 5. Control block diagram of controlled rectifier

5. 可控整流控制框图

3.1. 基于模糊PI的电流环设计

电流环的目标是保证输出电流稳定,传统的PI控制根据参考值与反馈值形成偏差信号,再通过比例(P)、积分(I)的线性组合控制被控对象,控制性能受PI参数的影响较大,存在响应速度慢、有超调的问题,同时依赖被控系统的数学模型。因此本文引入模糊(Fuzzy)PI控制,对电流环的PI参数进行整定,改善系统动态性能。模糊PI控制框图如图6所示。

Figure 6. Block diagram of fuzzy PI control for current loop

6. 电流环模糊PI控制框图

根据图6,误差E为输出电流io与参考电流iref的差值,将误差E与误差的导数ΔE经过量化因子映射至模糊域eec,同时经过模糊化、模糊推理与解模糊后,得到修正参数ΔKp和ΔKi,再经过量化因子传递给PI控制器。

根据专家经验[12],选取模糊子集为负大[NB]、负中[NM]、负小[NS]、零[ZO]、正小[PS]、正中[PM]、正大[PB],选取eec的论域为[-6,6],ΔKp和ΔKi的论域为[8,12]。ΔKp和ΔKi的模糊立体空间图和模糊规则表分别如图7表1所示。

Figure 7. Fuzzy three-dimensional space diagram of ΔKp and ΔKi

7. ΔKp和ΔKi模糊立体空间图

Table 1. Fuzzy rule table for ΔKp and ΔKi

1. ΔKp和ΔKi模糊规则表

e

ec

NB

NM

NS

ZO

PS

PM

PB

NB

PB/NB

PB/NB

PM/NB

PM/NM

PS/NM

PS/ZO

ZO/ZO

NM

PB/NB

PB/NB

PM/NM

PM/NM

PS/NS

ZO/ZO

ZO/ZO

NS

PM/NM

PM/NM

PM/NS

PS/NS

ZO/ZO

NS/PS

NM/PS

ZO

PM/NM

PS/NS

PM/NS

ZO/ZO

NS/PS

NM/PS

NM/PM

PS

PS/NS

PS/NS

ZO/ZO

NS/PS

NS/PS

NM/PM

NM/PM

PM

ZO/ZO

ZO/ZO

NS/PS

NM/PM

NM/PM

NM/PB

NB/PB

PB

ZO/ZO

NS/ZO

NS/PS

NM/PM

NM/PM

NB/PB

NB/PB

控制器以电流误差e以及误差变化率ec为输入变化。输入量化因子的设计原则为

K= X max f X max (10)

其中, X max f 为模糊论域上限, X max 为最大物理量。

系统额定工作点 I ref 为9.4 A,谐振腔参数设计部分设计的最大开环电流为13 A,最大电流偏差 e max 为4 A,选取量化因子 K e 为1.5,映射关系为

E=1.5e (11)

误差变化率采用离散形式,根据电流环动态特性及采样周期估计,单采样周期内最大误差变化为

e c max =1A (12)

则量化因子 K ec 为6,映射关系为

EC=6ec (13)

模糊推理输出位于标准论域[−6, 6],需通过比例因子映射至实际参数调整范围[8, 12],其中心值为10变化幅度为±2。比例因子选取依据为

K u = Δ X max X max f (14)

Ku的值为0.333。

比例与积分的更新表达式为

{ kp=10+0.333 U fp ki=10+0.333 U fi (15)

其中,UfpUfi为各自规则表的推理结果。

3.2. 基于ADRC的电压环设计

进入恒压阶段,系统要维持恒定的输出电压,需要引入恒压环。ADRC控制可以将系统的内部扰动和外部扰动合并为一个总扰动,通过观测器进行观测并对总扰动进行控制。通过扫频法拟合得到整流桥占空比对于输出电压的传递函数Gvd(s),降阶为2阶,因此引入二阶ADRC控制。图8是二阶ADRC控制框图。

Figure 8. Block diagram of second-order ADRC

8. 二阶自抗扰控制框图

根据传递函数,可得到被动对象数学模型,yu分别为被控对象的输出和输入, ω 为系统扰动, a 1 a 0 为未知系数, b 为控制器增益。

y ¨ = a 1 y ˙ + a 0 ω+bu (16)

将式子改写为:

y ¨ =f( y, y ˙ ,ω,t )+ b 0 u (17)

其中, f( y, y ˙ ,ω,t )= a 1 y ˙ a 0 y+ω+( b b 0 )u 为系统的扰动

选取状态变量为 x 1 =y x 2 = y ˙ x 3 =f h= f ˙ ,转化为状态空间表达式:

{ x ˙ =Ax+Bu+Eh y=Cx+Du (18)

式中: A=[ 0 1 0 0 0 1 0 0 0 ] B=[ 0 b 0 0 ] C=[ 1 0 0 ] D=[ 0 ] E=[ 0 0 1 ]

建立状态观测器为:

{ z ˙ 1 = z 2 β 1 ( z 1 y ) z ˙ 2 = z 3 β 2 ( z 1 y )+ b 0 u z ˙ 3 = β 3 ( z 1 y ) (19)

式中: β 1 β 2 β 3 为观测器的增益系数,对其选择的适合度,可实现观测器实时跟踪的准确性,实现 z 1 趋近于y z 2 趋近于 y ˙ z 3 趋近于系统总扰动 f( y, y ˙ ,ω,t )

将控制律设计为:

u= u 0 z 3 b 0 (20)

根据上式设计PD线性组合为:

u 0 = k p ( r z 1 ) k d z 2 (21)

其中,kpkd是控制器参数,r为参考信号。最后将式子带回式(11)进行拉氏变换,可得被控对象的传递函数为:

G( s )= R( s ) Y( s ) = k p s 2 + k d s+ k p (22)

根据参数整定规律[13],令 β 1 =3 ω 0 β 2 =3 ω 0 2 β 3 = ω 0 3 k p = ω c 2 k d =2 ω c 。由上述分析可知,只需对 ω 0 ω c b 0 进行参数整定,即可将被控对象设计为具有指定性能的传递函数。

4. 仿真验证

为验证所提控制策略的性能,使用Matlab/Simulink对该控制策略进行仿真验证。所提MCR-WPT系统的输入电压为400 V,额定输出电压为360 V,额定输出电流为9.4 A,系统的补偿拓扑元件参数如表2所示,其中参数来源基于SAE J2954标准。

为测试恒流阶段中负载扰动系统维持恒流输出的能力,设置初始负载电阻Rload为29Ω,分别在0.03 s、0.06 s和0.09 s时增加5Ω的电阻。图9为模糊PI控制以及PI控制下恒流阶段负载扰动时输出电流Io

Table 2. Main parameters of MCR-WPT system

2. MCR-WPT系统主要参数

模型参数

数值

额定输入电压Uin/ddV

400

额定输出电压Uo/V

360

额定输出电流Io/A

9.4

额定负载Rload

29

发射线圈电感Lp/μH

28.8

发射线圈补偿电感Lf1/μH

18.2

发射线圈串联谐振电容C1/nF

330

发射线圈并联谐振电容Cf1/nF

192

接收线圈电感Ls/μH

28.9

接收线圈补偿电感Lf2/μH

12.8

接收线圈串联谐振电容C2/nF

219

接收线圈并联谐振电容Cf2/nF

272

线圈互感M/μH

10

发射端谐振频率f/kHz

85

Figure 9. Output current waveforms under load disturbance for fuzzy PI and PI control

9. 负载扰动模糊PI与PI控制输出电流波形图

的波形图,由图9可知,在电阻增大的瞬间输出电流会有短暂的跌落,但模糊PI控制相比传统PI控制,在输出电流瞬时下降量更小恢复时间更快,具有更好的动态表现。

为测试恒流阶段磁耦合线圈发生偏移互感M减小而系统维持输出电流不变的抗偏移能力,设置负载电阻Rload为34Ω,在0.03 s互感M由10 μH降为6 μH。图10为模糊PI控制以及PI控制下恒流阶段磁耦合线圈偏移时输出电流Io波形图。由图10可知,在互感M减小时两种控制方式输出电流Io均会有短暂少量下降,但模糊PI控制方式电流的恢复时间明显少于传统PI控制方式,具有更强的鲁棒性。

为测试恒压阶段磁耦合机构发生偏移互感M减小而系统维持输出电压不变的抗偏移能力,设置负载电阻Rload初始值为34Ω,在0.03 s增大5Ω进入恒压模式,在0.06s互感M由10 μH降为6 μH。图11为电压外环自抗扰控制和电压外环PI控制,在互感M减小时输出电压Vo波形图。由图11可知,电压环自抗扰控制与电压环PI控制,在互感跌落时输出电压会有短暂下降,但ADRC控制方式在电压下降量以及恢复时间均具有更好的表现。

Figure 10. Output current waveforms under coil misalignment for fuzzy PI and PI control

10. 线圈偏移模糊PI与PI控制输出电流波形图

Figure 11. Output voltage waveforms under coil misalignment for ADRC and PI control

11. 线圈偏移自抗扰控制与PI控制输出电压波形图

5. 结论

结合锂电池充电需求,本文对双边LCC型磁耦合谐振式无线电能传输系统的电路特性进行分析,理论上验证了其副边实现恒流输出的可行性;然后对恒流阶段和恒压阶段分别设计模糊PI控制及自抗扰控制策略;最后通过Matlab/Simulink对所提控制策略进行仿真验证。结果表明:基于双边LCC的磁耦合谐振式无线电能传输系统,其副边在负载变化时可实现恒流输出;所提控制策略相比于传统PI控制在应对负载切换和互感变化时具有更好的动态性能。

NOTES

*通讯作者。

参考文献

[1] 孙琨雅. 电动汽车无线充电技术系统性研究[J]. 时代汽车, 2024(19): 119-121+195.
[2] 王瑜. 电动汽车无线充电系统发展现状与应用[J]. 汽车实用技术, 2023, 48(11): 6-14.
[3] 张博雨, 张晓丽, 冯睿, 等. 双边LCC拓扑磁耦合机构补偿网络参数设计方法[J]. 电气传动, 2024, 54(10): 32-38+49.
[4] 陈伟. 基于双边LCC补偿的无线电能传输系统阻抗匹配控制策略研究[D]: [硕士学位论文]. 北京: 北京交通大学, 2023.
[5] 刘克诚. 基于双边LCC拓扑结构的电动汽车无线充电系统设计[D]: [硕士学位论文] . 青岛: 青岛科技大学, 2020.
[6] 刘春喜, 常洪赫, 孙小鹏, 等. 双边LCC无线充电系统ZVS参数优化[J]. 电子测量与仪器学报, 2025, 39(10): 142-152.
[7] 张慧. 用于巡检机器人无线充电系统的研究[D]: [硕士学位论文]. 淮南: 安徽理工大学, 2025. .
[8] 梁仓, 王党辉, 梁晨旭, 等. 基于LCC-LCC/S可重构拓扑的无线充电系统在传感器网络中的应用[J]. 高电压技术, 2025, 51(3): 1191-1205.
[9] 杨云虎, 贾维娜, 梁大壮, 等. LCC-LCC/S自切换恒流-恒压复合型无线电能传输系统[J]. 电工技术学报, 2023, 38(18): 4823-4837+4852.
[10] 杨洪杰. 基于LCC-S拓扑的MC-WPT系统参数规划与恒流/恒压研究[D]: [硕士学位论文]. 重庆: 重庆理工大学, 2022.
[11] 刘连军, 王月武, 李明先. 基于模型预测控制的磁耦合谐振式无线电能传输系统研究[J/OL]. 广西科技大学学报, 2025, 1-13.
https://link.cnki.net/urlid/45.1395.T.20250317.1808.009, 2026-01-10.
[12] 甘立劲, 周奇. 模糊PID算法在LLC谐振恒流源的应用[J]. 自动化与仪器仪表, 2025(6): 102-107+112.
[13] Shi, T., Wang, Z. and Xia, C. (2015) Speed Measurement Error Suppression for PMSM Control System Using Self-Adaption Kalman Observer. IEEE Transactions on Industrial Electronics, 62, 2753-2763. [Google Scholar] [CrossRef