渔业活动对潘集采煤塌陷湖泊生态系统营养结构和功能的影响
Impacts of Fishery Activities on the Trophic Structure and Ecological Function of the Panji Coal Mining Subsidence Lake Ecosystem
DOI: 10.12677/aep.2026.163037, PDF, HTML, XML,   
作者: 林晓萱, 易齐涛*:烟台大学土木工程学院,山东 烟台;王晓萌:安徽理工大学地球与环境学院,安徽 淮南
关键词: 塌陷湖泊营养结构Ecopath模型渔业捕捞Subsidence Lake Trophic Structure Ecopath Model Fishing Models
摘要: 采煤塌陷湖泊所支撑的渔业生产活动,已成为淮南矿区失地农民赖以生存的重要经济支柱,而不同的渔业经营方式可能对湖泊生态系统的结构组成与功能运行产生深远影响。本研究以淮南潘谢矿区的潘谢潘集湖泊为研究区,结合实地水生态调查数据与Ecopath模型构建手段,评估不同捕捞方式对塌陷湖泊生态系统结构与功能特征的调控效应。采煤塌陷湖具有较为复杂的营养网络结构,能量在主要营养级间的平均传递效率达16.08%。尽管大规模放养鲢、鳙等滤食性鱼类在一定程度上抑制了肉食性动物的种群发展,但相应提升了系统整体的能量总流量,反映出生态功能强度的增强。进一步分析显示,基于多鱼种配置的分散式捕捞策略,有助于维持食物网的多样性与稳定性,促进能量流动的高效运转。该研究揭示了适度干预的渔业管理模式可促进塌陷湖泊生态系统的健康发育,从而为类似矿区水域实现“稳产”与“生态可持续”双赢目标提供了可推广的实证范例。
Abstract: Fishery production in coal mining-induced subsidence lakes serves as a vital economic resource for landless farmers in Huainan. This study investigated the Panxie-Panji Lake using field surveys and an Ecopath model to assess the effects of fishing practices on ecosystem structure and function. Results show that Panxie-Panji Lake has a complex trophic network, with an average energy transfer efficiency of 16.08% across main trophic levels. Large-scale stocking of filter-feeding species (e.g., silver and bighead carp) suppressed carnivorous fish but increased total system throughput, enhancing ecological functionality. A dispersed, multi-species fishing strategy helped maintain food web stability and promoted efficient energy flow. The findings suggest that moderate fishery management can support the healthy development of subsidence lake ecosystems, offering a practical model for balancing sustainable yield and ecological sustainability in similar mining-affected waters.
文章引用:林晓萱, 王晓萌, 易齐涛. 渔业活动对潘集采煤塌陷湖泊生态系统营养结构和功能的影响[J]. 环境保护前沿, 2026, 16(3): 362-370. https://doi.org/10.12677/aep.2026.163037

1. 材料与方法

1.1. 研究区域和站点概况

选取潘谢矿区小型塌陷湖潘谢潘集为研究对象(图1),潘谢矿区位于安徽省淮河北岸,面积约865 km2。潘谢潘集湖泊地处潘谢矿区东部潘一矿区,水域面积约3.5 km2,平均水深为4.4 m,上游常年与泥河连通,泥河主要接受矿井排水、周围农村污水和流域农业排水。

Figure 1. Schematic representation of the distribution of coal mining subsidence lakes

1. 采煤塌陷湖的位置分布示意图

1.2. 数据来源

本研究所采用的浮游生物数据(包括浮游植物与浮游动物)来源于课题组开展的月度野外监测工作;底栖生物信息则依据每季度组织的样点采样汇总整理获得。渔获相关数据采取逐日跟踪记录的形式,由当地渔民按月份协助完成每日各类鱼种的捕获数量与种类登记。统计结果(见表1)表明,采煤塌陷湖年均鱼虾类捕捞产量达86.0 t/km2,其渔业经营呈现分散布局、每日作业的特点。在主要经济鱼类中,鲢鱼、鳙鱼、鲫鱼、餐条和鲤鱼的捕捞贡献率分别为34.9%、22.6%、9.9%、9.5%与7.6%,合计占该湖区总渔获构成的八成以上,显示出其在渔业群落结构中的主导地位。

为确保模型可靠性,我们采用了多重验证方法:(1) 通过自助法(Bootstrap)进行不确定性分析,重复抽样1000次计算参数置信区间;(2) 比较模型预测的渔获物组成与实际捕捞数据;(3) 使用留一交叉验证评估模型预测能力。

Table 1. Statistics of fishery catch biomass in coal mining subsidence lakes in 2016 (unit: t/km2)

1. 采煤塌陷湖2016年渔业捕捞生物量统计(单位:t/km2)

鱼类名称

采煤塌陷湖

鱼类名称

采煤塌陷湖

白鲢

31.34

泥鳅

0.34

花鲢

20.27

黄鳝

0.10

鲤鱼

6.86

龙虾

0.16

鲫鱼

8.91

黄颡鱼

0.42

鳊鱼

3.32

刀鳅

0.27

餐条鱼

8.55

青鱼

0.04

草鱼

0.00

翘嘴鲌

2.71

乌鳢

0.66

麦穗鱼

0.16

麻虾

1.38

野杂鱼

0.00

鲶鱼

0.52

合计

86.01

1.3. Ecopath模型构建

1.3.1. 功能组设置

依据Ecopath模型的构建准则,目标生态系统需划分为10~50个功能组,组内应包含生产者、不同营养级消费者,并单独设置碎屑组,以表征死亡有机质在系统内的分解转化及能量再分配过程。本研究针对所调查的湖泊生态系统,其功能组数量分别设定为18、14和18组;各类群的界定综合考量了物种的营养层级、取食习性及其生态功能特征。详细划分方案见表2

Table 2. Functional groups of the Ecopath ecological channel model for coal mining subsidence lakes

2. 采煤塌陷湖Ecopath生态通道模型的功能组

序号

功能组

包含物种

序号

功能组

包含物种

1

CulM

翘嘴红鲌

10

AriN

鳙鱼

2

ChaA

乌鳢

11

HypM

鲢鱼

3

PelF

黄颡鱼

12

BreA

鳊鱼

4

CatF

鲶鱼

13

Shri

龙虾、麻虾

5

BlaC

青鱼

14

Zoob

底栖生物

6

SmbF

黄鳝、泥鳅、刀鳅

15

Crus

甲壳类

7

CypC

鲤鱼

16

Roti

轮虫

8

CarC

鲫鱼

17

Phyt

浮游植物

9

TraF

餐条、麦穗

18

Detritus

碎屑

1.3.2. 模型参数估算

(1) 生物量B

生物量B为单位面积内生物体以湿重计量的总量(t/km2),用野外调查数据赋值。

(2) 生产量/生物量(P/B)

P/B (亦称周转率)定义为某一时段内生物的生产速率与其平均生物量的比值,量纲为年1 (1/y)。对于鱼类而言,其P/B系数通常等同于当年的总死亡率Z [1],反映出种群更新速率与现存生物量之间的内在平衡关系:

P/B =Z=F+M F=C/B M= K 0.65 L 0.279T c 0.463

式中,F表示鱼类功能组的捕捞死亡率,M为其自然死亡率;C为对应的年捕捞产量;K L 分别为Von Bertalanffy生长曲线中的曲率参数与渐进全长,反映鱼类生长速率的极限特征;Tc则为湖泊表层的年平均水温,作为影响代谢与生长的重要环境因子纳入模型计算。

浮游植物的P/B系数依据叶绿素浓度(mg/m3)、平均日照时长、经验参数及同化系数的综合乘积估算湖泊的初级生产力(单位:g C/m2·year)。在此基础上,结合浮游植物碳含量与湿重之间的换算关系,进一步推求其生物量并求得P/B值。浮游动物的P/B系数则通过生产量与生物量的经验关系式计算得出[2],其表达式为:P = 0.097 × B1.237,反映了该类群在特定环境下的种群更新速率。

底栖生物的生产力采用Brey [3]的经验公式:

lgP=0.06+0.79log( B )0.16log( M )+0.05T

式中,M为生物平均个体干重(mg),T为表层水温(˚C),B为生物量(g干重/m2)。

(3) 消耗量/生物量(Q/B)

对鱼类功能组,其Q/B值依据Palomares与Pauly [4]的经验公式估算,该关系式基于不同生态类群的代谢与取食特性推导而来,能够反映鱼类在所处环境中的能量摄入强度:

log( Q/B )=7.9640.204log W 1.965T+0.532h+0.398d T = 1000/ ( T+273.15 ) A= H 2 /a

式中, W 代表该种鱼类在理论上可达到的最大体重;T为湖泊表层水温(˚C);A为鱼类功能组的尾鳍形态参数,一般鱼类默认取1.32;hd均为布尔型变量。

1.3.3. 模型平衡

在Ecopath模型中,为实现系统状态的平衡,需要对参数进行校准,使其符合两个基本要求:一是所有功能组的生态营养效率(EE)介于0~1之间,二是生产量/消耗量比值(GE)处于0.1~0.3范围内,以此确保系统能量流动的逻辑自洽性。本研究针对采煤塌陷湖构建的生态通道模型,其具体输入与输出参数详见表3。分析表明,研究区采煤塌陷湖的食物网结构复杂程度相近,均呈现多营养级交织、物种互作紧密的特征。

Table 3. Basic input and parameter estimation table for ecosystem model

3. 生态系统模型基本输入与参数估算表

站点

功能组

营养级

生物量

P/B

Q/B

EE

P/Q

Group name

TL

(t/km2)

(/year)

(/year)

采煤塌陷湖

CulM

CulM

3.58

2.71

1.10

4.59

0.91

ChaA

ChaA

3.56

0.66

1.50

7.30

0.67

CatF

CatF

3.44

0.52

2.30

9.30

0.44

PelF

PelF

3.40

0.42

2.40

9.50

0.42

BlaC

BlaC

2.96

0.04

1.10

4.20

0.96

SmbF

SmbF

2.65

3.71

2.70

10.20

0.66

CypC

CypC

2.46

6.85

1.90

8.50

0.69

CarC

CarC

2.40

8.91

2.10

14.20

0.59

TraF

TraF

2.57

8.71

4.50

15.60

0.54

AriN

AriN

2.77

20.27

2.10

10.20

0.49

HypM

HypM

2.22

31.34

1.10

8.00

0.92

HerF

BreA

2.14

3.32

1.20

6.20

0.96

Shri

Shri

2.65

1.54

9.50

32.00

0.99

Zoob

Zoob

2.10

11.97

7.20

25.00

0.98

Crus

Crus

2.00

2.46

120.00

500.00

0.86

Roti

Roti

2.00

4.24

35.00

200.00

0.71

Phyt

Phyt

1.00

28.79

170.50

0.14

Detr

Detr

1.00

4.79

0.42

Table 4. Food web matrix of the coal mining sink lake ecosystem

4. 采煤塌陷湖生态系统食物网矩阵

功能组

浮游植物

碎屑

轮虫

甲壳类

底栖生物

虾类

草食性鱼类

滤食性鱼类

肉食性鱼类

杂食性鱼类

其他消费者

浮游植物

-

0.00

0.00

0.00

0.00

0.00

0.00

0.00

0.00

0.00

0.00

碎屑

0.00

-

0.15

0.12

0.25

0.18

0.08

0.1

0.05

0.07

0.06

轮虫

0.35

0.08

-

0.05

0.03

0.02

0.01

0.15

0.02

0.04

0.03

甲壳类

0.12

0.10

0.08

-

0.06

0.05

0.03

0.08

0.04

0.05

0.04

底栖生物

0.08

0.25

0.03

0.05

-

0.04

0.02

0.06

0.03

0.04

0.03

虾类

0.05

0.18

0.02

0.04

0.08

-

0.03

0.05

0.08

0.06

0.05

草食性鱼类

0.22

0.12

0.15

0.08

0.10

0.06

-

0.05

0.03

0.04

0.03

滤食性鱼类

0.25

0.15

0.20

0.10

0.12

0.08

0.04

-

0.02

0.03

0.02

肉食性鱼类

0.02

0.08

0.03

0.05

0.08

0.12

0.15

0.08

-

0.06

0.08

杂食性鱼类

0.08

0.15

0.05

0.06

0.10

0.08

0.10

0.06

0.05

-

0.04

其他消费者

0.03

0.10

0.02

0.03

0.06

0.05

0.04

0.03

0.06

0.04

-

在Ecopath模型构建基础上,本研究进一步构建了完整的食物网矩阵(表4),该矩阵详细描述了各功能组间的摄食关系。矩阵分析显示,系统中多个功能组的生态营养效率(EE)接近1.0,特别是浮游植物(EE = 0.92)和碎屑(EE = 0.96)等基础组分。这些高EE值反映了它们在生态系统能量流动中的关键地位,表明其生产量几乎被完全利用,能量转化效率较高。

2. 研究结果

2.1. 渔业对塌陷湖泊生态系统能量流动与传递效率的作用

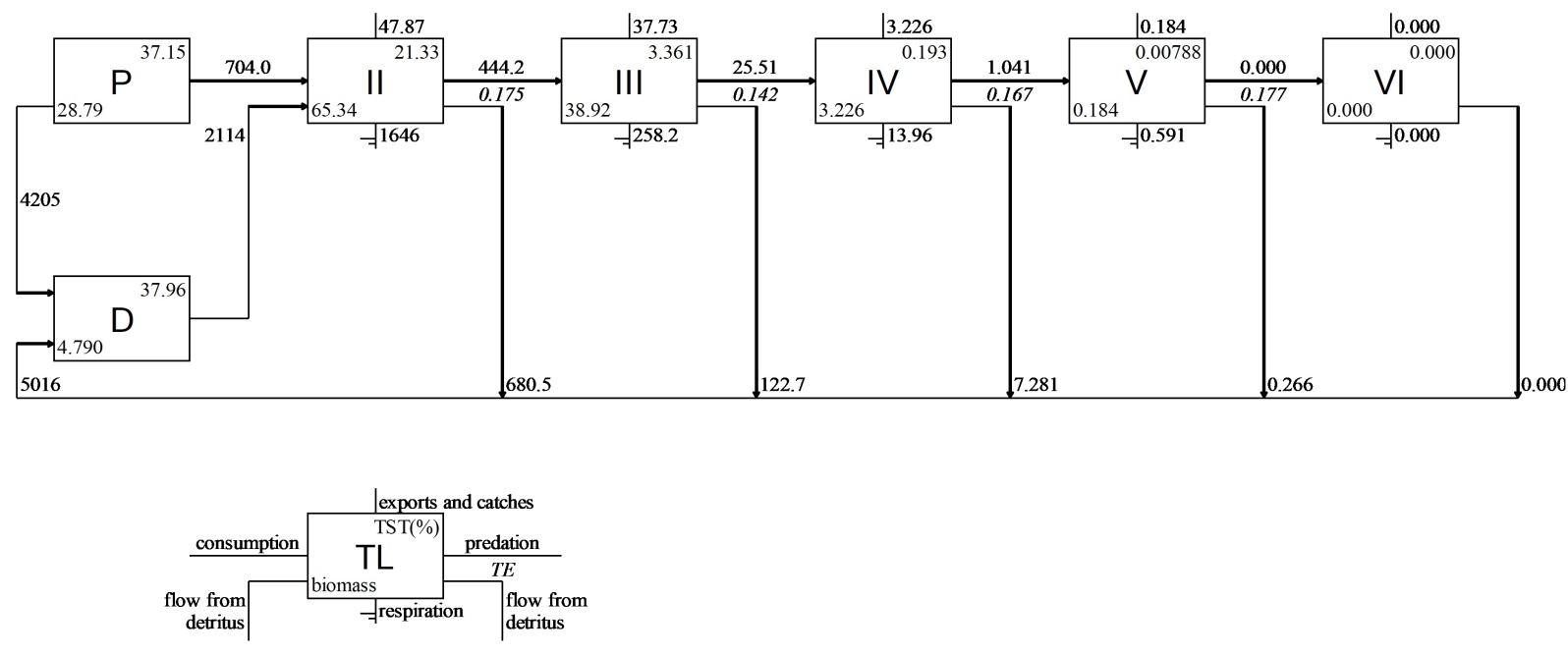
基于林德曼锥氏分析法[5]图2展示湖泊不同营养级的输入量在系统总输入量中所占的比例(TST),可直观反映各营养级在整体能量收支中的相对贡献。采煤塌陷湖第I营养级到第Ⅳ营养级的TST分别为37.15%、21.33%、3.36%、0.19%。

Figure 2. Energy flow among different trophic levels in the coal mining depression lake ecosystem

2. 采煤塌陷湖生态系统各营养级间能量流动

通过分析渔获产量及各营养级间能量通量的分布特征可知,采煤塌陷湖生态系统的能量传递主要集中在前五级营养级范围内(见表4)。从初级生产者与碎屑(第I营养级)逐级传递至第V营养级的过程中,采煤塌陷湖各营养级间的能量转移效率依次为17.46%、14.24%、16.72%和17.67%,整体能量转化效率达到16.08%,反映出该系统在前五级中存在较为连续但波动性较大的能流路径,表明能量在较低至中等营养级间具有较高的传递活性,随后逐渐趋于耗散与稳定。

采煤塌陷湖泊的特殊生境特征显著影响其初级生产力。水深变化(4.4 ± 1.2 m)导致光照衰减率的时空差异,直接影响浮游植物的光合作用效率。沉积物中营养盐的释放过程尤其重要,监测数据显示沉积物-水界面磷酸盐通量达到2.3~5.6 mg/m2·d,这种内源负荷在夏季分层期可贡献约30%的磷需求。值得注意的是,虽然系统表现出较高的能量传递效率(16.08%),但这并不等同于生态稳定性。根据冗余假说(Redundancy Hypothesis),多物种共存提供的功能冗余才是稳定性的关键保障。在本研究中,鲢、鳙、鲫、餐条、鲤鱼等多物种配置形成了营养生态位互补,当环境扰动导致某个物种衰退时,其他物种可以补偿其生态功能,维持系统正常运行。

2.2. 渔业活动对采煤塌陷湖生态系统混合营养关系的影响

混合营养效应(Mixed trophic impacts, MTI)用于定量描述生态系统中不同物种之间或同种个体间的相互作用关系。图3展示了潘谢潘集湖泊生态系统内的生物间混合营养关联格局。分析表明,在该系统中,渔业捕捞对浮游生物群落具有明显的正向驱动作用,尤其体现在鲢鱼与鳙鱼等滤食性鱼类的高强度捕捞背景下,其种群压力的减弱促使浮游生物生物量显著上升。与此同时,由于鲢鳙在食物网中占据中级消费者位置,其数量的减少在一定程度上降低了对肉食性鱼类及部分下级饵料生物的摄食压力,从而间接缓解了后者的被抑制状态,体现出MTI在网络结构中的级联效应。混合营养效应分析显示,多鱼种配置通过级联效应增强了系统稳定性。这一发现支持了“物种多样性–生态系统功能”理论,即多样性通过互补效应和选择效应提升生态系统功能。具体而言,不同鱼种在摄食习性、栖息地利用等方面的差异产生了生态位分化,减少了种间竞争,提高了资源利用效率。需要辩证看待的是,高传递效率虽然反映了能量流动的有效性,但过高的效率可能意味着系统处于“紧耦合”状态,对外界扰动的缓冲能力较弱。本研究发现的适中传递效率(16.08%)结合较高的系统杂食性指数(SOI = 0.151),表明系统既保持了能量流动效率,又通过复杂的营养关系具备了较强的抗干扰能力。

Table 5. Energy transfer efficiency among various trophic levels in the coal-mining subsidence lake ecosystem

5. 采煤塌陷湖生态系统各营养级间的能量传递效率

营养级

初级生产者

碎屑

总能流

(/%)

(/%)

(/%)

15.05

18.26

17.46

14.62

14.16

14.24

16.62

16.75

16.72

17.62

17.68

17.67

转换率/%

15.40

16.30

总转换率/%

16.08

Figure 3. The combined impact effect of the coal-mining subsidence lake ecosystem

3. 采煤塌陷湖生态系统混合影响效应

2.3. 渔业活动对生态系统属性的影响

(1) 生态系统成熟度

根据Ecopath模型输出结果(见表5),潘谢潘集湖泊生态系统的TPP/TR比值达到2.6,显著高于1,反映出系统初级生产超过呼吸消耗,具备一定的自维持能力。此外,其渔业耦合指数(FCI = 5.61)、渔业耦合长度(FCL = 2.69)、连接指数(CI = 0.3)以及系统杂食性指数(SOI = 0.15)亦处于较高水平,表明该生态系统物种间营养联系紧密,食物网结构较为复杂,整体呈现出较高的发育程度与运行稳定性。

(2) 生态系统生产力与生产规模

Ecopath模型结果(见表6),通常以总流量(T)作为衡量生态系统规模的重要指标,其值为系统内总摄食(TQ)、总输出(TEX)、总呼吸(TR)及流向碎屑的能量通量(TDE)四项之和。采煤塌陷湖生态系统的年总流量为13213 t/km2/year,显示出较大的物质与能量周转规模。同时,其TEX、TR与TDE数值亦相对较高,说明该系统不仅初级生产力较强,而且在能量输出、代谢消耗及有机质循环等方面均表现出高度活跃性,暗示着较强的生态功能承载潜力。

Table 6. Overall characteristics of the coal mining depression lake ecosystem

6. 采煤塌陷湖生态系统的总体特征

参数

数值

单位

Sum of all consumption

3289.2

t·km2·year1

Sum of all exports

2990.3

t·km2·year1

Sum of all respiratory flows

1918.7

t·km2·year1

Sum of all flows into detritus

5015.7

t·km2·year1

Total system throughput (T)

13213.0

t·km2·year1

Sum of all production

5621.7

t·km2·year1

Mean trophic level of the catch (TLc)

2.50

Calculated total net primary production (PPN)

4909.0

t·km2·year1

Total primary production/total respiration

2.6

Net system production (NSP)

2990.3

t·km2·year1

Total primary production/total biomass (TPP/B)

35.79

Total biomass/total throughput (B/T)

0.01

year1

Total biomass (excluding detritus)

89.0

t·km2

Connectance Index (CI)

0.277

% of total throughput

System Omnivory Index (SOI)

0.151

Finn’s cycling index (FCI)

5.61

Finn’s mean length (FCL)

2.69

2.4. 采煤塌陷湖泊生态系统的主要影响因素

依据生态系统营养结构调控理论,其动态变化主要受“上行效应”与“下行效应”双重机制共同驱动[6]。其中,上行效应强调资源供给对初级生产的制约作用,主要体现在营养盐等环境因子对浮游植物生长与初级生产力的限制[7];而下行效应则源于高营养级生物,尤其是浮游动物或鱼类等捕食者通过摄食关系对低营养级群体施加调控,进而借助营养级联效应影响整个系统的结构与功能。

在采煤塌陷湖中,上行效应体现为中等程度的营养状态,水体总磷浓度约为0.1 mg/L,主要受到矿井排水、农村生活污水及农业面源输入的共同影响。该湖区净初级生产量为4909.0 t/km2·year,虽处于适中水平,但足以支撑生态系统的基础能量需求。在下行调控方面,采煤塌陷湖实行多鱼种、分散式的日常捕捞制度,捕捞对象涵盖鲢、鳙、鲫、餐条、鲤等多个生态位互补鱼种。此种策略通过级联效应有效重塑食物网结构,提升系统稳定性。研究显示,该湖能量在各营养级间的平均传递效率达16.08%,优于单一鱼种集中捕捞模式的湖泊;同时,其系统杂食指数(SOI = 0.151)与渔业耦合指数(FCI = 5.61)均处于较高水平,反映出多鱼种共存强化了营养级间的功能联系,增强了能量流的连续性与系统的成熟度。

综上,采煤塌陷湖生态系统的健康发展得益于适度的营养输入环境与科学的渔业管理措施的协同调控。一方面,其避免了营养盐过量所诱发的生态风险;另一方面,通过合理捕捞优化了食物网配置,提升了系统稳定性与恢复能力,为类似矿区塌陷湖泊的生态修复与可持续管理提供了可借鉴的实践范式。

3. 结论

淮南矿区采煤塌陷形成的湖泊生态系统内,其结构特征与功能状态的形成受“上行效应”与“下行效应”交互作用的主导[8]。其中,上行效应主要通过营养盐供给调控初级生产水平与渔业产出潜力。潘谢潘集湖泊依托多元化的渔业捕捞方式,构建了物种组成丰富、营养级联系紧密、能量传递效率较高且运行稳定的生态系统格局,展现出良好的功能整合能力。该湖区的实践表明,通过科学调控捕捞策略可有效缓解生态压力,提升系统韧性,从而为类似矿区塌陷水体的治理与可持续利用提供了“稳产高效”兼具生态效益与管理可行性的示范模式。

NOTES

*通讯作者。

参考文献

[1] Allen, K.R. (1971) Relation between Production and Biomass. Journal of the Fisheries Research Board of Canada, 28, 1573-1581. [Google Scholar] [CrossRef
[2] 何志辉. 淡水生态学[M]. 北京: 中国农业出版社, 2000.
[3] Brey, T. (1990) Estimating Productivity of Macrobenthic Invertebrates from Biomass and Mean Individual Weight. Archive of Fishery & Marine Research, 32, 329-343.
[4] Palomares, M.L.D. and Pauly, D. (1998) Predicting Food Consumption of Fish Populations as Functions of Mortality, Food Type, Morphometrics, Temperature and Salinity. Marine and Freshwater Research, 49, 447-453. [Google Scholar] [CrossRef
[5] Lin, L.R. (1942) The Trophic‐dynamic Aspect of Ecology. Ecology, 23, 399-417. [Google Scholar] [CrossRef
[6] 易齐涛, 陈求稳, 赵德慧, 等. 淮南采煤塌陷湖泊浮游植物功能群的季节演替及其驱动因子[J]. 生态学报, 2016, 36(15): 4843-4854.
[7] 王婷婷, 易齐涛, 胡友彪, 等. 两淮采煤沉陷区水域水体富营养化及氮、磷限制模拟实验[J]. 湖泊科学, 2013, 25(6): 916-926.
[8] 王晓萌. 淮南煤矿塌陷湖泊生态系统营养结构特征分析[D]: [硕士学位论文]. 淮南: 安徽理工大学, 2016.