基于自适应RBF神经网络的升压电路控制方法
Boost Circuit Control Method Based on Adaptive RBF Neural Network
摘要: 能量色散X射线荧光光谱(Energy Dispersive X-ray Fluorescence Spectroscopy, EDXRF)系统对高压直流电源的精度、稳定性和动态响应要求极高。作为高压电源系统的重要组成部分,Boost升压电路的控制器性能直接影响系统的输出强度与稳定性。针对传统PID控制在Boost电路控制中存在的超调和稳态误差等问题,本文提出了一种基于粒子群优化(Particle Swarm Optimization, PSO)的自适应径向基函数(Adaptive Radial Basis Function, RBF)神经网络的电压控制方法。该方法通过RBF网络实现PID参数的非线性映射,并采用改进的PSO算法进行全局参数优化。仿真结果表明,与常规PID控制方法相比,该控制策略在超调抑制、稳态误差和动态响应速度方面均具有明显优势,验证了所提方法在Boost升压电路电压控制中的有效性。
Abstract: The Energy Dispersive X-ray Fluorescence Spectroscopy (EDXRF) system requires extremely high precision, stability, and dynamic response from high-voltage DC power sources. As an important component of the high-voltage power supply system, the controller performance of the Boost boost circuit directly affects the output strength and stability of the system. This paper proposes a voltage control method based on Particle Swarm Optimization (PSO) and Adaptive Radial Basis Function (RBF) neural network to address the problems of overshoot and steady-state error in traditional PID control in Boost circuit control. This method achieves nonlinear mapping of PID parameters through RBF network and uses an improved PSO algorithm for global parameter optimization. The simulation results show that compared with conventional PID control methods, this control strategy has significant advantages in overshoot suppression, steady-state error, and dynamic response speed, verifying the effectiveness of the proposed method in voltage control of Boost boost circuits.
文章引用:陈兆淞, 李野, 赵鹏. 基于自适应RBF神经网络的升压电路控制方法[J]. 人工智能与机器人研究, 2026, 15(2): 570-580. https://doi.org/10.12677/airr.2026.152055

1. 引言

能量色散X射线荧光光谱(EDXRF)是一种非破坏性的多元素分析技术[1],广泛应用于环境监测、土壤重金属检测、材料分析等领域。为了激发样品产生荧光X射线,EDXRF系统通常依赖高压直流供电激发X射线管,系统对电源的输出电压精度和稳定性以及动态响应能力提出了极高要求。

在EDXRF电源系统中,输入电压多为24 V低压直流源,需通过多级升压结构将其升至数十千伏的高压输出:第一阶段采用Boost升压电路将电压升高后作为母线电压,后续经高频逆变电路、谐振电路、倍压电路等实现最终高达50 kV的直流输出。Boost升压电路作为整个系统的前端核心,其性能直接影响后续电路的供电质量,进而影响整个X射线系统的输出强度和稳定性。

然而,由于Boost电路本身具有显著的非线性和参数时变特性[2],传统的PID控制器在动态响应、扰动抑制和稳态控制方面存在一定局限,难以适应复杂工况下的调压需求。为克服这一局限,国内外学者提出将径向基函数(RBF)神经网络与PID控制相结合的智能控制策略。该方法利用RBF神经网络的非线性逼近能力与自学习特性,实现PID参数的在线自适应整定,显著提升了控制系统的动态适应能力与抗干扰性能。

尽管RBF神经网络PID控制方法在一定程度上改善了传统PID的不足,但现有研究多采用梯度下降法进行神经网络权值优化。该方法存在以下固有缺陷:(1) 易陷入局部最优解,导致控制性能受限;(2) 收敛速度对初始参数敏感,影响算法稳定性;(3) 对系统模型误差的鲁棒性不足。这些问题制约了RBF神经网络PID控制算法的整体性能提升。

针对上述问题,本文提出一种基于粒子群优化(PSO)算法的自适应RBF神经网络PID电压控制方法。该方法的主要创新点包括:

(1) PSO全局优化机制:采用8个粒子并行搜索策略,有效规避梯度下降法易陷入局部最优的问题,为RBF神经网络的权值、中心和宽度参数提供更优的初始解;

(2) 实时PSO模块:将每步迭代次数优化至3次,确保单次优化耗时控制在1 ms以内,满足电压控制系统对实时性的严格要求;

(3) 多目标适应度函数:设计了综合适应度函数,同时考量系统控制误差、模型预测精度与参数稳定性[3],实现多目标协同优化;

(4) 混合优化策略:提出PSO与梯度下降的混合优化方法,兼顾全局搜索能力与局部精细调节性能。

通过上述创新,本文方法构建了兼具全局优化能力、实时响应特性与高精度控制性能的电压控制系统,为复杂工况下的电压稳定控制提供了一种有效的解决方案。

2. Boost电路系统框架

2.1. Boost电路基本原理

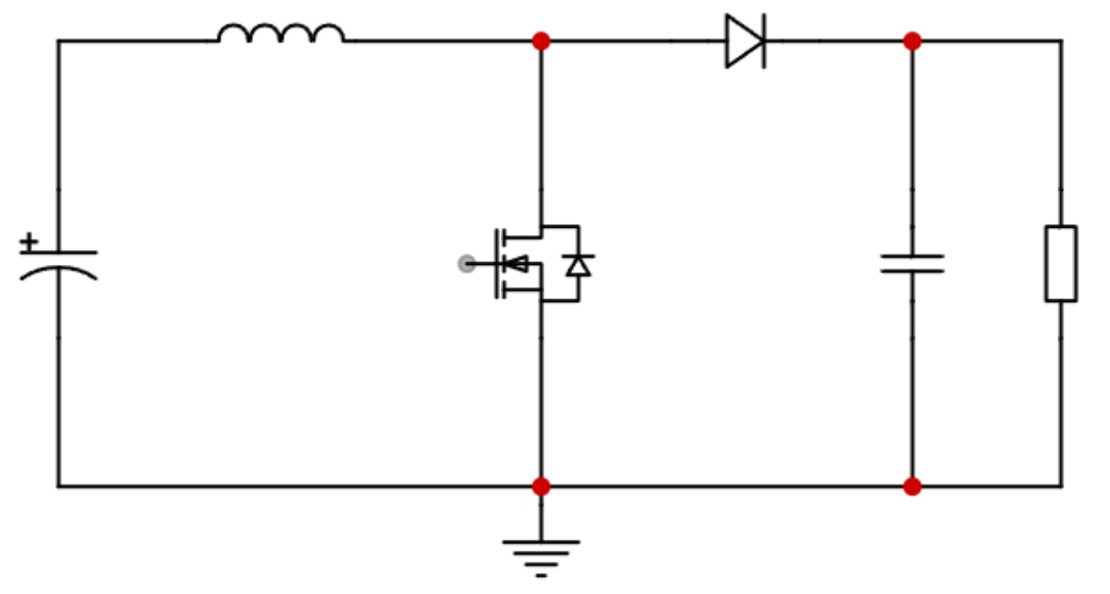
Boost升压电路是一种常见的DC-DC变换器[4]其拓扑图如图1所示,用于将较低的输入电压升高到比输入电压更高的输出电压。其结构简单、效率高、适用范围广,因此在EDXRF电源系统中被用作前级升压模块,为后续的高压倍压提供稳定的母线电压。

典型的Boost电路主要由以下部分组成:

  • 开关管(通常为MOSFET)

  • 二极管(快速恢复二极管或肖特基二极管)

  • 电感L

  • 输出电容C

  • 控制电路

Figure 1. Boost circuit topology diagram

1. Boost电路拓扑图

2.2. 工作特性分析

Boost电路主要有两种工作状态[5]

导通状态(开关S闭合),当开关闭合时,输入电压直接加在电感两端,电感储能,电感电流线性上升,同时二极管截止,输出由电容维持。

关断状态(开关S断开),当开关断开时,电感电流通过二极管释放到输出端,电感和输入电源共同为负载供电,输出电压升高。

在理想条件下,Boost电路的升压比与占空比D之间的关系为:

V 0 V in = 1 1D

其中:

V0:输出电压;

Vin:输入电压;

D:占空比, D= t on t on + t off

输出电流: I 0 = I in ( 1D )

输出功率: P 0 = V 0 I 0 = V in I in

3. 常规PID控制原理

3.1. 常规PID基本原理

常规PID控制器的控制原理如图2,是对实际输出和目标输出之间的误差进行比例、积分、微分三者的线性组合运算,然后根据运算的结果调整被控系统下一次的控制输出,最终实现实际输出逐渐接近目标输出。

Figure 2. Schematic diagram of conventional PID control

2. 常规PID控制的原理图

在PID控制中,e(t)表示为[6]

e( t )=γ( t )y( t )

PID控制器表达式:

u( t )= K p e( t )+ k i i=0 t e( j ) + K d [ e( t )e( t1 ) ]

其中,r(t)是系统预设电压值,y(t)是系统实际输出电压值,e(t)是系统的电压偏差信号[7]KpKiKd三个系数表示的意义如下:

Kp:比例系数。当偏差出现时,控制器快速做出反应,按照比例放大或缩小偏差信号[8]

Ki:积分系数。当系统存在偏差时,由于积分作用可以帮助减小系统中的余差。

Kd:微分系数。具有一定的预测功能,提前预判可能出现的误差,进行提前修正。

3.2. 常规PID参数整定

PID控制算法的参数整定一般按照以下4个步骤进行[9]

(1) 确定比例系数Kp调节Kp时,让KiKd都为零,只对Kp进行调整。

(2) 确定Ki初始值。一边缩小Ki的值一边观察系统状态,系统出现振荡后记录此刻的值。

(3) Kd初始值设定为零。当需要调节时,调节方式与其他两个参数的调节方式一样。

(4) 最后对所有调节的参数结合具体情况略微调整,以求达到最佳控制目标。

4. 自适应RBF控制原理

4.1. RBF神经网络结构

采用三层前馈RBF神经网络实现PID参数的非线性映射,其结构包括:

(1) 输入层

输入层接收系统状态信息,输入向量定义为[10]

I= [ y( k ), y ˙ ( k ), y ¨ ( k ) ] T ,

其中 y ˙ ( k ) y ¨ ( k ) 分别为输出的一阶和二阶差分:

{ y ˙ ( k )= y( k )y( k1 ) T s y ¨ ( k )= y( k )2y( k1 )+y( k2 ) T s 2

其中, T s 为采样周期。

(2) 隐含层

隐含层由 n 个RBF神经元构成,第 j 个神经元的激活函数采用高斯基函数:

h j ( k )=exp( I( k ) c j 2 2 b j 2 ),j=1,2,,n,

其中:

  • c j = [ c j1 , c j2 , c j3 ] T :第 j 个基函数的中心向量;

  • b j :第 j 个基函数的宽度参数;

  • :欧氏范数。

隐含层输出向量为 h( k )= [ h 1 ( k ), h 2 ( k ),, h n ( k ) ] T

(3) 输出层

输出层通过加权求和计算PID参数:

[ K p ( k ) K i ( k ) K d ( k ) ]=[ w p T w i T w d T ]h( k )+[ K p 0 K i 0 K d 0 ],

其中:

[1] w p , w i , w d n :连接权值向量;

[2] K p 0 , K i 0 , K d 0 :PID参数初始值。

为统一表示,记权值矩阵为:

W=[ w p , w i , w d ] n×3

4.2. PID参数学习规则

采用梯度下降法,PID参数调整量为:

Δ K p ( k )= η p E( k ) K p ( k ) = η p e( k ) y( k ) u( k ) u( k ) K p ( k )

Δ K i ( k )= η i E( k ) K i ( k ) = η i e( k ) y( k ) u( k ) u( k ) K i ( k )

Δ K d ( k )= η d E( k ) K d ( k ) = η d e( k ) y( k ) u( k ) u( k ) K d ( k )

其中 η p , η i , η d 为学习率,且:

u( k ) K p ( k ) = x 1 ( k ), u( k ) K i ( k ) = x 2 ( k ), u( k ) K d ( k ) = x 3 ( k )

因此,PID参数更新规则为:

K( k+1 )=K( k )+ΔK( k )

其中:

ΔK( k )=ηe( k ) y( k ) u( k ) x( k )

其中, η= [ η p , η i , η d ] T 为学习率向量。

4.3. 基于PSO的全局优化策略

4.3.1. PSO算法基本原理

粒子群优化(PSO)算法模拟鸟群觅食行为,通过粒子间的信息共享实现全局搜索。在  D  维搜索空间中,第 i 个粒子的位置和速度分别表示为:

X i = [ x i1 , x i2 ,, x iD ] T

V i = [ v i1 , v i2 ,, v iD ] T

粒子速度和位置的更新方程为:

v id ( t+1 )=ω v id ( t )+ c 1 r 1 [ p id ( t ) x id ( t ) ]+ c 2 r 2 [ p gd ( t ) x id ( t ) ]

x id ( t+1 )= x id ( t )+ v id ( t+1 )

其中:

  • ω :惯性权重[11],平衡全局与局部搜索;

  • c 1 , c 2 :学习因子,通常取 c 1 = c 2 =1.5

  • r 1 , r 2 [ 0,1 ] 区间的随机数;

  • p i :粒子 i 的个体最优位置;

  • p g :种群全局最优位置[12]

  • d :维度索引, d=1,2,,D

4.3.2. PSO优化问题建模

将RBF神经网络参数优化问题转化为PSO搜索问题。定义粒子位置向量为:

X i = [ w i1 ,, w in , c i11 , c i12 , c i13 ,, c in1 , c in2 , c in3 , b i1 ,, b in ] T

粒子维度为 D=n+3n+n=5n ,其中 n 为RBF神经元数量。

4.3.3. 多目标适应度函数设计

设计综合考虑控制性能、模型精度和参数稳定性的多目标适应度函数:

F( X i )= ω 1 f 1 + ω 2 f 2 + ω 3 f 3 + ω 4 f 4

各分量定义如下:

(1) 控制误差项

f 1 =| e( k ) |=| r( k )y( k ) |

衡量当前时刻的跟踪误差,权重 ω 1 =1.0

(2) 模型预测误差项

f 2 = [ y( k ) y m ( k ) ] 2

其中 y m ( k )= w m T h( k ) 为RBF网络预测输出,权重 ω 2 =0.5

(3) 参数正则化项

f 3 = j=1 n w j 2 + j=1 n b j 2

防止参数过大导致过拟合,权重 ω 3 =0.01

(4) 误差趋势惩罚项

f 4 =max( 0,e( k )e( kΔk ) )sign( e( k ) )

其中 Δk=2 或3。若误差持续增大,施加额外惩罚,权重 ω 4 =0.1

综合适应度函数为:

F( X i )=| e( k ) |+0.5 [ y( k ) y m ( k ) ] 2 +0.01( w j 2 + b j 2 )+0.1max( 0,Δesign( e ) )

优化目标为 minF( X i )

5. 仿真结果

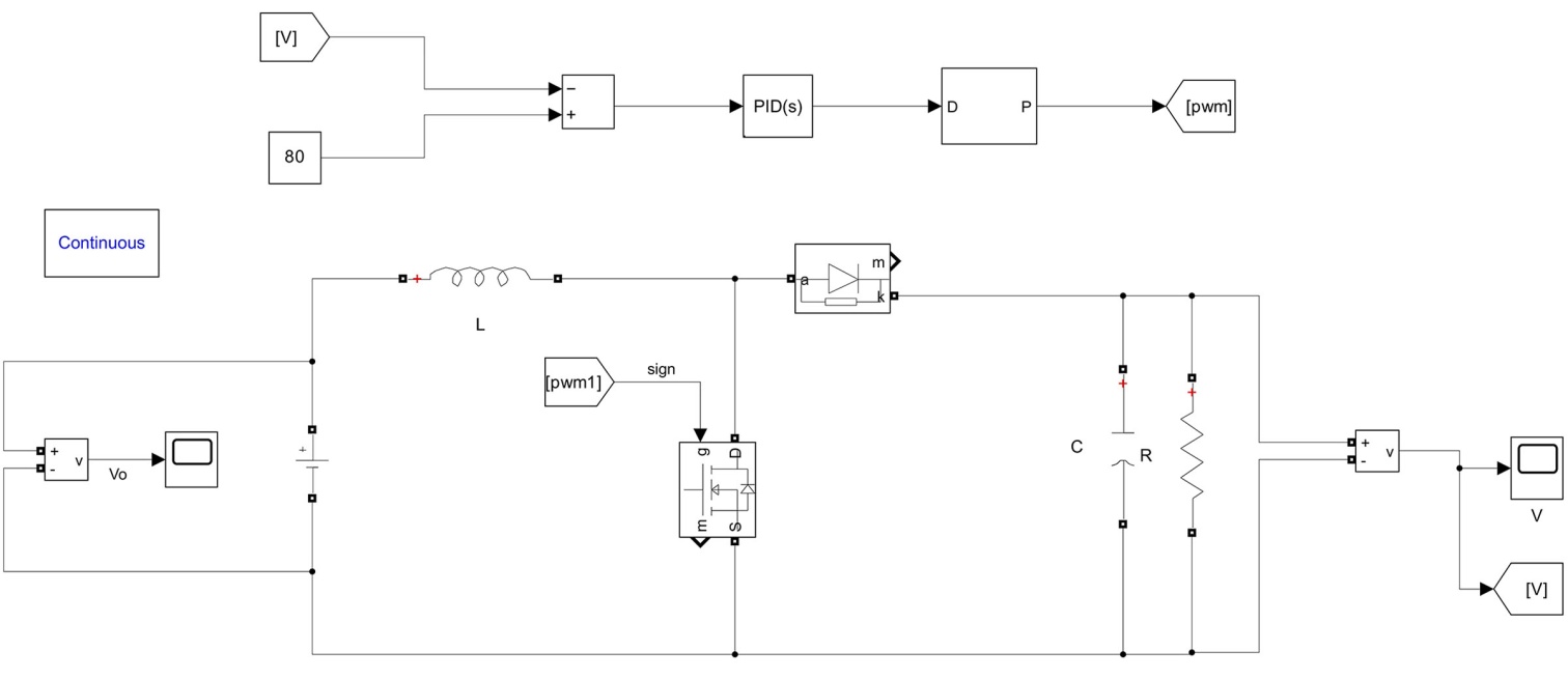
5.1. 常规PID控制的仿真实现

为对比自适应控制算法的性能优势,本文首先在MATLAB/Simulink平台搭建了的常规PID控制系统仿真模型如图3,用于对Boost升压电路在传统PID控制器下的动态响应特性与稳态性能进行分析。在MATLAB/Simulink平台中,对其模型进行仿真结果如图4所示。

Figure 3. Simulation model of conventional PID control system

3. 常规PID控制系统仿真模型

Figure 4. Simulation waveform of conventional PID controller

4. 常规PID控制器仿真波形

通过对常规PID控制下的Boost升压电路进行仿真分析,可得如下结论:系统由初始0 V快速上升,并在0.12 s内稳定至设定值80 V附近,最高电压值:90.51,稳态纹波电压:0.91 V。总体而言,系统瞬态响应较快且稳态性能良好。但是,传统PID控制器尽管结构简单、实现方便,在Boost电路应用中存在固有局限:出现较大超调、较大稳态误差等问题。尤其对于对稳压精度要求更高的EDXRF电源系统,常规PID难以充分满足实际需求。因此,亟需引入具有自适应调节能力的控制方法以提升系统稳压精度。基于此,下面将提出并研究基于RBF神经网络优化的PID控制策略,并通过仿真与实验与本章的常规PID结果进行对比分析。

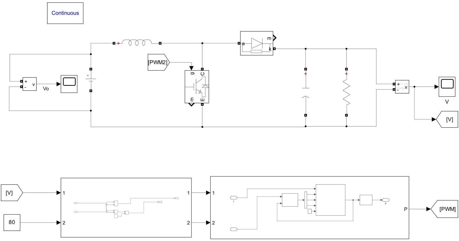
5.2. RBF神经网络的仿真实现

Figure 5. Simulation model of RBF neural network controller system

5. 基于RBF神经网络控制器系统仿真模型

为进一步验证粒子群优化(PSO)算法在RBF神经网络控制器的有效性,本文在相同仿真条件下,引入基于梯度下降法的RBF控制器作为对比算法如图5为在MATLAB/Simulink平台中搭建系统仿真模型。两种方法采用相同的RBF网络结构、输入变量及初始PID参数,仅在网络参数优化策略上存在差异:其中,梯度下降法依据误差反向传播对网络权值进行局部更新,在MATLAB/Simulink平台中,对其模型进行仿真结果如图6所示。

Figure 6. Simulation waveform based on RBF neural network controller

6. 基于RBF神经网络控制器的仿真波形

通过对基于RBF神经网络控制下的Boost升压电路进行仿真分析,可得如下结论:系统由初始0 V快速上升,并在0.07 s内稳定至设定值80 V附近,最高电压值:85.42 V,稳态纹波电压:0.3 V。总体而言,系统瞬态响应较快且稳态性能良好。

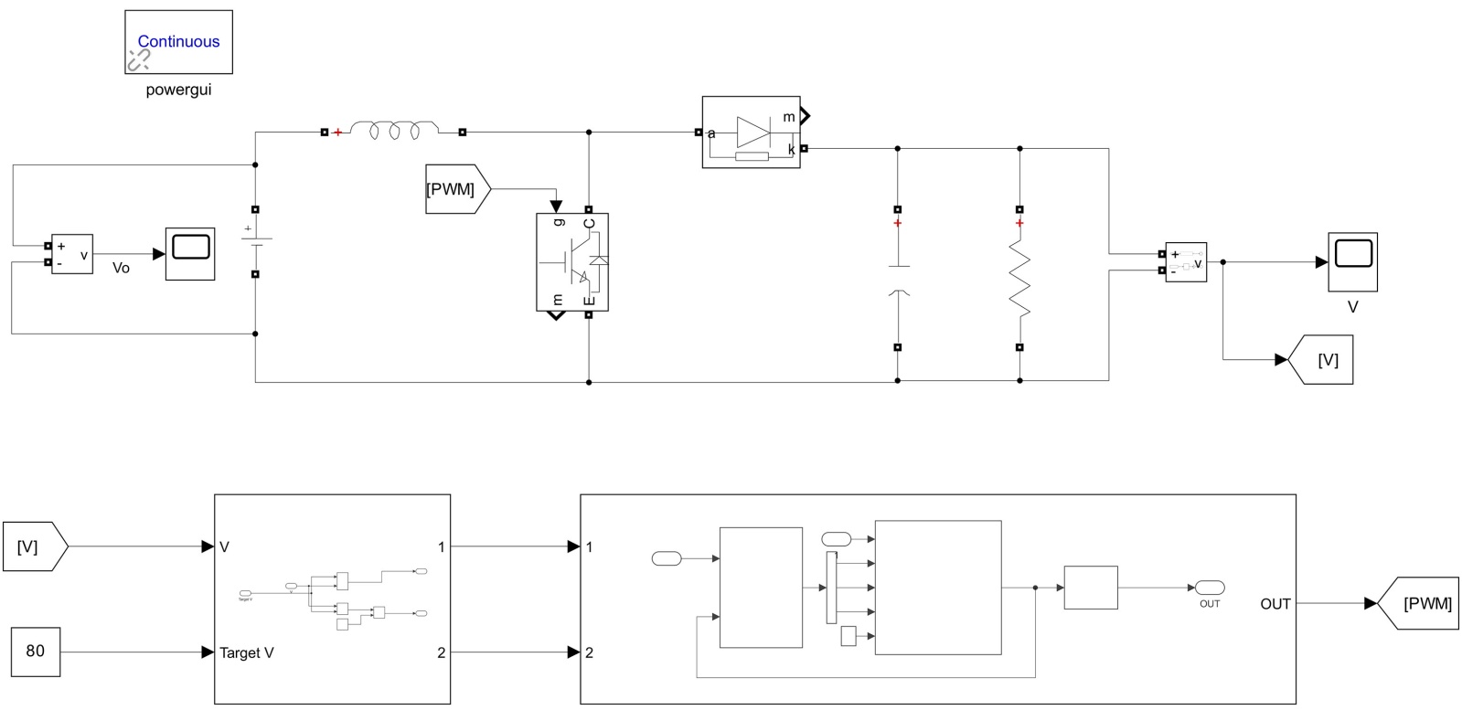
5.3. 自适应的RBF神经网络的仿真实现

Figure 7. Simulation model of adaptive RBF neural network controller system

7. 基于自适应RBF神经网络控制器系统仿真模型

基于上述原理对控制算法进行改良,如图7为在MATLAB/Simulink平台中搭建的基于自适应的RBF神经网络PID控制系统仿真模型,用于对Boost升压电路动态响应特性与稳态性能进行分析。在MATLAB/Simulink平台中,对其模型进行仿真结果如图8所示。

Figure 8. Simulation waveform based on adaptive RBF neural network controller

8. 基于自适应RBF神经网络控制器的仿真波形

通过对基于自适应RBF神经网络控制下的Boost升压电路进行仿真分析,可得如下结论:系统由初始0 V快速上升,并在0.05 s内稳定至设定值80 V附近,最高电压值:82.51 V,稳态纹波电压:0.1 V。总体而言,系统瞬态响应较快且稳态性能良好。

6. 仿真分析

图9为所设计控制器与常规PID控制器在Boost升压电路上的仿真对比结果。图中目标电压80 V为工况,对比了常规PID与基于自适应RBF神经网络控制器两种控制器的动态响应与稳态特性。

Figure 9. Comparison of simulation results between two controllers

9. 两种控制器仿真结果对比图

从结果来看,常规PID的超调约为13.1%,稳态时间约为0.12 s,稳态纹波电压约为0.91 V;而自适应RBF神经网络控制器的超调降至约3.1%,稳态时间缩短至约0.05 s,纹波电压降至约0.1 V。由此可见,所提方法在瞬态性能、超调抑制和稳态纹波控制方面均获得显著改进。控制器性能对比如表1所示。

Table 1. Controller performance comparison table

1. 控制器性能对比表

控制器

超调量

稳态时间

纹波电压

PID

13.1%

0.12 s

0.91 V

RBF

6.7%

0.07 s

0.3 V

POS-RBF

3.1%

0.05 s

0.1 V

7. 结论

本文仿真结果表明,基于自适应的RBF神经网络控制器相较于传统PID控制器与基于梯度下降的RBF神经网络控制器在动态性能上具有显著优势:实验数据显示超调量由13.1%降至3.1%,稳态时间由0.12 s缩短至0.05 s,纹波电压由0.91 V降至0.1 V,表明系统响应更为迅速且纹波被有效抑制。产生这一改进的主要原因在于RBF神经网络能够通过非线性映射逼近系统未建模动力学与扰动,而PSO算法对网络参数的全局优化使得控制器实现自适应调整,从而更好地跟踪参考信号并抑制误差。需要指出的是,本文研究结果基于理想化的仿真模型,与实际工程应用仍存在一定差异。仿真模型中未完全考虑功率器件的非理想特性(如开关延迟、寄生参数、温漂效应等)以及采样噪声对控制性能的影响;后续研究将结合硬件实验平台,对所提控制方法在实际工程环境下的可行性与适应性进行进一步验证。

NOTES

*第一作者。

#通讯作者。

参考文献

[1] 关丛荣, 张帅, 贺川会, 等. 基于Voigt函数拟合的能量色散X射线荧光光谱(EDXRF)法测定金矿粉末中低品位金[J]. 中国无机分析化学, 2024, 14(12): 1715-1723.
[2] 李君杰, 王元宇, 吴凯月, 等. 基于自适应滑模控制的高动态响应图腾柱PFC研究[J]. 电工技术, 2024(21): 76-79+84.
[3] 田埂. 电子侦察飞机的航路规划与设计[D]: [硕士学位论文]. 西安: 西安电子科技大学, 2018.
[4] 汪杰. 数字高压直流电源控制系统设计[D]: [硕士学位论文]. 成都: 西南交通大学, 2016.
[5] 左官芳, 魏雪义, 管月. 交错并联Boost型开关电源模块设计[J]. 国外电子测量技术, 2024, 43(7): 83-89.
[6] 王萍. 基于FOA优化PID参数的永磁同步电机转速控制[J]. 微特电机, 2024, 52(8): 58-62+67.
[7] 刘鸾旸, 周浩明, 李野. 基于RBF神经网络优化的PID控制算法研究[J]. 自动化与仪器仪表, 2024(3): 46-49.
[8] 王寰宇. 基于FPGA的数字Boost升压电路研究[D]: [硕士学位论文]. 济南: 山东师范大学, 2023.
[9] 张海航. 风洞试验中电动变舵面系统的研究[D]: [硕士学位论文]. 哈尔滨: 哈尔滨工业大学, 2021.
[10] 李博文, 宋文广, 徐加军. 基于改进布谷鸟搜索优化RBF神经网络的抽油机故障诊断[J]. 中国工程机械学报, 2023, 21(6): 624-628.
[11] 杨旭红, 陈阳, 方剑峰, 等. 基于改进PSO-PID控制器的核电站汽轮机转速控制[J]. 控制工程, 2022, 29(12): 2177-2183.
[12] 刘英. 基于优化权值网络的系统偏差配准方法研究[D]: [硕士学位论文]. 开封: 河南大学, 2020.