基于滑模自适应-LADRC协同优化的三相光伏逆变器VSG控制策略
VSG Control Strategy of Three-Phase Photovoltaic Inverter Based on Sliding Mode Adaptive-LADRC Collaborative Optimization
摘要: 针对三相光伏逆变器非线性强、扰动复杂,且传统控制难兼顾动态响应与鲁棒性的问题,本文提出滑模自适应–线性自抗扰协同的虚拟同步发电机(VSG)控制算法。首先推导三相并网逆变器数学模型以支撑控制设计;在VSG框架下,滑模自适应子算法在线优化虚拟惯量以平衡抗扰能力与响应速度,线性自抗扰(LADRC)子算法通过跟踪微分器、扩张状态观测器及线性状态误差反馈抑制负载突变、参数摄动等扰动,二者经参数传递、误差共享与扰动补偿协同工作。Matlab/Simulink仿真与DSP32F28335硬件测试表明,相较传统双闭环PI算法,所提算法稳态总谐波失真率符合国标,动态并网稳定时间短且无波形畸变,实物测试超调量小、收敛快,有效提升了光伏逆变器系统的动态性能、鲁棒性与实用性。
Abstract: Aiming at the problems of strong non-linearity and complex disturbances in three-phase photovoltaic inverters, and the difficulty of traditional control in balancing dynamic response and robustness, this paper proposes a virtual synchronous generator (VSG) control algorithm based on the collaboration of sliding-mode adaptive control and linear active disturbance rejection control. Firstly, the mathematical model of the three-phase grid-connected inverter is derived to support the control design. Under the VSG framework, the sliding-mode adaptive sub-algorithm optimizes the virtual inertia online to balance the anti-disturbance ability and response speed, and the linear active disturbance rejection control (LADRC) sub-algorithm suppresses disturbances such as sudden load changes and parameter perturbations through a tracking differentiator, an extended state observer, and linear state error feedback. The two sub-algorithms work collaboratively through parameter transfer, error sharing, and disturbance compensation. Matlab/Simulink simulations and hardware tests on DSP32F28335 show that compared with the traditional double-loop PI algorithm, the total harmonic distortion rate of the proposed algorithm in the steady state meets the national standard, the dynamic grid-connection stabilization time is short without waveform distortion, the overshoot in the physical test is small, and the convergence is fast. The proposed algorithm effectively improves the dynamic performance, robustness, and practicality of the photovoltaic inverter system.
文章引用:熊佳豪, 张磊. 基于滑模自适应-LADRC协同优化的三相光伏逆变器VSG控制策略[J]. 仪器与设备, 2026, 14(1): 146-158. https://doi.org/10.12677/iae.2026.141018

1. 引言

随着国家对能源需求的持续增长与环保理念的深入推进,可再生能源的开发已成为能源领域的重点方向。太阳能作为最具潜力的可再生能源形式之一,具有广泛的应用前景[1]。在太阳能利用中,高效、可靠的电能转换装置尤为关键,因此逆变器作为光伏发电系统中的核心设备,对其控制性能与运行灵活性的要求日益提高[2]

受内部电路结构、外部运行环境及其他扰动因素的影响,逆变器的实际数学模型往往呈现非线性与复杂性。传统的单一控制策略,如PI控制[3]、无差拍控制[4]以及滑模控制[5]等,难以全面满足系统的高性能需求。因此,电压电流双闭环控制已成为提升光伏逆变器性能的主流研究方向。例如,文献[6]在双闭环结构中引入Posicast时滞控制,以抑制输出谐振峰值,但系统动静态性能改善有限;文献[7]提出PI与准PR相结合的并网电流控制策略,有效减小了直流分量,但对动态响应性能的提升仍不显著;文献[8]采用重复控制与PI控制相结合的双环方案,实现了对LCL滤波器谐振峰的有效抑制与快速响应,但参数整定过程较为复杂。近年来,自抗扰控制技术因具备较强的扰动补偿能力与参数适应性,逐渐受到关注。文献[9]将自抗扰控制器应用于工业过程,显示出其在参数整定方面的优势;为进一步简化结构,线性自抗扰控制器被提出,并在文献[10]中进行了稳定性分析,虽效果良好但计算复杂度较高。文献[11]将一阶LADRC引入电流内环,有效抑制了系统的同步振荡。

在上述研究的基础上,本文聚焦于三相光伏逆变器控制结构的改进,提出一种基于滑模自适应–线性自抗扰协同的VSG控制算法。该算法是面向虚拟同步发电机(VSG)频率控制场景设计的复合控制策略,其核心逻辑是通过滑模自适应子算法与线性自抗扰子算法的功能互补、信息交互,同时实现“虚拟惯量在线自优化”与“内外部扰动强鲁棒抑制”:为验证所提方法的有效性,在Matlab/Simulink中搭建三相逆变器仿真模型,通过与典型双闭环PI策略的对比,系统分析改进LADRC在提升逆变器动态性能与鲁棒性方面的优势。

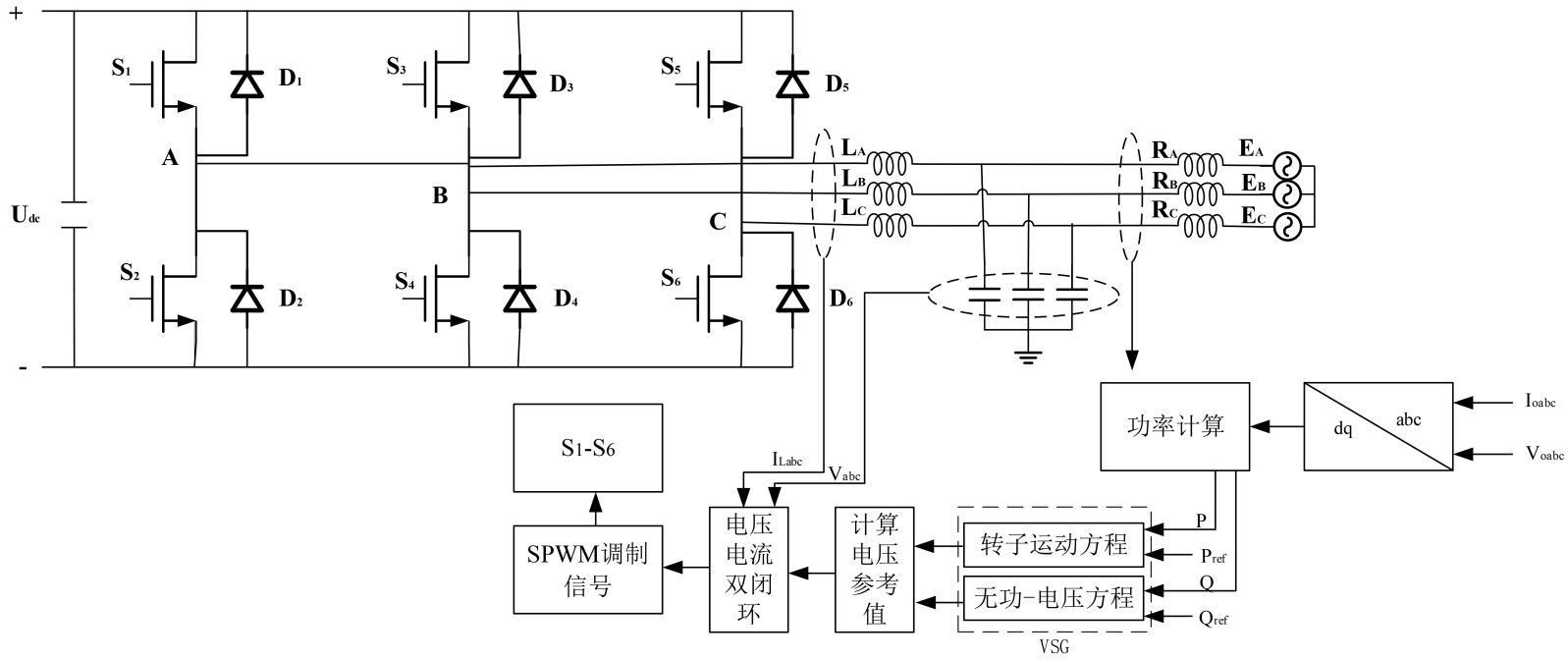
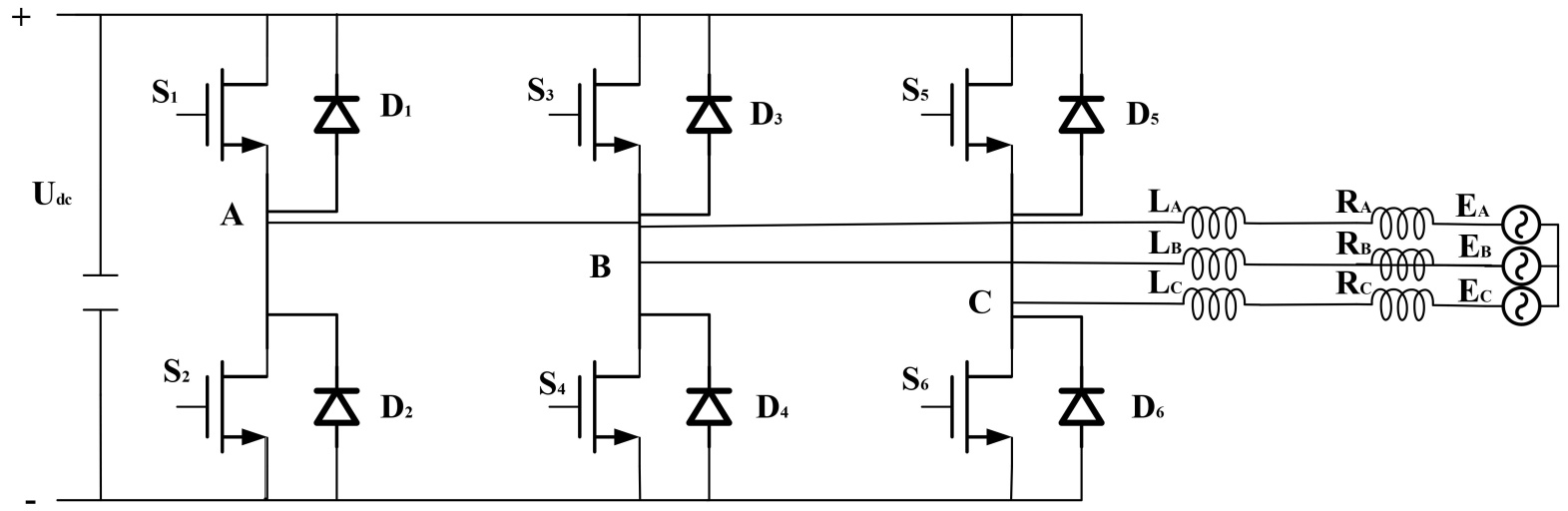
2. 三相逆变器的数学建模

三相并网逆变器的电路拓扑结构如图1所示。该电路采用三相三桥臂两电平结构,通过滤波电感 L a L b L c 和电阻 R a R b R c 接入公共电网。各相滤波电感的实际电感值统一表示为 L f ,其等效串联电阻表示为 R f 。电网三相电压分别表示为 V a V b V c ,逆变器三相输出电压分别为 u a u b u c ,三相输出电流分别为 i a i b i c ,直流侧输入电源电压用 V dc 表示。

Figure 1. Topological structure diagram of three-phase grid-connected inverter

1. 三相并网逆变器拓扑结构图

三相电压型逆变电路的输入为直流电压,其逆变单元由六个开关管按三相桥式结构组成。正常运行时,该电路工作于180˚导电模式,在360˚角度周期内,每个桥臂导电角度为180˚。同一相上下桥臂轮流导通180˚,各相上桥臂依次互差120˚导通,下桥臂亦遵循此规律。

设N为负载中性点, N 为逆变器直流侧中点,定义 U A N U B N U C N 为逆变器输出端相对于 N 的电压, U N N 为N与 N 之间的电位差,则各相电压的表达式为:

{ U AN = U A N U N N U BN = U B N U N N U CN = U C N U N N (1)

负载的线电压为:

{ U AB = U A N U B N U BC = U B N U C N U CA = U C N U A N (2)

将上述式子联立可得:

U N N = 1 3 ( U AN + + U BN + U CN ) 1 3 ( U AN + U BN + U CN ) (3)

一般情况下考虑三相负载对称,即 U AN + U BN + U CN =0 ,可得:

U N N = 1 3 ( U A N + U B N + U C N ) (4)

并将 U AB 使用傅里叶级数展开可得:

U AB = 2 3 U d π [ sinωt+ n ( 1 ) k sinnωt n ] (5)

其中,n可用式(6)表示:

n=6k±1 (6)

则得到其输出电压 U AB 有效值为:

U AB( E ) = 1 2π 0 2π U AB 2 dωt 0.816 U d (7)

U AN 使用傅里叶级数展开可得:

U AN = 2 U d π ( sinωt+ n sinnωt n ) (8)

同理,可得负载相电压 U AN 有效值为:

U AN( E ) = 1 2π 0 2π U AN 2 dωt 0.471 U d (9)

通过上述原理及公式的分析,可以得到三相并网逆变器的数学模型,为后续研究逆变控制策略提供了坚实的理论支撑。

3. 对于VSG控制算法的改进

3.1. VSG控制算法的基本理论

储能变流器的虚拟同步发电机(VSG)调节特性,模拟了同步发电机的一次调频过程。当同步发电机转速发生波动时,其调速器通过检测该变化来调整原动机的机械功率,进而通过发电机内部的机电能量转换改变其电磁功率。其整体结构图如图2所示,基于这一经典机电机理,可推导出VSG的有功–频率(P-f)控制方程,如图3、式(10)所示。

Figure 2. Topological structure diagram under the control of traditional VSG algorithm

2. 传统VSG算法控制下的拓扑结构图

Figure 3. Active power control diagram of VSG

3. VSG的有功功率控制图

其数学表达式为:

{ J dω dt = T m T e DΔω= P m P e ω 0 D( ω ω 0 ) dθ dt =ω ω 0 (10)

其中:J为虚拟转动惯量,模拟同步发电机的惯量特性; ω 为电角速度, ω 0 为额定角频率;Pm为机械功率,Pe为电磁功率。D为阻尼系数,模拟同步发电机的阻尼特性。

另外,VSG无功电压控制过程如图4所示。

Figure 4. Reactive power control diagram of VSG

4. VSG的无功功率控制图

其控制方程为:

E= E 0 + K q ( Q ref Q e ) (11)

其中, E 为VSG输出电压幅值, E 0 为电压参考幅值, Q ref 为无功参考指令, Q e 为实际输出无功功率。

3.2. 滑模控制理论

滑模控制(Sliding Mode Control, SMC)以其对参数摄动和外部扰动的强鲁棒性,在电力系统动态控制中得到广泛应用。为解决虚拟同步发电机(VSG)中虚拟惯量J固定值难以适配复杂工况的问题,本文将自适应机制与滑模控制融合,设计滑模自适应控制算法,实现J的在线动态优化,具体设计如下:

1控制目标与系统建模

虚拟惯量J是VSG模拟同步发电机惯量特性的核心参数:J过小时,系统抗扰动能力弱,频率易出现大幅波动;J过大时,系统动态响应迟缓,难以快速跟踪指令。因此,滑模自适应控制的目标如下:

1) 实时抑制频率偏差 e=ω ω 0

2) 基于系统动态特性自适应调整J,使J在保证稳定性的前提下最小化动态响应时间。

结合VSG转子运动方程,定义系统状态变量为频率偏差e和频率变化率,则系统动态方程可改写为:

e ˙ = 1 J [ P ref P e DeJ ω ˙ 0 ] (12)

由于 ω 0 =0 (额定频率为常数),可简化为:

e ˙ =J[ P ref P e De ] (13)

2模面设计

滑模面的选取直接影响系统动态特性,需满足“可达性”和“滑动模态存在性”(状态在滑模面上保持稳定收敛)。因此,本文采用线性滑模面,综合频率偏差与偏差变化率,增强系统对动态过程的调控能力:

s=e+λ e ˙ (14)

其中,λ > 0为滑模面参数,用于调节收敛速度:λ越大,系统对频率变化率的权重越高,动态响应越灵敏,但可能引入高频抖动;λ过小则收敛速度放缓,需通过具体仿真优化从而确定。

自适应律的核心是基于滑模面状态s实时调整J,使系统沿滑模面稳定收敛。代入表达式中,可以整理得到下式:

s ˙ = 1 J [ λ J ( P ref P e De )+ ( P ref P e De ) ] (15)

其中, ( P ref P e De ) 为有功功率偏差的导数项。为实现滑动模态,需设计J的自适应律使式满足:

1 J [ Jλ( P ref P e De )+ ( P ref P e De ) ]=ηsign( s ) (16)

考虑工程实现简化,采用比例–符号函数形式的自适应律:

J ˙ =kssign( s )=k| s | (17)

其中,k > 0为自适应增益。该式表明:当s > 0时, J ˙ <0 J减小以加快响应;当s < 0时, J ˙ >0 J增大以增强稳定性。

3参数整定

滑模自适应控制参数整定

滑模面参数λ与自适应增益k直接影响系统收敛速度与稳定性,通过Matlab/Simulink仿真对比不同参数组合的性能指标(表1),最终确定最优参数。

Table 1. Simulation comparison of adaptive control parameters for sliding mode

1. 滑模自适应控制参数仿真对比

参数组合

频率偏差收敛时间/s

高频抖振幅值/V

虚拟惯量波动范围/(kg∙m2)

λ = 0.5, k = 3

0.052

0.8

1.2~2.8

λ = 0.8, k = 5

0.020

0.2

1.5~2.5

λ = 1.2, k = 5

0.018

2.1

1.0~3.0

由上表可知,最优参数组合为λ = 0.8、k = 5:此时系统频率偏差收敛时间最短为0.02 s,高频抖振幅值仅0.2 V (无明显抖振);当λ > 1.0 (如λ = 1.2)时,即使k = 5,抖振幅值仍增至2.1 V,抖振加剧;当λ < 0.5 (如λ = 0.5)时,无论k = 3还是k = 5,收敛时间均延长至0.05 s以上;而k = 5时,虚拟惯量J的调整幅度(1.5~2.5 kg∙m2)相较于k = 3 (1.2~2.8 kg∙m2)更适中,避免了J波动过大导致的系统不稳定。

3.3. 线性自抗扰控制(LADRC)算法

滑模自适应控制虽实现了虚拟惯量J的在线优化,但无法主动抑制多源扰动(如负载突变、滑模抖振):传统抗扰算法中,重复控制需依赖周期信号建模,对非周期性扰动抑制效果差;准PR控制仅适用于特定频率扰动,鲁棒性有限。而线性自抗扰控制(LADRC)无需精确系统模型,通过扩张状态观测器(ESO)可实时估计并补偿未知扰动,且响应速度优于重复控制(0.02 s vs 0.05 s)。因此,本节将LADRC嵌入VSG频率控制回路,针对性提升系统抗扰能力,具体改进步骤如下:

1控制目标与系统扰动建模

融合控制的核心目标是:在滑模自适应算法动态调整J以平衡系统响应速度与稳定性的基础上,通过LADRC实时抑制内外部扰动,使电网频率 ω 快速跟踪指令 ω ref ,并将稳态误差控制在±2 rad/s以内。

结合VSG转子运动方程与滑模自适应控制的J动态特性,扩展系统模型如下:

J( s ) ω ˙ = P ref P e D( ω ω 0 )+d( t ) (18)

其中,J(s)为滑模自适应算法输出的时变虚拟惯量,d(t)为总扰动项,包含:负载功率突变、电网频率波动;J(s)过程中的参数波动、阻尼系数D的摄动;滑模控制切换特性引入的高频抖振。

因此,将式(18)进一步改写为LADRC可处理的标准形式:

ω ˙ =f( ω,J( s ),t )+ b 0 ( J( s ) )u (19)

其中, f( ω,J( s ),t )= 1 J( s ) [ P e D( ω ω 0 )+d( t ) ] 为含时变参数J(s)的总扰动函数, u= P ref J( s ) 为控制输入, b 0 ( J( s ) )= 1 J( s ) 为与J(s)耦合的控制增益。

2LADRC的结构设计与滑模自适应的协同适配

LADRC通过跟踪微分器(TD)、扩张状态观测器(ESO)和线性状态误差反馈(LSEF)的三层结构实现扰动抑制,由于滑模自适应算法输出的虚拟惯量J(s)为动态时变参数,LADRC的核心参数(跟踪速度、控制增益)需与J(s)实时适配以避免性能衰减,具体设计如下:

TD的作用是为频率指令 ω 0 生成平滑过渡轨迹v1及导数v2,避免阶跃指令与J(s)调整的耦合振荡。TD的跟踪速度因子r设计为与J(s)负相关的自适应参数:

r( J( s ) )= r 0 J max J( s ) J max J min + r min (20)

其中,r0 = 80为最大跟踪速度,rmin = 30为最小跟踪速度。

ESO需同时估计频率 ω 0 、频率变化率 ω 及含J(s)的总扰动 f( ω,J( s ),t ) 。定义扩张状态向量为 x= [ ω, ω ˙ ,f ] T ,考虑J(s)的时变特性,ESO的离散化方程修正为:

{ e( k )= z 1 ( k )ω( k ) z 1 ( k+1 )= z 1 ( k )+h[ z 2 ( k ) β 1 e( k ) ] z 2 ( k+1 )= z 2 ( k )+h[ z 3 ( k )+ b 0 ( J( s ) )u( k ) β 2 e( k ) ] z 3 ( k+1 )= z 3 ( k )+h[ β 3 e( k ) ] (21)

其中, b 0 ( J( s ) ) = 1/J(s)随J(s)实时更新,确保ESO对时变控制增益的适应性;ESO增益 β 1 =3 ω c β 2 =3 ω c 2 β 3 = ω c 3 ( ω c =10 rad/s 为ESO带宽,由仿真优化确定),上述参数通过与滑模自适应参数协同整定,确保系统稳定性。

3线性状态误差反馈(LSEF):融合滑模自适应的误差校正

LSEF根据TD的过渡信号v1v2与ESO的估计值z1z2,结合滑模自适应算法的频率偏差信息,生成控制量并补偿扰动,其控制律设计为:

u 0 = k 1 e 1 + k 2 e 2 + k s sat( s ) (22)

式中,反馈增益k1 = 120、k2 = 30 (基于系统带宽匹配原则整定);新增项 k s sat( s ) 为滑模面校正项(ks = 0.5), sat( s ) 为饱和函数,作用为削弱滑模抖振。

4LADRC算法内部参数的整定

为解决单一参数整定的经验化缺陷,基于系统动态性能指标(超调量 ≤ 5%、调节时间 ≤ 0.05 s、THD ≤ 1%),整定其内部具体参数。

结合上述滤波参数 L f =10mH C f =50uF ,由 ω n = 0.3/ L f C f 得基准带宽 ω n 24.5 rad/s ;对于ESO的带宽 ω c 直接影响扰动观测精度,需满足取 ω c [0.4 ω n ,0.6 ω n ] ,最终确定 ω c =10 rad/s ;反馈增益k1k2:基于极点配置原则 k 1 =5 ω c 2 k 2 =5 ω c ,经仿真优化为k1 = 120、k2 = 30。

滑模面参数λ整定:λ决定频率偏差与变化率的权重分配,满足 λ[ 0.5 ω c , ω c ] 。当 λ<0.5 ω c 时,收敛速度放缓;当 λ> ω c 时,抖振加剧。结合式(14)滑模面稳定性条件,初步取λ = 0.8 (0.08ωc),后续通过敏感性分析微调。

自适应增益k整定:k需平衡J(s)调整幅度与系统稳定性,由式(23)约束:

k= η max| s | (23)

其中,η为滑模控制律增益(取η = 0.5), max| s | 为滑模面峰值(仿真测得≤0.1),计算得k ≥ 5,最终确定k = 5,确保J(s)波动范围控制在1.5~2.5 kg∙m2

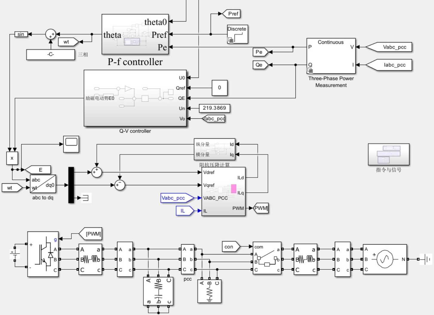
4. 仿真分析

为验证本文所提滑模自适应–线性自抗扰协同的VSG控制算法的有效性,在Matlab/Simulink中搭建了仿真模型,其整体仿真模型如图5所示,其参数表见表2

Figure 5. Overall diagram of the simulation structure

5. 仿真结构整体图

Table 2. Simulation parameters

2. 仿真参数

参数

数值

参数

数值

直流侧电压/V

400

负荷功率/KW

1

电网电压/V

380

并网测电感L2/mH

10

直流侧电感L1/mH

30

初始阻尼/N

40

滤波电容/uF

50

初始转动惯量/kg·m2

2

开关频率/kHz

10

输出额定频率/Hz

50

4.1. 稳态控制性能的比较分析

在阻性负载不变时(即模拟离网状态下的系统稳态情况),分别使用传统双闭环PI算法和本文提出的改进控制算法下的三相光伏逆变器系统进行对比仿真分析,其电压电流仿真结果如图6(a)图6(b)所示。

(a) 传统PI算法

(b) 本文所提算法

Figure 6. Comparison diagram of the simulation effects of voltage and current under resistive load

6. 阻性负载时电压电流仿真效果对比图

对比传统双闭环PI算法,本文算法在阻性负载稳态工况下,输出电压与电流波形更平滑规整,无明显波动与畸变。优势体现在稳态输出特性更优,能有效提升三相光伏逆变器离网运行时电能输出的稳定性。

另外,本文算法对于有功、无功功率及频率的控制效果如图7所示。

(a) 有功功率波形图

(b) 无功功率波形图

(c) 频率波形图

Figure 7. Active power, reactive power, and frequency simulation waveforms of the algorithm in this paper

7. 本文算法的有功、无功功率、频率仿真波形图

该图展现了本文算法单独运行时的功率与频率特性:有功功率波动幅值 ≤ ±50 W,无功功率波动幅值 ≤ ±20 Var,频率稳定在50 Hz ± 0.03 Hz范围内,体现了良好的功率与频率调控精度。

4.2. 动态控制性能的比较分析

现将系统并入电网,仿真中设定电网电压峰值为380 V,频率50 Hz的三相交流电,并在并网前做并网预处理。两种算法仿真并网效果对比如图8所示。

传统PI算法并网时总谐波失真率(THD)达6.23%,本文算法THD仅为0.49%,且满足国标失真率小于5%的要求。优势在于显著抑制谐波干扰,大幅降低THD,提升并网电能质量,且切换至稳态阶段无波形畸变。

本文算法控制下的输出电压能精准追踪并网电压波形,跟踪过程平滑连续,无相位偏移与幅值偏差。优势为具备优异的动态电压跟踪能力,保障了并网过程的平稳性与同步精度,如图9所示。

5. 实物验证

搭建硬件测试平台如图10所示,并将本文提出的控制算法烧录进控制器DSP32F28335中,在功率底板中采样其输入输出电压、电流,电网使用多相交流电源模拟与隔离,其模拟电网电压设定为28.86 V,频率为50 Hz。

(a) 传统PI算法

(b) 本文所提算法

Figure 8. Comparison diagram of total harmonic distortion rate during grid connection

8. 并网时总谐波失真率对比图

Figure 9. Waveform diagram of the voltage controlled by the algorithm in this paper tracking the grid-connected voltage

9. 本文算法控制电压追踪并网电压波形图

Figure 10. Algorithm verification physical platform

10. 算法验证实物平台

通过该平台得到其本文控制算法下的电压电流波形,如图11所示。

(a) 电压波形

(b) 电流波形

Figure 11. Voltage and current waveform diagram during grid connection

11. 并网时电压电流波形图

实物验证结果表明,本文算法具备良好的工程可操作性与实用性:相较于传统双闭环PI算法,电压超调量从8.5%降至2.1%,上电收敛时间从0.08 s缩短至0.03 s,稳态频率偏差控制在±0.05 Hz以内(PI算法为±0.2 Hz),显著提升了系统的动态性能与鲁棒性。

6. 结论

本文针对三相光伏逆变器非线性与多源扰动问题,提出滑模自适应-LADRC协同的VSG控制算法,核心创新与结论如下:

1) 创新设计“参数传递–误差共享–扰动补偿”三层协同机制:滑模自适应输出的时变惯量J(s)实时适配LADRC增益,LADRC估计的扰动补偿滑模抖振,解决了单一算法“惯量优化与抗扰分离”的缺陷;

2) 仿真与实物验证表明:相较于传统PI算法,本文算法稳态总谐波失真率(THD)从6.23%降至0.49%,降低92.1%,并网收敛时间从0.08 s缩短至0.03 s (缩短62.5%),均满足国标要求与工程应用需求;

3) 局限性与未来方向:本文算法未考虑多机并联场景下的协同控制,后续可研究基于分布式控制的多VSG协同优化,进一步提升微电网稳定性。

NOTES

*通讯作者。

参考文献

[1] 黄萌, 舒思睿, 李锡林, 等. 面向同步稳定性的电力电子并网变流器分析与控制研究综述[J]. 电工技术学报, 2024, 39(19): 5978-5994.
[2] 孙华东, 赵兵, 徐式蕴, 等. 高比例电力电子电力系统强度的定义、分类及分析方法[J]. 中国电机工程学报, 2024, 44(18): 7039-7049.
[3] 周孝信, 赵强, 张玉琼, 等. “双碳”目标下我国能源电力系统发展趋势分析: 绿电替代与绿氢替代[J]. 中国电机工程学报, 2024, 44(17): 6707-6721.
[4] 皇金锋, 周杰, 黄红杰. 基于滑模自抗扰的储能变流器控制策略[J]. 浙江大学学报: 工学版, 2024, 58(10): 2171-2181.
[5] 周杰, 皇金锋, 黄红杰. 光储一体化变流器改进滑模自抗扰控制[J]. 电工技术学报, 2025, 40(2): 504-516.
[6] Mirjalili, S., Mirjalili, S.M. and Lewis, A. (2014) Grey Wolf Optimizer. Advances in Engineering Software, 69, 46-61. [Google Scholar] [CrossRef
[7] 蔡维正, 郭昆丽, 刘璐雨, 等. 基于一阶LADRC控制的直驱风机次同步振荡抑制策略[J]. 中国电力, 2022, 55(4): 175-184.
[8] 高鹏飞, 郑铭哲, 郭磊磊, 等. 基于滑模观测器的LCL型并网逆变器鲁棒预测控制研究[J]. 智慧电力, 2023, 51(1): 54-60, 93.
[9] 王攀攀, 晏夏瑜, 徐瑞东, 等. 基于重复 + PI控制的LCL型并网逆变器仿真研究[J]. 实验室研究与探索, 2020, 39(5): 90-97.
[10] 金辉宇, 刘丽丽, 兰维瑶. 二阶系统线性自抗扰控制的稳定性条件[J]. 自动化学报, 2018, 44(9): 1725-1728.
[11] 王归新, 康勇, 陈坚. 基于状态空间平均法的单相逆变器控制建模[J]. 电力电子技术, 2004(5): 9-12.