FT6B型切片机导料装置的改进
Improvement of the Feeding Device of the FT6B Slicer
DOI: 10.12677/iae.2026.141019, PDF, HTML, XML,   
作者: 马江平, 钱星丞:红塔烟草(集团)有限责任公司玉溪卷烟厂,云南 玉溪
关键词: 切片机导料装置受力方式改进Slicer Feeding Device Stress Distribution Improvement
摘要: 切片机是制丝生产工艺中的一台重要设备,其主要工艺任务是对醇化、拆包后的烟包切块,以便于烟叶的松散、回潮均匀,为后序生产做准备。在膨胀烟丝车间使用该设备的过程中,导料装置联接螺栓经常出现断裂,在寻找原因的过程中,对原导料装置的横档进行力学分析后,找到了导致螺栓断裂的原因是原装置存在设计缺陷,联接螺栓在工作时受到较大的剪切力。针对这个问题,制定了两个解决方案,一个是增加联接螺栓的强度,但更换后的螺栓也被剪断;另一个是重新设计横档结构,从而改变横档的受力方式。经过实际应用,改造效果良好,彻底解决了设备存在的问题。
Abstract: The slicer is an important piece of equipment in the tobacco processing industry. Its main task is to slice the mellowed and unpacked tobacco leaves into pieces to facilitate loosening and uniform rehydration of the tobacco leaves, preparing them for subsequent production. During the use of this equipment in the expanded tobacco workshop, the connecting bolts of the feeding device frequently broke. In the process of finding the cause, a mechanical analysis of the crossbar of the original feeding device revealed that the bolt breakage was due to a design flaw in the original device, where the connecting bolts were subjected to excessive shearing force during operation. Two solutions were developed to address this problem: one was to increase the strength of the connecting bolts, but the replaced bolts also broke; the other was to redesign the crossbar structure, thereby changing the stress distribution on the crossbar. After practical application, the modification achieved good results and completely solved the equipment problem.
文章引用:马江平, 钱星丞. FT6B型切片机导料装置的改进[J]. 仪器与设备, 2026, 14(1): 159-164. https://doi.org/10.12677/iae.2026.141019

1. 引言

切片是制丝生产工艺的一道重要工序,该工序的主要设备是切片机,主要工艺任务是对醇化、拆包后的烟包切块,以便于烟叶的松散、回潮均匀,为后序生产做准备。

目前,在烟草行业,烟包切片方式主要有三种方式:第一种是将烟包纵向分切成一定质量的小块,一块一块地输送到下一工序;第二种也是纵向切烟包,所不同的是由10把刀同时插入烟包,刀片在气缸作用下左、右横移,将烟包分成四片;第三种是将烟包横向分切(铲片)成一定质量的小块,一层一层推送到下一工序。膨胀烟丝车间的FT6B型切片机就属于第一种切片方式。

FT6B型切片机的设备组成及工作原理

FT6B型切片机主要由刀头、压缩空气系统、皮带机、机架、导料装置、挡料装置和门几部分组成。刀头由刀片、支刀板、刀架、压刀板、调节螺杆、导轮、托块等组成,其工作原理是:皮带机将烟包输送至导料装置上,安装在机架上的光电开关检测到烟包后,发出刀头动作的信号,刀头在气缸的作用力下向下运动,装在刀头上的刀片将烟包切成片,当刀头运动到最下端时,安装在下端的接近开关发出信号,刀头在气缸作用下向上运动,此时,导料装置在另一对缸的作用下,将烟片导入下游运输带上,完成切片动作。挡料装置的作用主要是在刀片切烟包时,防止切好的烟片倒入下游运输带上而损坏输送设备。切片机的门上安装有安全开关,在生产时,只要任意打开一扇门,切片机上的安全装置将启动,设备停止运行[1] [2]

2. 问题的提出及分析

Figure 1. Schematic diagram of the feeding device

1. 导料装置示意图

导料装置是切片机的重要组成部分,其作用是切刀在切片时支撑烟包,并将切片后的烟片导入后续运输带上,可以减轻切下的物料对下游设备的冲击。但在实际使用中发现,导料装置的横档与臂板联接螺栓经常发生断裂,导致设备停机,影响后序设备的正常运行,对膨胀烟丝质量的稳定造成了不利的影响。导料装置见图1

为了更全面地掌握设备发生故障的具体情况,在实际生产过程中着重对螺栓断裂情况作了统计,结果见表1

Table 1. Statistical table of broken count of connecting bolts for the feeding device base

1. 导料装置基座联接螺栓断裂次数统计表

时间(月)

2010年

1

2

3

4

5

6

7

8

9

10

11

12

频次(次)

1

0

0

1

0

0

0

0

1

0

0

1

合计

4

表1可以看出,2010年一共发生联接螺栓断裂的次数为4次,平均每三个月就发生一次,对后序设备的正常运行造成了较大的影响。

2.1. 导料装置的组成及工作原理

导料装置主要由左臂板、右臂板、导料头、横档等组成。其工作原理是:导料板的左、右臂板分别由固定支座固定,并能围绕支座转动,臂板的一端与气缸相联接,另一端则由三颗螺栓与横档相联,横档上再固定导料头,工作时,气缸活塞杆伸出,导料头上升至水平并支承烟包完成切片动作,切片完成后,气缸活塞杆缩回,导料头向下旋转将烟片导入下游运输带,完成支承和导料动作。如图2所示。

Figure 2. Schematic diagram of the feeding device structure

2. 导料装置结构示意图

2.2. 故障原因分析

根据几次故障来看,导致螺栓断裂并非有什么异常情况,比如烟包中夹杂有其他硬物等,所以故障原因分析主要从导料装置受力情况入手。受力分析见图3

从受力分析图可以看出,作用在横档上的力为F。F由两个力组成,一个是切刀切烟包施加的力,另一个是烟块本身的重力。根据作用力与反作用原理,并且考虑到横档在受力时产生形变,所以作用在联接螺栓上的力为:在Y方向上大小相等、方向相同的剪切力F1,在X方向上大小相等、方向相反的拉力F2。根据材料力学强度理论可知:当螺栓的屈服极限为[σ]时,其许用剪应力[τ] = [σ]/SS为安全系数,根据机械设计手册,对于预紧,并且同时承受轴向和横向的变载荷,M6~M16的碳素钢材料的螺栓,S取12.5~8.5,合金钢材料S取10~6.8。可以看出,螺栓受剪时,其抗剪强度只相当于抗拉强度的十分之一左右。从受力图分析,在切片时,联接螺栓受到的主要是剪应力。所以切片机在使用过程中,导料装置联接螺栓很容易因疲劳而被剪断[3] [4]

Figure 3. Force analysis diagram of the feeding head

3. 导料头受力分析图

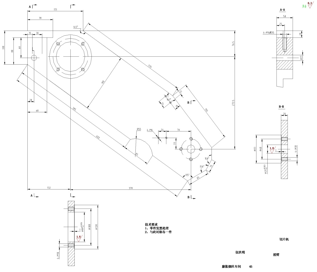
3. 导料装置的改进[5]

3.1. 改进方案一

由于螺栓发生断裂,所以在制定解决方案时,首先考虑到是因为原来所使用的螺栓强度不够。原先所使用的螺栓为M12的螺栓,强度等级为4.8。所以决定在原有基础上改用强度等级为8.8的螺栓,强度增加一倍。

更换了更高强度螺栓的导料装置在使用了一段时间后,螺栓还是发生了断裂,说明螺栓强度还是达不到要求,还需另辟蹊径。

3.2. 改进方案二

方案一的失败显示了螺栓受到了非常大的剪切力。所以在制定方案二时,着重从如何减小或消除螺栓受到的剪切力入手,对横档结构进行改进。首先对原横档的尺寸进行测量,并且将横档上端两侧分别加长20 mm,使横档长度与臂板外侧相平齐,让臂板直接支承横档。由于臂板厚度仅有20 mm,并且为了预防改造后的联接螺栓再发生断裂,所以,选用M16螺栓,这就意味着必须在臂板的内侧焊接一块垫块,才能满足打孔攻丝的要求。但垫块的厚度要满足三方面的条件,一是要能打孔攻丝且螺纹强度满足要求;二是要尽可能增大与横档的接触面积,增加横档在工作时的抗弯强度;三是增加厚度后的臂板内侧在转动时不能和运输带滚筒相碰撞。基于这三方面的考虑,并通过实际测量,垫块的厚度设定为30 mm。加上臂板厚度,实际厚度为50 mm。所以,在设计横档尺寸时,应留出50 mm的支承长度。

Figure 4. Crossbar parts diagram after modification

4. 改造后横档零件图

为了减小横档在切片时较大变形,在横档端面中部设计了一个螺孔,用螺栓将臂板内侧与横档端面联接。确定下相关的尺寸后,并画出了零件加工图,见零件图4

同时,由于横档直接由臂板支承,如果不对臂板结构进行改造,那么,横档就将高于运输带,根本不能进行切片,还必须对臂板结构进行改造。重新设计臂板结构,并根据横档尺寸,最终确定零件加工图,将横档高出的尺寸用臂板来补偿。见图5

Figure 5. Assembly plate processing part drawing

5. 臂板加工零件图

零件加工完成后,首先将垫块进行焊接,然后对其他零件进行安装,具体实施方案如图6所示。

Figure 6. Schematic diagram of the improved crossbar structure

6. 改进后横档结构示意图

图6可以看出,结构改进后的横挡受力方式也随之改变,原设计的横档在切片时,切刀施加的力完全作用在联接螺栓上,而改进后的横档,切刀施加的力主要作用在横档上,如果不考虑横档的变形,螺栓除了受到预紧力外,不受任何剪切力。具体受力分析如图7所示。

Figure 7. Force analysis diagram of the improved crossbar structure

7. 改进后横档受力分析图

4. 效果检查

改进后的切片机导料装置被应用于实际生产中,并通过长期的跟踪调查,从2005年至今,在生产中没有出现螺栓被剪断的现象,同时,导料系统运行稳定,动作灵活,保证了制丝生产顺利进行,极大地减少了设备故障停机次数,降低了修理人员的修理强度,达到节能降耗、改革创新的目的。

5. 总结及展望

纵观对切片机导料装置的改造过程不难发现,改造内容并不复杂,只改变了横档的受力方式,并制作一些小零件加以配合,就取得了非常好的效果。

作为修理人员应该从中学到,其实技术创新并不难,只要用心,并善于突破固有思维,整个生产过程处处就会有创新,产品的质量才能更好地得到保障。

参考文献

[1] 崔文波, 王辉, 张磊, 等. 应用垂直切片机导料装置控制物料流量和蒸汽施加的方法[P]. 中国专利, CN108338396B. 2023-03-24.
[2] 李跃平, 陈良元. 烟草加工机械与设备[M]. 北京: 中国轻工业出版社, 2012.
[3] 濮良贵, 纪名刚. 机械设计[M]. 第10版. 北京: 高等教育出版社, 2019.
[4] 刘鸿文. 材料力学[M]. 第6版. 北京: 高等教育出版社, 2019.
[5] 傅强. 切片机及其切片生产线[P]. 中国专利, CN106003338B. 2018-12-11.