基于模糊PID控制的起落架摆振抑制及稳定性分析
Landing Gear Shimmy Suppression and Stability Analysis Based on Fuzzy PID Control
DOI: 10.12677/ijm.2026.151010, PDF, HTML, XML,    国家自然科学基金支持
作者: 刘奕安*, 赵艳影#:南昌航空大学航空宇航学院,江西 南昌
关键词: 起落架摆振路面激励模糊PID控制Landing Gear Shimmy Road Surface Excitation Fuzzy PID Control
摘要: 文章以某型飞机起落架为研究对象,考虑其绕支柱轴线的扭转、支柱侧向弯曲及轮胎侧向变形,建立了含路面激励的单轮前起落架摆振动力学模型。在此基础上,利用ARID (Active Rotary Inertia Driver)摆振控制器,采用模糊PID控制算法,对加入控制器前后的起落架摆振系统进行时域分析。时域图显示,加入控制器后原本发散的系统趋于收敛,证明了该控制器对抑制含路面激励的起落架摆振的可行性。
Abstract: This paper takes the landing gear of a certain aircraft as the research object, considering the torsion of the landing gear around the strut axis, the lateral bending of the landing gear strut, and the lateral deformation of the tire. A single-wheel nose gear shimmy dynamics model with road surface excitation is established. On this basis, the ARID (Active Rotary Inertia Driver) shimmy controller is employed, and the fuzzy PID control algorithm is adopted to conduct time-domain analysis of the landing gear shimmy system before and after controller implementation. The time-domain diagram shows that the originally divergent system becomes convergent after the controller is added. This study demonstrates the feasibility of using this controller to suppress landing gear shimmy with road surface excitation.
文章引用:刘奕安, 赵艳影. 基于模糊PID控制的起落架摆振抑制及稳定性分析[J]. 力学研究, 2026, 15(1): 91-102. https://doi.org/10.12677/ijm.2026.151010

1. 引言

当起落架意外遭遇外界干扰(例如跑道表面凹凸不平、碎石撞击等情况)时,机轮会同时发生两种运动:一是围绕起落架支柱轴线的扭转,二是围绕机身中心线的侧向摆动。这两种运动相互作用、形成耦合,进而引发一种具有自激特性的不稳定现象,该现象被定义为起落架摆振。相关统计数据显示,在实际场景中,飞机起落架摆振的频率区间通常保持在8 Hz至30 Hz之间,而其摆振幅度则大多控制在20度以内[1]

对于起落架摆振这一问题,国内外学者不断将控制引入减摆工作进行研究。比如Maiti和Bandaru等[2]验证了运用磁流变阻尼器来抑制起落架摆振的理论,并将其当作提供主动控制的装置来实现主动降幅的目的。李莹等[3]设计了一种基于模糊PID控制算法的起落架半主动控制仿真模型,磁流变减摆器的阻尼力通过调节流过磁感线圈的大小来控制从而实现半主动控制的目的。陈大伟、顾宏斌等[4]在起落架系统中加入磁流变阻尼器来实现半主动控制并对半主动控制系统进行优化。陈龙等[5]在其研究中考虑系统的时滞半主动控制建立了半主动悬架数学模型,并且对半主动控制悬架的临界时滞进行求解与分析。王昊等[6]提出了主动转动惯量驱动系统(Active Rotary Inertia Driver, ARID),该系统以电机驱动转动惯量质量圆盘回转,输出抑制结构摆振的主动力矩,通过建立理论模型、匹配LQR控制算法,结合数值模拟与振动台试验验证了其有效性,为悬吊类结构的振动控制提供了新方案。

本文在文献[6]的基础上,针对ARID减摆器设计了模糊PID控制算法[7]。该算法融合了模糊控制与传统PID控制的核心优势,兼具结构简洁、参数实时可调、可靠性高及鲁棒性强等特点。仿真结果验证,这一模糊PID控制算法对于该减摆器而言,是一类适配性良好的理想控制策略[8]

2. 考虑路面激励的单轮前起落架摆振模型

图1是一个单轮前起落架结构示意图。其中, e eff 代表等效稳定距, ϕ 代表前倾角, V 代表跑道速度。前起落架滑行方向定义为坐标轴 X 轴,竖直向上为 Z 轴,侧向即水平向定义为 Y 轴。

考虑到扭转和侧向运动以及它们通过弹性轮胎的耦合,起落架模型的方程可以写成以下形式:

侧向动力平衡方程:

I x α ¨ + M K α + M D α + M λ α F z e eff sin( ψ )I V R θ ˙ =0 (1)

扭转动力平衡方程:

I Z θ ¨ + M K θ + M D θ + M F 1 + M D λ F z sin( ϕ ) e eff sin( ψ )+I V R α ˙ =0 (2)

轮胎的约束方程:

λ ˙ + V L λVsin( ψ ) l g α ˙ cos( α )( e eff h )cos( ψ ) θ ˙ cos( ϕ )=0 (3)

其中 M K α M D α M λ α 分别是支柱刚度抵抗侧向运动产生的力矩、支柱阻尼特性抵抗侧向运动所产生的力矩、轮胎横向变形产生的力的结果:

M K α = K α α (4)

M D α = C α α ˙ (5)

M λ α = l g F K λ cos( ψ )cos( ϕ ) (6)

式中 K α 是支柱相对于绕X轴旋转的弯曲刚度, C α 是支柱侧向摆动的阻尼系数, F K λ 是轮胎变形产生的横向恢复力, F K λ 公式由下式给出:

F K λ = K λ tan 1 ( 7.0tan( δ ) )cos( 0.95 tan 1 ( 7.0tan( δ ) ) ) F Z (7)

滑移角 δ 与侧向变形 λ 通过 δ= tan 1 ( λ/L ) 相关联。

Figure 1. Schematic diagram of single-wheel nose landing gear structure

1. 单轮前起落架结构示意图

M K θ M D θ M F 1 M D λ 分别是支柱扭转刚度产生的力矩、支柱扭转阻尼产生的力矩、由于轮胎恢复力 F K λ 和自回正力矩 M K δ 产生的组合力矩以及由于轮胎胎面阻尼产生的力矩:

M K θ = K θ θ (8)

M D θ = C θ θ ˙ (9)

M F 1 = M K δ + e eff F K λ (10)

M K δ ={ K δ δ m π sin( δ π δ m ) F Z , if| δ | δ m 0, if| δ | δ m (11)

M D λ = C λ θ ˙ cos( ϕ ) V (12)

其中 K θ C θ 分别是支柱的扭转刚度和阻尼系数, K δ K λ 分别为轮胎的扭转刚度和侧向刚度, C λ 表达的是轮胎的侧向阻尼系数。

各项力矩表达式中所涉及的参数及其取值如表1所示,该参数来源于某大型客机的前起落架数据。

Table 1. Parameters and values of single-wheel front landing gear shimmy vibration model

1. 单轮前起落架摆振模型参数及取值

参数

定义

取值

单位

I Z

前起落架扭转转动惯量

100

Kg∙m2

I X

前起落架侧弯转动惯量

600

Kg∙m2

e

稳定矩

0.12

m

l g

起落架高度

2.5

m

K θ

支柱扭转刚度

3.8e5

N∙m∙s/rad

C θ

支柱扭转阻尼

300

N∙m∙s/rad

K α

支柱侧弯刚度

6.1e6

N∙m∙s/rad

C α

支柱侧弯阻尼

300

N∙m∙s/rad

ϕ

前倾角

0.1571

rad

R

轮胎半径

0.362

m

h

轮胎接地长度

0.1

m

C λ

弹性轮胎阻尼系数

570

N∙m2∙s/rad

K δ

弹性轮胎的自定位系数

1

m/rad

K λ

弹性轮胎恢复系数

0.002

Rad1

I

轮胎转动惯量

0.8

Kg∙m2

L

轮胎松弛长度

0.3

m

δ m

最大滑移角

0.1745

rad

F Z

垂直载荷

30~700

KN

V

滑跑速度

10~180

m/s

飞机跑道的路面激励使用路面功率谱密度描述其统计特性,其不平度PSD模型满足幂函数形式的拟合关系,表达式如下:

ρ( n )= G 0 ( n 0 ) ( n n 0 ) W ( n min <n< n max ) (13)

式中, ρ( n ) 表示的是路面位移功率谱密度; n 是空间频率, n 0 是参考的空间频率, W 是频率指数,一般情况下取2;而 n max n min 代表了空间频率的上限和下限,通常取2.83和0.011。轮胎受路面激励时域数学模型可用式表示[9]

x ˙ g +2π f 0 x g =2π ρv ω( t ) (14)

式中 ω( t ) 被表示为单位高斯白噪声, ρ( f ) 指的是路面垂直位移时间功率谱, f 0 为下截止频率,取值为0.0682 Hz。

路面功率谱密度根据GB 7031《车辆振动输入——路面不平度表示》标准,可以分为8级[10]。其中A、B、C三个等级能覆盖大多数机场跑道的实际平整度范围,本文选取GB 7031标准中的B级路面作为滑跑激励源,其不平度系数为64 × 106 m3

由轮胎变形产生的横向恢复力 F K λ 公式可推断出路面激励对起落架产生的横向力:

F K L =23.31 K λ C g x ˙ g λ (15)

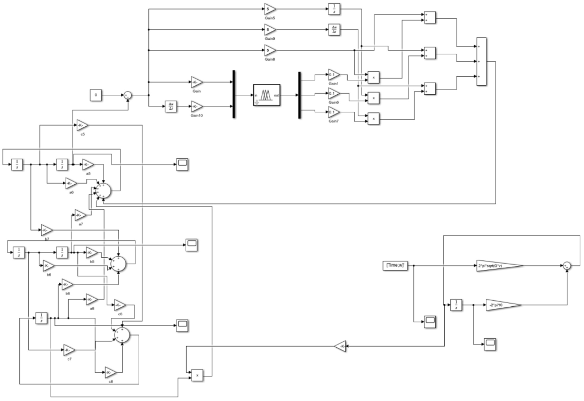
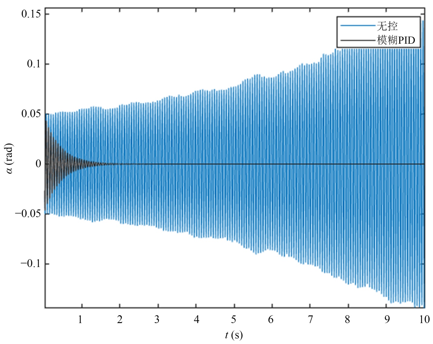
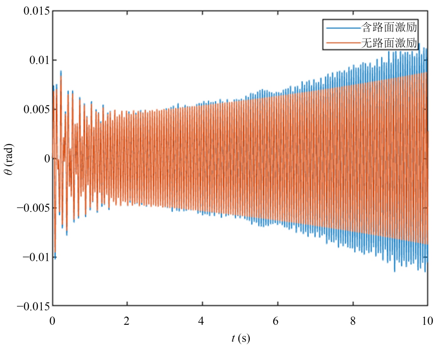
起落架的临界摆振速度通过计算系统状态矩阵的特征值可求得,当起落架的垂直载荷为120 KN时,该起落架的临界速度为96.32 m/s。令该起落架处于120 m/s的高速滑跑条件下,该速度大于系统的临界摆振速度,得到带路面激励的摆振时域图如下:

(a)

(b)

(c)

Figure 2. Time-domain comparison diagram of the system with and without road surface excitation: (a) Time-domain comparison diagram of α with and without a road excitation system; (b) Time-domain comparison diagram of θ with and without a road excitation system; (c) Time-domain comparison diagram of λ with and without a road excitation system

2. 系统有无路面激励时域对比图:(a) α 有无路面激励系统时域对比图;(b) θ 有无路面激励系统时域对比图;(c) λ 有无路面激励系统时域对比图

图2可以明显看出,蓝色曲线(对应有路面激励工况)表现出振幅较大的持续振荡;对比橙色曲线(对应无路面激励工况),蓝色曲线有更明显的幅值波动,且发散趋势更加迅速,符合了随机路面激励的不平整性。

3. 模糊PID控制器设计

3.1. 含ARID系统模型

在前起落架支柱上装上ARID装置,大致安装图如图3所示,主要抑制前起落架的侧向摆动,加入ARID的方程组如下:

Figure 3. Installation diagram of ARID

3. ARID安装图

侧向动力平衡方程:

I x α ¨ + M K α + M D α + M λ α F z e eff sin( ψ )I V R θ ˙ = M road + M ARID (16)

式中 M ARID 是主动减摆器ARID的控制力矩。

扭转动力平衡方程:

I Z θ ¨ + M K θ + M D θ + M F 1 + M D λ F z sin( ϕ ) e eff sin( ψ )+I V R α ˙ =0 (17)

轮胎的约束方程:

λ ˙ + V L λVsin( ψ ) l g α ˙ cos( α )( e eff h )cos( ψ ) θ ˙ cos( ϕ )=0 (18)

ARID作动器力矩平衡方程:

J A φ ¨ + K A ( φα )= C A ( φ ˙ α ˙ )+ M ARID (19)

3.2. 模糊规则设定

将误差 e 及误差变化率 ec 作为模糊控制器的输入,通过模糊规则库的推理,输出PID三个参数的实施修正量。模糊规则库是这样选取的:

对于比例增益 K P ,其主要作用是加快响应速度,提高系统调节精度。当误差较大时,无论误差变化趋势如何,都应增大 K P 以迅速减少误差;当误差较小时,应减小 K P 以避免超调;当误差为负且变化率为正(趋于零)时,应适当减小 K P 以防止反向超调。

对于积分增益 K I ,其主要作用是消除静差。当误差较大时,应限制积分作用(减小 K I )以防止积分饱和;当误差较小时,应增强积分作用(增大 K I )以最终消除静差。

而对于微分增益 K D ,其主要作用是抑制超调,改善系统稳定性。当误差变化率较大时,应增大 K D 以抑制变化趋势;当误差变化率较小时,应减小 K D 以减少系统对噪声的敏感度。表2~4是三个参数对应的模糊规则表:

Table 2. Fuzzy rule control table for K P

2. K P 模糊规则控制表

ec

e

NB

NM

NS

ZO

PS

PM

PB

NB

PB

PB

PB

PM

PS

ZO

ZO

NM

PB

PB

PB

PM

PS

ZO

NS

NS

PM

PM

PM

PS

ZO

NS

NS

ZO

PM

PM

PS

ZO

NS

NM

NM

PS

PS

ZO

NS

NS

NM

NM

NM

PM

ZO

ZO

NS

NM

NB

NB

NB

PB

ZO

NS

NS

NM

NB

NB

NB

Table 3. Fuzzy rule control table for K I

3. K I 模糊规则控制表

ec

e

NB

NM

NS

ZO

PS

PM

PB

NB

NB

NB

NB

NM

NS

ZO

ZO

NM

NB

NB

NM

NM

NS

ZO

ZO

NS

NB

NM

NM

NS

ZO

PS

PS

ZO

NM

NM

NS

ZO

PS

PM

PM

PS

NS

ZO

PS

PS

PM

PB

PB

PM

ZO

ZO

PS

PM

PM

PB

PB

PB

ZO

PS

PM

PM

PB

PB

PB

Table 4. Fuzzy rule control table for K D

4. K D 模糊规则控制表

ec

e

NB

NM

NS

ZO

PS

PM

PB

NB

PS

NS

NB

NB

NB

NM

PS

NM

PS

NS

NB

NM

NM

NS

ZO

NS

ZO

NS

NM

NM

NS

NS

ZO

ZO

ZO

NS

NS

NS

NS

NS

ZO

PS

ZO

ZO

ZO

ZO

ZO

ZO

ZO

PM

PB

PS

PS

PS

PS

PS

PB

PB

PB

PM

PM

PM

PS

PS

PB

模糊PID控制算法实现流程图如图4所示:

Figure 4. Flowchart of fuzzy PID control algorithm implementation

4. 模糊PID控制算法实现流程图

3.3. 仿真结果分析

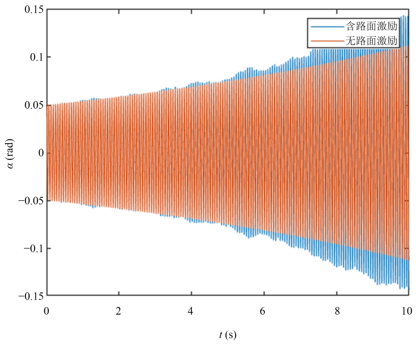
对于系统发散时的情况,在matlab/simulink中对带ARID减摆器的系统进行仿真,初始条件设置为一个微小的侧向摆角扰动( α 0 =0.05, θ 0 =0, λ 0 =0.001 ),仿真框图(见图5)及仿真结果如下:

图6可以看出,前起落架模型在未加入ARID装置时系统的 α θ λ 都处于发散状态,而加入ARID装置并采用模糊PID控制算法之后,处于发散的系统在 α θ λ 上始终保持稳定的小幅振荡,既没有出现发散趋势,也未产生持续的高频波动。这一结果清晰表明,在系统趋于发散的临界工况下,也能维持系统稳定,充分体现了其在强扰动、时变工况下的控制优势。

Figure 5. Model simulation diagram

5. 模型仿真图

(a)

(b)

(c)

Figure 6. Comparison diagram of system with and without control in time domain: (a) Comparison of time domains with and without control in direction α ; (b) Comparison of time domains with and without control in direction θ ; (c) Comparison of time domains with and without control in direction λ

6. 系统有无控制时域对比图:(a) α 有无控制时域对比图;(b) θ 有无控制时域对比图;(c) λ 有无控制时域对比图

4. 总结

本文对某型飞机的起落架摆振的稳定性问题进行研究,考虑起落架绕支柱轴线的扭转自由度、起落架支柱侧向摆动自由度和轮胎侧向变形,建立了含路面激励的单轮前起落架摆振动力学模型,并对含路面激励的起落架模型进行仿真,之后引入一个名为ARID的摆振控制器,使用模糊PID控制算法,对加入控制器前后的含路面激励起落架摆振系统进行时域的对比分析,得到的主要结论如下:

1) 当飞机处于120 m/s速度滑行时,加入路面激励之后,系统相比未加入路面激励时更加发散,且曲线幅值波动更加明显,发散更迅速,体现了随机路面激励的不平整性;

2) 加入了使用模糊PID控制算法的ARID摆振控制器之后,可以明显看出模糊PID控制算法具有较好的控制效果,在给定起落架初始条件的情况下,原本发生的摆振幅度逐渐减小并在短时间内迅速趋于稳定,且趋于稳定所需的时间很短,这也验证了模糊PID的可行性。

基金项目

国家自然科学基金资助项目(编号:12072140)。

NOTES

*第一作者。

#通讯作者。

参考文献

[1] 刘小川, 刘冲冲, 牟让科. 飞机起落架系统摆振动力学研究进展[J]. 航空学报, 2022, 43(6): 106-121.
[2] Bandaru, S. and Maiti, D.K. (2008) Lateral Stability of a Typical Nose Landing Gear Using Torsional Magneto-Rheological (MR) Damper. 2008 Annual IEEE India Conference, Kanpur, 11-13 December 2008, 553-558. [Google Scholar] [CrossRef
[3] 李莹, 王博, 祝世兴. 起落架磁流变减摆器模糊PID控制算法的研究[J]. 计算机测量与控制, 2016, 24(2): 80-83.
[4] 陈大伟, 顾宏斌, 吴东苏. 基于磁流变阻尼器的起落架摆振半主动控制[J]. 中国机械工程, 2010, 21(12): 1401-1405.
[5] 陈龙, 汪若尘, 江浩斌, 周立开, 汪少华. 含时滞半主动悬架及其控制系统[J]. 机械工程学报, 2006(1): 130-133.
[6] 张春巍, 王昊. 主动转动惯量驱动系统用于悬吊结构摆振控制的方法研究(Ⅰ): 理论建模和试验验证[J]. 振动工程学, 2021, 34(1): 20-28.
[7] Yang, M., Liu, S., Shu, X. and Chen, J. (2026) Research on Fuzzy PID-Based Adaptive Control Method for Fire-Induced Smoke in Highway Tunnels. In: Wu, M.J., et al., Eds., Leading the Way Forward, CRC Press, 759-766. [Google Scholar] [CrossRef
[8] Michael, O., Benjamin, A. and Edewor, E. (2026) Performance Analysis of Fuzzy-PID Control for Single-Phase Interior Permanent Magnet Motors. AUIQ Technical Engineering Science, 3, Article No. 5. [Google Scholar] [CrossRef
[9] 喻凡, 林逸. 汽车系统动力学[M]. 北京: 机械工业出版社, 2005.
[10] 赵济海, 王哲人, 关朝雳. 路面不平度的测量分析与应用[M]. 北京: 北京理工大学出版社, 2000.