半主动变刚度吸振器设计及减振机理研究
Design and Vibration Reduction Mechanism of a Semi-Active Variable Stiffness Dynamic Vibration Absorber
DOI: 10.12677/ijm.2026.151012, PDF, HTML, XML,    国家自然科学基金支持
作者: 句镇源*, 赵艳影#:南昌航空大学航空宇航学院,江西 南昌
关键词: 动力吸振器变刚度减振自适应Dynamic Vibration Absorber Variable Stiffness Vibration Damping Adaptive
摘要: 传统吸振器的参数固定,在多频段振动环境中吸振效果不佳。为此,文章提出了一种半主动变刚度吸振器,通过调节变刚度弹簧的有效圈数来改变吸振器的刚度和固有频率,并对该变刚度机构进行了理论验证。进一步提出了一种自适应控制算法,通过识别外部激励频率,调节吸振器在该频率下的刚度,使其达到最优。最后,利用数值仿真法,对传统吸振器和半主动吸振器的减振效果进行对比分析,从理论上验证了半主动吸振器减振性能的可行性。
Abstract: The parameters of traditional vibration absorbers are fixed, resulting in poor vibration absorption performance in multi-frequency vibration environments. Therefore, this paper proposes a semi-active variable-stiffness vibration absorber, which changes the stiffness and natural frequency of the absorber by adjusting the effective turns of the variable-stiffness spring. The variable-stiffness mechanism is validated through theoretical analysis. An adaptive control algorithm is proposed, which adjusts the absorber’s stiffness at the identified external excitation frequency to achieve optimal performance. Finally, numerical simulations are used to compare the vibration reduction effects of traditional absorbers and semi-active absorbers, theoretically verifying the feasibility of the semi-active absorber.
文章引用:句镇源, 赵艳影. 半主动变刚度吸振器设计及减振机理研究[J]. 力学研究, 2026, 15(1): 114-123. https://doi.org/10.12677/ijm.2026.151012

1. 引言

动力吸振器最早由Frahm提出,该装置的基本原理是在主系统上引入质量–弹簧系统,该子系统随主结构振动,并通过反作用力抑制主系统的振动[1]。传统动力吸振器在调谐状态下对主系统的振动抑制效果显著,但其有效工作频带较窄,且对环境或系统参数变化的鲁棒性较差。为改善这些不足,学者们提出了变参数吸振技术。该技术通过实时调节吸振器的结构参数(如刚度或质量),使其固有频率能够动态调整,从而拓宽吸振带宽,更好地适应频率变化的振动工况[2]

半主动变刚度技术通过调节刚度来改变吸振器的固有频率,从而实现减振和拓宽频带的效果。Nagaya设计出一种悬臂梁变刚度结构,通过改变悬臂梁长度调整其固有频率[3]。王梁坤等[4]采用变质量TMD,通过改变吸振器的质量来调节固有频率。尤佳欣[5]提出了一种电磁变刚度机构,实现了动力吸振器的宽频控制。

振动频率的变化和识别是振动控制领域中的关键问题[6] [7]。Michael等[8]提出了一种追踪算法,用于实时跟踪吸振器固有频率。近年来,模糊控制、神经网络等智能算法被引入振动控制领域[9] [10]。孙吉超基于模糊控制原理,设计了一种变质量的动力吸振器控制策略,实现了吸振器质量的快速稳定调节,提高了系统的鲁棒性[11]

本文提出一种弹簧变刚度动力吸振器,通过弹簧变刚度机构改变吸振器固有频率,建立了半主动控制算法:通过识别外界激励频率,来调节吸振器的刚度。最后利用仿真验证了半主动动力吸振器的振动控制效果。

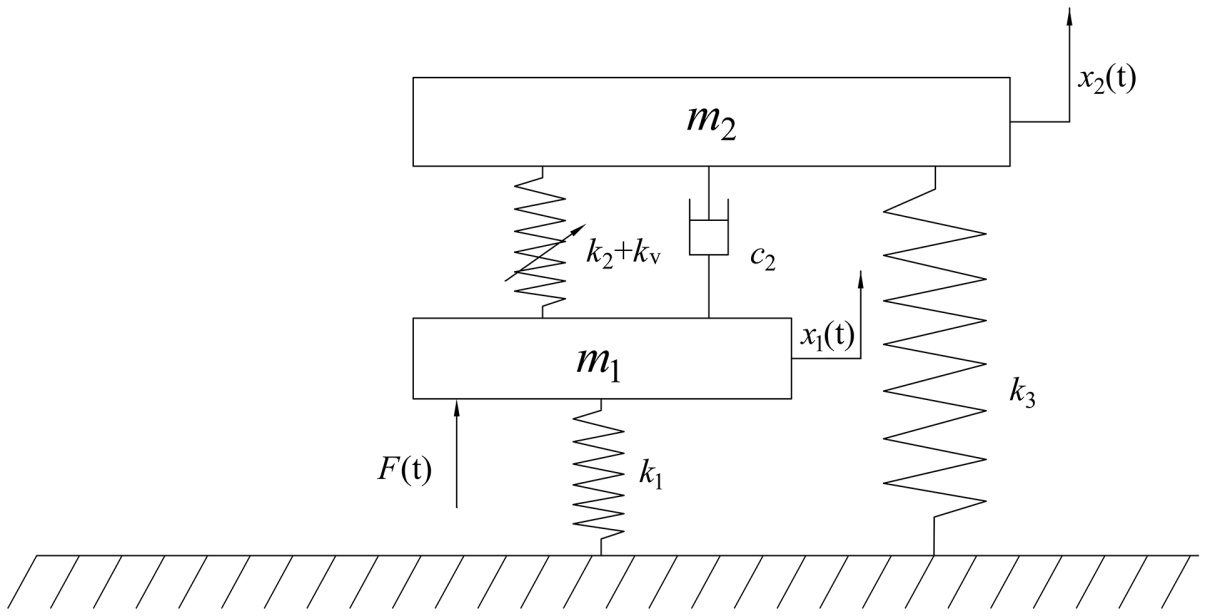
2. 动力吸振器模型建立

Figure 1. Dynamic vibration absorber model

1. 动力吸振器模型

图1是动力吸振器的模型图。其中, m 1 m 2 分别为主系统和吸振器的质量; c 1 c 2 分别为主系统和吸振器的阻尼; k 1 k 2 分别为主系统和吸振器的刚度; k v 为弹簧变刚度; k 3 为接地负刚度; F( t ) 为主系统的外激励频率。

{ m 1 x ¨ 1 + k 1 x 1 +( k 2 + k v )( x 1 x 2 )+ c 2 ( x ˙ 1 x ˙ 2 )=F( t ) m 2 x ¨ 2 +( k 2 + k v )( x 2 x 1 )+ k 3 x 2 + c 2 ( x ˙ 2 x ˙ 1 )=0 (1)

令简谐激励 F= F 0 cosωt

将公式(1)写成矩阵的形式:

[ m 1 0 0 m 2 ][ x ¨ 1 x ¨ 2 ]+[ c 2 c 2 c 2 c 2 ][ x ˙ 1 x ˙ 2 ]+[ k 1 +( k 2 + k v ) ( k 2 + k v ) ( k 2 + k v ) k+( k 2 + k v ) ][ x 1 x 2 ]=[ F 0 ] (2)

x 1 = X 1 e jωt , x 2 = X 2 e jωt ,代入公式(2)得:

[ k 1 +( k 2 + k v ) m 1 ω 2 + c 2 jω ( k 2 + k v ) c 2 jω ( k 2 + k v ) c 2 jω ( k 2 + k v )+ k 3 m 2 ω 2 + c 2 jω ][ x 1 x 2 ]=[ F 0 ] (3)

求解矩阵(3)得:

[ X 1 X 2 ]=F[ ( k 3 + k 2 + k v m 2 ω 2 ) 2 + c 2 2 ω 2 Δ ( k 2 + k v ) 2 + c 2 2 ω 2 Δ ] (4)

Δ= ω 2 ( c 2 [ k 3 + k 1 ω 2 ( m 1 + m 2 ) ] ) 2 +( k 3 ( k 2 + k v )+ k 1 ( k 3 + k 2 + k v ) + m 1 m 2 ω 4 ω 2 [ m 2 ( k 2 + k v + k 1 )+ m 1 ( k 2 + k v + k 3 ) ] ) 2 (5)

根据公式(5),通过MATLB仿真可以得到主系统的幅频响应曲线,如图2所示。

(a)

(b)

Figure 2. (a) Amplitude-frequency curve of the main system; (b) 3D plot of the main system’s amplitude-frequency curve

2. (a) 主系统幅频曲线;(b) 主系统幅频曲线三维图

根据图2(a)图2(b)所示,动力吸振器的最佳工作频率为5.3 Hz~7 Hz。当吸振器刚度 k v 发生变化时,主系统第一共振峰和第二共振峰向右偏移,且第一共振峰幅值增大,第二共振峰幅值减小。此外,主系统的反共振峰和吸振器的工作频率也会向右偏移,拓宽了吸振器的工作频带。

由吸振器模型可知,当引入变刚度 k v 时,可以改变吸振器的固有频率和主系统的振幅。因此,当外界激励频率发生变化时,通过调节变刚度机构 k v 的值可在一定频带内减小主系统的振幅,实现减振效果。若此时忽略吸振器的阻尼 c 2 ,则满足公式:

ω= ω 2 = k 2 + k v m 2 =0 (6)

根据公式(6), ω 为外激励频率, ω 2 为动力吸振器的固有频率。当外界激励频率与吸振器固有频率相同并且达到稳态响应时,吸振器会发生共振,此时主系统的位移最小。

3. 变刚度机构

本文采用机械变刚度的动力吸振器,结构示意图如图3所示。其由两个节距相同的弹簧和刚性旋转件组成,刚性旋转件将内弹簧与外弹簧分成上下两部分,其中内弹簧的下半部分与外弹簧的下半部分并联,内弹簧的上半部分通过刚性旋转件与并联部分串联。弹簧变刚度机构由整支内弹簧与外弹簧下半部分决定,外弹簧的上半部分不参与刚度调节。

通过旋转刚性旋转件可以调节内弹簧和外弹簧的有效圈数,改变串联部分刚度 K 1 与并联部分的刚度 K 2 ,从而实现吸振器整体刚度的调节。

根据图3,弹簧变刚度机构的刚度可表示为:

K= K 1 K 2 K 1 + K 2 (7)

螺旋弹簧的物理参数与刚度的关系为:

k= D 4 8 d 3 N G (8)

其中 D 为弹簧螺旋线的直径, d 为螺旋弹簧的中径, N 为螺旋弹簧的有效圈数。

Figure 3. Variable stiffness spring structure diagram

3. 变刚度弹簧结构图

将式(7)与式(8)联立求解,可得变刚度弹簧机构的等效刚度表达式为:

K( N 0 )= ( D out 4 G 8 d out 3 N 0 + D in 4 G 8 d in 3 N 0 ) D in 4 G 8 d in 3 ( N N 0 ) D out 4 G 8 d out 3 N 0 + D in 4 G 8 d in 3 N 0 + D in 4 G 8 d in 3 ( N N 0 ) (9)

D out D in 为内外两个弹簧螺旋线的线径, d in d out 为内外两个弹簧的中径。螺旋弹簧的总圈数为 N ,内外两个螺旋弹簧并联部分的有效圈数为 N 0

图4为MATLAB仿真计算的旋转件圈数 N 0 与刚度 K 的值。从图中可以看出,随着旋转件圈数的增加,变刚度弹簧的刚度呈上升趋势。

通过改变刚性旋转件的圈数,可以调节变刚度弹簧的有效圈数 N 0 ,因此刚性旋转件旋转角度与刚度的变化有关。变刚度机构中旋转件的旋转路径与螺纹传动类似。几何关系如图5所示,其中 r 为外弹簧的平均半径, r= d out /2 a 为螺旋弹簧的升角; θ 为变刚度机构刚性旋转件旋转的角度; p 为螺旋弹簧的节距。根据图5关系可得:

tana= p 2πr (10)

同理,变刚度机构旋转件旋转一圈,沿弹簧轴向运动的距离等于弹簧的节距 p 。变刚度旋转件的圈数与角度的关系为:

N 0 = θ 2π (11)

公式(9)~(11)联立得:

K( N 0 )= ( D out 4 G 8 d out 3 θ + D in 4 G 8 d in 3 θ ) D in 4 G 8 d in 3 ( 2πNθ ) D out 4 G 8 d out 3 θ + D in 4 G 8 d in 3 θ + D in 4 G 8 d in 3 ( 2πNθ ) (12)

由上式可知刚度 K θ 的对应关系,从而通过刚性旋转件得出旋转角度,反求刚度 K

Figure 4. Relationship between stiffness and effective number of cycles

4. 刚度与有效圈数的关系

Figure 5. Movement relationship between rigid rotating component and helical spring

5. 刚性旋转件与螺旋弹簧的运动关系

4. 变刚度吸振器自适应调控策略

4.1. 自适应控制算法研究

前文已完成变刚度吸振器的结构参数设计,本节将提出一种自适应调控策略。该策略的核心原理是令吸振器的固有频率等于外界激励频率,使得吸振器发生共振以减小主系统的振幅,从而适应外界激励的单频突出扰动的变化。

前文分析可知,可以通过调节变刚度机构螺旋弹簧的有效圈数,来改变吸振器的总刚度,进而改变吸振器的固有频率,减小主结构的振幅。

变刚度吸振器的控制规则如下:

{ ω= ω 2 K( θ )+ K 2 = m 2 ω 2 (13)

自适应调控策略整个过程可以描述为:当主结构受外界激励振动时,通过识别外界激励的频率,使吸振器的固有频率与外界激励相同。具体方案如下:

1) 采集外界频率,通过频率识别算法得到外界激励频率 ω

2) 当吸振器总刚度 K m 2 ω 2 ,根据上式的控制算法计算吸振器的最优刚度,再通过式(12)获得对应的角度值 θ ,进而确定当前位置变刚度机构旋转件位置角度 θ 1 的改变量 θ 2 ,然后控制旋转件旋转到对应位置。

3) 当吸振器总刚度 K= m 2 ω 2 ,吸振器刚度不发生改变。

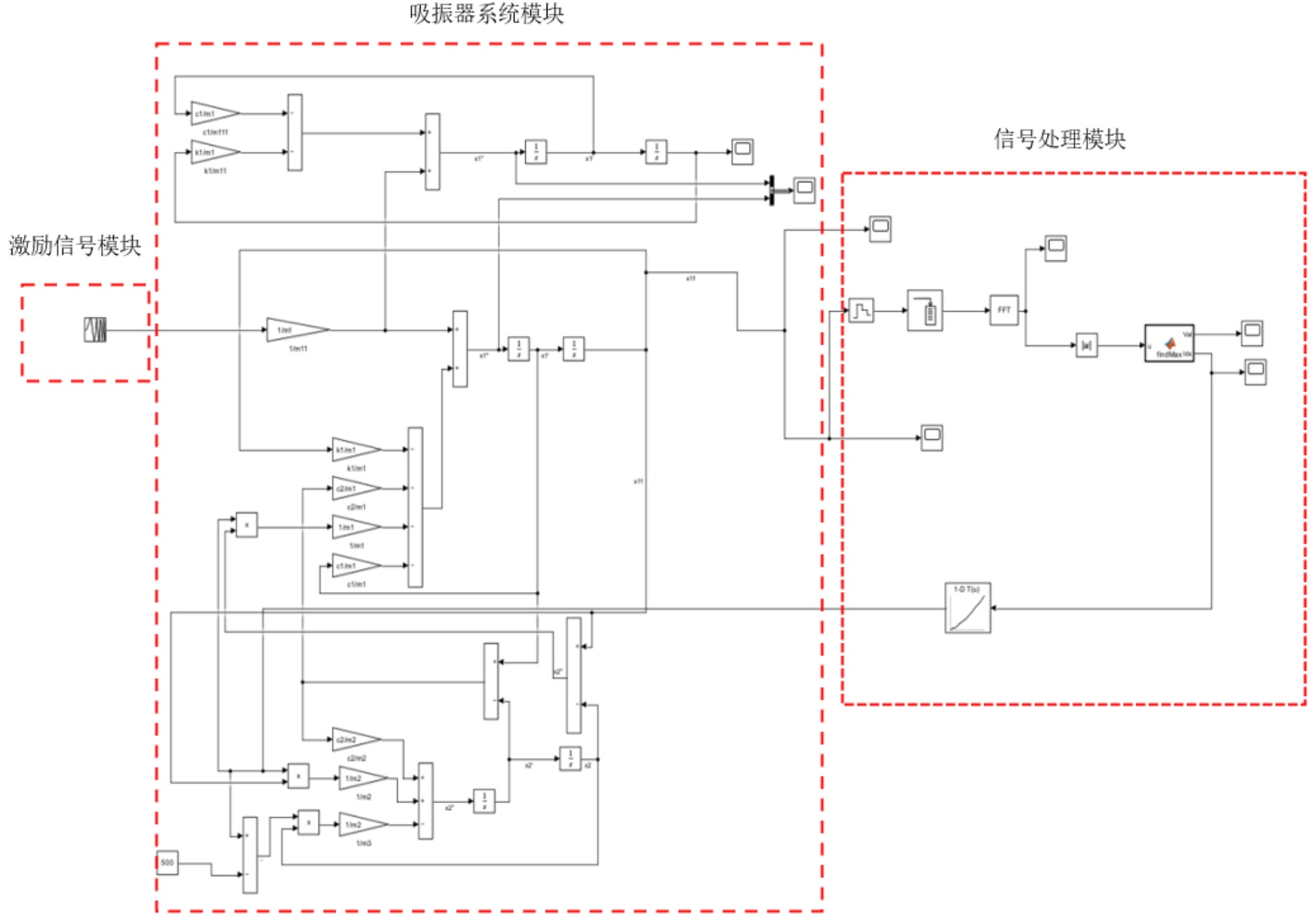
为验证系统的准确性,本节在设计的控制算法基础上,对接地负刚度模型进行仿真。利用MATLAB的Simulink搭建系统模型,引入激励模块与信号处理模块,实现变刚度仿真。考虑到实验中采用加速度传感器进行测量,因此采用加速度信号作为仿真模型的输出信号。激励模块用于模拟系统的外激励,并可根据需要改变激励的形式;信号处理模块对输出信号进行采集和处理,并对加速度信号进行频率识别,进而根据识别的频率对吸振器刚度做出相应的调节。吸振器模型参数见表1

Table 1. Vibration absorber model parameters

1. 吸振器模型参数

吸振器参数

数值

单位

质量 m 1 , m 2

5/0.5

Kg

阻尼 c 2

5

N

刚度 k 1 , k 2 , k 3

6000/550/100

N/m

4.2. 控制系统仿真建模及分析

通过公式(1),可以得到加速度 x ¨ 1 x ¨ 2 的表达式:

{ x ¨ 1 = 1 m 1 [ c 2 x ˙ 1 + c 2 x ˙ 2 ( k 1 + k 2 + k v ) x 1 +( k 2 + k v ) x 2 + F 0 cosωt ] x ¨ 2 = 1 m 2 ( c 2 x ˙ 1 c 2 x ˙ 2 +( k 2 + k v )( x 2 x 1 )k x 2 ) (14)

根据公式(14)建立Simulink仿真模型的整体框图,如图6所示:

Figure 6. Simulation diagram of the adaptive vibration absorber system

6. 自适应吸振器系统仿真图

根据表1的参数对系统模型进行仿真,由于现实中 c 1 0 ,令 c 1 = c 2 ,在不引入控制算法时对吸振器模型进行扫频处理,设置激励信号为1~30 Hz,采样率为1000 Hz。扫频60 s得到的仿真结果如图7所示,图中蓝色线表示未安装吸振器时的扫频时域图,橙色线为安装吸振器时的时域图。从图中可看出,加入吸振器后,蓝色线振幅最大时对应主系统的固有频率约为6 Hz。在共振频率下,安装吸振器时主系统的位移幅值明显减小。

Figure 7. Time-domain diagram of the main system sweep

7. 主系统扫频时域图

图8为被动吸振器定频的时域图,采样时间60 s,采样率为1000 Hz,激励信号幅值为1,频率为6 Hz的正弦信号;图中蓝色为带有吸振器的位移幅值,橙色为未安装吸振器的位移幅值。由图可知,带有吸振器时,主系统的幅值降低了20%。

Figure 8. Time-domain diagram of the main system at fixed frequency

8. 主系统定频时域图

根据自适应控制流程图,设置输入激励频率为6 Hz,时间为30 s,前10 s吸振器刚度不发生改变,10 s后根据频率设置对应最优刚度,使得控制效果最佳。30 s后改变外激励频率为7 Hz,继续调节吸振器刚度。图9为主系统位移时域图,蓝色线和红色线为频率发生变化时主系统的位移幅值。图中10 s后当调节到最优刚度时,主系统的位移幅值最优,30 s后刚度继续发生变化,主系统位移明显减小。

Figure 9. Time-domain diagram of the main system displacement

9. 主系统位移时域图

5. 结论

本文提出了一种弹簧变刚度机构,相比于传统吸振器,其可以改变吸振器的刚度范围。此外,还提出了一种控制算法,对刚度的变化进行控制。研究结果表明:

1) 当吸振器的刚度增大时,第一共振峰的幅值增大,第二共振峰的幅值减小。吸振器的两个共振峰会发生偏移,拓宽了吸振器工作频带。

2) 利用半主动控制算法,通过单频和扫频激励对主系统和吸振器进行仿真。定频时,通过算法得出最优刚度,并与未安装吸振器时和被动吸振器减振效果进行对比。主系统的幅值分别减小了22%和62.5%。当频率发生改变时,刚度继续变化,主系统的幅值也相应减小。

基金项目

国家自然科学基金资助项目(编号12072140)。

NOTES

*第一作者。

#通讯作者。

参考文献

[1] Frahm, H. (1909) Device for Damping Vibration of Bodies. US Pat: 989958.
[2] 赵迪, 毛崎波, 何帆, 等. 中间支撑梁式动力吸振器的设计与实验研究[J]. 噪声与振动控制, 2023, 43(4): 243-247+287.
[3] Sun, X., Yang, B., Zhao, L. and Sun, X. (2016) Optimal Design and Experimental Analyses of a New Micro-Vibration Control Payload-Platform. Journal of Sound and Vibration, 374, 43-60. [Google Scholar] [CrossRef
[4] 王梁坤, 周颖, 施卫星. 半主动调谐质量阻尼器对随机人群荷载振动控制[J]. 同济大学学报(自然科学版), 2024, 52(10): 1483-1491.
[5] 尤佳欣, 王熙, 杨斌堂. 电磁变刚度半主动动力吸振结构的振动控制研究[J]. 噪声与振动控制, 2018, 38(4): 51-55+71.
[6] Zhang, L.J., Zhao, S.D., Hua, C.J., Guo, C.F. and Lei, J. (2008) Investigation on a New Type of Low-Stress Cropping System with Variable Frequency Vibration. The International Journal of Advanced Manufacturing Technology, 36, 288-295. [Google Scholar] [CrossRef
[7] Wan, M., Liang, X., Yang, Y. and Zhang, W. (2020) Suppressing Vibrations in Milling-Trimming Process of the Plate-Like Workpiece by Optimizing the Location of Vibration Absorber. Journal of Materials Processing Technology, 278, Article 116499. [Google Scholar] [CrossRef
[8] Valášek, M., Olgac, N. and Neusser, Z. (2019) Real-Time Tunable Single-Degree of Freedom, Multiple-Frequency Vibration Absorber. Mechanical Systems and Signal Processing, 133, Article 106244. [Google Scholar] [CrossRef
[9] Lin, J. (2005) A Vibration Absorber of Smart Structures Using Adaptive Networks in Hierarchical Fuzzy Control. Journal of Sound and Vibration, 287, 683-705. [Google Scholar] [CrossRef
[10] 薛晓敏, 孙清, 张陵, 等. 基于遗传算法策略的含时滞结构振动主动控制研究[J]. 工程力学, 2011, 28(3): 143-149.
[11] 孙吉超. 基于模糊原理的变质量动力吸振器控制策略研究[D]: [硕士学位论文]. 西安: 长安大学, 2020.