基于Simulink的邮轮变风量空调系统仿真研究与实验验证
Simulation Research and Experimental Verification of Cruise Ship Variable Air Volume Air Conditioning System Based on Simulink
摘要: 文章验证了在特定环境下变风量空调系统(VAV)仿真模型在风管特性研究中的准确性与可靠性。以邮轮住舱区空调系统为研究对象,构建Simulink仿真模型,将实验测量数据与仿真结果对比进行系统验证,重点分析不同风机频率下的风量分配与风管阻力特性。结果表明:风管阻力对风量分配具有显著影响,通过调节风阀开度,可确保风量分配合理,且末端装置风量随频率增加而提升。仿真数据与实测数据的误差控制在±10%以内,表明Simulink仿真模型能够较准确地反映VAV系统的风量分配与阻力特性,验证了其在相关研究中的适用性。该仿真模型可为邮轮空调系统的设计和优化提供理论依据。
Abstract: This paper verifies the accuracy and reliability of the variable air volume (VAV) air conditioning system simulation model in the study of duct characteristics under specific environments. This study takes the air conditioning system of the cruise cabin area as the research object, constructs a Simulink simulation model, compares the experimental measurement data with the simulation results for system verification, and focuses on analyzing the air volume distribution and duct resistance characteristics under different fan frequencies. The results show that the duct resistance has a significant effect on the air volume distribution. By adjusting the air valve opening, the air volume distribution can be ensured to be reasonable, and the air volume of the terminal device increases with the increase of frequency. The error between the simulation data and the measured data is controlled within ±10%, indicating that the Simulink simulation model can accurately reflect the air volume distribution and resistance characteristics of the VAV system, verifying its applicability in related research. This simulation model can provide a theoretical basis for the design and optimization of cruise air conditioning systems.
文章引用:罗正东, 孙宸威. 基于Simulink的邮轮变风量空调系统仿真研究与实验验证[J]. 建模与仿真, 2025, 14(5): 259-271. https://doi.org/10.12677/mos.2025.145391

1. 引言

随着全球旅游业的快速发展和邮轮旅行的日益普及,人们对船舱环境的舒适性需求不断提升。邮轮空调系统作为保障船舱环境舒适的核心设备,不仅需要满足温度、湿度、空气质量等舒适性要求,还需要在长期高负载运行中实现能源的高效利用,以应对全球节能减排的需求。变风量空调系统(Variable Air Volume, VAV) [1]因其在节能和稳定性方面的优越性,广泛应用于邮轮舱室中。

VAV系统能够根据舱室内温度负荷的变化灵活调整风量,降低不必要的能源消耗,是一种符合现代节能需求的空调系统[2]。Zhang [3]等通过基于双线性特性的解耦控制方法,可以更有效地控制VAV空调系统的室内温度和湿度。陈向阳[4]借助于楼宇自控系统(BAS)对装有压力无关型单风道VAV BOX的变风量空调系统的单机风量调试及风管系统平衡调试作了介绍。Kang [5]等研究了变风量系统的最低风速对热舒适性、室内空气质量和能耗的影响,提出了一种控制风量最小值的方法,能够有效降低系统能耗。Pang [6]等人采用EnergyPlus软件对不同控制策略下的VAV系统性能进行模拟,提出了适用于VAV系统的性能评估标准。此外,不少学者提出了不同的VAV风量控制方法,以优化新风量调节过程和末端设备性能。孟庆龙[7]等为避免风机频率调节过程中调节时间长和系统振荡问题提供新思路,为实现较好控制效果的同时能有效地降低风机能耗提供可靠依据。李闻龙[8]介绍了一种新型变风量空调系统控制方法,即总风量法与定静压法结合的方法。李徐嘉[9]等基于某型船用空调系统,对其传统总风量控制技术进行优化,采用一种带补偿修订的变风量系统控制总风量。

现有研究表明,VAV系统控制策略复杂且对传感器精度要求高,但能有效优化空调系统性能,降低不必要的能源消耗[10] [11]。该系统在节能和舒适性方面具有明显优势,但仍然面临诸多挑战。一方面,由于邮轮空调系统的复杂性,不同舱室的风量需求具有显著差异,使得VAV系统在风量分配和管道压力控制上存在优化空间。另一方面,当前研究大多依赖仿真分析,缺乏实验验证,难以准确评估VAV系统在实际邮轮环境中的运行特性。并且邮轮空调系统仿真具有特殊性,需考虑船舶航行中的多变环境条件、复杂空间布局和各区域不同需求。系统集成性强,确保其在不同工况下的舒适性、稳定性和高效性。目前关于VAV系统的研究大多集中在控制策略、系统节能分析和优化[12]以及设备的研发与改进[13]等方面。鲜见对空调系统中风管特性及阻力变化对系统风量平衡影响的研究,尤其是如何通过仿真模型优化邮轮空调系统设计的问题仍待深入探讨,更缺乏实验验证。为填补这一空白,本文依托某研究所搭建的大型邮轮住舱区等比例实验室,模拟实际舱室环境中的变风量风管系统。

2. 实验方法

实验在邮轮等比例的空调系统实验室中进行,实验台的搭建模拟了实际舱室的风管系统。实验系统包含AHU空调机组、风管系统、变风量末端装置等设备。同时,建筑材料和机器设备的选用均与实际邮轮保持一致,以确保真实的实验条件。风管采用具有防腐、防震的圆形螺旋风管和矩形镀锌钢板风管,管路的密封性符合Class B要求。邮轮住舱区的风管系统主要为旧实验室和新实验室一层提供风量,风管的尺寸类型为1000 mm~720 mm主矩形风管和180 mm、160 mm等圆形风管,系统的前段主要由管段长度2.4 m的矩形风管组成,其中包含风量调节阀、弯头、静压箱等部件,送风量为12055 m3/h;系统的后段主要由管段长度1.5 m的圆形风管组成,其中有弯头等部件。

测量仪器和数据监控

本实验采用风速仪、数字压力计和风量罩等设备,测量系统的风量和风压等主要参数,各仪器量程如下表1所示。同时,在舱室内和风管系统内布置了温湿度传感器和风量传感器等传感器设备,实时采集温度和风量等数据,如表2。数据通过PLC监控系统进行收集和监控处理,通过监控室内参数变化来分析风管内的风量分配和阻力特性。

Table 1. Summary of measuring instruments

1. 测量仪表汇总表

测量仪器名称型号

测量参数

测试项目

精度

单位

TSI9565

风量

舱室风量

±5

m3/h

静压

舱室风压

±1

Pa

Testo417

风量

舱室风量

±0.1

m3/h

温湿度传感器

温度

送风温度、舱室空调温度

±0.5

Table 2. Summary of sensor models

2. 传感器型号汇总表

名称

测点位置

型号

量程

精度

温湿度传感器

舱室房间新风模拟装置

E + E160

0~50℃

±0.25

0~100% RH

±1% RH

毕托管测量装置

送、排风管内

Setra268

0~500 Pa

±0.5%

3. 仿真模型

本研究通过Simulink平台,基于邮轮住舱区的空调系统,构建了一个风管系统的仿真模型,用于分析不同风机频率和风管阻力条件下的风量分配及系统特性。仿真模型结合实际建筑和设备参数,模拟了风管内的气流分布及阻力特性,提供了邮轮空调系统的设计和优化依据。通过调节系统的风速、温度、压力等关键参数,模拟了不同条件下系统的运行性能。

3.1. 风管模型

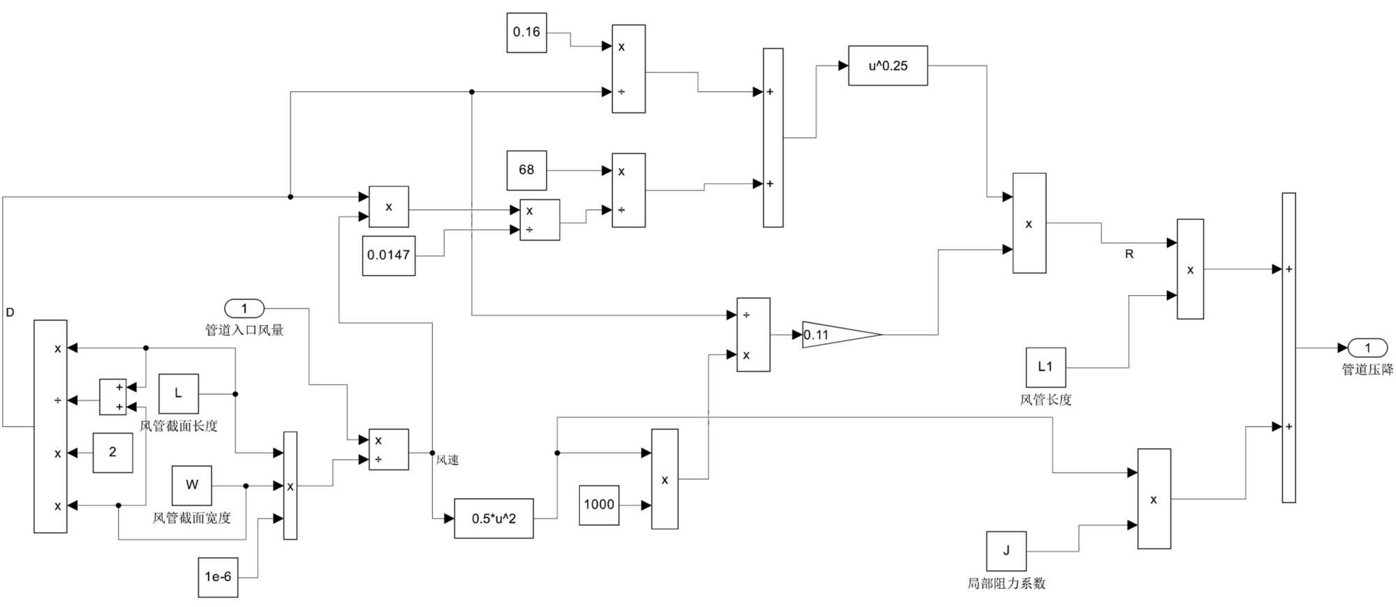
研究选用了一台转轮热回收的AHU机组模拟邮轮上乘客居住的客舱,选择符合美观设计的螺旋风管,利用仿真模拟定量分析风管阻力特性对邮轮空调系统风量的影响。将仿真系统中风管的布置简化为如图1的形式:

Figure 1. Simplified diagram of the duct system model

1. 风管系统模型简化图

沿程阻力的计算基于空气与管道内壁的摩擦阻力,沿程阻力计算公式为:

Δ P m = λ D ν 2 ρ 2 l (3)

式中 Δ P m 为沿程阻力, λ 为沿程阻力系数, D 为管径, ν 为管内空气平均流速, ρ 为空气密度, l 为风管长度。

摩擦阻力系数则通过雷诺数和管壁粗糙系数计算。按下面公式计算:

1 λ =2lg( K 3.7D + 2.51 Re λ ) (4)

式中K为管壁粗糙系数,D为管径,其中雷诺数Re可按照下面公式计算:

Re= νD μ (5)

式中 μ 为空气的运动粘度。

局部阻力,计算公式为:

Z=ζ ρ ν 2 2 i (6)

式中Z为局部阻力, ζ 为局部阻力系数。

局部阻力系数 ζ 查阅相关书籍[14] [15]的阻力系数表来进行选择计算,综上所述,空气流经风管的总阻力按式(7)计算:

P=Δ P m +Z (7)

建立风管模型如图2所示:

Figure 2. Simulink duct model

2. Simulink风管模型

风管系统与风机之间存在紧密的耦合关系,风管的阻力特性直接影响风机的运行状态,而风机的风量和风压又决定了风管内的流动特性。因此,在建立风机模型之前,建立以上风管系统模型有助于分析风管的流动特性。

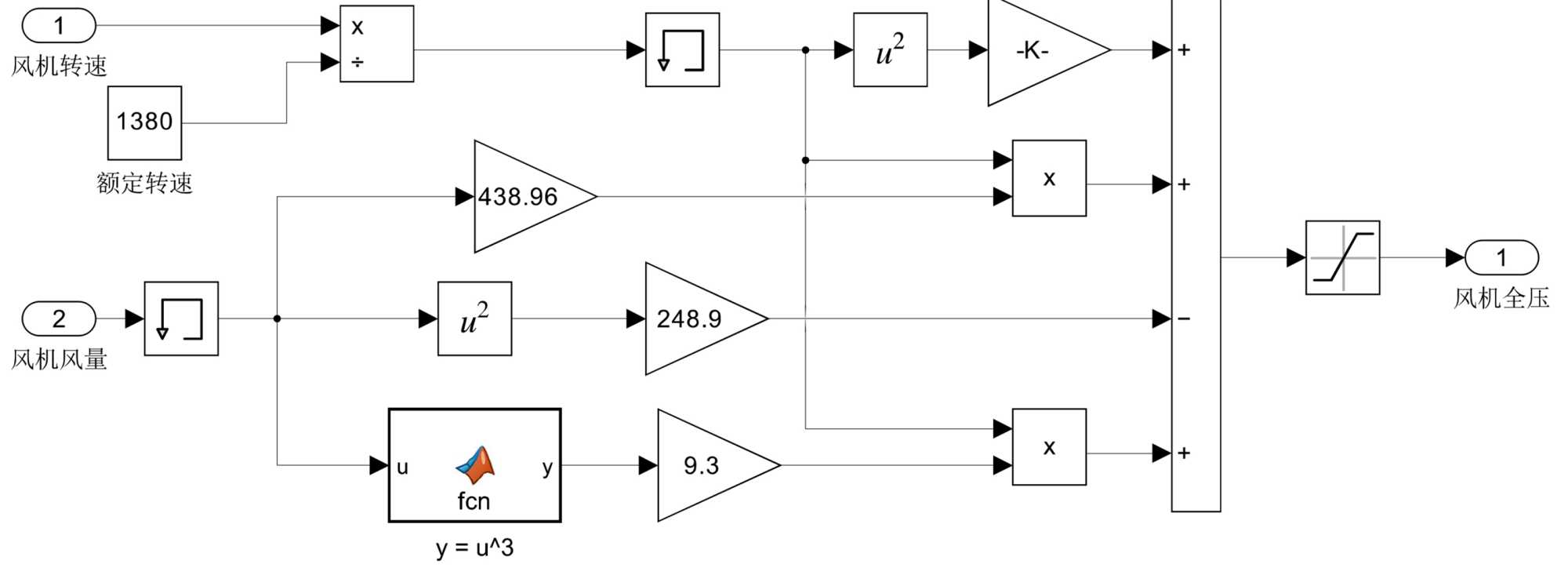
3.2. 风机模型

本研究实验过程中使用的是变频调速风机,仿真过程中假设风机运行过程为理想状态,只建立风机关于流量和风压关系的静态数学模型[16]

在设计工况下,风机的总压头用式(8)表示:

FP= A 0 + A 1 Q+ A 2 Q 2 + A 3 Q 3 (8)

式中FP为风机的总压头,Q为流量(m3/h),A0A1A2A3为分项系数。

为了使建模更具通用性,对实验中不同系统选择的多款风机,需要进行拟合,拟合公式如下[17]

fp= a 0 + a 1 q+ a 2 q 2 + a 3 q 3 (9)

fp= FP F P 0 (10)

q= Q Q 0 (11)

式中 F P 0 为风机额定压头, Q 0 为风机额定流量(m3/h)。

将公式(9)~(11)代入到公式(8),得到:

FP= a 0 F P 0 + a 1 ( F P 0 Q 0 )Q+ a 2 ( F P 0 Q 0 2 ) Q 2 + a 3 ( F P 0 Q 0 3 ) Q 3 (12)

又根据相似公式,对不同运行状态下状态点有以下拟合公式:

Q Q = V V (13)

F P FP = ( V V ) 2 (14)

将公式(13)、(14)代入到公式(12),得到:

F P = a 0 F P 0 ( V V 0 ) 2 + a 1 ( F P 0 Q 0 )( V V ) Q + a 2 ( F P 0 Q 0 2 ) Q 2 + a 3 ( F P 0 Q 0 2 )( V 0 V ) Q 3 (15)

实验中选用的风机,其性能曲线如图3图4所示:

Figure 3. Total pressure and static pressure curve

3. 全压、静压曲线

Figure 4. Internal power and efficiency curve

4. 内功率、效率曲线

实验中选用风机,额定转速为V0 = 1380 rpm,额定总压头FP0 = 3536 Pa,额定流量Q0 = 3.35 m3/s。按照公式(8)~(15)对实验风机进行拟合计算,可以得到:

F P =4372.61 ( V V 0 ) 2 +483.96( V V 0 ) Q 248.9 Q 2 +9.3( V 0 V ) Q 3 (16)

建立的风机模型如图5所示:

Figure 5. Fan model

5. 风机模型

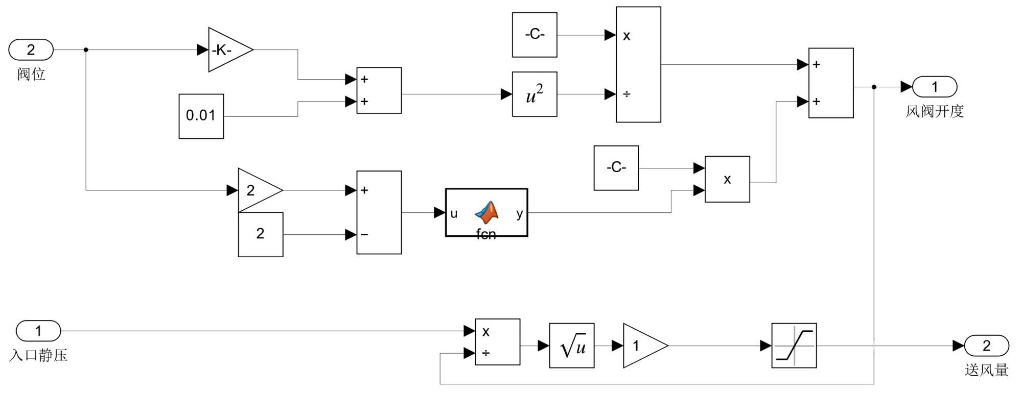
3.3. 变风量末端模型

Figure 6. Variable air volume terminal device model

6. 变风量末端装置模型

在建立风机与风管系统模型后,还需进一步建立变风量末端模型,以分析风量调节对整体气流分布的影响。风机作为系统的驱动源,提供足够的风量以满足各区域的空气需求;风管系统承担风量输送的作用,其阻力特性决定了风机的运行状态和风量分配;而末端系统则直接调节送风量,确保各区域的环境参数达到设定要求。由于末端系统的风量需求具有动态变化特性,因此在研究风机和风管系统的基础上,引入变风量末端模型,以进一步探讨风阀调节对整体系统的反馈作用。

在实验中,采用了压力无关型变风量末端装置。模型中的风阀可以看作是流动阻力系数可变的元件,其阻力系数K的计算表达式如下:

K 1 = W f K 0 [ ( 1λ )C+λ ] 2 +( 1 W f ) K 0 λ ( 2c2 ) (17)

式中K1为风阀不同开度下的流动阻力系数,K0为风阀全开时的流动阻力系数,Wf为风阀特性参数,C为风阀开度, λ 为风阀泄露系数。

末端装置出口风量和出口压力之间关系如公式(18)所表示:

Δ P o = K 1 Q 2 (18)

式中 Δ P o 为末端装置出口压降, Q 为末端装置出口风量(m3/h)。

搭建的变风量末端装置模型如图6所示。

3.4. 参数设置

1) 风管模型参数

在风管系统仿真模型设计中,管段参数模块内分别设定管路的相关参数,风管截面长度0.8 m、风管截面宽度0.5 m、管长15 m、局部阻力系数为2。

2) 风机模型参数

风机的运行频率为0~60 Hz,风机转速与频率近似为倒数关系,因而仿真中设定风机的转速在500 rpm~1450 rpm的范围内,模拟运行频率区间30~52 Hz,风机的额定流量为3.35 m3/s。

4. 实验结果及分析

4.1. 实验结果

4.1.1. 风管阻力

风管的阻力分布会影响气流在系统中的均匀性和稳定性。了解不同风管阻力特性,有助于优化气流分布,避免出现风速过高或过低的区域,确保舒适和高效的通风环境,为实现仿真模型的可靠性奠定了实验基础。

选取住舱区AC空调系统112房间的风管阻力进行对比,计算结果如下表3所示:

Table 3. Comparison of air duct resistance of AC air conditioning system in the cabin area

3. 住舱区AC空调系统风管阻力对比表

112房间

总管段

内容

规格

长度/数量

风量/m3/h

阻力/Pa

风管阻力

300~250

2.9 m

1795.0

150.5

调节阀

300~250

2

1795.0

10.0

消声器出口

300~250

1

1025.0

3.0

第一支管

风管阻力

180

13.4 m

1025.0

263.7

风管弯头阻力

180

2

1025.0

82.2

风管三通阻力

180

1

1025.0

85.8

第二支管

风管阻力

160

2.4 m

252.0

12.5

风管弯头阻力

160

1

252.0

4.7

合计

612.3

实船阻力

641.0

表3列出了风管的尺寸、风量以及设计阻力与实际阻力数据。并结合其他住舱区房间风管阻力数据结果表明,住舱区房间最不利管路风管设计阻力普遍低于实船运行时的实际阻力,同时,并联支管段的阻力不平衡率小于15%,符合空调系统设计规范。根据实验结果可以通过调节风阀开度等方式,优化风管系统的阻力特性,确保风量分配合理,并使各风管支路的实际阻力达到平衡,最终实现与实船运行状态一致的阻力分布。

4.1.2. 风量分配

基于以上实验数据,为了优化风管系统的风量分配,确保系统在实际运行中的阻力平衡与风量分配达到设计要求,可以通过监测定风量阀的前后压差、结合机组的频率和静压设定、调节风阀的开度等手段进行风管校核调试。测量结果如表4表5所示:

Table 4. Fresh air volume measurement table for cabin air conditioning system

4. 住舱空调系统新风量测量表

舱室

新风风量/m3/h

新风定风量阀工作压力范围/Pa

实测定风量阀工作压力/Pa

1101

115

30~300

123.0

1102

115

30~300

183.5

1103

115

30~300

174.0

1104

115

30~300

197.0

1105

75

30~300

274.0

1106

75

30~300

208.1

1109

115

30~300

158.0

1110

115

30~300

90.0

1111

115

30~300

123.5

Table 5. Air volume measurement table of cabin air conditioning system

5. 住舱空调系统送风量测量表

舱室

送风风量/m3/h

实验要求风量范围/m3/h

实测风量/m3/h

1105

500

500 ± 50

493.5

1106

550

550 ± 55

577.2

1109

550

550 ± 55

570.6

1110

500

500 ± 50

511.0

101

110

110 ± 11

106.7

102

150

150 ± 15

150.8

103

80

80 ± 8

79.2

104

75

75 ± 7.5

75.3

105

100

100 ± 10

98.0

106

300

300 ± 30

283.5

107

175

175 ± 17.5

168.6

108

170

170 ± 17

177.4

109

140

140 ± 14

151.9

110

190

190 ± 19

195.5

111

220

220 ± 22

231.1

表4表5展示了空调系统中新风量和送风量的测量数据,验证了系统的风量平衡分配和风管特性。结果表明,大多数舱室的实测风量符合实验要求,系统风量均控制在要求风量的±10%以内,在风量调节上具有较高的精度,新风定风量阀的实测工作压力数据表明,系统能够在不同静压条件下有效调节风量,尤其是在压力无关型变风量末端装置的作用下,系统的风量分配稳定性得到了保证。实验结果为验证Simulink仿真模型的准确性和适用性提供了理论依据。

4.2. 仿真和实验对比

4.2.1. 风机频率、风量对比

图7显示风机在不同运行频率下,实测风量与仿真模拟结果的对比。结果表明,仿真模拟结果与实测结果具有近似一致的变化趋势,即送风量随频率的升高而增大。在实验过程中,由于实测风量受到舱室内负荷及温度的变化影响,数值波动变化,整体高于仿真模拟结果,而仿真结果的曲线变化相对更为平稳,这说明实际系统更容易受到外部环境因素的干扰。当风机运行频率从30 Hz升至52 Hz时,送风量显著增加;在频率调整过程中,实测风量先快速上升后逐渐下降并最终趋于稳定。与此同时,仿真模拟结果因PID调节产生短暂震荡后也逐渐趋于稳定。实测与仿真结果的总体偏差约为5%,验证了仿真模型的可靠性和准确性。

Figure 7. Fan air volume changes at different operating frequencies

7. 不同运行频率下风机风量变化

4.2.2. 风阀开度

选取了vav9、vav10和vav11三个末端装置,分析了其风阀开度随时间动态变化的规律,如图8所示,在初始阶段(0~10 min),vav9和vav10的风阀开度迅速趋于稳定,分别稳定在55%和60%附近,vav11在此阶段内发生明显波动,从初始的40%降至30%左右,并呈现剧烈振荡。在稳定阶段和最终阶段,vav9和vav10均保持相对稳定,开度变化幅度在±3%以内,vav11在稳定阶段出现小幅度波动,在最终阶段风阀开度下降并保持在25%左右。结果表明:不同vav Box的风阀开度并非恒定不变,而是随着时间呈现出动态变化的趋势,以确保风量分配的合理,且不同vav Box的开度变化规律存在差异,其中vav11采用的控制策略对系统变化较为敏感,使其对负载变化的响应更快,因此其风阀开度变化更为频繁。

Figure 8. Changes in the opening of each compartment air valve

8. 各舱室风阀开度变化

上述中vav9表现较稳定,所以选取舱室109与搭建的舱室仿真系统的数据进行对比。如图9所示,在试验初、中期,仿真结果比实测值略高,差值约在2~3 m3/h之间,这可能是因为在此阶段风阀调整尚未达到稳定状态,然而随着试验次数的增多,风阀调节趋于稳定,风量控制更加精准,使得仿真结果和实验结果更接近。结果表明:通过调节风阀开度,可以优化风管系统的阻力特性,确保风量分配合理,仿真结果与实测结果近似保持相同变化趋势。由于109舱室的送风管路在实际安装布置中经过了多个弯头、三通等部件,实际阻力比仿真模型参数设定的大,故实测数据变化趋势呈现平稳但陡然变大的情况,与仿真结果偏差在2%,说明搭建的仿真模型具有一定的实际性。

Figure 9. Comparison of air volume in cabin 109

9. 109舱室风量对比

4.2.3. 末端风量分配

为了验证风管模型的准确性,选取住舱系统的典型舱室进行风量对比研究。实验过程中,通过以下步骤确保测试环境的稳定性和数据的准确性:关闭空调机组和舱室负荷模拟器,将管路上所有风阀保持全开状态,关闭舱室房门以消除外界干扰。通过将空调机组触摸屏调节运行频率(设置为30 Hz、40 Hz和50 Hz),以间接调整风管内的风量分布。利用数据监控采集系统实时记录运行频率、管路压力以及各舱室的风量数据,将实测数据与风管模型的Simulink仿真结果进行对比分析,结果如图10所示:

Figure 10. Changes in air volume of terminal device at different operating frequencies

10. 不同运行频率下末端装置风量变化

图10展示了10台典型变风量装置(VAV)在三种不同运行频率下的实测风量与风管系统仿真模拟数据的对比分析。结果表明,在不同频率下VAV装置的风量仿真结果与实测数据之间的差异较小,表明风管模型的仿真结果与实际测量值基本吻合。然而,当频率从30 Hz提高到50 Hz时,部分末端装置(如vav02、vav03)的风量变化较小,甚至出现频率高、风量小的情况(如vav11),这可能是由于风量控制装置的调节响应限制以及系统动态特性所致。在改变AHU机组送风频率,变风量装置未运行的情况下,仿真数据与实测数据的误差在10%以内,仿真模拟风量分配结果具有一定的准确性,可适配空调系统并为未来的系统优化设计提供参考依据。

5. 结论

本研究通过将Simulink仿真模型与实验数据对比,验证了邮轮变风量空调系统(VAV)风管仿真模型在风量分配与阻力特性研究中的准确性与可靠性。通过对比分析,得出以下关键结论:

1) 风管阻力显著影响风量分配,新风定风量阀的实测工作压力数据表明,系统能够在不同静压条件下有效调节风量,尤其是在压力无关型变风量末端装置的作用下,系统的风量分配稳定性得到了保证。仿真数据与实测数据的误差在10%以内,验证了模型的准确性。通过调节风阀开度,可以优化风管系统的阻力特性,确保风量分配合理。

2) 风量随风机频率的增加而提升,仿真结果与实测数据的偏差保持在5%以内,具有较高的可靠性,验证了此Simulink仿真模型在相关研究中的适用性,为邮轮空调系统的设计和优化提供了理论依据。

NOTES

*通讯作者。

参考文献

[1] 李徐嘉, 高峰. 某型船用变风量空调系统风量控制方法研究[J]. 广东造船, 2021, 40(4): 45-48.
[2] 陈文华, 黄伟稀, 何涛, 等. 船用变风量空调系统解耦技术研究[J]. 舰船科学技术, 2024, 46(2): 42-48.
[3] Zhang, Y., Yan, T., Xu, X., Gao, J. and Huang, G. (2023) Room Temperature and Humidity Decoupling Control of Common Variable Air Volume Air-Conditioning System Based on Bilinear Characteristics. Energy and Built Environment, 4, 354-367.
https://doi.org/10.1016/j.enbenv.2022.02.005
[4] 陈向阳. 变风量空调系统的风量平衡调试[J]. 暖通空调, 2024, 54(4): 22-28.
[5] Kang, S., Kim, H. and Cho, Y. (2014) A Study on the Control Method of Single Duct VAV Terminal Unit through the Determination of Proper Minimum Air Flow. Energy and Buildings, 69, 464-472.
https://doi.org/10.1016/j.enbuild.2013.11.005
[6] Pang, X., Piette, M.A. and Zhou, N. (2017) Characterizing Variations in Variable Air Volume System Controls. Energy and Buildings, 135, 166-175.
https://doi.org/10.1016/j.enbuild.2016.11.031
[7] 孟庆龙, 王文强, 葛俊伶. 变风量空调系统控制策略仿真与实验研究[J]. 建筑科学, 2020, 36(2): 44-50+78.
[8] 李闻龙. 总风量法与定静压法结合的风量控制方法在变风量空调系统中的应用[J]. 暖通空调, 2023, 53(S1): 78-81.
[9] 李徐嘉, 高峰. 某型船用变风量空调系统风量控制方法研究[J]. 广东造船, 2021, 40(4): 45-48.
[10] 李闻龙. 总风量法与定静压法结合的风量控制方法在变风量空调系统中的应用[J]. 暖通空调, 2023, 53(S1): 78-81.
[11] 陈炯德, 王子轩, 姚晔, 等. 变风量空调系统用非线性模型预测控制方法研究[J]. 制冷学报, 2019, 40(6): 62-69.
[12] 杜晗. 变风量空调系统的优化控制及节能研究[J]. 智能建筑, 2015(9): 51-56.
[13] 莫修栋, 侯红磊, 周颖, 等. 变风量空调系统在地铁设备管理用房的应用研究[J]. 暖通空调, 2021, 51(S1): 389-392.
[14] 王汉青, 主编. 通风工程[M]. 第2版. 北京: 机械工业出版社, 2018.
[15] 王乃义, 主编. 船舶空调原理与设备[M]. 哈尔滨: 哈尔滨工程大学出版社, 2001.
[16] Douglas, J.F., Gasiorek, J. and Swaffield, J.A. (1986) Fluid Mechanics. Longman Scientific & Technical.
[17] 姜辉. 变风量系统自适应静压变频控制及仿真研究[D]: [硕士学位论文]. 长沙: 湖南大学, 2016.