检波器的假频检测方法研究
Research on False Frequency Detection Method of Detector
摘要: 和其它测振传感器不同,假频是地震检波器特有的性能指标,是指其横向共振频率。地震检波器在野外的实际情况下,会受到多方向的振动激励,有轴向的激励,也有横向的激励。对动圈电磁式地震检波器来说,由于其设计结构的缺陷,决定了不但轴向的激励会使其输出电信号,而且横向的激励也会使其输出电信号,它会混合在检波器的输出信号中。这些信号给地震勘探的数据分析带来了困难,严重影响勘探结果的准确性。近几年,人们提出了许多对检波器信号的处理方法,目的是从原始信号中除去由假频产生的分量。然而,研究出新型的无假频的检波器或者是假频更高的检波器才是解决假频对地震勘探影响的最好办法。对检波器假频的研究离不开对其检测方法的探求,目前采用最多的方法是振动检测法。本章针对现有的振动检测法存在的问题提出了一种检测假频的新方法,并且运用在实际的检波器假频检测中。
Abstract: Unlike other vibration sensors, false frequency is a unique performance indicator of seismic detectors, referring to their transverse resonant frequency. In actual field conditions, seismic detectors are subjected to multi-directional vibration excitation, including axial and transverse excitation. For moving-coil electromagnetic seismic detectors, due to design defects, not only axial excitation but also transverse excitation will cause them to output electrical signals, which will be mixed in the detector’s output signal. These signals bring difficulties to the data analysis of seismic exploration and seriously affect the accuracy of exploration results. In recent years, many methods for processing detector signals have been proposed, aiming to remove the components generated by false frequencies from the original signal. However, developing new false frequency-free detectors or detectors with even higher false frequencies is the best way to solve the impact of false frequencies on seismic exploration. Research on detector false frequencies is inseparable from the exploration of detection methods; currently, the most widely used method is vibration detection. This chapter proposes a novel method for detecting spurious frequencies, addressing the problems of existing vibration detection methods, and applies it to the practical detection of spurious frequencies in seismic detectors.
文章引用:罗敏艺, 文怡澜, 徐祥. 检波器的假频检测方法研究[J]. 仪器与设备, 2025, 13(4): 873-886. https://doi.org/10.12677/iae.2025.134105

1. 引言

社会的发展、工农业的进步及人民生活水平的提高都离不开对能源的不断探索。虽然人们正在研究太阳能、风能等新能源,以满足未来人们对能源的需求,但是,现阶段传统能源,比如煤、石油和天然气,仍能构成我们能源需求的主体。因此,现阶段对这些能源的勘探工作就显得尤为重要。地震勘探是一种资源勘探中广泛使用的方法,它是钻探前勘探天然气、石油、固体资源的重要手段,同时也在煤田和工程地质勘查、地壳研究和区域地质研究方面得到了广泛的运用。地震检波器是地震勘探中广泛使用的一种专用传感器,其性能的好坏对地震勘探的准确度有很大的影响。因此,其各项性能指标精确校准的研究就显得特别重要。

2. 地震检波器假频产生机理

2.1. 地震检波器的横向激励模型

地震检波器的假频是通过水平振动台对其进行横向激振的方法来检测的,因此有必要探讨地震检波器在受到横向激励时的运动模型。图1为典型的电磁式地震检波器弹片的结构示意图,它分为三部分:内环,外环和悬丝,内环和外环通过悬丝相连。由本文第一章介绍的动圈电磁式地震检波器结构示意图上可以看出,内环被压在磁钢和上下盖之间并外壳固定,外环和线圈固联。采用这样的结构,导致检波器在受到横向激励时会产生横向和轴向的运动以及绕着质心的摆动。一般情况下,只要检波器的制造和装配精度高,轴向的运动会很小甚至不会产生,可以忽略。但当检波器处在假频点附近,发生横向运动失稳时,轴向运动也会大起来,就不能忽略。因此在分析检波器的横向激励模型时,一般只考虑横向运动和摆动。

图2为检波器横向激振的力学模型。假设上下弹片的径向刚度和阻尼分别为k1c1k2c2,线圈的质量为m,绕质心的转动惯量为J,线圈高度为h,受到横向激励x

那么检波器横向激振的运动微分方程为

Figure 1. Detector spring structure

1. 检波器弹片结构

Figure 2. Lateral excitation model of the detector

2. 检波器横向激励模型

{ m r ¨ + c 1 ( r ˙ h 2 ψ ˙ )+ c 2 ( r ˙ + h 2 ψ ˙ )+ k 1 ( r h 2 ψ )+ k 2 ( r+ h 2 ψ )=m x ¨ J ψ ¨ + h 2 c 1 ( r ˙ h 2 ψ ˙ )+ h 2 c 2 ( r ˙ + h 2 ψ ˙ ) h 2 k 1 ( r h 2 ψ )+ h 2 k 2 ( r+ h 2 ψ )=0 (1)

理想条件下, k 1 = k 2 =k ,忽略系统阻尼,化简上式得

{ m r ¨ +2kr=m x ¨ J ψ ¨ +k h 2 ψ=0 (2)

根据线性振动理论,系统的两个固有频率为

ω r = 2k m (3)

ω ψ = k h 2 J (4)

要得到这两个固有频率的确切值,关键是计算出系统的径向刚度[1]。从上面的分析中我们知道,横向激振时检波器有两个共振频率,即存在两个假频:转动假频和平动假频。它们的大小主要取决于弹片的形状,外环宽度和弹簧臂的宽度,而且转动共振频率总是低于平动共振频率[2]

2.2. 假频产生机理

从运动方程上看,检波器在横向激振时理论上不会引起线圈的摆动,只会使线圈产生横向的平动,而该运动并不会切割磁力线引起检波器的输出。实际上,检波器受到横向激振时是会产生电信号的。为了解释这种现象[3],有人在检波器外壳上开个小孔,通过小孔采用显微镜观察线圈的运动情况。发现当在某个频率下进行横向激励时,线圈架上的光点由一个不动的点变成一条直线或者椭圆,这说明线圈存在一个能够切割磁力线的轴向运动或摆动,引起了检波器的电信号输出。

引起线圈轴向运动的原因有很多,例如弹片安装不合理,没有处于水平状态,或者由于弹片的横向变形破坏了其纵向平衡条件等。但其中主要的原因是弹片发生了面外失稳,当检波器的受到的激励力足够大,超出了弹片悬丝的临界载荷时,悬丝在垂直于弹片的方向发生扭曲,扭曲的弹簧便会带动线圈产生较大的轴向运动。弹片发生面外失稳是产生假频的一个主要原因。

假频产生的另一个原因是检波器在设计、制造和装配时,不可能保证检波器各个零件和结构上下左右对称,当受到横向激励时,线圈产生了偏摆运动。摆动的线圈就会切割磁力线,产生电信号的输出。实验发现,当横向激振的频率接近于其摆动固有频率时,检波器的偏摆运动变得特别大。

3. 地震检波器假频的检测方法

目前,使用比较多的假频检测方法有如下几种:

(1) 悬挂装置检测法

这类方法通常是把检波器垂直放在一个悬挂起来的隔振台上,驱动隔振台使其产生水平向的运动激励检波器,通过频谱分析仪分析检波器的输出频谱,从频谱中寻找检波器假频。起初,人们通过敲击隔振台侧面的方法来产生一个激振,然后用频谱分析仪来分析检波器输出频谱,从频谱中的峰值来识别检波器假频。但其测试结果容易受到噪声的干扰,很难从频谱中分辨出假频来。于是,有人就对这种方法进行改进,提出通过幅值来识别假频。改进后的装置如图3所示,把三个检波器等间隔、水平地固联在隔振台上,三个检波器与隔振台中心的距离相等且放置的方向相同,被校检波器垂直放在隔振台中间。给三个检波器通上电信号来驱动隔振台,由于三个检波器是均布的,整个装置不会产生水平向的平动,只有绕隔振台中心的转动。把驱动检波器和被校检波器的输出都通过频谱分析仪采集上来,通过计算两者的幅值比与频率的关系来识别假频。

图3的装置只用于检测检波器的转动假频,图4给出了平动悬挂装置,可以用于检测平动假频。

Figure 3. Rotational false frequency detection device

3. 旋转假频检测装置

Figure 4. Translational false frequency detection device

4. 平动假频检测装置

(2) 水平振动台检测法

很早就有人提出来通过水平振动台检测假频的方法,该方法是把检波器垂直放在水平台上,通过定频或扫频的方式激励检波器,测量检波器的横向幅频特性,其中的峰值所对应的频率就是检波器假频。使用这种方法要求振动台具有较小的横向比,尤其是垂直向所占的比重,通常要求振动台垂直向的振幅为水平向振幅的1%。在上世纪80年代,有人就研制了一种检测假频的振动台[4]。它由激振器,连杆、台面、导轨、滚珠、基座等组成,台面通过连杆与激振器相连,台面与导轨间有三颗精密轴承的滚珠,滚珠安装在两条平行的V形导轨中。通过这样的结构可以在台面与滚珠、滚珠与导轨之间加一个预紧力,提高系统的接触刚度,从而使得振动台能够达到一个很高的垂直向共振频率。其一阶横向共振频率高达700 Hz,500 Hz以下的垂直向与水平向幅值比小于1%。

本系统所设计的检波器假频检测方法是采用普通标准水平振动台检测法。由于普通标准水平振动台用于校准水平向测振传感器的灵敏度,要求输出振级大、台面尺寸大、结构设计紧凑,因此工作频率范围较低,经测试表明,普通标准水平向振动台在大于200 Hz时会出现横向比大于3%的共振区,这就给检波器假频的检测带来了困难。为了解决这个问题,我们提出了一种横向振动补偿检测法。

3.1. 横向振动补偿检测法

横向振动补偿检测法(简称横向补偿法)的基本思想是在被测检波器的输出信号中,把由于水平振动台输出的垂直向振动分量补偿掉,以补偿后的信号来检测检波器的假频,具体的流程如图5所示。

Figure 5. Flowchart of the lateral compensation method

5. 横向补偿法流程图

把标准加速度传感器8305型和被测检波器垂直固定在水平振动台上,对它们进行横向激振。因为8305型是压电式标准加速度传感器,且具有很高的固有频率和工作频率范围内较低的横向灵敏度,可忽略其横向激励响应,所以该传感器输出信号直接反映了振动台垂直向振动分量的大小,可以用来直接测量振动台垂直向的振动幅值。通过数据采集8305型加速度计和被校检波器的输出信号并传送给计算机,使用软件对采集到的8305型加速度计输出信号做如下处理:先除以其灵敏度,得到振动台垂直向振动加速度,然后进行高通滤波和积分运算,得到垂直向振动速度,再乘以被测检波器的灵敏度。经过这样的处理后,就得到了被测检波器由于振动台垂直向振动引起的输出大小。然后把被测检波器输出信号和该信号进行时域相减,求出相减后的信号幅值,除以此时振动台的振动速度,得到被测检波器的横向灵敏度。按照上面的方法逐个频点激励检波器,得到横向幅频特性曲线,曲线的峰值对应的频点即为被校检波器的假频。

3.2. 横向补偿法的理论依据

横向补偿法运用的是叠加原理,即几个激励共同作用产生的总响应是各个响应的总和。满足叠加原理的条件是:系统是线性的。如果系统满足叠加原理,意味着一个激励的存在不影响另一激励的作用效果,系统中各个激励产生的响应是互不影响的。

通过水平振动台激励检波器的运动模型如图6所示,其中s表示线圈轴向运动,r表示线圈的横向运动, ψ 表示线圈的摆动。由于水平振动台横向比不可能为零,动圈除了受到横向(X向)的激励外,还受到轴向的激励(Z向),因此,检波器动圈垂直向的运动不能忽略。

Figure 6. Lateral excitation model of the water platform

6. 水平台横向激励模型

线圈水平向的运动是由横向激励产生的,不会引起检波器的响应;线圈垂直向运动是由轴向激励和横向激励共同产生的,会引起检波器响应;线圈摆动是由横向激励产生的,也会引起检波器的响应。横向补偿法认为由X向激励引起的检波器响应和Z引起的检波器响应是互不影响的,这样认为的前提是检波器垂直向的动力学参数(主要是刚度)和水平向动力学参数的不存在耦合关系,系统的是线性的。由于检波器在假频和除其以外的频点的运动情况是不同的,因此在说明横向补偿法的科学合理性时分以下两种情况:

(1) 假频以外的频率点处

在假频以外的频率点处,只要激励大小在允许的范围内,动圈不会发生运动失稳,而且弹片径向刚度KH比轴向刚度KV大很多,可以认为此时弹簧片的径向刚度是不变的。忽略线圈的摆动,那么横向激励之所以会引起的线圈垂直向运动,是因为弹片在安装时没有处于水平状态,此时线圈的运动的状态如图7所示。

Figure 7. Coil motion state at non-pseudo-frequency points

7. 非假频处线圈运动状态

其运动微分方程为

m s ¨ + K v s= K v z+ K v x z (5)

式中, x z 表示横向激励引起检波器线圈的垂直向运动,解得线圈垂直向运动的幅值

S= X z K v ( 2πf ) 2 m + Z K v ( 2πf ) 2 m (6)

式中,f为激振频率, X z x z 方向运动的幅值, Z 为z方向运动的幅值。 X z 大小可按照如下的方法计算。

当线圈只受横向激励时,引起线圈垂直向运动的原因是弹簧片安装没有处于水平位置,设弹簧片与水平方向的夹角为 θ ,其力学模型等效为图8所示。

Figure 8. Mechanical equivalent model

8. 力学等效模型

则运动微分方程为

m w ¨ + K H w= K H x cosθ (7)

解得w的方向振动的振幅为

W= X/ cosθ K H ( 2πf ) 2 m (8)

x z w的一个分量,该方向的振幅为

X Z = Xtanθ K H ( 2πf ) 2 m (9)

式中因 K H 为常数,所以 X Z 与轴向刚度无关。因此,这种情况下检波器的响应由轴向激励响应和横向激励响应叠加产生,满足叠加原理,横向补偿法是适用的。也就是说,在振动台横向共振点处,虽然横向比很大,但经横向补偿后可以把这部分的响应从检波器的输出中剔除掉,消除其对假频识别的影响。

(2) 假频点处

假频点附近线圈运动状态如图9所示,因为弹片发生面外失稳,产生扭曲变形,线圈的轴向的运动平衡条件被破坏,轴向运动加剧,且会发生剧烈的摆动,横向与轴向同时激励时与它们单独作用的结果不同,两者之间存在耦合,不满足叠加原理。前面在分析检波器横向激励模型时指出,激励与它们单独作用的结果不同,两者之间存在耦合,不满足叠加原理。前面在分析检波器横向激励模型时指出,可以把整个系统看成是单自由度二阶振动系统。根据振动理论,在共振点处,检波器振动的相位与激励的相位差为90度,因为相位不会发生突变,所以在假频点附近检波器与激励之间的相位差较大。

Figure 9. The motion state of the coil at the illusory frequency point

9. 假频点处线圈运动状态

图10为某检波器实际的测试波形,其中曲线1为8305型加速度计的输出信号,曲线2为被校检波器输出的信号,曲线3为补偿部分的波形,曲线4为补偿后的波形,可以明显地看到曲线2和曲线3之间有个相位差,且补偿前后的波形幅值相差不大。因此在假频点附近使用横向补偿法处理后,对原来信号的幅值削弱比其他频点要小得多。为了说明这个问题,不妨假设检波器的输出信号为

r= A 1 sinωt (10)

补偿部分的信号是通过加速度传感器滤波积分得到的,它的相位应该比检波器的相位超前一个角度,因此假设补偿部分的信号为

Figure 10. Test waveform of a detector

10. 某检波器测试波形

v= A 2 sin( ωt+φ ) (11)

将两个信号相减得

rv= A 1 sinωt A 2 sin( ωt+φ )=( A 1 A 2 cosφ )sinωt A 2 sinφcosωt (12)

从而,相减后的幅值

A= ( A 1 A 2 cosφ ) 2 + ( A 2 sinφ ) 2 = A 1 2 + A 2 2 2 A 1 A 2 cosφ (13)

从上式可以看出,随着 φ 的增大,A的值也在变大。当 φ=0˚ 时,即检波器与激励没有相位差,A的值最小,为 A 1 A 2 。当 φ=90˚ 时,即检波器与激励相位相差90度时,A的值达到最大,为 A 1 2 + A 2 2

通过上面的计算我们可以看出:在假频点附近由于检波器与激励相位差的存在,使得补偿前后信号幅值相差不大,不用担心补偿后信号幅值变得太小而忽视了这个假频点;另外,因为采用横向补偿法处理后可以得到水平振动台的垂直向的运动波形和检波器的输出波形,所以我们不但可以从检波器的横向频率特性曲线中识别假频,而且能够通过比较检波器与激励的相位来识别假频。因此,在假频点处补偿法也是适用的。

总之,横向补偿法在假频外的频率点处可以将由于振动台垂直向振动引起的输出从检波器输出中剔除掉,从而消除振动台横向运动对假频识别的影响,降低了假频检测对振动台横向比的要求;在假频点附近,该法不会削弱信号的幅值,而且还给出了识别假频的另一个手段。通过试验我们也发现,该方法能够很好地运用于水平振动台检测检波器假频中。

3.3. 假频横向补偿检测法的软件设计

和幅相特性校准模块一样,横向补偿法检测假频的软件也是地震检波器自动校准系统中的子模块,也是在LabVIEW平台上开发的。本模块在开发时用到了LabVIEW的信号处理和数学分析中的相关函数,论文首先对这两个模块做个简单的介绍。

LabVIEW是自动化测试和测量领域的专业软件,其内部集成了600个分析函数,用于信号处理、信号分析、信号生成、数学运算和曲线拟合等。除此之外,LabVIEW中还有Express VI模块,该模块中有信号分析、信号操作和算术与比较等相关函数,用于快速的搭建测试系统。LabVIEW中能够进行的数学分析包括:线性代数计算、曲线拟合和回归分析、插值运算、积分和微分运算、最优化求解、多项式计算和分析等,功能很完善。能够进行的信号处理包括:信号发生,信号调理、波形测量、时域分析、频域分析和窗函数和滤波等,在信号处理经常用到的有效值计算、失真度计算、频谱分析等都可以通过LabVIEW软件来实现。下面介绍一下假频检测软件中用到的滤波器和时域数学两个函数。

Figure 11. Filter functions in LaBVIEW

11. LaBVIEW中滤波器函数

Figure 12. Filter parameter configuration window

12. 滤波器参数配置窗口

(1) 滤波器函数

该函数位于信号处理选板上的信号调理中,如图11所示。将该函数放在程序框图后或者双击该图标会弹出图12所示的配置对话框,该对话框用来设置滤波器的类型,如低通、高通、带通和带阻等,我们采用高通滤波;滤波截止频率,这里设置低截止频率选择为10 Hz;滤波阶数和拓扑结构等。配置好这些参数后,点击的确定按钮,该函数就具有一个低截止频率为10 Hz的高通滤波器的功能。滤波阶数和拓扑结构等。配置好这些参数后,点击的确定按钮,该函数就具有一个低截止频率为10 Hz的高通滤波器的功能。

(2) 时域数学函数

时域数学函数位于数学选板上的积分与微分中,如图13所示。该函数可以对时域波形进行积分、微分和差分运算,并输出运算后的波形。把该函数放在程序框图中或者双击该图标会弹出图14所示的配置窗口。通过该窗口可以配置进行的数学运算的类型,可选择的运算包括求导数、积分、差分和求和,我们选择积分运算;计算模式,包括连续计算和分段计算,我们选择连续计算模式。设置好以后点击确定按钮,该函数就可以实现对时域波形的积分运算。

Figure 13. LabVIEW time-domain mathematical functions

13. LabVIEW的时域数学函数

Figure 14. Time-domain mathematical parameter configuration window

14. 时域数学参数配置窗口

3.4. 横向补偿法检测的软件设计

图15为横向补偿法检测软件的流程图,试验开始后,首先要设置试验参数,包括传感器类型、试验频率、试验振级、振级单位和振级样式等,如图16所示,并且判断设置的振级是否超出了振动台的最大振级,如果超出了会弹出提示框,提示超出的是振动台的哪一项指标。接下来需要设置传感器,包括8305型加速度计的灵敏度和被校检波器的灵敏度设置,设置界面如图17所示。设置好以后就可以启动测试程序,程序将按照移频算法调整振动台达到预设振级。然后,采用横向补偿法处理数据,处理过程是:首先采集8305型加速度计和被校检波器的输出信号,测量振动台振级,然后对采集到的8305型加速度计输出信号进行滤波和积分运算,得到由振动台垂直向引起的检波器输出,再从检波器信号中减去该部分。最后计算检波器的横向灵敏度和数据的显示与保存。

Figure 15. Flowchart of the lateral compensation method detection software

15. 横向补偿法检测软件流程图

Figure 16. False frequency test settings interface

16. 假频测试设置界面

Figure 17. Sensor settings interface

17. 传感器设置界面

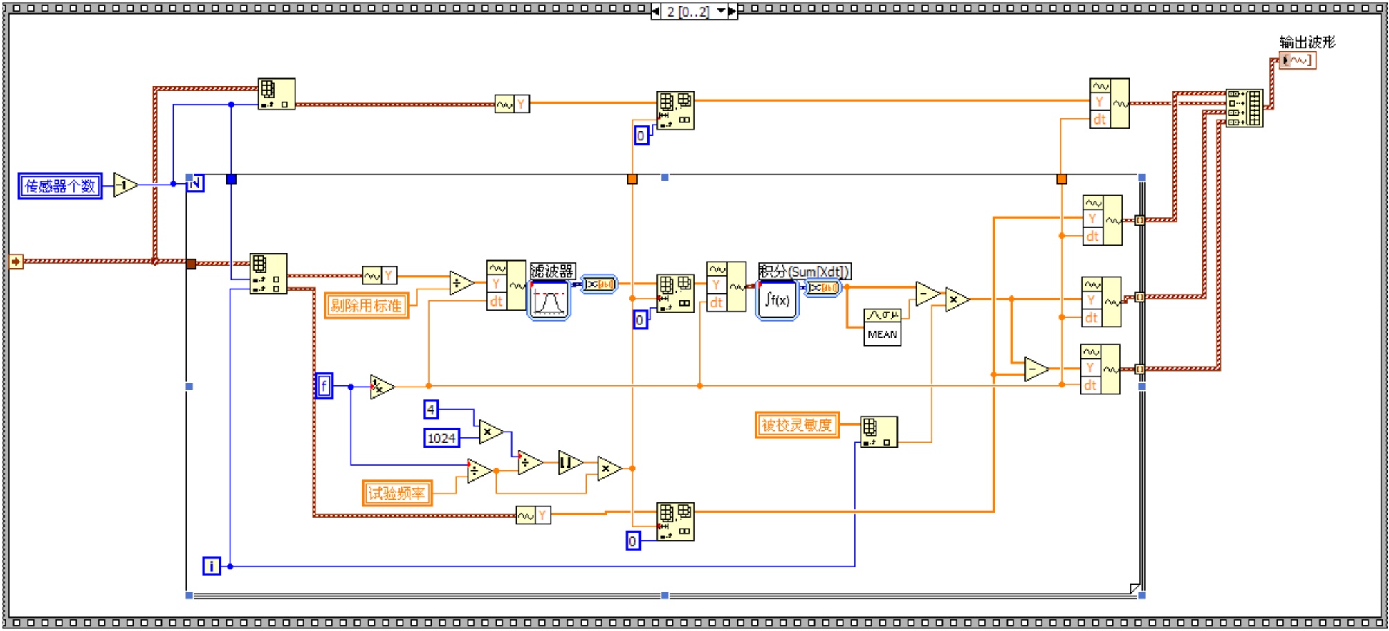
图18为横向补偿法测试程序的界面,界面左边为波形显示区,右上角为振动台实时参数显示区,右下角为测试结果显示区。当点击“开始试验”后,开始试验和重新试验按钮变灰并不可用。用户可以根据需要设置振级控制精度,选择的精度越高调整的时间就越长。如果用户想用上次的试验参数再次试验时,可直接点击开始试验按钮;如果想改变试验参数,可点击重新试验按钮来设置新的试验参数。测试结果显示表格中显示的测试结果依次是:频率、振级、检波器幅值、补偿前横向灵敏度、标准传感器幅值、补偿部分幅值、补偿后幅值和补偿后横向灵敏度,这样显示可以让用户了解整个补偿处理过程中各项的值,以对测试结果进行分析。图19为横向补偿法处理数据的程序框图,这段程序完成了标准传感器的滤波、积分和波形的时域相减,并且将处理后的波形显示在前面板中。

Figure 18. False frequency test interface

18. 假频测试界面

Figure 19. Flowchart of the lateral compensation method

19. 横向补偿法程序框图

4. 结论

本文对地震检波器假频检测方法进行研究,提出了一种通过水平振动台检测假频的新方法,具体研究内容如下:

(1) 研究假频产生机理,首先分析了地震检波器在水平振动台上受到横向激励时的动力学模型,然后指出假频产生的主要因素是检波器弹片发生了面外失稳,同时还与检波器设计和制造的精度有关。

(2) 详细介绍了横向补偿法检测地震检波器假频的新方法,分析了横向补偿法的理论依据。该方法运用了叠加原理,说明了方法在两种情况下的科学性:在假频点以外的频率点,由于检波器的各参数是线性的,满足叠加原理,可以使用横向补偿法;在假频点处,虽然不满足叠加原理,但是该方法并不影响假频的识别,也可以使用补偿法。

(3) 借助LabVIEW强大的信号处理和数学分析功能,设计了横向补偿法检测软件。

NOTES

*通讯作者。

参考文献

[1] 杨帅. 基于检波器的桥梁混凝土结构试验装置设计[J]. 中国公路, 2025, 690(14): 98-100.
[2] 河北赛赛尔俊峰物探装备有限公司. 低失真高假频多用途地震检波器弹簧片[P]. 中国专利, CN202222968412.7. 2023-08-29.
[3] 李兵兵, 王飞, 王伟辉, 等. 一种测试动圈式模拟检波器假频的新方法[J]. 物探装备, 2022, 32(3): 161-164.
[4] 上海市岩土地质研究院有限公司. 一种假频面波提取方法及系统[P]. 中国专利, CN202311752036.0. 2024-03-22.