电涡流传感器静动态校准研究现状综述
A Review of Current Research on Static and Dynamic Calibration of Eddy Current Sensors
DOI: 10.12677/iae.2025.134109, PDF, HTML, XML,   
作者: 张 辉, 李 刚:红塔烟草(集团)有限责任公司,云南 玉溪
关键词: 电涡流传感器动态校准静态校准研究现状Eddy Current Sensor Dynamic Calibration Static Calibration Research Status
摘要: 电涡流传感器在长期使用过程中,可能会因为老化或者受客观环境的影响,指示值会出现很大的误差甚至错误,所以需要根据电涡流传感器的性能定期地对其进行动态或者静态校准,及时发现并处理电涡流传感器存在的问题,校准时,感应盘使用被校准传感器实际工况中所感应的金属导体材料制成,这样来保证电涡流传感器测量结果的准确性,校准周期一般不超过一年。目前对于电涡流传感器的校准主要分为静态校准和动态校准,对于静态校准主要存在校准的量程范围短、效率低的问题,对于动态校准主要存在校准频率范围存在局限性,校准误差大的问题,且静动态校准均为独立的装置分开校准。本文针对电涡流传感器的校准,首先描述了电涡流传感器的工作原理和校准方法,然后对于国内外在电涡流传感器校准方面研究进行了总结。
Abstract: During long-term use, eddy current sensors may experience significant errors or even erroneous readings due to aging or environmental influences. Therefore, regular dynamic or static calibration is necessary to identify and address problems promptly. During calibration, the induction disk is made of the same metal conductor material sensed by the sensor under actual operating conditions to ensure the accuracy of the measurement results. The calibration cycle generally does not exceed one year. Currently, eddy current sensor calibration is mainly divided into static and dynamic calibration. Static calibration suffers from short calibration range and low efficiency, while dynamic calibration is limited by frequency range and large calibration errors. Furthermore, static and dynamic calibrations require separate devices. This paper focuses on eddy current sensor calibration, first describing the working principle and calibration methods, and then summarizing domestic and international research on eddy current sensor calibration.
文章引用:张辉, 李刚. 电涡流传感器静动态校准研究现状综述[J]. 仪器与设备, 2025, 13(4): 915-924. https://doi.org/10.12677/iae.2025.134109

1. 引言

电涡流传感器能够非接触式地测量被测金属导体与传感器探头表面之间的相对位移,是一种非接触的线性化计量工具。相比于相同功能的其他传感器,电涡流传感器以其可靠性好、灵敏度高、分辨率高、响应速度快、测量范围宽、抗干扰力强、不受油污等介质的影响、结构简单等优点,广泛应用于电力、石油、化工、冶金等行业以及一些科研单位,分别用于对水轮机、压缩机、齿轮箱和压缩泵等高速旋转机械以及往复式运动机械的振动、位移信号的测量、在线监测、状态分析以及故障诊断等。电涡流传感器根据其线圈激励电流的频率,一般分为高频反射式和低频透射式两种。前者线圈的激励电流频率高,涡流的趋肤效应显著,穿透深度小,主要用于位移的测量;后者则线圈的激励电流频率低,穿透深度大可以用来测量厚度。

电涡流传感器的非接触测量方式一方面避免了与被测物体表面接触时,破坏被测物体表面的质量,另一方面若将传感器安装在被测物体表面,相当于在被测物体表面增加了一个负载,这样会降低测试的精度。另外,在一些高速旋转场合,用非接触式的电涡流传感器进行测试比接触式传感器更加方便。

2. 电涡流传感器的工作原理

电涡流传感器实现距离的测量是基于法拉第电磁感应的原理。根据法拉第电磁感应原理,置于磁场中的金属表面在磁通量发生变化时,金属表面会产生感应电流以抵抗该金属表面磁通的变化,此感应电流称作为电涡流,这一现象称为电涡流效应,电涡流传感器就是利用该效应,将被测的非电量转换成电参数[1]

2.1. 电涡流传感器的基本组成

电涡流传感器主要由传感器线圈、延伸电缆、前置器组成,其组成结构示意图如图1所示。

2.2. 电涡流传感器的测距原理

电涡流传感器测距原理如图2所示,电涡流传感器工作时,传感器线圈通过高频激励电流 i 1 ,线圈的周围便产生一个交变磁场 H 1 ,作用于金属导体表面,并在表面产生涡流 i 2 ,涡流 i 2 又在金属表面产生一个抵抗交变磁场 H 1 变化的交变磁场 H 2 ,由于交变磁场 H 2 H 1 的相互作用,等效到线圈上的电阻和电感的变化。这一变化与金属导体的电导率 σ 、磁导率 μ 、线圈的几何参数、激励电流频率与强度、以及线圈与导体间的距离 d 等参数有关。如果控制其他参数不变,只改变一种参数,传感器阻抗就变成了该变量的单值函数,电涡流传感器对位移的检测就是利用这个原理,控制其他参数不变,只改变电涡流传感器与被测导体表面的距离,从而将距离 d 的变化转变为线圈阻抗的变化,经测量电路转换成电压或电流输出[2]

Figure 1. High-frequency reflective eddy current sensor test system

1. 高频反射式电涡流传感器测试系统

Figure 2. Schematic diagram of eddy current sensor

2. 电涡流传感器原理图

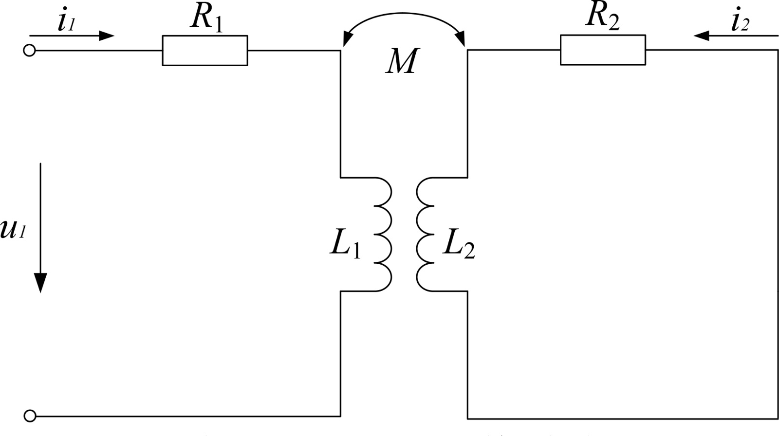
Figure 3. Equivalent circuit of eddy current sensor

3. 电涡流传感器等效电路

2.3. 电涡流传感器的输出特性

电涡流传感器的输出特性是其输出随测试距离的变化,实质上体现了其Q值随测试距离d的变化[3]Q值为电涡流传感器的品质因子,由电涡流传感器的等效电阻R和等效电感L决定,电涡流传感器Q值的计算公式为

Q= 2πfL R . (1)

由电涡流传感器工作原理,将感应电涡流等效为一个通有 i 2 电流的短路环,其等效电路如图3所示,通过对等效电路的研究,分析电涡流传感器的输出特性。由基尔霍夫电压定律得到

{ R 1 i 1 + L 1 d i 1 dt +M L 2 d i 2 dt = u 1 R 2 i 2 + L 2 d i 2 dt +M L 2 d i 2 dt =0 , (2)

式中, i 1 ——传感器线圈的电流; R 2 L 2 i 2 ——金属导体的等效电阻、电感和电流; M ——传感器线圈与金属导体间的互感系数。其复数形式为

{ R 1 I ˙ 1 +jω L 1 I ˙ 1 jωM I ˙ 2 = U ˙ 1 jωM I ˙ 1 + R 2 I ˙ 2 +jω L 2 I ˙ 2 =0 . (3)

由(3)式,可计算出传感器线圈中的等效阻抗

Z= U ˙ 1 I ˙ 1 = R 1 + ( 2πf ) 2 M 2 R 2 2 + ( 2πf L 2 ) 2 R 2 +j2πf[ L 1 ( 2πf ) 2 M 2 R 2 2 + ( 2πf L 2 ) 2 L 2 ]= R e +j2πf L e , (4)

式中,实数部分 R e 为传感器线圈中的等效电阻,虚数部分 L e 为传感器线圈中的等效电感。

由式(4)得到电涡流传感器线圈的品质因子

Q=2πf L 1 [ 1 L 2 L 1 ( ( 2πf ) 2 M 2 R 2 2 + ( 2πf ) 2 L 2 2 ) ] R 1 [ 1+ R 2 R 1 ( ( 2πf L 2 ) 2 M 2 R 2 2 + ( 2πf ) 2 L 2 2 ) ] . (5)

| Z 2 |= R 2 2 + ( 2πf L 2 ) 2 ,得

Q=2πf L 1 [ 1 L 2 L 1 ( 2πfM | Z 2 | ) 2 ] R 1 [ 1+ R 2 R 1 ( 2πfM | Z 2 | ) 2 ] . (6)

由于互感系数M是检测距离d函数,参考相关文献[4] M=f( d ) 带入式(6)得到品质因子Q与检测距离d之间的函数关系式为

Q=A( 1+B d 2 C d 4 ), (7)

式中,ABC是由线圈的激励电流的频率f、等效电阻 R 1 、等效电感 L 1 和金属导体的等效电阻 R 2 有关,且均为正数。对公式(1.7)求二次导数

2 Q d 2 =A( 2B12C d 2 ). (8)

2 Q d 2 =0 ,得: d 0 =± B 6C ,又 d0 ,因此 d 0 = B 6C

d> B 6C 2 Q d 2 <0 ,当 0d< B 6C 2 Q d 2 >0 ,因此 d 0 = B 6C 为函数 2 Q d 2 =A( 2B12C d 2 ) 唯一的拐点。因此Q-d的特性曲线也即电涡流传感器输出特性曲线呈S型曲线。

d 0 = B 6C 的位置附近,输出特性曲线为S型曲线中接近直线部分 ( d 1 , d 2 ) ,此部分即为电涡流传感器的线性工作范围,如图4所示。

在线性范围的中点 d 0 处电涡流传感器的线性度最小,灵敏度最高。以线性范围的中点作为校准范围的中点,在传感器的线性工作范围内,测试点选取在以线性范围的中点为中心等间隔对称分布时,校准精度更高。因此传感器最佳安装位置是其线性工作范围的中点 d 0 位置。

Figure 4. Schematic diagram of characteristic curve Q-d

4. Q-d特性曲线示意图

3. 电涡流传感器的校准

电涡流传感器在长期使用过程中,可能会因为老化或者受客观环境的影响,指示值会出现很大的误差甚至错误,所以需要根据电涡流传感器的性能定期地对其进行动态或者静态校准,及时发现并处理电涡流传感器存在的问题,校准时,感应盘使用被校准传感器实际工况中所感应的金属导体材料制成,这样来保证电涡流传感器测量结果的准确性,校准周期一般不超过一年。

对于电涡流传感器的校准,主要分静态校准和动态校准。

3.1. 电涡流传感器的静态校准

根据国家计量检定规程JJG644-2003,电涡流传感器的静态校准原理图如图5所示,对电涡流传感器的静态校准方法如下:

① 在电涡流传感器静态校准装置上完成电涡流传感器的安装。

② 电涡流传感器的推荐电压处作为其安装位置,以安装位置为中点,在其量程范围内上下各选择5个测量点。

③ 在各测量点处分别测量电涡流传感器的输出及其位移,并进行3个循环的测量。

④ 通过对电涡流传感器输出及其位移数据的处理计算其静态灵敏度、静态幅值线性度、回程误差、幅值重复性和零值误差等,完成对电涡流传感器的校准。

Figure 5. Schematic diagram of static calibration of eddy current sensor

5. 电涡流传感器的静态校准原理图

3.2. 电涡流传感器的动态校准

电涡流传感器的校准主要是通过振动校准的方式来实现的,目前完成振动校准的主要途径是使用动校仪或者标准振动台来实现。

动校仪是一种简单的电涡流传感器动态校准装置,其结构示意图如图6所示。该装置由感应盘周期性的转动,改变被校传感器与感应盘间的距离来模拟振动。电涡流传感器与感应盘存在偏心,放置在圆盘的上方,圆盘转动时电涡流传感器与斜面圆盘之间的距离作周期性变化。保证转动频率不变,在径向方向上移动传感器,可实现传感器幅值线性的测量,保证传感器位置不变,改变感应盘转速可实现感应盘频率特性的测量。

Figure 6. Schematic diagram of calibrating an eddy current sensor using a dynamic calibration instrument

6. 动校仪校准电涡流传感器原理图

标准振动台对电涡流传感器的校准是国家计量检定规程JJG644-2003规定的对位移传感器的校准的标准方法,分为比较法和绝对法两种。

绝对法的校准原理图如图7所示,绝对法进行电涡流传感器的动态校准方法如下[5]

① 按照7所示的实验装置搭建电涡流传感器动态校准的实验平台,并将被校准传感器安装在感应盘表面附近。

② 通过氦氖激光器产生波长 λ=0.6328μm 的单色光,该单色光被一半透半反分光镜分为两束光,分别为传播到测量镜的测量光和被分光镜反射到参考镜中的参考光。

③ 调节测量镜和参考镜,使得测量光和参考光经测量镜和参考镜反射后,汇聚于光电倍增管中。

④ 通过信号发生器产生标准正弦信号经功率放大器驱动振动台振动。

⑤ 测量光和参考光由于振动台产生光程差,进而发生干涉。光电倍增管将干涉产生的明暗条纹转换成电信号输出。

⑥ 通过频比计数器计算出振动台振动频率与激光测振仪输出的电信号频率的比值,进而计算出振动台台面的绝对位移。

⑦ 使用数字电压表/电流表测量传感器输出,进而计算被校准传感器的灵敏度。

由激光干涉原理可知,振动台每移动 λ/2 的位移,就会出现一个电脉冲,若在一个周期 T 内,产生电脉冲 N 个,总位移量为 4A ,则

N λ 2 =4A. (9)

位移幅值 A

A= Nλ 8 . (10)

通过数字电压表采集到传感器输出的电压有效值 U ,则可计算出传感器的灵敏度

S A = 2 U A . (11)

Figure 7. Schematic diagram of the working principle of absolute calibration

7. 绝对法校准的工作原理图

比较法校准传感器的原理图如图8所示。比较法进行电涡流传感器动态校准的方法如下[6]

① 按照8所示的实验装置搭建电涡流传感器动态校准的实验平台,并将被校准传感器安装在感应盘附近,将标准传感器安装在感应盘上。

② 通过信号发生器产生标准正弦信号经功率放大器驱动振动台以各待测频率振动。

③ 在各频率点处通过标准传感器的输出计算振动台的振级,并在该振级下分别记录被校准传感器的输出和标准传感器的输出。

④ 通过比较被校准电涡流传感器与标准传感器的输出来计算被校准电涡流传感器的灵敏度S

被校传感器灵敏度由式(1.11)计算得到。

S= U U 1 S 1 . (12)

Figure 8. Working principle of the comparison method calibration

8. 比较法校准的工作原理

4. 国内外电涡流传感器校准装置的研究现状

随着微细加工技术和自动化控制的广泛应用和发展,对于加工与控制过程中的检测精度提出了更高的要求。电涡流传感器作为一种被广泛应用的检测工具,对其校准的精度和效率的要求也越来越高。国内外对电涡流传感器静态与动态的自动校准系统做了很多相关的研究,以下分别阐述国外和国内在电涡流传感器静态校准和动态校准方面的研究现状。

4.1. 国外电涡流传感器校准装置的研究现状

(1) 国外电涡流传感器静态校准的研究现状

国外对电涡流传感器静态校准的研究主要集中于高精度小量程的校准。其基本设计思路是通过精度较低的调节方式将感应盘移动到电涡流传感器的检测范围内,然后再通过高精度的控制方式实现微小位移的进给,实现感应盘与被校准传感器之间微小的相对位移,并使用激光干涉仪实现微小位移的测量。

日本东北大学于2000年研制了一种绝对校准法来标定位移传感器。该校准装置主要包括升降平台,激光干涉仪,压电陶瓷,标定平台和电涡流传感器夹具。该装置进行静态校准的方式是感应平台的运动是通过步进电机控制升降平台实现被校准传感器的大位移移动,当被校准传感器移动到其量程范围时,通过压电陶瓷实现被校准传感器小位移精确控制,并通过激光干涉仪测量其在竖直方向上的行走位移,从而实现对被校准传感器的静态校准。2003年,韩国大田标准化与科学研究所研制了一种非线性自由激光干涉仪电涡流传感器校准装置。校准装置主要包括运动平台、高分辨率千分尺、压电陶瓷、感应盘、氦氖激光干涉仪以及电涡流传感器夹具。该装置的实现原理与日本东北大学研制的绝对校准位移传感器装置的原理相同,通过运动平台和压电陶瓷配合实现被校准传感器在测量范围内的小位移的精确控制,最终完成对被校准传感器的校准。

(2) 国外电涡流传感器动态校准的研究现状

电涡流传感器属测振传感器,动态校准一般可采用标准振动台激励法来完成。

从50年代开始,美国国家标准与技术研究院就着手研制振动基准。该院于1969年建立了中、高频振动基准,在10~500 Hz频率范围内的校准精度达到±1%的水平;1975年,该院又建立了低频振动基准,其频率范围为2~55 Hz,校准精度在3~55 Hz频率范围内达到±1%。在自动控制方面,90年代初美国ENDEVCO公司推出一套全自动振动传感器校准系统,该系统采用了正弦激励法,可在宽频范围内(1 Hz~50 kHz)对传感器实现比较法校准。该系统实现了振动传感器校准的全部自动化,基本消除了操作人员带来的误差。同时该系统可以自动实现数据的处理与保存。

丹麦B&K公司是世界顶级振动与声学仪器公司,其研制的9610型振动传感器校准系统,采用随机信号作为激振信号,实现了对传感器的随机校准,极大地提高了传感器的校准效率。

德国物理技术研究院(PTB)振动计量研究技术水平居世界之首,是当今本领域国际最高水平。该院研究人员充分应用虚拟仪器技术,用相同的硬件和数据采集处理系统,通过不同的软件模块就可以实现绝对法和相对法校准。PTB现已建立和保存的低频、中频、高频振动激光干涉绝对法校准系统。

4.2. 国内电涡流传感器校准装置的研究现状

(1) 国内对电涡流传感器静态校准的研究现状

国内对电涡流传感器静态校准的研究主要经历了手动校准、半自动化至自动化校准的过程。手动校准装置主要由底板、传感器夹具、感应盘和螺旋测微计等组成。通过手动旋转螺旋测微计驱动感应盘靠近或远离被校准传感器,并通过螺旋测微计和电压电流表人工的读取位移值和传感器输出,完成对电涡流传感器的静态校准。北京化工大学在手动校准装置的基础上进行改进,增加了步进电机和编码器,运用步进电机驱动感应盘靠近和远离被校准传感器,并通过编码器对步进电机的旋转步数进行计数,实现位移量的测量[7]。但在数据记录和处理等方面仍然需要人工完成。上海瑞视仪表电子有限公司的静态校准装置实现了校准过程的自动化[8],使得电涡流传感器的静态校准技术有了一定的提高,但该校准装置的传感器夹具只适用于特定尺寸的传感器,并且对传感器的最佳安装位置没有进行研究与控制,在工作稳定性和安全性等方面有待进一步完善。浙江大学本课题组对电涡流传感器的静态校准系统做了比较完善的研究,对校准系统不仅引入了直线光栅尺和自动控制系统,显著地提高了静态校准装置的精度和自动化程度,而且对电涡流传感器静态校准时的最佳安装位置进行了研究,并实现了自动定位,同时,所研制的静态校准装置能满足对不同形状尺寸的传感器的安装,而且具有两路采集通道,可实现对电压输出型、电流输出型及电压电流输出型等多种输出类型的电涡传感器的校准[9]

(2) 国内对电涡流传感器动态校准的研究现状

目前国内对电涡流传感器的动态校准分圆盘式动校仪和标准振动台两种形式。前者如上海瑞视仪表电子有限公司设计了一种转动斜盘式的电涡流传感器动态校准装置,该装置通过电机带动斜感应盘周期性的转动,改变电涡流传感器与感应盘之间的距离来模拟振动,装置结构简单但校准频率范围具有局限性,同时感应盘与被校准传感器之间存在夹角,会引入校准误差。后者的校准方式是随着我国振动计量技术的发展而发展,本课题组自1969年开始从事标准振动台的研究工作,分别研制成功我国的超低频、低频、中频和高频的振动基标准装置,且技术指标已经达到国际领先水平[10]

5. 电涡流传感器校准装置研究现状评述

目前国内外对电涡流传感器动静态特性一体化自动校准方面的研究都取得了很大的进展,国外在电涡流传感器的静态校准与动态校准的技术都相对成熟,自动化程度和校准精度较高,但国外对电涡流传感器静态校准方面的研究主要集中在高精度、小量程范围内的校准,并且静态校准与动态校准在各自独立的装置上实现,不利于校准效率的提高。国内在电涡流传感器静态校准和动态校准方面的研究逐步地实现从手动向自动化水平发展,校准精度方面也逐步的接近并达到国际先进水平,但同样,国内对电涡流传感器静态校准和动态校准在各自独立的校准装置上完成。

参考文献

[1] 王炳, 彭欣, 谢非儒, 等. 基于LabVIEW的电涡流传感器自动校准系统[J]. 计量与测试技术, 2024, 51(7): 41-43.
[2] 王炳, 翟国栋, 魏金实, 等. 电涡流传感器动静态一体化自动校准装置设计[J]. 中国计量, 2024(8): 86-91.
[3] 郑建忠. 电涡流振动位移传感器自动检定技术方案研究[J]. 中国仪器仪表, 2022(8): 79-83.
[4] 田敏, 范青. 浅析电涡流位移传感器低温环境下输出的特性[J]. 仪器仪表标准化与计量, 2021(4): 46-48.
[5] 高峰, 施亮. 基于电感式触控传感器的激励信号源频率自校准方法研究[J]. 传感器世界, 2022, 28(2): 24-29.
[6] 薛文瑞, 王晓靓, 汪群, 等. 壳体膨胀探头静态校准技术探讨[J]. 计量与测试技术, 2025, 51(6): 76-78.
[7] 刘艳华, 赵光, 李洪洲, 等. 加速度和电涡流传感器的现场动态校准[J]. 设备管理与维修, 2016(8): 47-47, 56.
[8] 韦宣, 瞿丽莉, 赵婷婷, 等. 电涡流式位移传感器动态灵敏度测量不确定度评定[J]. 工业计量, 2016, 26(3): 56-59, 82.
[9] 韦宣, 由志勋, 张倩. 汽轮机监测系统位移传感器校准在问题的讨论[J]. 中国计量, 2017(4): 103-105.
[10] 胡瑞霞, 马卫华, 史天成, 等. 基于LDC1614的磁浮电涡流位移传感器设计[J]. 传感器与微系统, 2019, 38(7): 67-69.