基于机器学习方法再生混凝土装配式节点剪切性能预测
Prediction of Shear Performance of Recycled Aggregate Concrete Prefabricated Joints Based on Machine Learning Methods
摘要: 本研究针对建筑废弃物资源化中再生混凝土(RAC)与超高性能混凝土(UHPC)组合构件的极限抗剪承载能力,通过正交试验与有限元方法开展研究。以RAC强度、配筋率、UHPC强度、剪切键个数为4个关键因素(各4水平),设计16组试验方案,采用ABAQUS软件建模分析,获取16组极限荷载数据。基于此数据集,运用偏最小二乘回归(PLS)构建承载力预测模型,经mapminmax标准化预处理、特征工程扩展(4维基础特征增至7维增强特征)及留一交叉验证优化(最优潜变量数为2)后,模型的决定系数R2达0.9159,较基础模型提升8.5%。变量重要性分析显示,RAC强度及其平方项(VIP值分别为1.6784、1.6861)是影响承载力的关键因素。残差分析表明,预测误差均值−0.214 kN,多集中于±20 kN内且呈随机分布。实验证实在本研究的参数范围内,所构建的PLS模型展现出对UHPC构件承载力的高精度预测能力,为工程设计提供初步的理论参考。
Abstract: This study focuses on the ultimate shear capacity of composite members made of recycled aggregate concrete (RAC) and ultra-high performance concrete (UHPC) in the context of construction waste recycling. Research was conducted using orthogonal experiments and finite element methods. Four key factors, namely RAC strength, stirrup ratio, UHPC strength, and number of shear keys, were selected, with each factor set at 4 levels. A total of 16 experimental schemes were designed, and ABAQUS software was used for modeling and analysis to obtain ultimate load data for 16 groups of specimens. Based on this dataset, a partial least squares regression (PLS) model was established for predicting bearing capacity. After data preprocessing via mapminmax normalization, feature engineering expansion (increasing from 4-dimensional basic features to 7-dimensional enhanced features), and optimization through leave-one-out cross-validation (with the optimal number of latent variables determined as 2), the coefficient of determination (R2) of the model reached 0.9159, representing an 8.5% improvement compared to the basic model. Variable importance analysis showed that RAC strength and its square term (with VIP values of 1.6784 and 1.6861, respectively) were the key factors affecting the bearing capacity. Residual analysis indicated that the average prediction error was −0.214 kN, and most errors were concentrated within the range of ±20 kN with a random distribution. This study confirms that within the parameter range investigated in this paper, the constructed PLS model exhibits high-precision predictive capability for the bearing capacity of UHPC members, thereby providing preliminary theoretical references for engineering design.
文章引用:王超维, 杨毅超, 陈亚冰, 顾征宇, 沈雷鸣, 任鑫森, 陆正卿. 基于机器学习方法再生混凝土装配式节点剪切性能预测[J]. 土木工程, 2026, 15(1): 16-24. https://doi.org/10.12677/hjce.2026.151003

1. 引言

随着我国城市化进程的飞速推进,建筑行业迎来蓬勃发展期,但与此同时,建筑废弃物的产生量也呈现与日俱增的态势,成为制约城市可持续发展的关键问题之一。相关数据显示,中国建筑废弃物年生产量约35亿吨,由于建筑废弃物难以运输和降解,目前最常使用的露天堆放、原位填埋法既污染了环境,又浪费了大量土地资源,已不能适应可持续发展的需要。因此,建筑废弃物资源化处理成为新兴的处理方式[1]。再生混凝土(RAC)作为建筑废弃物资源化利用的核心成果之一,凭借其对废弃混凝土的高效回收与再利用特性,具备极高的研究价值与广阔的应用前景。再生混凝土是指回收废弃的混凝土块,通过粉碎、清洗、分级处理,代替砂石等天然集料,制备成的新混凝土[2]。在当前装配式建筑快速发展的趋势下,以再生混凝土为原料批量生产装配式构件,不仅能够大幅提高建筑废弃物的资源利用率,减少对天然砂石资源的开采,还能有效降低建筑行业的碳排放量,为推动我国绿色建筑产业的高质量发展提供重要支撑。与此同时,超高性能混凝土(UHPC)作为一种性能卓越的新型建筑材料,在结构工程领域的应用也愈发广泛。相较于传统混凝土,UHPC具有更高的强度与优异的耐久性,且增加纤维掺入量可改善韧性,将其应用于建筑构件中,能够大幅提升构件的承载能力,进而有效延长建筑物的整体使用寿命[3]。在再生混凝土与其他混凝土材料协同应用的过程中,两者之间的粘结性直接关系到整体结构的安全性与稳定性,因此成为学界关注的重点课题。张智龙[4]的研究结果表明,再生混凝土和普通混凝土的粘结面是整个试件的薄弱部分,且在无植筋的情况下容易出现脆性破坏。在植筋试件中,粘结面破坏有一个较为明显的渐进过程,最终裂缝扩展到整个粘结面,但植筋试件仍然能够携带裂缝继续工作。此外,苏九州[5]的研究进一步指出,预制混凝土与后浇混凝土之间的粘结性能受到多种因素的综合影响,主要包括混凝土强度、后浇混凝土材料类型、预制构件表面处理方式以及界面剂的选用等,且明确发现提高装配式混凝土结构中现浇混凝土的强度等级,能够对粘结性能的提升产生积极作用。

因此,本研究以RAC-UHPC齿槽节点试件为对象,采用正交试验与有限元分析结合的方式拓展数据:设计4因素4水平共16组试验方案,借助ABAQUS建立有限元模型并获取16组极限抗剪承载力数据。在此基础上,引入PLS方法构建承载力预测模型,经数据标准化、特征工程扩展及参数优化,实现高精度预测。研究旨在揭示关键参数对承载力的影响规律,建立可靠预测方法,为RAC-UHPC组合结构优化设计与工程应用提供支撑。

2. 数据库建立

正交试验是一种基于正交表设计和分析多因素试验的科学方法,它能够以较少的试验次数高效地分析多因素对试验结果的影响。因此本研究通过正交试验结合有限元方法开展数据拓展,考察4个关键因素(预制部分再生混凝土强度、后浇部分UHPC强度、剪切键个数、横向箍筋配筋率)对试件极限抗剪承载能力大小的影响,每个因素设置4个水平,因素与水平设计如表1所示。共设计出16种试验方案,其中再生混凝土中再生粗骨料替代率100%,试件横向钢筋采用直径为6 mm和10 mm的HRB400钢筋。

Table 1. Factors and levels of orthogonal design

1. 正交设计因素与水平

因素

水平

1

2

3

4

RAC强度

C30

C40

C50

C60

配筋率

0.283%

0.758%

1.570%

2.355%

UHPC强度

C120

C130

C140

C150

剪切键个数

1

2

3

4

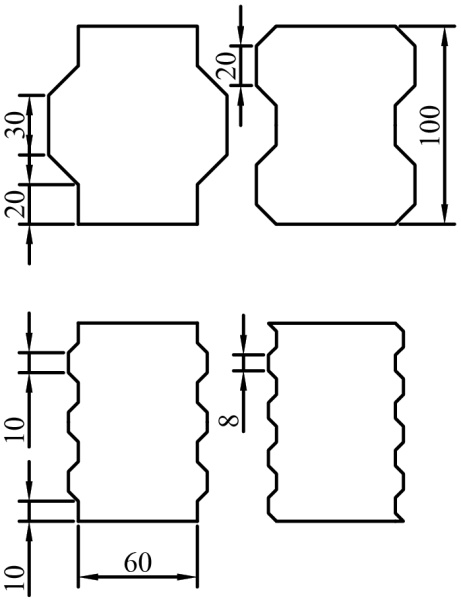
对正交设计组进行有限元分析,有限元建模过程参考Sun等人研究成果[6]。利用ABAQUS有限元软件,对RAC-UHPC齿槽节点试件进行建模和分析,试件后浇UHPC部分设计图以及试件模型示意图如图1所示。其中加载垫块与再生混凝土以及UHPC均采用八结点线性六面体单元,减缩积分C3D8R单元,钢筋采用两结点线性三维桁架T3D2单元。

在接触属性中,加载垫块与试件在法向上为硬接触,切向设置摩擦系数0.4。对于钢筋,采用双线性本构模型,其表达式如下:

σ( ε )={ E 0 ε,0<ε< ε a f y ,0<ε< ε cp (1)

式中,fy为钢筋的屈服强度,E0为钢筋的弹性模量, ε cp 为钢筋的极限拉应变。

通过有限元分析得到16组试件的极限抗剪强度,如表2所示。正交设计中带有箍筋的16组试件结果作为原始数据集构建神经网络预测模型。输入因素包含再生骨料混凝土强度(RAC)、配筋率、超高性能混凝土强度(UHPC)以及剪切键个数4个变量,输出结果为结构所承受的荷载值。

(a) (b)

Figure 1. Design drawings of the UHPC part and schematic diagrams of the model: (a) design drawings of the UHPC part; (b) schematic diagrams of the model

1. UHPC部分设计图以及模型示意图:(a) UHPC部分设计图;(b) 模型示意图

Table 2. Orthogonal experiment scheme and simulation results

2. 正交实验方案及模拟结果

试件编号

RAC强度(MPa)

配箍率(%)

UHPC强度(MPa)

剪力键数

极限荷载(kN)

30-0.6-120-1

30

0.283%

C120

1

71.889

30-1-130-2

30

0.758%

C130

2

77.070

30-2-140-3

30

1.570%

C140

3

84.627

30-3-150-4

30

2.355%

C150

4

85.016

40-0.6-130-3

40

0.283%

C130

3

83.652

40-1-120-4

40

0.758%

C120

4

97.938

40-2-150-1

40

1.570%

C150

1

103.140

40-3-140-2

40

2.355%

C140

2

105.268

50-0.6-140-4

50

0.283%

C140

4

95.000

50-1-150-3

50

0.758%

C150

3

115.734

50-2-120-2

50

1.570%

C120

2

121.059

50-3-130-1

50

2.355%

C130

1

124.540

60-0.6-150-2

60

0.283%

C150

2

99.077

60-1-140-1

60

0.758%

C140

1

124.577

60-2-130-4

60

1.570%

C130

4

140.888

60-3-120-3

60

2.355%

C120

3

144.932

3. 基于PLS的UHPC承载力预测模型

3.1. 模型基本原理

偏最小二乘回归分析法(PLS)作为一种先进的多元统计分析方法,通过将预测变量和观测变量投影到新的特征空间,系统性地寻找一组具有最佳解释能力的潜变量,从而建立自变量与因变量之间的稳健线性关系模型。本研究基于16个UHPC构件试验样本数据,包含4个关键自变量(RAC强度、配筋率、UHPC层厚度、剪切键个数)和1个因变量(极限承载力),采用PLS方法有效解决了小样本、多变量条件下的建模难题。

PLS算法的原理为矩阵分解的框架上,自变量矩阵X及因变量矩阵Y计算公式如下:

X=T P T +E (2)

Y=T Q T +F (3)

其中,T表示潜变量矩阵,集中反映了原始数据的主要特征信息;PQ分别代表XY的载荷矩阵,体现了各变量在潜变量空间中的贡献程度;EF为相应的残差矩阵,包含了模型未能解释的部分信息。该方法通过迭代提取潜变量的过程,在最大化自变量矩阵X方差解释能力的同时,也最大化X与因变量Y之间的协方差,从而有效克服了传统回归方法中常见的多重共线性问题,提高了模型的稳定性和预测精度。

3.2. 数据预处理与特征工程

在数据预处理阶段,本研究采用mapminmax标准化方法对原始试验数据进行归一化处理。该方法通过线性变换将各特征值映射到[0, 1]区间,有效消除了不同特征量纲差异对模型训练的影响,提高了算法的收敛速度和数值稳定性。标准化处理后的数据不仅保持了原始数据的分布特征,而且为后续的特征工程和模型训练奠定了良好的基础。

在特征工程构建方面,本研究采用分阶段、系统化的方法进行特征扩展。首先,基于数据分析结果,构建了基础交互特征组合,包括RAC与配筋率的交互项、RAC与UHPC的交互项以及RAC与剪切键个数的交互项,这些交互项能够有效反映各因素之间的协同作用效应。随后,为进一步挖掘变量间的非线性关系,引入了多项式特征项,包括RAC的二次项、剪切键个数的二次项以及RAC与剪切键的交互项。经过系统的特征扩展,特征维度由原始的4个基础特征增加至7个增强特征,显著提升了模型对复杂非线性关系的识别和捕捉能力,为建立高精度预测模型提供了充分的特征支持。

3.3. 模型参数优化

在模型参数优化阶段,本研究采用留一交叉验证(Leave-One-Out Cross Validation)系统性地优化PLS模型的潜变量数量。该方法通过循环将每个样本作为测试集,其余样本作为训练集,能够在小样本条件下最大限度地利用有限的试验数据,获得更为可靠的模型评估结果。研究在1~10个潜变量数范围内进行了系统的参数搜索,以决定系数R²作为核心评价指标,全面评估不同参数配置下模型的预测性能。

经过详细的参数优化分析,确定最优潜变量数为2,此时模型交叉验证的R²平均值达到0.8444,表明模型在保证泛化能力的同时具有较好的预测精度。这一参数优化过程不仅考虑了模型的拟合优度,还充分兼顾了模型的复杂度和稳健性,避免了过拟合现象的发生。最终确定的2个潜变量能够在有效提取数据主要特征的前提下,保持模型的简洁性和可解释性,为后续的模型应用提供了可靠的参数基础。

3.4. 综合优化模型构建

在完成数据预处理、特征工程和参数优化的基础上,本研究构建了综合优化PLS预测模型。基于确定的最优参数配置,采用2个潜变量对经过多项式特征工程处理的7维特征数据集进行系统性的模型训练。通过plsregress函数计算得到包括潜变量载荷矩阵(XL, YL)、得分矩阵(XS, YS)在内的完整模型参数体系,并获得优化后的回归系数矩阵。

模型预测值计算公式如下:

Y ^ scaled = β 0 + i=1 7 β i X poly,i (4)

其中, ( β optimized ) 代表优化后的回归系数向量,包含了各特征变量对承载力的贡献权重。为了将模型预测结果转换为实际工程意义下的荷载值,将标准化后的预测值通过mapminmax反标准化处理,使其恢复至原始量纲。经过系统优化后的PLS模型R2达到0.9159,如图2所示。从图中可以看出数据点紧密分布在基准线附近,进一步验证了模型的准确性。

Figure 2. Fitting relationship diagram between actual load and predicted load under the optimized model

2. 优化模型下实际荷载与预测荷载的拟合关系图

3.5. 主流回归算法性能对比

为全面评估PLS模型的性能优势,本研究同时采用支持向量机回归(SVR)和随机森林回归(RF)两种主流机器学习算法进行对比分析。所有模型均采用相同的7维特征数据集和留一交叉验证方法,以确保比较的公平性。支持向量机回归(SVR)采用径向基核函数,通过网格搜索优化正则化参数C和核函数参数γ,最佳参数组合为C = 10,γ = 0.1。随机森林回归(RF)通过调节决策树数量和最大深度,确定最优参数为树数量50,最大深度2。性能对比结果显示,PLS模型的交叉验证R2达到0.9159,显著高于SVR模型的0.7942和RF模型的0.4763。特别是在小样本条件下,PLS模型表现出更好的稳定性和泛化能力,而RF模型存在轻微的过拟合现象,SVR模型对参数设置较为敏感。对比分析表明,PLS模型在处理本研究的小样本、高维数据时具有明显优势,其双重降维特性有效避免了维度灾难,同时通过协方差最大化原则确保了模型的预测精度。

4. 模型结果与分析

4.1. 变量重要性分析

基于变量重要性投影(VIP)指标对各特征变量的影响程度进行量化评估。分析结果表明,在7个特征变量中,RAC强度及其平方项的VIP值分别为1.6784和1.6861,均显著大于1.0的重要性阈值,这表明RAC强度是影响UHPC承载力的最关键因素。相比之下,其他变量的VIP值均低于阈值,其中配筋率的VIP值为0.5896,UHPC厚度的VIP值为0.1887,剪切键数量的VIP值为0.4090,而各衍生特征的VIP值也均小于1。这一分布规律说明,在所选参数范围内,RAC强度对承载力的贡献占主导地位,而其他因素的影响相对有限。变量重要性的具体分布如图3所示,为参数优化设计提供了明确的方向。

Figure 3. Variable importance distribution diagram

3. 变量重要性分布图

4.2. 模型预测精度分析

经过系统优化后的偏最小二乘回归模型展现出卓越的预测性能。模型评估结果显示,优化后模型的R2达到0.9159,这一数值显著高于基础PLS模型的R2 (0.8444),预测精度提升幅度达8.5%,如图4所示。从统计学角度分析,优化后的模型对试验数据的拟合效果优异。这一结果证明,通过特征工程和参数优化后建立的预测模型具有很高的可靠性,能够准确反映各影响因素与承载力之间的内在关系,为UHPC构件的承载力预测提供了有效的分析工具。

Figure 4. Model performance comparison diagram

4. 模型性能比较图

4.3. 残差与误差分析

残差分布和误差分析结果分别如图5所示,为模型的有效性提供了有力支撑。通过对模型残差的系统分析发现,预测误差呈现出良好的随机分布特性,残差均值为−0.214 kN,接近零值,且未发现明显的趋势性规律。误差分布直方图显示,绝大多数预测误差集中在±20 kN的范围内,误差分布近似正态分布,未见显著异常值存在。预测值与实测值的散点图分析表明(图2),16个试验数据点均紧密分布在y = x基准线两侧,分布均匀,无系统性偏差。这些特征共同证明了所建立模型具有良好的稳定性和可靠性,能够满足工程预测的精度要求。

(a) (b)

Figure 5. Residual and error analysis diagram: (a) residual analysis diagram; (b) error distribution diagram

5. 残差与误差分析图:(a) 残差分析图;(b) 误差分布图

5. 结论

基于本研究对偏最小二乘法在装配式节点承载力预测中的应用分析,得出以下四条主要结论:

1) 基于偏最小二乘回归构建的UHPC承载力预测模型具有优异的预测性能,经过特征工程和参数优化后模型决定系数R2达到0.9159,相较于基础模型提升8.5%,能够解释91.59%的承载力变异。在本文研究的参数范围内,该模型展现出对UHPC构件承载力的高精度预测能力,可为UHPC构件承载力预测提供初步的理论参考,其应用推广需进一步的试验验证。

2) 变量重要性分析显示,RAC强度及其平方项的VIP值分别为1.6784和1.6861,是仅有的两个超过重要性阈值1.0的参数,表明RAC强度是影响UHPC承载力的决定性因素,在工程设计中应作为关键控制指标。

3) 模型验证结果表明,预测误差均值为−0.214 kN,误差分布在±20 kN范围内且呈随机分布特征,16个试件的预测值与实测值紧密分布在基准线两侧,证明在本研究的小样本模拟数据范围内,模型具有良好的稳定性和一定的工程适用性。

4) 通过交叉验证确定最优PLS成分数为2,建立的8 × 1维回归系数矩阵在保证预测精度的同时有效控制了模型复杂度,为UHPC承载力预测提供了简便可靠的计算工具。

参考文献

[1] 李飞, 刘晨辉, 吴英彪, 等. 建筑垃圾再生材料对可控低强材料(CLSM)性能影响研究[J]. 混凝土, 2018(8): 71-73+78.
[2] 肖建庄, 李坛, 马志鸣. 再生混凝土[M]. 北京: 中国建筑工业出版社, 2008: 12-19.
[3] 樊健生, 丁然. 超高性能混凝土在房屋建筑结构中的研究与应用进展[J]. 硅酸盐学报, 2023, 51(5): 1246-1258.
[4] 张智龙. 再生混凝土新旧界面抗剪性能试验研究[D]: [硕士学位论文]. 哈尔滨: 哈尔滨工业大学, 2017.
[5] 苏九州. 预制装配竖接缝专用混凝土与构件界面粘结性能研究[D]: [硕士学位论文]. 郑州: 华北水利水电大学, 2020.
[6] Sun, C., Zhao, H.Y., Wu, X., Liu, Q. and Pan, F. (2025) Study on the Shear Failure Characteristics of RAC Push-Off Specimens with UHPC Shear Keys. Low-Carbon Materials and Green Construction, 3, Article No. 15. [Google Scholar] [CrossRef