基于智能优化算法的求解电路方程对比研究
Comparative Study on Solving Circuit Equations Based on Intelligent Optimization Algorithms
DOI: 10.12677/airr.2026.151019, PDF, HTML, XML,    科研立项经费支持
作者: 高薪越, 宋甜甜, 郑步京, 钱汤亮, 朱洋辰, 丁 超, 孔维宾*:盐城工学院信息工程学院,江苏 盐城
关键词: 电路线性方程组智能优化算法Circuit Analysis Linear Equation System Intelligent Optimization Algorithm
摘要: 针对电路方程组求解难度大的问题,通过引入优化算法求解电路方程,可应用于更为复杂的电路计算。本文将线性电路方程转化为优化问题,为复杂电路计算提供高效解决方案。选取灰狼优化算法、白骨顶鸡优化算法和蜣螂优化算法三种典型智能优化算法,系统对比分析其在电路方程求解中的性能表现。通过建立电路方程模型,结合电路图进行数值验证。
Abstract: To address the difficulty of solving circuit equation systems, introducing optimization algorithms to solve circuit equations can be applied to more complex circuit calculations. This article transforms linear circuit equations into optimization problems, providing efficient solutions for complex circuit calculations. Select three typical intelligent optimization algorithms: Grey Wolf Optimization Algorithm, White Bone Top Chicken Optimization Algorithm, and Beetle Optimization Algorithm, and systematically compare and analyze their performance in solving circuit equations. By establishing circuit equation models and combining them with circuit diagrams, numerical verification can be performed.
文章引用:高薪越, 宋甜甜, 郑步京, 钱汤亮, 朱洋辰, 丁超, 孔维宾. 基于智能优化算法的求解电路方程对比研究[J]. 人工智能与机器人研究, 2026, 15(1): 188-196. https://doi.org/10.12677/airr.2026.151019

1. 引言

电路分析的核心是通过建立元件间的电压与电流关系,将电路问题转化为线性或非线性方程组的求解问题[1]。高效、精准地求解电路方程组不仅在电力电子、通信工程和自动控制等领域具有重要理论价值,也对电路设计、性能评估与系统仿真提供关键支撑。传统求解方法主要包括精确法和迭代法[2] [3],尽管此类方法在局部收敛性和计算效率方面已形成较为成熟的理论体系并得到了广泛应用,但仍存在对初始值高度敏感、易陷入局部最优解以及难以全面获取方程组全部可行解等局限性[4]

近年来,智能优化算法凭借其结构简洁、参数依赖性低及全局搜索能力强等特点,在非线性方程组求解领域展现出相较于传统数值方法更为突出的优势[5]。欧阳艾嘉等[6]将Hooke-Jeeves方法与粒子群优化算法相结合,提出混合粒子群算法,实现了全局搜索与局部优化的协同作用,显著提升了求解精度。赵世杰等[7]则通过引入基于邻域交叉的双变异差分进化算法,在增强种群多样性和个体差异性的基础上,实现了非线性方程组多根的高效同步求解;汪继文等[8]将差分进化算法中的变异算子融入人工蜂群算法,有效提升了算法的收敛速度与求解精度。因此,引入智能优化算法能够在保证全局搜索能力的同时,有效提升电路方程求解的精度与效率。

针对上述问题,本文将线性电路方程转化为优化问题,并选取灰狼优化算法[9]、白骨顶鸡优化算法[10]和蜣螂优化算法[11]三种典型智能优化算法作为研究对象,对其在电路方程求解中的性能进行系统对比分析。通过揭示不同算法在全局搜索能力与求解稳定性方面的差异,为智能优化算法在电路分析与电路设计领域的应用提供可行路径与理论参考。

2. 理论基础

2.1. 线性方程组

电路分析的本质是建立节点电压与支路电流之间的平衡关系。基于基尔霍夫电流定律(KCL)、基尔霍夫电压定律(KVL)以及各类电学元件的伏安特性,任意电路均可形式化为如下联立代数方程组:

{ f 1 ( x 1 ,, x n )=0 f 2 ( x 1 ,, x n )=0 f m ( x 1 ,, x n )=0 (1)

其中, x= [ x 1 ,, x n ] T 表示节点电压或支路电流, m 为方程个数, n 为待求变量数。

利用优化算法求解线性方程组,需要将线性方程组的求解问题转化为求解目标函数的最小值:

max= i=1 m f i 2 ( x ) (2)

2.2. 灰狼优化算法

灰狼优化算法(Grey Wolf Optimization, GWO)的灵感来源于自然界中灰狼的等级制度以及狩猎行为。算法中通常将当前的最优解视为狼群中的最高等级个体 α ,次优解狼群等级从高到低依次为 β δ ω 。狼群捕猎主要包括勘探猎物、包围猎物和攻击猎物3个步骤。其数学模型为:

D=| C× X prey ( t )X( t ) | (3)

X( t+1 )= X prey ( t )A×D (4)

式中: D 是距离参数; X prey ( t ) 为灰狼经过第 t 次迭代后所得出的猎物当前所在位置; X( t ) 为灰狼个体第 t 次迭代所处位置,即算法的局部最优解位置; A C 为勘探猎物中的随机数,其数学模型为:

A=2×a× r 1 a (5)

C=2× r 2 (6)

式中:

a=2 2t T max (7)

收敛算子 a 从2线性递减到0; t 为当前迭代次数, T max 为种群的最大迭代次数; r 1 r 2 为区间 [ 0,1 ] 中的随机数。

灰狼种群包围猎物的数学模型为:

{ D α =| C 1 × X a ( t )X( t ) | D β =| C 2 × X β ( t )X( t ) | D δ =| C 3 × X δ ( t )X( t ) | (8)

式中: α,β δ 狼与其他狼的距离由 D α , D β D δ 表示; X( t ) 为当前灰狼个体的位置, X α ( t ), X β ( t ) X δ ( t ) 代表 α,β δ 狼的当前位置。

攻击猎物阶段, ω 狼朝前3个潜在解 α 狼、 β 狼和 δ 狼移动,攻击猎物,更新位置,其数学模型为:

{ X 1 = X α ( t ) A 1 × D α X 2 = X β ( t ) A 2 × D β X 3 = X δ ( T ) A 3 × D δ (9)

X( t+1 )= X 1 + X 2 + X 3 3 (10)

2.3. 白骨顶鸡优化算法

白骨顶优化算法(COOT)的灵感源自白骨顶鸡在水面的自然运动与群体协作行为。算法中,白骨顶种群分为领导者(leader)与普通个体(coot)两类,领导者作为种群中的优势个体,负责指引群体朝向最优目标(食物源)前进。算法具体模拟了四种典型移动模式:个体随机移动以探索未知区域、链式移动实现群体协同靠拢、普通个体跟随领导者调整位置、领导者主导的最优区域导向运动,算法通过在上述四种模式之间进行动态切换,实现全局探索与局部开发能力的有效平衡。

COOT使用区间 ( 0,1 ) 中的随机数初始化种群位置,数学表达式如下所示:

Cootpos( i )=rand( 1,D )( ublb )+lb (11)

式中, Cootpos( i ) 是第 i 只白骨顶鸡的位置, i[ 1,N ] N 为种群的数量; D 是问题的维度; ub,lb 分别是搜索空间的上限和下限。

生成初始种群位置之后,计算个体适应度,并随机选择种群数量1/10的个体作为群体领导者。然后,群体基于以下4种移动方式更新位置:随机移动、链式移动、跟随领导者移动和领导者移动。

首先使用公式(2)生成随机位置 Q ,然后通过公式(3)进行随机移动:

Q=rand( 1,D )( ublb )+lb (12)

Cootpos( i )=Cootpos( i )+A R 2 ( QCootpos( i ) ) (13)

式中, R 2 是区间 [ 0,1 ] 中的随机数; A 随迭代次数的增加由1线性递减到0, A 的计算公式为:

A=1 t T max (14)

式中, T max 是最大迭代次数; t 是当前迭代次数。

链式移动使用两只白骨顶鸡的位置计算平均值,其数学表达式如下所示:

Cootpos( i )= 1 2 ( Cootpos( i1 )+Cootpos( i ) ) (15)

式中, Cootpos( i1 ) 是前一只白骨顶鸡的位置。

白骨顶鸡个体根据群体领导者更新它们的位置,逐渐靠近领导者。根据如下来选择领导者:

K=1+( i MOD  N L ) (16)

式中, K 表示选定的第 K 个领导者; N L 是领导者的数量,设置为种群数量的1/10; MOD 为求余函数。跟随领导者移动的数学表达式如下所示:

Cootpos( i )=LeaderPos( K )+2 R 1 cos( 2Rπ )( LeaderPos( K )Cootpos( i ) ) (17)

式中, LeaderPos( K ) 是选定的领导者位置; R 1 是区间 [ 0,1 ] 中的随机数; R 是区间 [ 1,1 ] 中的随机数。

领导者向当前最优的邻域移动,通过如下公式实现:

LeaderPos( i )={ B R 3 cos( 2Rπ )( gBestLeaderPos( i ) )+ g Best ,if R 4 <0.5 B R 3 cos( 2Rπ )( gBestLeaderPos( i ) ) g Best ,otherwise (18)

式中, g Best 是当前最优位置; R 3 R 4 是区间 [ 0,1 ] 中的随机数; B 随迭代次数的增加由2线性递减到1, B 的计算公式如下:

B=2 t T max (19)

2.4. 蜣螂算法

蜣螂在将粪球滚回巢穴的过程中表现出高度适应性的导航行为。研究表明,其能够利用太阳光、月光等天体线索维持滚动路径的直线性;然而在夜间光照不足的情况下,导航精度会显著下降,导致运动轨迹出现弯曲甚至偏离直线。为应对环境干扰,蜣螂通常会爬至粪球顶部进行短暂的“定向行为”,以重新获取外界线索并校正滚动方向。

基于蜣螂的滚动行为与方向校正机制,蜣螂优化算法构建了相应的搜索策略模型。算法将蜣螂的移动过程抽象为搜索空间中的位置迭代,并将光源强度视为影响导航精度的重要环境变量,以模拟蜣螂在不同光照条件下的方向选择与路径修正机制。其位置更新模型如下式所示。

x i ( t+1 )= x i ( t )+α×k× x i ( t1 )+b×| x i ( t ) X P | (18)

其中, x i ( t+1 ) 表示第 i 个个体在第 t 次迭代时的位置, k( 0,0.2 ] 是偏转系数, b( 0,1 ) 为自然系数, α{ 1,1 }

当蜣螂在行进过程中遇到障碍物无法前行时,会通过短暂的“定向行为”来重新定位自身位置,以获取新的导航信息并校正运动方向。为模拟这一方向重置过程,算法采用切线函数构建方向更新算子,用以计算蜣螂新的滚动角度,其取值区间为 [ 0,π ] 。完成方向校正后,蜣螂继续沿更新后的方向推进,此时其位置更新方式如下所示。

x i ( t+1 )= x i ( t )+tan( θ )| x i ( t ) x i ( t1 ) | (19)

其中, θ[ 0,π ] 为蜣螂行进方向偏转角,当 θ 等于 0, π 2 π 时,位置不变。

当粪球被成功滚回家后,引入了边界选择策略构建产卵区,如下所示。

{ L b * =max[ X * ×( 1R ),Lb ] U b * =min[ X * ×( 1R ),Ub ] (20)

其中, L b * U b * 分别为该区域范围的下界和上界, Lb Ub 分别为算法在探索时的下界和上界, X * 为当前算法寻找到的最优位置。惯性权值通常会随着迭代次数动态调整,以平衡全局搜索和局部搜索。通过动态调整惯性权值,算法可以在搜索过程中更好地探索和利用搜索空间,从而提高优化性能。惯性权值如下所示。

R=1 t T max (21)

其中, T max 为算法迭代的最大次数。

在迭代过程中,孵卵粪球的位置是动态变化的,其定义如下所示。

B i ( t+1 )= X * + b 1 ×[ B i ( t )L b * ]+ b 2 ×[ B i ( t )U b * ] (22)

其中 B i ( t ) 是第 t 次迭代时第 i 个孵卵粪球的位置, b 1 b 2 表示大小为 1×D 的两个随机向量, D 代表问题的维度规模。

建立最佳觅食区域引导孵化成功的小蜣螂,最佳觅食区域的定义如下所示。

{ L b b =max[ X b ×( 1R ),Lb ] U b b =min[ X b ×( 1R ),Ub ] (23)

其中, X b 为全局最优位置, L b b U b b 分别为最佳觅食区域的下界和上界。小蜣螂的位置更新方式如等式(7)所示。

x i ( t+1 )= x i ( t )+ C 1 ×[ x i ( t )L b b ]+ C 2 ×[ x i ( t )U b b ] (24)

其中, x i ( t ) 表示第 t 次迭代过程中时,第 i 只小蜣螂所处的空间位置, C 1 是随机数,且 C 1 遵循正态分布, C 2 是从区间 ( 0,1 ) 内随机选择的向量。

在蜣螂社会中,也存在着一些个体不愿意自己滚粪球,而是选择偷窃其他蜣螂的粪球。在迭代过程中,具有偷盗行为的蜣螂位置更新方式如下所示。

x i ( t+1 )= X b +S×g×[ | x i ( t ) X * |+| x i ( t ) X b | ] (25)

其中, x i ( t ) 表示第 t 次迭代过程第 i 只小偷的空间位置, g 是遵循正态分布且大小为 1×D 的随机向量, S 是被赋值为0.5的常量。

3. 验证与分析

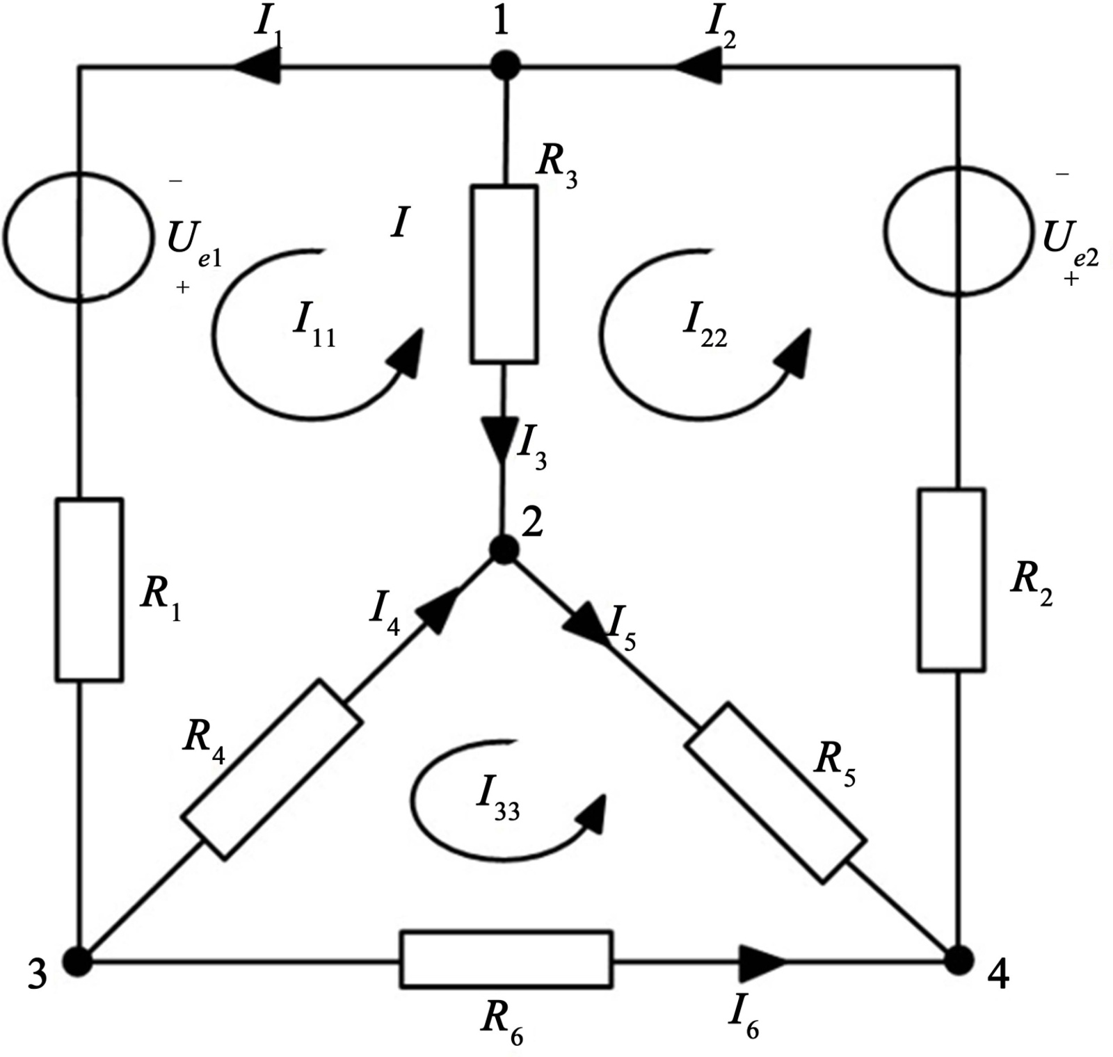
图1所示的电路图中,已知 U e1 =8V U e2 =4V U e3 =2V R 1 = R 2 = R 4 =1Ω R 3 =3Ω R 5 =2Ω R 6 =7Ω ,求解 I l1 , I l2 , I l3

Figure 1. Circuit diagram

1. 电路图

根据电路等效分析可得:

{ R 11 = R 1 + R 2 + R 3 =5Ω R 22 = R 2 + R 4 + R 5 =4Ω R 33 = R 3 + R 5 + R 6 =12Ω R 12 = R 21 = R 2 =1Ω R 23 = R 32 = R 5 =2Ω R 13 = R 31 = R 3 =3Ω

根据戴维南定理可得:

{ R 11 I l1 + R 12 I l2 + R 13 I l3 = U e1 U e2 R 21 I l1 + R 22 I l2 + R 23 I l3 = U e2 + U e3 R 31 I l1 + R 32 I l2 + R 33 I l3 =0

代入数值:

{ 5 I l1 I l2 3 I l3 =4 1 I l1 +4 I l2 2 I l3 =6 3 I l1 2 I l2 +12 I l3 =0

利用蜣螂算法(DBO)、灰狼优化算法(GWO)、白骨顶鸡优化算法(COOT)求解的迭代曲线图2所示。计算结果如表1所示。蜣螂算法与其他两个算法相比计算精度更高,迭代速度更快。

Figure 2. Iteration curve graph

2. 迭代曲线图

Table 1. Comparison of calculation results and data

1. 计算结果数据对比

电流

I l1

I l2

I l3

精确解

1.775

2.3625

0.8375

蜣螂算法(DBO)

1.775

2.3625

0.8375

灰狼优化算法(GWO)

1.7755

2.3623

0.8377

白骨顶鸡优化算法(COOT)

1.7730

2.3597

0.8362

图3所示电路图,已知 U e1 =40V U e2 =20V R 1 = R 2 =2Ω R 3 =1Ω R 4 =8Ω R 5 =4Ω R 6 =6Ω 。求解 I 11 , I 22 , I 33

根据电路的等效分析可得:

Figure 3. DC circuit diagram

3. 直流电路图

{ R 11 = R 1 + R 3 + R 4 =11Ω R 22 = R 2 + R 3 + R 5 =7Ω R 33 = R 4 + R 5 + R 6 =18Ω R 12 = R 21 = R 3 =1Ω R 23 = R 32 = R 5 =4Ω R 13 = R 31 = R 4 =8Ω

根据戴维宁定理可得:

{ R 11 I 11 + R 12 I 22 + R 13 I 33 = U e1 R 21 I 11 + R 22 I 22 + R 23 I 33 = U e2 R 31 I 11 + R 32 I 22 + R 33 I 33 =0

代入数值可得:

{ 11 I 11 I 22 8 I 33 =40 I 11 +7 I 22 4 I 33 =20 8 I 11 4 I 22 +18 I 33 =0

利用蜣螂算法(DBO)、灰狼优化算法(GWO)、白骨顶鸡优化算法(COOT)求解的迭代曲线图4所示。计算结果如表2所示。蜣螂算法与其他两个算法相比计算精度更高,迭代速度更快。

Figure 4. Iteration curve graph

4. 迭代曲线图

Table 2. Comparison of calculation results and data

2. 计算结果数据对比

电流

I 11

I 22

I 33

精确解

5

−1

2

蜣螂算法(DBO)

5.0000

−1.0000

2.0000

灰狼优化算法(GWO)

5.0017

−0.9984

2.0008

白骨顶鸡优化算法(COOT)

4.9993

−1.0007

1.9994

4. 结论

本文针对电路方程组求解难度大、传统方法易受初始值影响且易陷入局部最优的问题,将线性电路方程转化为优化问题,选取灰狼优化算法、白骨顶鸡优化算法和蜣螂优化算法三种智能优化算法,通过建立电路方程模型并结合电路图进行数值验证,系统对比分析了三种算法在电路方程求解中的性能表现。

智能优化算法在电路方程求解领域的应用仍有广阔拓展空间。一方面可针对现有算法短板,通过融合改进与物理信息引导实现性能升级,降低参数敏感性并提升寻优稳定性;另一方面需向非线性、时变及大规模集成电路等复杂场景延伸,结合电路设计、故障诊断等工程需求强化实用性。

基金项目

大学生创新创业训练计划资助项目(2025481、2025482、2025517)。

NOTES

*通讯作者。

参考文献

[1] 裴志坚. 基于高斯-赛德尔迭代法及MATLAB软件的电路方程组求解方法[J]. 北京工业职业技术学院学报, 2017, 16(3): 22-25.
[2] 刘雄峰, 姚思远. 迭代法求解电路方程组的Matlab软件实现[J]. 电子测试, 2021(6): 46-48.
[3] 裴志坚. 迭代法求解电路方程组的Matlab软件实现[J]. 常州信息职业技术学院学报, 2017, 16(4): 24-26, 29.
[4] 郭煜. 改进粒子群优化算法的非线性方程组求解研究[J]. 自动化技术与应用, 2022, 41(7): 6-9.
[5] 张伟, 莫愿斌. 非线性方程组的增强型部分强化算法求解与应用[J]. 数学的实践与认识, 2024, 54(8): 191-205.
[6] 欧阳艾嘉, 刘利斌, 乐光学, 等. 求解非线性方程组的混合粒子群算法[J]. 计算机工程与应用, 2011, 47(9): 33-36.
[7] 赵世杰, 赵秋丽, 陈淼, 等. 基于邻域交叉的双变异差分进化算法求解非线性方程组[J]. 控制与决策, 2025, 40(2): 546-552.
[8] 汪继文, 杨丹, 邱剑锋, 等. 改进人工蜂群算法求解非线性方程组[J]. 安徽大学学报(自然科学版), 2014, 38(3): 16-23.
[9] 沈家北. 基于改进灰狼优化算法的五电平逆变器SHEPWM调制策略研究[D]: [硕士学位论文]. 阜新: 辽宁工程技术大学, 2023.
[10] 张志飞, 孔维宾, 杜义, 等. 融合翻筋斗觅食和正余弦策略的白骨顶鸡优化算法[J]. 软件工程, 2024, 27(11): 44-48.
[11] 吕亚娜, 袁慧玲, 于舒娟, 等. 改进蜣螂优化算法的无人机路径规划[J]. 兵器装备工程学报, 2025, 46(8): 1-10.