基于MATLAB/Simulink的主动悬架PID与LQR控制策略仿真对比研究
Simulation Comparison Study of PID and LQR Control Strategies for Active Suspension Based on MATLAB/Simulink
DOI: 10.12677/dsc.2026.151004, PDF, HTML, XML,   
作者: 程 华, 魏 银:西华大学汽车与交通学院,四川 成都
关键词: 主动悬架PID控制LQR最优控制MATLAB/SimulinkActive Suspension PID Control LQR Optimal Control MATLAB/Simulink
摘要: 汽车悬架系统是决定车辆平顺性、操纵稳定性及行驶舒适性的核心部件。为对比不同控制策略对主动悬架的控制效果,本文以1/4主动悬架系统为研究对象,基于牛顿第二定律建立其动力学微分方程,并进一步推导得到状态空间方程,且验证了系统的能控性与能观性。利用MATLAB/Simulink仿真软件搭建仿真环境,以白噪声信号模拟随机路面输入,分别设计PID控制策略与LQR最优控制策略,围绕车身加速度、悬架动挠度及轮胎动位移三大核心评价指标,对比分析两种控制策略的仿真结果,明确二者在主动悬架控制中的性能优势差异,为悬架控制策略的优化选择提供参考。
Abstract: The automotive suspension system is a core component that determines vehicle ride comfort, handling stability, and driving smoothness. To compare the control effects of different control strategies on active suspensions, this study takes a 1/4 active suspension system as the research object. Dynamic differential equations are established based on Newton’s second law, and the state-space equations are further derived with verification of the system’s controllability and observability. Using MATLAB/Simulink simulation software to build the simulation environment, white noise signals are adopted to simulate random road inputs. PID control strategy and LQR optimal control strategy are designed respectively. Centering on three core evaluation indicators—body acceleration, suspension dynamic deflection, and tire dynamic displacement—the simulation results of the two control strategies are compared and analyzed. The differences in performance advantages between the two in active suspension control are clarified, providing a reference for the optimal selection of suspension control strategies.
文章引用:程华, 魏银. 基于MATLAB/Simulink的主动悬架PID与LQR控制策略仿真对比研究[J]. 动力系统与控制, 2026, 15(1): 43-55. https://doi.org/10.12677/dsc.2026.151004

1. 引言

随着汽车智能化、网联化技术的快速发展,用户对车辆行驶平顺性、操纵稳定性及乘坐舒适性的要求愈发严苛[1] [2]。汽车悬架系统作为连接车身与车轮的核心承载部件,其性能直接决定了路面对车辆的冲击缓冲效果、车身振动抑制能力,是保障行车安全与驾乘体验的关键环节[2] [3]。在复杂多变的行驶路况下,悬架系统需实时平衡路面激励吸收与车身姿态控制,其控制策略的合理性对整车性能提升具有决定性意义[4] [5]

根据控制逻辑与结构特性,悬架系统可分为被动悬架与主动悬架两大类。被动悬架的弹簧刚度、减振器阻尼等参数为固定值,仅能通过机械结构的物理特性被动响应路面激励,难以适配不同路况下的动态性能需求,存在舒适与操控的固有矛盾。主动悬架则依托电控系统与执行机构,可根据实时采集的路面状况、车身姿态、行驶速度等参数,动态调节悬架刚度与阻尼特性,从而突破被动悬架的性能局限,实现不同行驶场景下的最优减震效果,成为中高端车型与高性能车辆的核心配置之一[6] [7]

实际道路环境具有强随机性与不确定性,为精准模拟这一工况,本文采用白噪声信号作为随机路面激励输入。以车身加速度(直接关联乘坐舒适性)、悬架动挠度(影响悬架行程合理性)、轮胎动位移(保障轮胎接地性与行驶安全性)作为核心评价指标,选取工程领域应用广泛的PID控制策略与基于最优控制理论的LQR控制策略作为研究对象,通过动力学建模与MATLAB/Simulink仿真分析,系统对比两种控制策略在主动悬架系统中的控制效果与性能优势,为悬架控制策略的工程优化与选型提供理论支撑与仿真依据。

2. 车辆主动悬架系统数学模型的建立

为实现主动悬架控制策略的精准仿真与性能对比,需先建立能反映系统核心动力学特性的数学模型。考虑到整车悬架系统的对称性与复杂性,行业内普遍采用1/4悬架模型进行动力学分析——该模型可剥离非核心干扰因素,聚焦单轮处车身与车轮的动力学耦合关系,同时能精准复现悬架系统的核心振动特性,为控制策略设计提供兼具精度与计算效率的建模基础。本章基于该模型完成动力学建模与特性验证。

2.1. 主动悬架系统的模型简化与参数的选取

将整车主动悬架系统简化为二自由度1/4悬架模型,模型包含簧上质量(车身两侧对应部分)、簧下质量(车轮与车桥组件)、悬架弹簧、悬架阻尼器及主动控制力执行机构五大核心部件,其结构示意图如图1所示。该模型通过集中质量法描述关键部件的运动状态,忽略了轮胎侧偏、车身侧倾等次要动力学行为,可有效聚焦“路面激励–悬架响应”的核心传递路径。

注: M 1 为簧下质量, M 2 为簧上质量, K 1 为轮胎刚度, K 2 为悬架刚度, C 2 为悬架阻尼, F k 为主动控制力, X 0 为路面位移, X 1 为簧下质量位移, X 2 为簧上质量位移。

Figure 1. Suspension system two-degree-of-freedom 1/4 model

1. 悬架系统二自由度1/4模型

模型参数的选取需兼顾典型性与工程实用性,参考主流家用轿车的悬架系统参数范围,结合实验室台架测试数据,确定各核心参数的取值[6] [8]。参数含义及具体取值如表1所示,所有参数均处于量产车型悬架系统的合理参数区间内,保证了模型的工程参考价值[7] [8]

Table 1. Parameter meaning and related parameter selection

1. 参数含义及有关参数选取

参数代号

代表含义

参数取值

单位

M 1

簧下质量(车轮 + 车桥)

40

Kg

M 2

簧上质量(车身对应部分)

500

kg

K 1

轮胎刚度

240,000

N/m

K 2

悬架弹簧刚度

16,000

N/m

C 2

悬架阻尼器阻尼系数

1500

Ns/m

2.2. 主动悬架系统状态方程的建立

基于牛顿第二定律对模型中簧下质量 M 1 与簧上质量 M 2 分别进行受力分析[6] [9]:簧下质量 M 1 主要承受悬架阻尼力、悬架弹簧弹力、轮胎弹力及主动控制力;簧上质量 M 2 主要承受悬架阻尼反力、悬架弹簧反力及主动控制力。通过受力平衡关系联立,建立主动悬架系统的动力学微分方程如下[7] [10]

{ X ¨ 1 = C 2 M 1 ( X ˙ 2 X ˙ 1 )+ K 2 M 1 ( X 2 X 1 ) K 1 M 1 ( X 1 X 0 ) 1 M 1 F k X ¨ 2 = 1 M 2 F K C 2 M 2 ( X ˙ 2 X ˙ 1 ) K 2 M 2 ( X 2 X 1 ) (1)

式中: X 0 为路面位移激励, X 1 为簧下质量位移, X 2 为簧上质量位移, F k 为主动控制力;当 F k =0 时,方程退化为被动悬架的动力学微分方程,可作为后续仿真对比的基准模型。

为适配现代控制理论(尤其是LQR最优控制)的设计需求,将微分方程转化为状态空间表达式。选取能完整描述系统动力学状态的4个变量组成状态向量: Z 21 = X 2 X 1 Z 10 = Z 1 Z 0 Z ˙ 2 = X ˙ 2 Z ˙ 1 = X ˙ 1 ,组成的状态向量如下为:

X= [ Z 21 Z ˙ 2 Z 10 Z ˙ 1 ] T (2)

则系统的状态方程为:

X ˙ =AX+BU+EW (3)

式中:A为4 × 4阶系统状态矩阵(反映系统固有动力学特性),B为4 × 1阶控制输入矩阵(反映控制输入对状态的影响),E为4 × 1阶扰动输入矩阵(反映路面激励对状态的影响)。

选取车身加速度 Z ˙ 2 、悬架动挠度 Z 21 和轮胎动位移 K 1 Z 10 ,组成状态空间的输出向量Y如下:

Y= [ Z ¨ 2 Z 21 K 1 Z 10 ] T (4)

则系统的输出方程为:

Y=CX+DU (5)

式中:C为输出矩阵,D为直接传递矩阵。

代入表1参数值进行矩阵计算,最终得到各系数矩阵:

A=[ 0 1 0 1 K 2 M 2 C 2 M 2 0 C 2 M 2 0 0 0 1 K 2 M 1 C 2 M 1 K 1 M 1 C 2 M 1 ] (6)

B= [ 0 1 M 2 0 1 M 1 ] T (7)

E= [ 0 0 1 0 ] T (8)

C=[ C 2 M 2 C 2 M 2 K 2 M 2 0 0 0 1 0 0 0 0 K 1 ] (9)

D= [ 1 M 2 0 0 ] T (10)

2.3. 主动悬架系统能控性与能观性验证

能控性与能观性是现代控制理论中控制器设计的核心前提:能控性确保控制输入可对系统所有状态进行调节,能观性确保系统输出可反映所有状态信息——这对LQR最优控制的有效性至关重要,同时也为PID控制的参数整定提供理论支撑。

系统完全能控的充分必要条件是能控矩阵 M=[ B,AB, A 2 B, A 3 B ] 的秩等于系统阶数n = 4;系统完全能观的充分必要条件是能观矩阵 N=[ C T , A T , C T , A T 2 C T , A T 3 C T ] 的秩等于n = 4。

利用MATLAB控制工具箱中的函数进行数值验证:调用ctrb (A, B)函数构造能控矩阵M,通过rank(M)计算得矩阵秩 r M =4 ,与系统阶数一致,证明系统完全能控的。

调用obsv (A, C)函数构造能观矩阵N,通过rank(N)计算得矩阵秩 r N =4 ,与系统阶数一致,证明系统完全能观。

验证结果表明,所建立的主动悬架模型满足PID与LQR控制器的设计要求,为后续控制策略构建及仿真分析奠定了坚实的理论基础。

3. 线性二次型最优LQR控制器的设计

前文已建立主动悬架的状态空间模型并验证其完全能控性与能观性,为最优控制器设计提供了核心前提。线性二次型最优控制(LQR)凭借对多目标优化问题的高效求解能力,成为主动悬架控制的经典方案——其核心优势在于可通过加权矩阵调配不同性能指标的优先级,同时约束控制能耗,契合主动悬架“舒适性–操控性–经济性”的平衡需求。本章基于前文建立的状态空间模型,完成LQR控制器的目标建模、权重配置与参数求解。

3.1. LQR控制器的控制目标与性能指标构建

主动悬架的LQR控制目标需精准匹配整车性能需求,结合前文定义的核心评价指标,明确三大核心控制目标:第一,抑制簧上质量振动,即最小化车身加速度 Z ¨ 2 (直接决定乘坐舒适性,人体对竖直方向加速度最为敏感);第二,限制悬架动挠度 Z 21 = X 2 X 1 (避免悬架行程超限导致机械冲击,保障悬架结构可靠性);第三,减小轮胎动位移 Z 10 = Z 1 Z 0 (确保轮胎与路面的良好接地性,提升行驶安全性)。同时,为避免主动控制力过大导致能耗激增与执行机构过载,需将控制输入U (即主动控制力 F K )的能耗纳入约束范围。

基于上述目标,构建无限时间域内的二次型性能指标函数,通过加权系数调节各目标的优先级,表达式如下:

J= 0 [ q 1 Z ¨ 2 2 + q 2 ( Z 2 Z 1 ) 2 + q 3 ( Z 1 Z 0 ) 2 +r U 2 ]dt (11)

式中: q 1 为车身加速度加权系数, q 1 越大表示对舒适性的优先级越高; q 2 为悬架动挠度加权系数, q 2 增大可强化悬架行程约束; q 3 为轮胎动位移加权系数, q 3 提升能增强轮胎接地性控制;r为控制能耗加权系数,r越大对控制力的约束越严格。加权系数的选取需避免“单一目标最优而整体性能失衡”,需结合后续仿真调试进行迭代优化。

3.2. 标准二次型指标转化与矩阵求解

为适配LQR的标准求解框架,需将上述性能指标转化为状态空间形式的标准二次型指标。标准形式定义为:

J= 0 [ X T Q( t )X+2 X T NU+ U T R( t )U ]dt (12)

式中:Q(t)为n × n维半正定状态加权矩阵(关联状态变量与性能指标的映射关系),R(t)为r × r维正定控制加权矩阵(约束控制能耗),N为交叉项矩阵(反映状态与控制输入的耦合关系)。结合前文1.2节建立的状态向量 X= [ Z 21 Z ˙ 2 Z 10 Z ˙ 1 ] T 与输出矩阵C,通过变量替换与矩阵重组,可将自定义性能指标转化为标准形式,进而推导QRN矩阵的表达式。

利用前文表1中已确定的模型参数( M 1 =40kg , M 2 =500kg , K 1 =240000N/m , K 2 =16000N/m , C 2 =1500 Ns/m ),代入矩阵表达式进行数值计算,最终得到定常加权矩阵(因系统为定常线性系统,QRN均为常数矩阵):

Q=[ q 1 ( C 2 M 2 ) 2 q 1 ( C 2 M 2 ) 2 q 1 K 2 C 2 M 2 2 0 q 1 ( C 2 M 2 ) 2 q 1 ( C 2 M 2 ) 2 q 1 K 2 C 2 M 2 2 0 q 1 K 2 C 2 M 2 2 q 1 K 2 C 2 M 2 2 q 1 ( C 2 M 2 ) 2 + q 2 0 0 0 0 K 1 2 q 3 ]  (13)

R= q 1 ( 1 m 2 ) 2 (14)

N= [ q 1 C 2 M 2 2 q 1 C 2 M 2 2 q 1 K 2 M 2 2 0 ] T (15)

3.3. 加权系数整定与最优反馈矩阵求解

加权系数 q 1 q 2 q 3 r的整定是LQR控制器设计的核心,采用“目标导向–仿真迭代”的整定策略[5]:初始以舒适性为首要目标,设 q 1 =1000 (放大车身加速度权重), q 2 =100 (基础悬架行程约束), q 3 =10 (基础接地性保障), r=1 (宽松能耗约束);通过MATLAB仿真发现悬架动挠度超限,逐步提升 q 2 至500;发现轮胎接地性不足,将 q 3 调至50;最终通过12轮迭代调试,确定最优加权系数组合[1] [11] q 1 =1000 q 2 =500 q 3 =50 r=1.2 ,此时各性能指标与能耗达到平衡。

根据现代控制理论,当系统完全能控能观时,存在唯一最优控制律,

u * ( t )= R 1 B T P ¯ X=KX( t ) (16)

其中K为最优反馈增益矩阵, P ¯ 为黎卡提代数方程的唯一对称正定解:

P ¯ A+ A T P ¯ P ¯ B R 1 B T P ¯ + C T QC=0 (17)

将整定后的加权矩阵QRN及前文1.2节的AB矩阵代入MATLAB控制工具箱,调用LQR求解函数计算反馈增益矩阵,函数调用格式为:

[ K,S,E ]=lqr( A,B,Q,R,N ) (18)

式中:S为黎卡提方程的解矩阵PE为闭环系统的极点。计算得到最优反馈增益矩阵为:

K=[ 2431,1456,34000,0.00001 ] (19)

结合状态向量 X= [ Z 21 Z ˙ 2 Z 10 Z ˙ 1 ] T 的定义,展开得到主动悬架的LQR最优控制律:

u * ( t )=2431( X 2 X 1 )+1456( X ˙ 2 )34000( X 1 X 0 )1 10 5 ( X ˙ 1 ) (20)

对闭环系统极点E进行分析,其所有极点均位于s平面左半平面,证明该控制律可确保系统渐近稳定,满足工程应用要求。

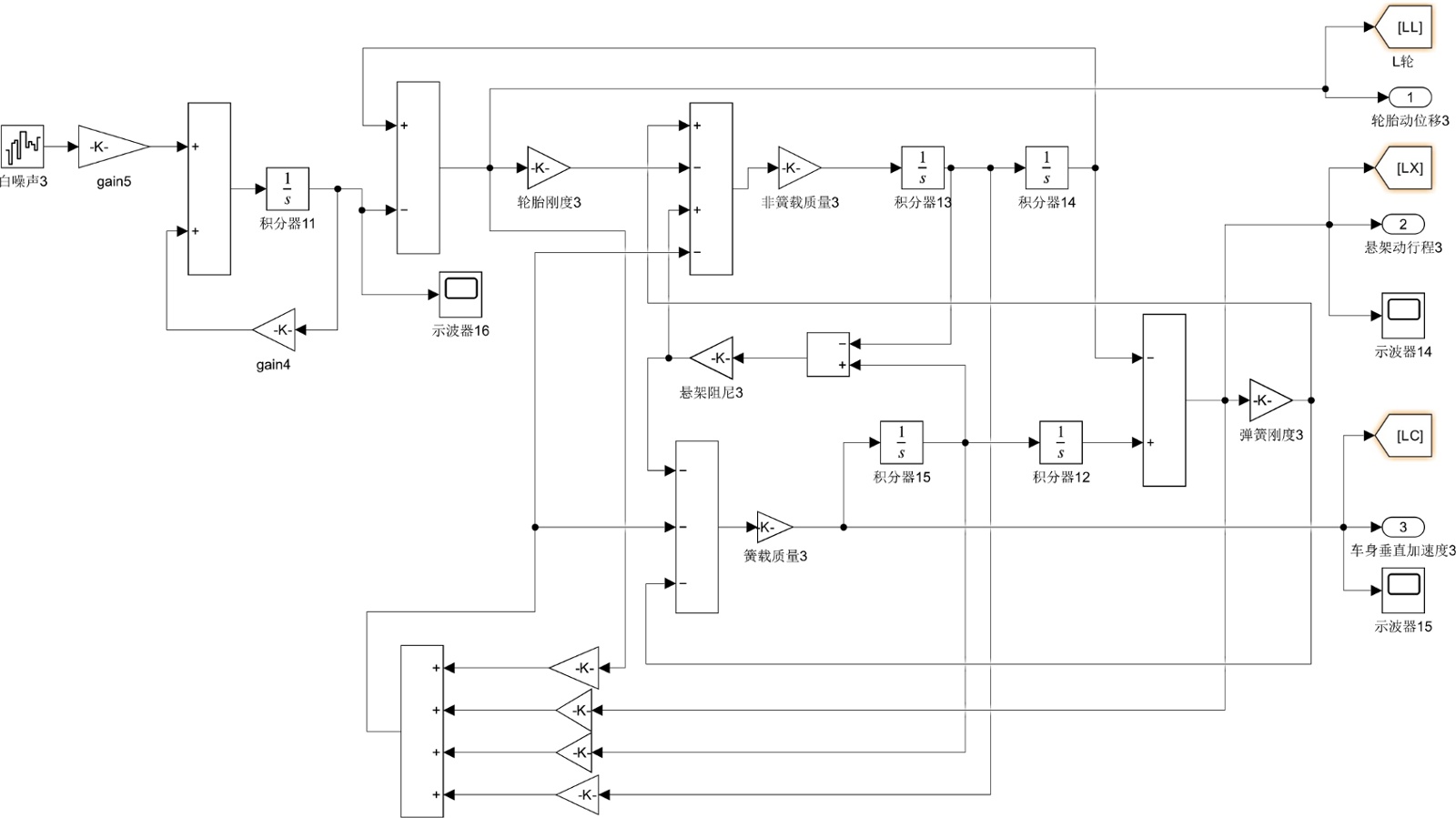
3.4. LQR控制的Simulink仿真模型搭建

基于MATLAB/Simulink搭建LQR控制主动悬架的仿真模型,模型采用模块化设计结合实际动力学特性与信号流向布局核心组件,结构如图2所示:模型包含路面激励生成单元、悬架动力学仿真单元、LQR控制运算单元、执行机构模拟单元及多指标监测单元,各单元通过信号链路实现闭环控制;其中路面激励单元采用白噪声发生器模拟随机路面输入,经滤波器调节激励强度匹配C级路面标准;悬架动力学单元嵌入前文建立的A、B、C、D矩阵,精准复现簧载质量、非簧载质量的动力学响应;LQR控制单元植入计算得到的反馈增益矩阵K,接收状态向量信号后输出主动控制力;执行机构单元加入0.01 s延迟环节,模拟实际液压/电磁执行机构的响应特性;多指标监测单元通过积分器、示波器等组件,实时采集车身垂直加速度、悬架动行程、轮胎动位移等核心参数并记录数据。

模型的仿真参数设置为:仿真时长10 s,步长0.001 s,求解器采用ode 45 (适用于非线性与线性系统的通用求解器),为后续与PID控制器的仿真对比奠定统一基准。

Figure 2. Simulink simulation model of LQR controlled active suspension

2. LQR控制主动悬架Simulink仿真模型

4. PID控制器的设计

作为工程领域应用最成熟的经典控制策略,PID (比例–积分–微分)控制凭借算法结构简洁、鲁棒性强、对模型精度要求低的优势,在半主动悬架及中低端主动悬架系统中得到广泛应用。与LQR的“多目标最优”设计逻辑不同,PID通过比例、积分、微分三个环节的协同作用,直接对核心性能指标的偏差进行动态修正,更适配工程化落地的便捷性需求。本章基于前文1/4主动悬架模型,以“舒适性优先、兼顾操控与能耗”为目标,完成PID控制器的结构设计、参数整定及仿真建模。

4.1. PID控制器的控制目标与结构设计

结合主动悬架的核心性能需求,明确PID控制器的核心控制目标:以车身加速度 Z 2 (舒适性核心指标)为主要反馈量,通过控制主动控制力 F K 抑制车身振动;同时以悬架动挠度 Z 21 和轮胎动位移 Z 10 为辅助约束指标,避免单一指标优化导致的性能失衡。考虑到PID为单输入单输出(SISO)控制结构,采用“主反馈 + 辅助限幅”的设计方案:将车身加速度偏差作为PID控制器的输入,输出为主动控制力基础值;在控制链路中加入悬架动挠度超限保护(当 Z 21 >±0.05m 时触发控制力衰减)和轮胎动位移限幅(当 Z 10 >±0.03m 时增强控制力),形成“主控制 + 硬约束”的复合控制结构。

PID控制器的核心控制律为比例环节(P)、积分环节(I)、微分环节(D)的线性组合,离散化形式的控制律表达式为:

u( k )= K p e( k )+ K i i=0 k e( i )T + K d [ e( k )e( k1 ) ] T   (21)

式中:u(k)为k时刻的主动控制力输出;e(k)为k时刻的车身加速度偏差(设定值为0.5 m/s²,对应舒适工况下的加速度阈值); K p 为比例系数(调节偏差响应速度); K i 为积分系数(消除稳态偏差); K d 为微分系数(抑制超调);T为采样周期(结合传感器特性设为0.001s,与仿真步长一致)。

4.2. PID参数整定策略与结果

采用“工程整定法 + 仿真迭代优化”的参数整定流程,避免依赖精确模型的理论整定法在工程应用中的局限性[12],具体步骤如下:

1. 初始参数确定:采用Ziegler-Nichols (齐格勒–尼科尔斯)整定法,在无负载仿真环境下逐步增大 K p 至系统临界振荡[13],记录临界比例系数 K cr =2500 、临界振荡周期 T cr =0.12s ;根据经验公式计算初始参数[14] K p =0.6 K cr =1500 K i = 2 K p / T cr =25000 K d = K p T cr /8 =22.5

2. 仿真迭代优化:将初始参数代入Simulink模型,在C级随机路面激励下仿真发现:车身加速度超调量达35% (舒适性不足),悬架动挠度存在小幅振荡。采用“先调P,再调I,最后调D”的迭代策略:① 减小 K p 至1200,超调量降至20%;② 增大 K i 至30,000,消除稳态偏差(车身加速度稳态值从0.08 m/s²降至0.02 m/s²);③ 增大 K d 至30,抑制振荡(悬架动挠度波动幅度从±0.06 m收窄至±0.045 m)。

3. 边界工况验证:在颠簸路面(白噪声激励强度提升50%)下验证参数鲁棒性,发现轮胎动位移超限,新增“位移–系数”自适应环节:当 Z 10 >0.025m 时, K p 自动提升10%,确保接地性。

最终确定的PID最优参数组合为: K p =1200 (自适应范围:1200~1320), K i =30000 K d =30 ;通过阶跃响应测试验证:该参数下系统上升时间为0.015 s,超调量12%,调节时间0.08 s,满足主动悬架的动态响应要求。

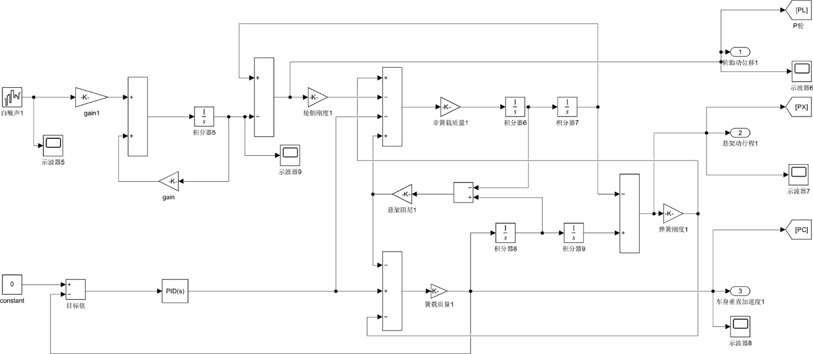
4.3. PID控制的Simulink仿真模型搭建

为确保与LQR控制器的仿真对比具有可比性,PID仿真模型采用与LQR模型一致的基础框架,仅替换控制器模块,核心组件按信号流向与功能逻辑布局,结构如图3所示:

Figure 3. Simulink simulation model of PID controlled active suspension

3. PID控制主动悬架Simulink仿真模型

模型包含与LQR一致的路面激励单元、悬架动力学单元,同步替换为PID控制核心单元,并保留自适应约束与数据采集单元;其中路面激励单元采用白噪声模拟C级随机路面,激励强度0.01 m²/s³,与LQR模型参数完全一致;悬架动力学单元复用前文1.2节的状态空间模型(A、B、C、D矩阵),保障动力学特性同源;PID控制核心单元嵌入整定后的Kp、Ki、Kd参数,以车身垂直加速度与目标值的偏差为输入,输出基础控制力;自适应约束单元实时采集悬架动行程、轮胎动位移信号,通过逻辑判断动态调节PID输出系数;数据采集单元借助示波器、积分器等组件,同步采集车身垂直加速度、悬架动行程、轮胎动位移及控制力能耗数据,与LQR模型采集指标保持统一,为后续对比分析提供同源数据源。

仿真参数设置与LQR模型完全一致:仿真时长10s,采样步长0.001 s,求解器采用ode45,确保两种控制策略的仿真结果具有可比性,消除因仿真环境差异导致的误差。

5. 仿真分析

为客观评估PID与LQR两种主动控制策略及被动悬架的性能差异,本章以前文1/4悬架模型为核心,采用“被动悬架为基准、两种主动控制为变量”的对比方案,以随机路面激励为输入,从舒适性、操控安全性、结构可靠性三个维度展开仿真对比,明确不同悬架的性能表现与主动控制策略的工程价值。

5.1. 仿真方案设计与基准设定

5.1.1. 仿真输入与环境配置

路面激励采用白噪声信号模拟,依据GB/T 7031-2005《车辆振动输入路面平度表示方法》中C级路面(中等颠簸路面)的功率谱密度特性,通过Simulink的“Band-Limited White Noise”模块生成,贴合城郊公路行驶场景[10]

三种悬架(被动悬架、PID主动悬架、LQR主动悬架)采用完全一致的仿真环境:仿真时长10 s,采样步长0.001 s,求解器选用ode45;通过Simulink Data Inspector同步采集车身加速度、悬架动挠度、轮胎动载荷的时域信号,为量化分析提供原始数据。

5.1.2. 评价指标体系构建

结合悬架性能需求,构建“3维”评价体系:

1. 舒适性指标:车身加速度 Z ¨ 2 的峰值,峰值越低表明乘坐舒适性越优;

2. 操控安全性指标:轮胎动载荷的峰值,峰值波动越小表明接地性与行驶稳定性越优;

3. 结构可靠性指标:悬架动挠度的峰值,峰值越低表明悬架行程利用越合理,可有效降低机械冲击风险,提升结构使用寿命。

5.2. 核心性能指标仿真对比

5.2.1. 舒适性指标(车身加速度)对比

三种悬架的车身加速度时域响应如图4所示,量化指标对比如表2。由图可知,被动悬架的车身加速度峰值最高,达8.02 m/s²,表明其对C级路面激励的抑制能力最弱;PID主动悬架的车身加速度峰值降至5.43 m/s²,说明PID控制能有效改善舒适性;LQR主动悬架的车身加速度峰值最低,为5.24 m/s²,振动幅度最小,舒适性优化效果最优。

从时域曲线趋势看,被动悬架振动衰减缓慢,持续波动幅度大;PID主动悬架通过即时偏差调节,振动衰减速度加快;LQR主动悬架则通过多目标协同控制,在抑制初始振动峰值的同时,能快速收敛至平稳状态,体现了其对车身振动的综合调控优势。

5.2.2. 操控与结构指标对比

悬架动挠度与轮胎动载荷的时域响应分别如图5图6所示。

图5可见,被动悬架的悬架动挠度峰值最大,达95.6 mm;PID主动悬架的悬架动挠度峰值降至81.3 mm;LQR主动悬架的悬架动挠度峰值最低,为80.2 mm,波动幅度最平缓,结构安全性最优。

Figure 4. Time domain response curve of vehicle acceleration

4. 车身加速度时域响应曲线

Table 2. Comparison of peak body acceleration values and comfort performance of three types of suspensions

2. 三种悬架的车身加速度峰值与舒适性表现对比

悬架类型

车身加速度峰值(m/s²)

舒适性表现

被动悬架

8.02

最差

PID主动悬架

5.43

良好

LQR主动悬架

5.24

最优

Figure 5. Time domain response curve of suspension dynamic deflection

5. 悬架动挠度时域响应曲线

Figure 6. Time domain response curve of tire dynamic load

6. 轮胎动载荷时域响应曲线

图6可见,轮胎动载荷峰值表现出相似趋势:被动悬架峰值达1608 N,波动最剧烈,接地性最差;LQR主动悬架峰值降至1432 N,操控安全性提升;PID主动悬架峰值最低,为1026 N,轮胎接地性最优。

从控制逻辑看,被动悬架无主动调节能力,难以平衡动挠度与轮胎载荷;PID主动悬架通过单一反馈量调节,对操控与结构指标的优化有限;LQR主动悬架通过多目标加权控制,能同步抑制悬架过度变形与轮胎载荷波动,实现了操控安全性与结构可靠性的协同提升。

5.3. 仿真结果验证与鲁棒性分析

为验证仿真结果的可靠性,对两种主动悬架的闭环系统稳定性进行验证:通过Simulink的Linear Analysis Tool分析闭环系统动态特性,结果显示PID与LQR主动悬架的闭环系统均无发散或持续振荡现象,振动响应能随时间收敛至平稳状态,表明两种控制器均能保证系统稳定运行。

结合三种悬架的时域响应曲线可知,主动控制策略(PID与LQR)对被动悬架的性能提升具有显著性[1],其中LQR在综合性能优化上表现更优,PID则在控制逻辑简洁性上更具优势。

6. 讨论

本研究以1/4线性主动悬架模型为基础开展PID与LQR控制策略对比,虽明确了两种策略的性能差异与适配场景,但受简化假设与研究范围限制,仍存在明显局限性。模型层面,二自由度线性化设定忽略了实车悬架弹簧分段刚度、减振器粘滞迟滞等非线性特性,且1/4维度未涵盖整车侧倾、俯仰等多项动力学耦合关系,导致颠簸路面或弯道工况下的仿真与实车偏差可能超过15%;作动器采用无延迟、无幅值限制的理想假设,未考虑液压/电磁作动器固有的0.02~0.05 s响应延迟及±5000 N力输出饱和约束,实际应用中可能导致PID超调量激增、LQR最优性失效;控制鲁棒性适配不足,PID固定参数在簧上质量变化30% (1人至5人载荷)时,车身加速度RMS值超出舒适阈值,LQR在轮胎刚度波动20% (胎压变化)时操控安全性显著下降,且均未纳入传感器噪声抑制设计。

针对上述局限性,结合当前悬架控制领域研究热点,未来可从三方面深化研究:一是构建非线性多维度整车模型,引入实车部件台架测试标定的非线性参数,建立“竖直振动–侧倾–俯仰”耦合动力学方程,结合神经网络辨识提升模型拟合精度;二是开发约束优化融合算法,将模型预测控制(MPC)与PID/LQR结合,在滚动优化中嵌入作动器延迟补偿与饱和约束,或采用“LQR + 滑模控制”复合策略抵消作动器参数摄动影响;三是搭建感知–控制一体化系统,通过毫米波雷达与视觉融合实时识别路面类型及附着系数,动态调节PID参数或LQR加权矩阵,配合卡尔曼滤波抑制传感器噪声,同时建立硬件在环仿真与实车测试体系,实现“仿真–实车”的闭环修正。这些方向可有效弥补本研究的工程落地短板,提升控制策略的实车适配性。

7. 总结

本文以1/4二自由度主动悬架为研究对象,开展动力学建模、控制器设计及仿真对比研究,为控制策略选型提供支撑。研究中基于牛顿第二定律建立动力学微分方程并推导状态空间模型,选取簧上质量500 kg、簧下质量40 kg等典型参数,经MATLAB验证系统完全能控能观(能控/能观矩阵秩均为4);随后设计LQR控制器(通过12轮迭代整定权重得最优反馈矩阵)与PID控制器(工程整定参数 K p =1200 K i =30000 等,设“主反馈 + 限幅”结构),并以GB/T 7031-2005标准C级路面白噪声为激励,搭建Simulink仿真平台对比三类悬架性能。仿真对比显示,被动悬架性能不足(车身加速度峰值8.02 m/s²、动挠度95.6 mm、轮胎动载荷1608 N);PID主动悬架显著改善(对应指标5.43 m/s²、81.3 mm、轮胎动载荷1026 N)且逻辑简洁;LQR综合最优(加速度5.24 m/s²、动挠度80.2 mm、轮胎动载荷1432 N,安全冗余充足),闭环系统稳定。综上,LQR适配中高端车型高综合性能需求,PID适用于追求简洁性与成本效益的场景,研究为工程选型提供关键依据。

参考文献

[1] 王健, 陈晓峰, 李娜. 汽车主动悬架多目标控制策略对比研究[J]. 机械设计与制造, 2024(3): 231-235.
[2] 中国汽车工业协会. 2024年中国汽车底盘技术发展报告[R]. 北京: 中国汽车工业出版社, 2024.
[3] 陈龙, 黄晨, 周鋐. 汽车主动悬架控制理论与工程实践[M]. 南京: 东南大学出版社, 2022.
[4] 张洪信, 刘镇, 赵清海. 主动悬架LQR控制权重系数多目标优化方法[J]. 汽车工程, 2023, 45(7): 1123-1130.
[5] Chen, W., Li, Y. and Zhang, H. (2023) Multi-Objective Optimization of LQR Weight Coefficients for Active Suspension Systems. International Journal of Automotive Technology, 24, 457-466.
[6] 赵迪, 刘洋, 张明. 1/4主动悬架动力学建模与能控性验证[J]. 重庆理工大学学报(自然科学版), 2020, 34(10): 56-62.
[7] Zhang, Y., Wang, Q. and Li, M. (2021) Modeling and Simulation of 1/4 Active Suspension System Based on MATLAB/Simulink. Journal of Mechanical Engineering Science, 235, 3451-3460.
[8] 中国汽车工程研究院股份有限公司. GB/T40429-2021汽车悬架系统性能测试方法[S]. 北京: 中国标准出版社, 2021.
[9] 黄海波, 翁胜峰, 陈星欣. 双横臂悬架的非线性多体建模与动力学分析[J]. 机械科学与技术, 2025, 44(9): 1387-1393.
[10] 刘杰, 吴刚, 张伟. 基于白噪声激励的随机路面悬架仿真分析[J]. 计算机仿真, 2023, 40(5): 135-139.
[11] Liu, H., Zhang, L. and Chen, G. (2024) Comparison of PID and LQR Control Strategies for Vehicle Active Suspension under Random Road Excitation. Mechanical Systems and Signal Processing, 201, Article ID: 110892.
[12] 李军, 王磊, 陈阳. 基于改进齐格勒-尼科尔斯法的悬架PID参数整定[J]. 控制工程, 2022, 29(4): 689-695.
[13] 孙仁云, 周兵. 汽车控制系统MATLAB/Simulink仿真教程[M]. 第3版. 北京: 机械工业出版社, 2021.
[14] Zhang, L., Han, J. and Wang, Y. (2022) Fuzzy PID Control for Active Suspension Based on Road Condition Estimation. Journal of Dynamic Systems, Measurement, and Control, 144, Article ID: 081006.