基于自适应RBF神经网络的光伏阵列故障检测方法
A Fault Detection Method for Photovoltaic Array Based on Adaptive RBF Neural Network
DOI: 10.12677/dsc.2026.151008, PDF, HTML, XML,    科研立项经费支持
作者: 邓 超, 严太山*, 车佳祺, 何宇诚, 王 昊:湖南理工学院能源与电气工程学院,湖南 岳阳
关键词: RBF神经网络自适应算法光伏阵列故障检测RBF Neural Network Adaptive Algorithm Photovoltaic Array Fault Detection
摘要: 为应对光伏阵列故障检测的实际需求,设计了一种基于总体误差的自适应RBF神经网络算法。该算法依据网络当前训练过程的整体误差与上一次训练整体误差的对比结果,对学习速率和动量参数进行动态优化,让网络的学习方向更加清晰,有效提升了网络的学习效率。将基于总体误差的自适应RBF神经网络应用于光伏电站阵列的故障识别,借助Simulink软件平台搭建光伏阵列模型并获取不同故障状态下的运行数据,开展了针对性的故障检测实验。仿真结果表明,采用自适应RBF神经网络的故障检测方法能够实现对光伏阵列故障的高效、准确检测,展现出较好的应用价值。
Abstract: For the purpose of photovoltaic arrays fault detection, an adaptive RBF neural network algorithm based on overall error is designed in this paper. The learning rate and momentum factor are adjusted adaptively according to the overall error size relationship obtained from the last two training sessions of neural network. So, the learning course of neural network has clear directionality, and the learning efficiency of neural network is improved greatly. The adaptive RBF neural network based on overall error was used in photovoltaic array fault detection. A photovoltaic array model was built and fault data was obtained based on simulink firstly, and then fault detection experiments were conducted. The simulation results show that the fault detection method based on adaptive RBF neural network can achieve efficient and accurate detection of photovoltaic array faults. The detection method has good application value.
文章引用:邓超, 严太山, 车佳祺, 何宇诚, 王昊. 基于自适应RBF神经网络的光伏阵列故障检测方法[J]. 动力系统与控制, 2026, 15(1): 81-87. https://doi.org/10.12677/dsc.2026.151008

1. 引言

作为太阳能发电系统中负责能量转换的关键部件,光伏阵列在户外各种复杂自然条件的长期作用下,常常会出现诸如线路短路、组件开路、性能退化以及局部阴影覆盖等常见故障情况,这不仅会造成光伏系统输出功率显著降低,更有甚者还会带来组件烧毁、火灾等安全风险。因此,对光伏阵列故障进行及时且精准的识别,已成为能源领域亟待攻克的关键课题。目前在国内外,光伏阵列故障检测技术主要被划分为红外图像检测法[1]-[3]、数学模型检测方法[4]-[7]以及智能寻优检测方法[8]-[11]这三大类,其中智能寻优检测方法已然成为该领域技术发展的主要方向。这种技术之所以能占据主导地位,是因为相较于其他检测手段,它具备显著的优势:首先,在实施故障检测过程中,该方法能够有效降低人力、物力及财力的投入,这得益于它无需安排大量工作人员开展光伏电站的常规巡检工作;第二,运用该技术开展故障检测,能够保障电力供应的稳定性,这是因为它仅需获取传感器采集的数据信息,而无需光伏电站停止运行进行操作。

随着人工智能的快速发展,神经网络作为重要的技术手段,为智能寻优检测注入了新的活力。在现有的各类神经网络架构中,RBF神经网络凭借其出色的全局优化能力,在许多应用领域表现出巨大潜力,在故障诊断与检测领域更具显著优势。为了进一步提升光伏阵列故障检测效率,本文引入自适应RBF神经网络算法,通过构建光伏阵列仿真模型并采集各类故障状态下的数据样本,围绕基于自适应RBF神经网络的光伏阵列故障检测方法展开深入研究。

2. 自适应RBF神经网络算法原理

RBF神经网络是径向基函数(Radial Basis Function)神经网络的简称,它是一种由输入层、隐含层和输出层构成的三层前馈神经网络。该网络采用径向基函数(通常选用高斯函数)作为隐含层的激活函数,借助非线性映射机制,能够把低维度下难以线性划分的问题转换为高维度下可线性划分的问题,最后依靠线性输出层来实现预测或者分类的任务。在RBF神经网络的训练过程中,提升网络性能的关键是三个核心参数的设定,它们分别是隐含层内基函数的中心位置C、控制函数分布范围的宽度参数D,以及连接隐含层与输出层的权重矩阵W,这些参数的选择直接影响着网络对信息的处理效能。在对RBF神经网络进行训练时,梯度下降法是一种常用的算法,针对上述三个参数——即隐含层基函数的中心点、宽度参数以及隐含层至输出层的权重,它们的迭代更新过程按以下方式进行:

w kj ( t )= w kj ( t1 )η E w kj ( t1 ) +α[ w kj ( t1 ) w kj ( t2 ) ] (1)

c kj ( t )= c kj ( t1 )η E c kj ( t1 ) +α[ c kj ( t1 ) c kj ( t2 ) ] (2)

d kj ( t )= d kj ( t1 )η E d kj ( t1 ) +α[ d kj ( t1 ) d kj ( t2 ) ] (3)

其中,wkj(t)为第t次迭代时第k个输出层节点与第j个隐含层节点之间的调节权重;cji(t)为第t次迭代时第j个隐含层节点对于第i个输入层节点的中心分量;dji(t)为与中心cji(t)对应的宽度;η为学习率, α 为动量因子;E为RBF神经网络的评价函数,其具体形式可表示为:

E= 1 2 l=1 N k=1 q ( y lk O lk ) 2 (4)

其中,Olk为第l个样本输入时第k个输出单元的期望输出值;ylk为第l个样本输入时第k个输出单元所产生的实际输出值。

从公式(1)至(3)能够得知,RBF神经网络的性能在很大程度上受 η α 这两个系数的影响,可以说它们对网络的训练进程发挥着至关重要的作用。在基本RBF神经网络算法中,这两个系数设置为常数,这会使得训练过程中出现“平台期”,降低算法的收敛速度。为了改善这一问题,我们对 η α 这两个系数采用自适应调整策略,构建起一种基于总体误差的自适应RBF神经网络算法。

基于总体误差的自适应RBF神经网络算法的核心思想在于:在算法的训练过程中,持续对每轮训练所产生的整体误差进行测算,并且依据当前训练的总体误差值 E( t ) 对比上一轮训练的总体误差值 E( t1 ) 的变化情况,来对 η α 这两个系数进行灵活调整。若当前训练的整体误差相较于上一轮训练的整体误差有所下降,意味着调节策略的方向是正确的,下一次训练时 η α 这两个系数可适当增大;若训练过程中的总误差相较于上一轮训练的总误差出现增加,则表明调整方向存在问题,下一次训练时 η α 这两个系数应适当减小。 η α 这两个系数的具体调整方法如下:

η( t+1 )={ 1.1η( t ), E( t )<0.9E( t1 ) 0.9η( t ), E( t )>1.1E( t1 ) η( t ), others (5)

α( t+1 )={ 1.1α( t ), E( t )<0.9E( t1 ) 0.9α( t ), E( t )>1.1E( t1 ) α( t ), others (6)

式中, t=0,1,2,,T1 T为最大允许学习次数。

3. 基于自适应RBF神经网络的光伏阵列故障检测方法

3.1. 光伏阵列模型构建

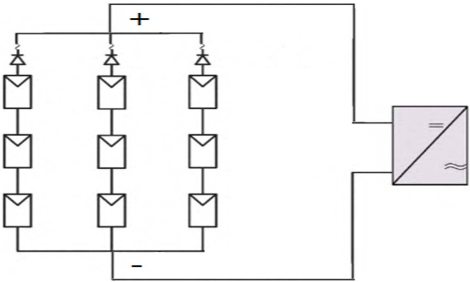
在Matlab/Simulink环境下,构建了一个3 × 3结构的光伏阵列仿真模型,如图1所示。

3.2. 样本数据的获取

光伏阵列的常见故障主要有短路、开路、老化和阴影遮挡这四种类型,其编码规则如表1所示。这些故障发生时,光伏阵列的关键参数如最大功率点电压(Ump)、最大功率点电流(Imp)、开路电压(Uoc)和短路电流(Isc)均会产生发生相应的变化。为了获取这些变化数据,利用构建的光伏阵列模型,对光伏阵列实际运行中所出现的各种故障情况进行仿真实验,获得了丰富的样本数据。为开展RBF神经网络的训练工作,从所获取的实验数据中筛选出100组数据作为训练样本,如表2所示。为了验证网络训练的实际效果与泛化能力,另选5组数据作为检测样本,如表3所示。

3.3. RBF神经网络结构设计

由于RBF神经网络的输入向量有Ump、Imp、Uoc、Isc四个分量,所以网络的输入节点数被确定为4个;

Figure 1. 3 × 3 Photovoltaic array simulation model

1. 3 × 3光伏阵列仿真模型

Table 1. Fault type code

1. 故障类型编码

故障类型

正常

短路

开路

老化

阴影遮挡

编码

000

001

010

011

100

Table 2. Partial training sample data of RBF neural network (Part)

2. RBF神经网络训练样本数据(部分)

序号

RBF网络输入

故障类型

RBF网络期望输出

Ump (V)

Imp (A)

Uoc (V)

Isc (A)

1

35.8

1.98

43.2

2.14

正常

0 0 0

2

34.6

1.94

42.5

1.98

正常

0 0 0

3

17.5

1.96

22.6

2.49

短路

0 0 1

4

18.3

2.05

23.5

2.52

短路

0 0 1

5

35.8

1.25

42.3

1.45

开路

0 1 0

6

36.5

1.33

42.6

1.49

开路

0 1 0

7

34.3

0.95

42.7

1.62

老化

0 1 1

8

34.7

0.93

42.9

1.67

老化

0 1 1

9

34.6

0.76

40.5

1.86

阴影遮挡

1 0 0

10

34.4

0.72

41.2

1.82

阴影遮挡

1 0 0

Table 3. Detection sample data of RBF neural network

3. RBF神经网络检测样本数据

序号

RBF网络输入

故障类型

RBF网络期望输出

Ump (V)

Imp (A)

Uoc (V)

Isc (A)

1

34.9

1.96

43.2

2.06

正常

0 0 0

2

17.8

2.13

22.8

2.45

短路

0 0 1

3

36.2

1.28

43.3

1.47

开路

0 1 0

4

34.5

0.96

42.8

1.78

老化

0 1 1

5

34.6

0.82

40.5

1.93

阴影遮挡

1 0 0

因为故障类型编码为3位二进制编码,故网络输出节点数被确定为3个;网络的隐含层节点通常使用经验公式进行估算,这里采用公式(7)得出隐含层节点数为12个。这样,得到RBF神经网络结构为4-12-3,如图2所示。

n h = n i + n o + n p 2 (7)

其中,nhnino分别为隐含层、输入层、输出层的节点数,np为训练样本数。

Figure 2. RBF neural network structure for photovoltaic array fault detection

2. 光伏阵列故障检测的RBF神经网络结构

3.4. 实验结果及分析

在训练阶段,将表2中的训练数据分别提供给自适应RBF神经网络和基本RBF神经网络,训练精度设置为总体误差E < 103,二者的训练时间如表4所示,收敛曲线如图3所示。

Table 4. Training time of neural network

4. 神经网络的训练时间

神经网络

训练精度

训练次数

平均训练时间(ms)

自适应RBF网络

10-3

20

362

基本RBF网络

10-3

20

756

Figure 3. The convergence curve of neural networks

3. 神经网络的收敛曲线

在检测阶段,将表3中的检测数据提供给已经训练好的自适应RBF神经网络,利用该网络对新的光伏阵列故障数据进行智能检测和识别,检测结果如表5所示。

Table 5. Detection results of adaptive RBF neural network

5. 自适应RBF神经网络的检测结果

序号

RBF神经网络期望输出

RBF神经网络实际输出

检测结果

1

0

0

0

0.0183

0.0058

0.0326

正常

2

0

0

1

0.0025

0.0072

0.9826

短路

3

0

1

0

0.0018

0.9814

0.0038

开路

4

0

1

1

0.0039

0.9903

0.9628

老化

5

1

0

0

0.9658

0.0050

0.0029

阴影遮挡

表5自适应RBF神经网络的检测结果可以看出,对五个待检测样本进行检测时,输出节点实际输出的最大相对误差分别只有3.26%、1.74%、1.86%、3.72%和3.42%,对所有样本的检测结果均与实际故障类型一致。这表明,经过训练的自适应RBF神经网络已具备较强的泛化性能,能够高效地完成光伏阵列故障的检测任务。

4. 结语

自适应RBF神经网络通过动态优化调整学习率和动量因子,以此强化网络的学习导向性,使得算法具有更快的学习速度和更高的工作效率。光伏发电产业快速扩张带来的光伏阵列故障检测需要高效的检测算法,将自适应RBF神经网络运用于光伏阵列故障检测领域,构建基于RBF神经网络的光伏阵列故障检测方法,借助Simulink平台搭建光伏阵列的模拟模型,通过采集多种故障数据开展仿真实验。仿真检测结果表明,该方法的故障检测速度快、准确性高,具有较好的实用价值。

但是,RBF神经网络在故障诊断方面也存在一定的局限性,如网络的训练过程较为复杂,需要大量的训练数据;网络对噪声数据比较敏感,过多的噪声数据可能导致网络性能下降。未来可以通过进一步改进RBF神经网络的结构和训练算法,使其性能得到更大的提升。

基金项目

湖南理工学院2025年大学生创新训练计划项目“基于RBF神经网络的光伏阵列故障检测方法研究”;湖南省教育厅科学研究项目(22C0357)。

NOTES

*通讯作者。

参考文献

[1] Alsafasfeh, M., Abdel-Qader, I. and Bazuin, B. (2017) Fault Detection in Photovoltaic System Using SLIC and Thermal Images. 2017 8th International Conference on Information Technology (ICIT), Amman, 17-18 May 2017, 672-676. [Google Scholar] [CrossRef
[2] 栾艳军. 光伏组件航拍红外图像的故障智能识别[D]: [硕士学位论文]. 保定: 河北大学, 2021.
[3] 张妍, 裴兴豪, 李冰. 一种基于航拍红外图像的光伏热斑故障分类检测方法[J]. 太阳能学报, 2024, 45(9): 353-359.
[4] Harrou, F., Sun, Y., Taghezouit, B., Saidi, A. and Hamlati, M. (2018) Reliable Fault Detection and Diagnosis of Photovoltaic Systems Based on Statistical Monitoring Approaches. Renewable Energy, 116, 22-37. [Google Scholar] [CrossRef
[5] 刘强, 郭珂, 毛明轩. 一种基于串联等效电阻的光伏故障检测方法[J]. 太阳能学报, 2020, 41(10): 119-126.
[6] 陈欣凯, 鲍光海. 基于改进奇异值分解去噪算法的光伏系统串联电弧故障检测方法[J]. 电器与能效管理技术, 2023(10): 61-69.
[7] 雪伟, 乐勇, 刘子铭. 基于迁移学习的光伏发电组件运行故障检测[J]. 自动化应用, 2023, 64(11): 98-100.
[8] 李东虎. 光伏阵列故障诊断技术的研究及应用[D]: [硕士学位论文]. 贵阳: 贵州大学, 2021.
[9] Dhimish, M., Holmes, V., Mehrdadi, B. and Dales, M. (2017) Diagnostic Method for Photovoltaic Systems Based on Six Layer Detection Algorithm. Electric Power Systems Research, 151, 26-39. [Google Scholar] [CrossRef
[10] 马辉. 基于随机森林的光伏电站结构故障诊断与分类研究[D]: [硕士学位论文]. 西安: 西安理工大学, 2021.
[11] 张化凯, 梁越. 基于卷积神经网络的光伏阵列热斑故障检测方法研究[J]. 电子元器件与信息技术, 2024, 8(12): 13-15.