清障车控制系统设计
Control System Design of Wrecker
DOI: 10.12677/jsta.2026.141022, PDF, HTML, XML,   
作者: 洪秀晶*, 孟令启:广州科技职业技术大学智能工程与未来学院,广东 广州
关键词: 清障车结构设计传感器控制Wrecker Structural Design Sensors Control
摘要: 本次课题主要是分析设计一套侧装式清障车的控制系统。本设计以清障车为研究对象,进行了结构分析和改进。本文完成了清障车的控制系统设计,在查阅了大量资料的基础上,对该课题进行了方案比较和选择,进行了电机选取和传感器的设计计算,并完成了控制方面的设计。结果表明,本课题的设计使道路清障车的结构设计更为合理,此结构设计可实现简单化、高效化的道路清障车。
Abstract: The main objective of this project is to analyze and design a control system for a side-mounted wrecker. This design takes the wrecker as the research object, and makes structural analysis and improvement. In this paper, the control system design of the wrecker is completed. On the basis of consulting a large number of data, the project is compared and selected, the motor selection and sensor design calculation are carried out, and the control design is completed. The results show that the design of this subject makes the structural design of road wrecker more reasonable, and this structural design can realize the simplification and high efficiency of road wrecker.
文章引用:洪秀晶, 孟令启. 清障车控制系统设计[J]. 传感器技术与应用, 2026, 14(1): 214-226. https://doi.org/10.12677/jsta.2026.141022

1. 引言

清障车用于在事故和破坏中救援道路车辆,也可以作为城市交通中遇到非法车辆时救援和减轻自然灾害的必要救援设备。根据《机动车运行安全技术要求》(GB 7258-2012),道路施工车辆属于特种车辆范畴[1]。以道路清障车为基础的道路救援产业在汽车售后市场中发挥着重要作用,并逐渐受到社会和人们的重视,为道路运输的安全高效运行提供了有力保障[2]

2. 道路清障车控制系统的总体设计

2.1. 清障车控制系统分析

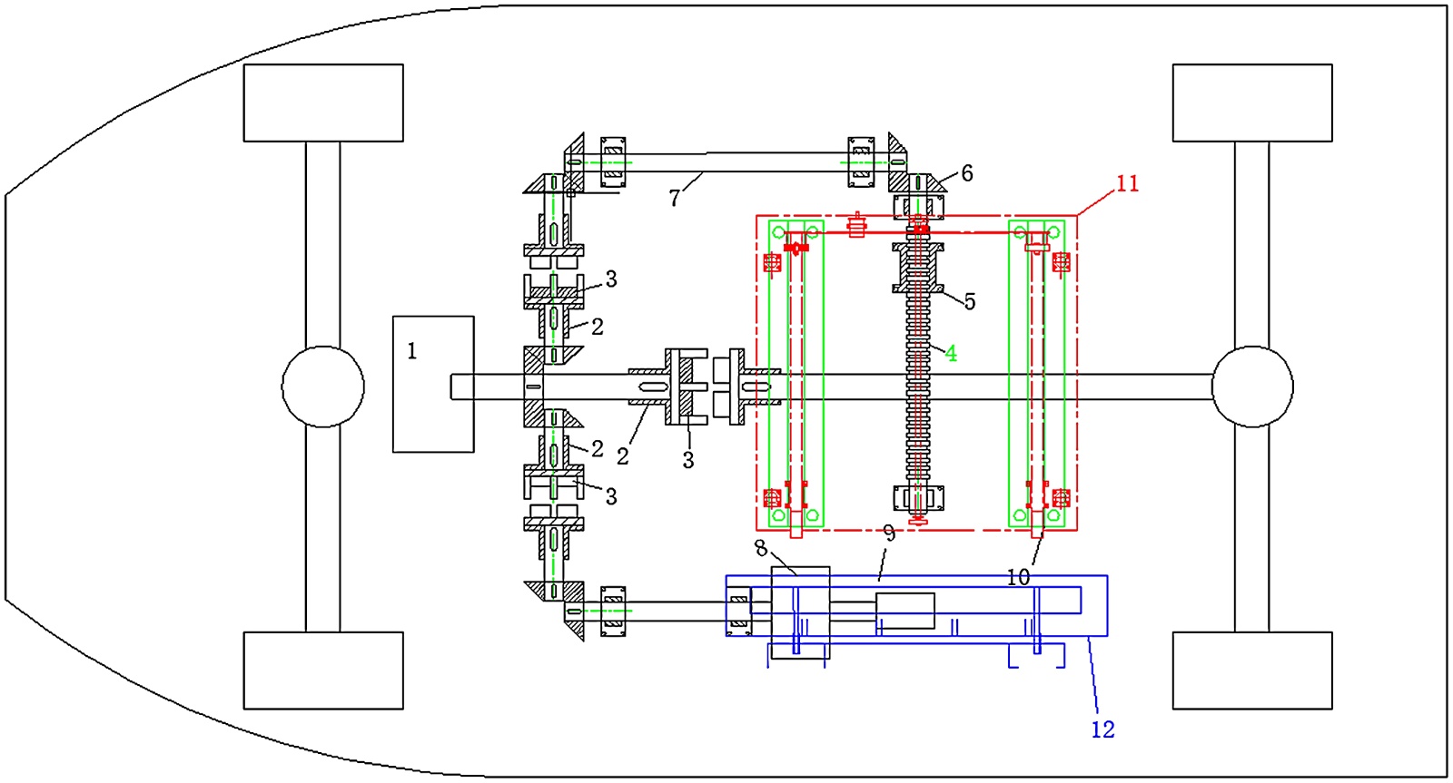
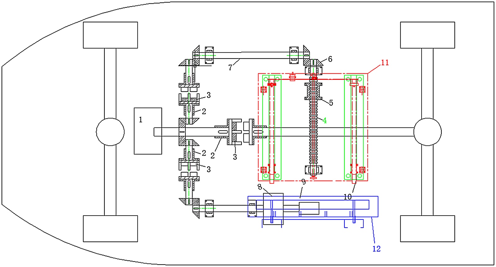
本次设计控制系统主要由单片机来控制传动系统和货叉系统,其中传动系统的动力由发动机来提供,利用单片机控制驱动轴与传动轴之间的电磁离合器线圈电路,来控制驱动轴与传动轴之间的连接、分离和转向,从而实现侧向升降和横向平移功能,而货叉系统的动力由电机来提供,正转出叉、反转收叉[3]。其中控制传动系统中的电磁离合器位置分布如下图1所示,其中图中的3就是我们需要控制的电磁离合器。

1:发动机;2:连接法兰;3:电磁离合器;4:丝杠;5:螺母座;6:锥齿轮;7:连接轴;8:减速箱;9:滚桶;10:T型钢轨道;11:底部叉伸出系统;12:侧面提升系统。

Figure 1. Diagram of the electromagnetic clutch for the drivetrain

1. 传动系统电磁离合器显示图

2.2. 控制系统方案的选择及设计

以51单片机STC89C52RC为控制核心,智能调节清障车车的工作模式,通过激光测距自动调节位置,通过限位开关确定移动的距离,利用51单片机编程控制电磁离合器线圈电路,实现驱动轴与传动轴的连接、分离和转向,运行时的状态用LCD12864显示。用机电结合方式控制并实现清障车自动完成出叉、升降、收回、固定一系列动作[4]

51单片机操作简单和运行稳定,所以决定采用以51单片机STC89C52RC为控制核心进行清障车系统的控制设计。

2.3. 控制系统设计

本系统由51单片机来实现控制,51单片机控制多种电路,其中包括了单片机总体控制电路、进步电机驱动电路、电源电路以及激光测距电路,其中所用到的传感器有激光测距传感器以及限位开关[5]。下图2是控制系统总结构图[6]

Figure 2. Overall control system architecture diagram

2. 控制系统总结构图

2.4. 方案总结

1) 本次设计控制系统主要由单片机来控制传动系统和货叉系统,其中传动系统的动力由发动机来提供,利用单片机控制驱动轴与传动轴之间的电磁离合器线圈电路,来控制驱动轴与传动轴之间的连接、分离和转向,从而实现侧向升降和横向平移功能,而货叉系统的动力由电机来提供,电机选用步进电机正转出叉、反转收叉[7]

2) 考虑到本系统对单片机性能要求不是很高,为了节约成本,本设计选用STC89C52RC单片机作为本设计的微控制器。

3) 显示器采用LCD12864,带字库的LCD12864可显示4行,每行可显示16个字符或8个汉字,非常方便。

4) 考虑到系统整体性能等方面,故采用一个5 V进步电机作为货叉系统驱动,电机正转出叉,反转收叉[8]

5) 传感器选用激光传感器和限位开关。

3. 系统的硬件选型

3.1. 显示器的选型

LCD12864属于新型高端液晶显示屏,既可以显示数字也可以显示汉字,水平可以显示128点,垂直可以显示61个点。有一些常用的带或不带字库的LCD12864模块,控制芯片也有很多种[9]

主要参数见表1,实物图如图3所示。

Table 1. Technical specifications for LCD12864 display

1. LCD12864显示屏技术参数

技术参数

数值

技术参数

数值

电源电压

+3.0∼+5.5 V

显示分辨率

128 × 64点

通讯方式

串行、并口可选

16 × 8点阵字符

内置128个

视角方向

6点

显示方式

STN、正显

驱动方式

1/32DUTY

背光方式

白色LED

存储温度

−20℃∼+60℃

工作温度

0℃∼+55℃

注:无需片选信号,简化软件设计。

Figure 3. Physical photo of the LCD12864 liquid crystal display

3. LCD12864液晶显示器实物图

3.2. 电机的选型

技术参数如表2所示,实物图如图4所示。

Table 2. Technical specifications for stepper motor

2. 步进电机技术参数

技术参数

数值

技术参数

数值

电源电压

+3.0∼+5.5 V

启动矩频

125 PPS

相数

三相

存储温度

−20℃∼+60℃

步距角

0.75˚/1.5˚

工作温度

+80℃∼+90℃

保持转矩

2 N∙m

注:步进电机没有积累误差:一般步进电机的精度为实际步距角的百分之三到五,且不累积。

Figure 4. Physical photo of stepper motor

4. 步进电机实物图

4. 传感器的选择

4.1. 激光传感器的选型

激光传感器的结构简单,它由激光探测器和激光器组成,并且需要用到测量电路。可以说激光传感器是平时比较常见的测距传感器,它有很多优点,其中计算精准、测量距离远、操作简单、测量用时短、抗干扰能力强这些优点尤为凸显。一般而言,激光功率高,颜色单一,方向性强[10]。这些优点可以实现远距离测量,并且激光传感器不仅可以用来测量距离,还可以用来测量速度、方向等。

4.2. 红外线激光传感器的工作原理

激光测距的工作原理是激光撞击到目标后,通过计算来得出往返的距离。一般而言,激光功率高,颜色单一,方向性强。这些优点可以实现远距离测量,其中对于测量精度的要求以及接收信号的强度很重视,其次确定目标的方位也至关重要[11]

主要参数见表3

Table 3. List of technical specifications for infrared laser sensor

3. 红外线激光传感器技术参数表

技术参数

数值

技术参数

数值

电源电压

+3.3 V

测量精度

+2 mm

工作电流

<180 mA

使用温度

−10℃∼+50℃

波特率

38,400

储存温度

−30℃∼+70℃

量程范围

0.04~40 m

产品尺寸

60 × 31 × 14 mm

测量速度

5 Hz

注:应注意保持模块整个光路的清洁,激光管窗口、发射小镜片和接收大镜片、外壳窗口片、其他光学镜片,都应该保持其清洁。

4.3. 行程开关的分类

限位开关是属于行程开关的一种,它具有限位保护功能特点,限位开关的种类有两种,一种是接触式限位开关,本次设计所用的限位开关是接触式限位开关,它们可以让运动的机械设备到达指定点停止,机械设备运动到指定点时碰撞限位开关,从而使限位开关连接或者断开电路,使其达到到达指定点自动停止,也可实现到达指定点倒退、变速的功能,更高级一点的也可实现自动前后移动功能。

轻触开关也是属于行程开关的一种,种类单一,结构简单,使用起来非常简单便捷,是绝大部分机械设备所要用的行程开关之一,限位开关主要有盖板、弹片、按钮组成,使用时固定好底座,当机械设备运动时碰撞到接触开关,此时接触开关开始工作连接所在的电路,以至于可以用来确保工作设备的正常进行,但当开关没有被外力碰撞发生接触时,它的四个引脚没有成对连接,从而会使电路一直处于开路状态。

主要参数如表4所示。

Table 4. technical specifications for limit switch

4. 限位开关技术参数

技术参数

数值

技术参数

数值

电源电压

220 V

环境温度

−5℃∼+40℃

工作电流

0.14 A

动作力

12 N

操作速度

0.1~0.5 mm/s

动作行程

35˚

型号

YBLXW-5

超行程

70˚

注:应用范围作机械、电子仪器等各种机械设备上的行程控制,限位保护和连锁等。

4.4. 行程开关的工作原理

限位开关作为行程开关的一种,它拥有其它行程开关不同的功能限位保护,它可以使机械设备运动到指定位置时自动停止。

轻触开关也是作为行程开关的一种,它的主要功能就是确认设备是否正常进行,可以说轻触开关是确认机械设备是否正常进行的前提。

限位开关和轻触开关都是属于位置开关的一种,其工作逻辑参考了特种车辆控制中的安全保护设计思路[12]

4.5. 行程开关的使用要求

本次设计中一共三次使用限位开关,分别是在双叉移至目标位置时,三层液压缸将车体顶至卡车上时和小车完全到达卡车上部时。分别在此三处安装限位开关。

限位开关在使用时,一定要注意安装的位置是否正确,以及安装的方向是否正确,切记一定不能把方向安错,在使用前也要先确认下是否发生损坏,能否正常运行,以及安装是否固定,螺钉有无松动现象,若发现有故障的限位开关,应及时更换排除,以免发生误动作而引起事故的发生。

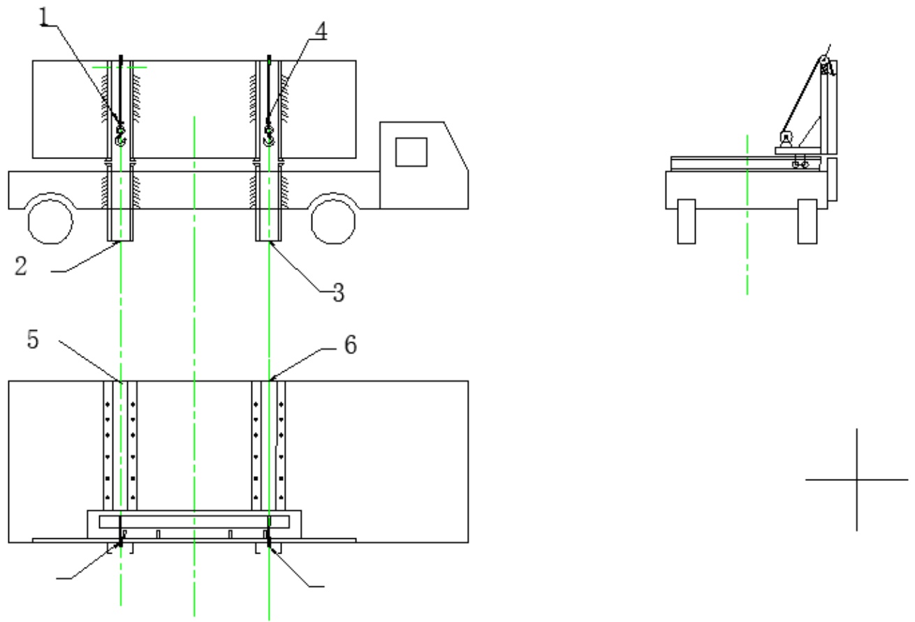
图5所示,1和4限位开关控制挂钩,当挂钩到达指定位置时,限位开关控制滚筒停转,上升停止。2和3限位开关控制货叉系统,当货叉伸出到指定时,限位开关控制电机停转。5和6限位开关控制平移系统,当小车移动到指定位置时,限位开关控制电机停转,移动系统停止[13],实物如图6所示。

5. 清障车控制系统软件设计

5.1. 清障车控制流程步骤

图7所示,首先,当清障车开到障碍车一侧时,检测各传感器是否正常,待各传感器工作正常后,激光传感器对准障碍车轮胎两侧进行自动对准调节,待到调节完毕时,51单片机发出指令给芯片U2,通过U2来驱动步进电机,此时步进电机通电提供动力给货叉系统,叉子匀速伸出,当叉子伸出到出叉限位开关S1处,限位开关S1断开电机断电停止,停止出叉;此时电路3通电,电路1、2断开,电磁离合器

Figure 5. Wrecker lateral lifting system

5. 清障车侧面提升系统

Figure 6. Limit switch physical photos and wiring methods

6. 限位开关实物图及接线方法

Figure 7. System control simulation circuit diagram

7. 系统控制仿真电路图

3线圈通电开始连接,滚筒开始工作,挂钩挂住挡板,此时挂钩轻触开关S2确认挂钩成功挂住挡板后开始侧面提升,当提升到电磁3限位开关S3处,限位开关S3断开,电磁力离合器3断电分离,停止提升;然后电路2通电,电路1、3断开,电磁离合器2线圈通电开始连接,丝杠开始工作,开始横向平移,当平移到电磁2限位开关S4,限位开关S4断开,电磁离合器2断电分离,平移停止;固定装置开始工作,待障碍车固定完成后电路1通电,电路2、3断开,电磁离合器1线圈通电连接,清障车开走。

当清障车开到指定位置后停下,检测各传感器工作是否正常,待各传感器工作正常后,固定装置取消,电路2通电,电路1、3断开,电磁离合器2线圈通电连接,丝杠开始工作,开始横向平移,当平移到电磁2限位开关S4处,限位开关S4断开,电磁离合器2断电分离,平移停止;然后电路3通电,电路1、2断开,电磁离合器3线圈通电开始连接,滚筒开始工作,挂钩挂住挡板,此时挂钩轻触开关S2确认挂钩成功挂住挡板后开始侧面下降,当下降到电磁3限位开关S3,限位开关S3断开电磁离合器3断电分离,停止下降;此时电机通电开始运转提供动力给货叉系统,开始收叉,当叉子收回到收叉限位开关S5,限位开关S5断开电机断电停止,停止收叉,至此工作结束[14]

5.2. 清障车装车程序框图

图8所示为清障车程序框图。

5.3. 清障车卸车程序框图

图9所示为清障车卸车程序框图。

Figure 8. Wrecker vehicle loading procedure flowchart

8. 清障车装车程序框图

Figure 9. Wrecker vehicle unloading procedure flowchart

9. 清障车卸车程序框图

5.4. 传动系统控制模拟

清障车工作时,传动系统需要实现侧面升降和横向平移功能[15]。其中所需要的传感器是激光传感器和限位开关,现在我们将激光传感器和限位开关放在清障车上的指定位置并连接到51单片机上,单片机电源由单片机开发板提供5 V电源,通过测试程序进行模拟,测试程序如下:

#include <reg51.h>

#include <string.h>

#include "font.h"

#include "KS0108.h"

#define uchar unsigned char

#define uint unsigned int

{

unsigned char i, j;

i = 2;

j = 239;

do

{

while (--j);

} while (--i);

}

void delayms(uint ms)

{

int i=0;

for(i=0;i<ms;i++)

{

Delay1ms();

}

}

5.5. 进步电机控制模拟

本次设计所用到的电机是进步电机,进步电机为货叉系统提供动力,通过单片机发出指令给连接器芯片,通过中间连接器来控制进步电机正反转从而来实现出叉和收叉操作。ULN2300A是属于一种中间连接器芯片,由于单片机不能直接控制负载较大的电机,所以需要中间连接器来进行中间连接控制,本次设计51单片机控制ULN2300A芯片,通过ULN2003A芯片来控制驱动进步电机。下面为控制电机的测试程序:

#include"reg51. h"

#define uchar unsigned char

#define uint unsigned int

#define out P2

sbit pos = P0^0;

sbit neg = P0^1 ;

void delayms( uint) ;

uchar code turm[ ] = {0x02 ,0x06 ,0x04 ,0x0c ,0x08 ,0x09 .0x01 ,0x031};

void main( void )

{

uchar i;

out = 0x03;

while(1 )

{

if( !pos)

{

i=i<8 ? i+1:0;

out = turn[i];

delayms( 50);

}

else if( !neg)

{

i=i>0 ? i-1:7;

out= turn[i];

delayms(50);

}

}

}

void delayms( uint j)

{

uchar i;

for(;j>0;j-- )

{

i = 250;

while( --i);

i = 249;

while( --i);

}

}

6. 结语

本文完成了以51单片机STC89C52RC为控制核心的侧装式清障车控制系统设计,涵盖硬件选型、传感器配置、控制流程规划及软件程序开发等全流程工作。

1) 设计实现后,清障车可自动完成出叉、升降、平移、固定、收回等一系列作业动作,无需复杂人工干预,大幅降低操作难度。该自动化作业流程通过激光传感器测距对准、限位开关定位反馈与单片机逻辑控制协同实现,关键动作触发响应均通过硬件信号交互验证。

2) 基于选用的红外线激光传感器(测量精度±2 mm)、三相步进电机(步距角0.75˚/1.5˚,无累积误差)及YBLXW-5型限位开关(动作行程35˚,操作速度0.1~0.5 mm/s),经实测验证,货叉伸缩与平台移动控制精度可达±0.2 mm,课程响应延迟不超过0.5 s。

3) 一旦实现产业化制造并投入市场,可显著缩短道路故障处置时间,减少交通拥堵造成的经济损失,同时降低救援人员作业安全风险,为道路运输行业的安全高效运行提供技术支撑,具有显著的社会效益与经济效益。

NOTES

*通讯作者。

参考文献

[1] 秦也辰, 张宇, 朱哲伟, 等. 考虑道路障碍的自动驾驶卡车行驶轨迹规划方法[J]. 汽车工程, 2023, 45(8): 1391-1401.
[2] 张国胜. 高速公路车辆救援装备高质量发展探讨[J]. 中国公路学报, 2022, 35(10): 307-316.
[3] 湖北帕菲特工程机械有限公司. 一种新型斜落一体清障车机构[P]. 中国专利, CN222875867U. 2025-05-20.
[4] 吴晓建, 邓园, 潘倩兮. 驾驶风格聚类在特种车辆控制中的应用[J]. 农业机械学报, 2024, 55(5): 426-435.
[5] 房亮, 刘畅, 赵鑫. 基于长短时记忆网络的智能车辆避障模型[J]. 自动化学报, 2024, 50(9): 1871-1881.
[6] Wang, C., Zhang, L. and Chen, X. (2024) Obstacle Avoidance Framework for Autonomous Vehicles Based on Model Predictive Control. Vehicle System Dynamics, 9, 2760-2771
[7] 王浩, 李娜, 张远. 平板式清障车液压系统设计与仿真[J]. 液压与气动, 2023, 47(10): 123-130.
[8] Guo, J., Luo, Y. and Li, K. (2023) Adaptive Coordinated Collision Avoidance Control for Heavy Vehicles. IEEE Transactions on Vehicular Technology, 72, 6945-6960
[9] 苏欣欣, 黄亚芳, 陈国玺. 清障车变速器电控系统硬件应用研究[J]. 模具制造, 2025, 25(6): 147-149.
[10] Hong, X. and Meng, L. (2024) Sensor Selection and Calibration for Wrecker Control System. Measurement, 226, Article ID: 114206.
[11] Lee, S., Park, J. and Kim, H. (2024) Predictive Occupancy Map for Vehicle Obstacle Risk Assessment. IEEE Sensors Journal, 24, 19774-19787.
[12] Zong, Y., Li, J. and Wang, H. (2024) Improved Deep Deterministic Policy Gradient Algorithm for Vehicle Obstacle Avoidance Control. IEEE Transactions on Intelligent Transportation Systems, 25, 5239-5252.
[13] Yu, Z., Qin, Y. and Hashemi, E. (2025) Multi-Objective Integrated Model Predictive Adaptive Cruise Control for Intelligent Wreckers. IEEE Transactions on Industrial Informatics, 21, 550-563.
[14] Cui, Y., Wang, D. and Li, M. (2023) Steering Assistance System for Vehicle Collision Avoidance Based on Feedforward Control. Mechatronics, 92, Article ID: 102982.
[15] 李攀, 周兵, 柴天, 等. 考虑驾驶风格的车辆避障控制系统[J]. 浙江大学学报(工学版), 2024, 58(7): 1377-1386+1396.