适用于多种负载的感应耦合充电系统设计
Design of an Inductively Coupled Charging System for Multiple Loads
DOI: 10.12677/sg.2026.161001, PDF, HTML, XML,   
作者: 王建军*, 宋海辉, 杨文博:上海第二工业大学智能制造与控制工程学院,上海
关键词: 室内环境多负载感应充电最大电流模式Indoor Environment Multiple Loads Inductive Charging Maximum Current Mode
摘要: 针对未来家居环境需进行非接触充电的物品种类多且充电过程具有随机性的特点,设计了适用于多负载感应充电的无线电能传输系统。该系统的原边采用LC串联结构,电源输出频率固定。副边的多个充电负载在空间上采用分布式结构,避免负载之间的耦合。为了适应阻抗变化导致的系统失谐,各负载配置独立调谐机构并采用最大电流模式自动调谐,保证充电过程的稳定和高效。
Abstract: Given the characteristics of future home environments, where a large variety of devices require contactless charging and the charging process is random, a wireless power transfer system suitable for multi-load inductive charging is designed. The primary-side of the system adopts an LC series structure with a fixed power supply frequency. Multiple charging loads on the secondary-side are configured in a distributed spatial layout to avoid coupling between coils. To address system detuning caused by impedance variations, each load is equipped with an independent tuning mechanism and uses maximum current mode automatic tuning, thereby ensuring stable and efficient charging processes.
文章引用:王建军, 宋海辉, 杨文博. 适用于多种负载的感应耦合充电系统设计[J]. 智能电网, 2026, 16(1): 1-6. https://doi.org/10.12677/sg.2026.161001

1. 引言

基于对工作和生活便捷性的追求,人们在家居和办公场所中使用具有无线充电功能的电器会越来越多,比如移动电话、扫地机器人、吸尘器、面包机等等,在未来还会出现人形机器人等。目前的室内无线充电系统主要采用感应耦合模式,且采用独立供电系统,即一种电器配备一种充电器。这种充电结构存在天然的不足,如用于扫地机器人的充电系统无法给手机充电[1] [2]。另外,这类系统一般供电端和负载端的结构以及电气参数都是不可变的,在充电过程中由于负载端与供电端相对空间位置的改变如间隙和未对准等,会导致系统失谐,失谐的系统会导致充电效率极大降低[3]-[5]。在未来随着使用无线充电的电器越来越多,采用独立供电系统的模式无论成本还是充电效率低的弊端都会更明显。针对上述问题,本文提出了用于多负载的感应耦合无线充电系统,系统采用单一电源可同时为不同电器负载供电,负载通过自调谐模式保证充电效率。

2. 充电系统总体结构

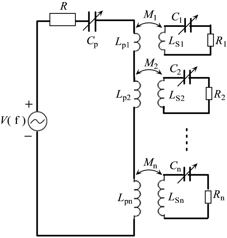
对于不同的电器而言,不仅它们的功能不同,其物理结构也是不同的,比如体积等。作为无线充电的受电体,物理结构不同的电器其使用的感应线圈(副边线圈)的尺寸和结构一般也是不同的,也就是不同的电器无法使用物理结构和尺寸完全相同的副边线圈。因此充电系统的原边线圈无法使用尺寸和物理参数相同的供电线圈(原边线圈)。因此,根据负载电器的数量,本文的感应电能传输系统的原边被分成了若干个单独的线圈,每个线圈与对应的电器的副边线圈组合成了一个完整的充电副。感应耦合充电系统的总体结构见图1

Figure 1. Multi-load charging system architecture

1. 多负载充电系统原理结构

图1中,充电系统由供电端和接收端组成,供电端包含高频交流电源V (f)、调谐电容CP和多个电感LP1LP2、……LPn。电感LP1LP2、……LPn是分别与副边也就是各个负载电器的耦合电感相耦合完成电能传输。LP1LP2、……LPn串联在一起构成了感应电能传输系统的原边电感。系统接收端也就是充电系统的副边由n个独立的用电负载组成,每个负载通过自身耦合电感LS1LS2、……、LSn从原边感应取电。图中Mi (i = 1, …, n)是第i个负载的副边与供电端与之对应的原边之间的互感系数。Ci (i = 1, …, n)是第i个负载的副边的调谐电容。R是原边的内阻。Ri (i = 1, …, n)是第i个负载的负载电阻。系统的原边的电感被分开成多个串联的线圈,是因为每个电器负载的副边线圈的物体特性不同,无法使用规格一致的原边线圈为其供电。原边的各个线圈的匝数和尺寸一般是不同的,具体参数需根据负载电器的特性设计,目的是保持电能的高效传输。在实际的安装过程中,原边的各个线圈之间要间隔有足够远的距离,防止线圈之间的互感干扰。另外每个原边线圈与对应的负载副边线圈的物理参数也并不相同,而是视实际需要而定。

3. 系统特性分析

针对图1,当不考虑负载的影响时,原边的阻抗Z的表达式如下:

Z=R+jωLj 1 ωC (1)

式中L为环路总电感,C为环路电容。忽略电感之间的互感,将串联电路的总电感和电容带入式(1),得到式(2)。

Z=R+jω i=1 n L Pi j 1 ω C P (2)

原边的谐振频率f为:

f= 1 2π i=1 n L Pi C P (3)

当电源的工作频率为上式的f时,系统并不能实现高效充电,因为系统并不能达到谐振状态。原因在于,受到电器负载电感的影响,原边系统的电感并不能用电感LP1LP2、……LPn的和来表示。

考虑只含有2个电感LPiLSi的互感耦合电路,如图2所示。在图2中,V (f)为正弦波输入电源,其工作角频率为ωRL为副边负载电阻,M为两个电感之间的互感系数。根据电路原理可得如下公式:

{ jω L Pi I ˙ 1 +jω L Si I ˙ 2 = V ˙ jωM I ˙ 1 +( jω L Si + R L ) I ˙ 2 =0 (4)

对式(4)求解,得

{ I ˙ 1 = jω L Si + R L jω L Pi ( jω L Si + R L )+ ω 2 M 2 V ˙ I ˙ 2 = jωM jω L Pi ( jω L si + R L )+ ω 2 M 2 V ˙ (5)

求解式(5)得到原边的输入阻抗Z为:

Z= V ˙ I ˙ 1 =jω L Pi + ω 2 M 2 jω L Si + R L (6)

式(6)表明,原边的输入阻抗由2部分构成,其中第一部分是由电源和电感LPi构成的回路在没有与电感LSi产生耦合之前的阻抗,而第二部分则是由于电感LSi的介入产生的附加阻抗。如果副边电感LSi未耦合接入之前,电源V (f)工作在频率f时原边处于谐振状态,则由于负载LSi的接入,系统将失去谐振状态,因为附加阻抗的产生导致系统不满足谐振条件,即处于失谐状态。失谐后,系统的能量传输效率将会受到极大影响。

Figure 2. Dual-inductor coupled circuit

2. 双电感耦合电路

上述对原边系统的谐振过程的分析,同样适用于副边负载的工作过程。当负载接入充电系统时,其电感值将与离线状态时完全不同。

可为多个负载充电的供电系统,其工作时系统的物理参数是随机变化的。主要原因在于负载电器接入系统的时刻是随机的,因为不是所有电器需要同时充电,而且充电完成脱离系统的时刻也是不相同的。另外,即使是同一负载,其接入充电系统时,对原边的影响也不是固定不变的。式(6)中的附加阻抗部分含有互感系数M,由物理学原理可知,互感系数的大小不仅与线圈的尺寸有关还与线圈间的距离有关[6]。而有些电器充电时由于摆放位置的不固定会导致原边线圈与负载电器线圈的距离也是变化的,导致附加阻抗也是变化的[7] [8]

上述分析表明,如果电源V (f)输出正弦波的频率是固定的,由于负载电器的随机接入或离开,原边系统将处于失谐状态。基于同样的原理,负载电器的工作状态也会失谐,而且是常态。

4. 系统调谐方法

图1所示的原边结构中,系统的失谐是由于附加阻抗引起的,而附加阻抗的产生是不可避免的,且附加阻抗值具有随机特征。为了保证充电过程的高效性,必须保证由电源V (f)、电容CP和电感LP1LP2、……LPn构成的原边处于或接近处于谐振状态,以保证足够的功率输出。

4.1. 原边系统调谐原理

调谐的目的是使失谐的原边系统回复到谐振状态。调谐方法采用最大电流法[9],其基本原理是:当系统的硬件参数稳定时,谐振状态下串联电路的电流最大,反之电流减小。硬件的参数发生变化后,系统失去谐振状态,但是仍然存在与新的谐振状态对应的理论上的电流最大值,即系统处于谐振状态的电流值。因此通过监测串联电路的电流值即可获知谐振状态[9]。当系统中一个或多个负载变化时,系统会失谐,对于失谐的系统,当交流电源电源V (f)的频率不变时,每个负载都可以通过动态调节自身电感或电容的值保证本负载系统重新进入谐振状态。本文采用的调谐方法是调节电容CP的值,使其动态适应电路的工作状态。

4.2. 原边系统调谐过程

原边电容CP采用可调旋转电容,使用步进电机带动电容机械轴旋转从而改变接入电路的电容值。使用电流互感器检测原边电流I1,将检测到的交流电转变为直流电送入计算机。计算机根据原边电流值控制电机旋转角度从而调节电容。电容调节系统的硬件结构原理如图3所示。

Figure 3. Primary-side tuning mechanism principle

3. 原边调谐机构原理

Figure 4. Primary-side tuning process

4. 原边调谐过程

最大电流模式的计算机自动调谐过程如下:

1) 系统启动,检测并记录当前电流I10,控制步进电机正向旋转角度 Δα ,使谐振电容增加 ΔC

2) 检测并记录当前电流I11,如果电流I11大于电流I10,说明电容调节方向是正确的,用I11

I10并将其记为当前电流值;

3) 继续控制步进电机增加旋转角度 Δα ,使谐振电容增加 ΔC ,检测并记录当前电流I12

4) 如果电流I12大于电流I10,则用I12取代I10并将其记为当前电流值;

5) 持续上述调节过程,直至出现检测到的实时电流值小于当前电流值I10,说明电容调节过度,此时

需要控制步进电机向反方向旋转角度 Δα ,使电容减小 ΔC

6) 检测并比较当前电流与I10大小,如果当前电流大于I10,则继续向反方向旋转步进电机,否则控制步进电机向正方向旋转。

上述过程不间断进行,即使因负载的改变导致系统处于波动过程,系统仍能通过搜索最大电流保证自身工作于近似谐振状态,保证系统的电能输出。将上述过程用流程图形式表示如上图4

4.3. 副边系统调谐过程

系统原边的最大电流调谐模式理论上也适用于充电的负载电器的调谐过程。但是用于充电的电器的种类是多种多样的,不是每种电器都需要进行动态调谐。对于手机等小体积的电器,其内部无法安装电容调节机构,因而电流调谐模式并不适用。对于该类负载可通过固定其充电位置的方式提高充电效率。而对于扫地机器人、人形机器人等体积较大的设备,则可在其内部安装电容调节机构并使用最大电流调谐模式提高充电效率,其调谐方法与前面描述的完全相同,此处不再进行探讨。

5. 结语

对于采用RLC串联电路作为原边的充电系统而言,由于负载的接入会导致电路出现附加阻抗从而产生失谐。对原边和负载采用最大电流调谐模式,通过改变回路电容可使系统保持谐振状态,保证充电过程的高效率。

NOTES

*通讯作者。

参考文献

[1] 梁永峰, 李正, 宋翔宇. 手机近距离无线充电系统设计及仿真[J]. 沧州师范学院学报, 2020, 36(2): 43-46.
[2] 孙川, 王春芳. 寻轨机器人用无线充电系统的研究[J]. 电源学报, 2018, 16(6): 137-142.
[3] 胡宏晟, 蔡涛, 等. 用于WPT系统的一次侧失谐SS型补偿拓扑及其参数设计方法[J]. 电工技术学报, 2017, 32(18): 74-82.
[4] Feng, H., Cai, T., Duan, S., Zhao, J., Zhang, X. and Chen, C. (2016) An LCC-Compensated Resonant Converter Optimized for Robust Reaction to Large Coupling Variation in Dynamic Wireless Power Transfer. IEEE Transactions on Industrial Electronics, 63, 6591-6601. [Google Scholar] [CrossRef
[5] 王娜, 唐堂等, 张兆东, 刘景夏, 胡冰新. 磁耦合谐振式无线能量传输效率分析[J]. 解放军理工大学学报(自然科学版), 2015, 16(5): 413-417.
[6] 周群益, 莫云飞, 侯兆阳, 周丽丽. 两共轴环电流之间的互感系数和作用力[J]. 大学物理, 2020, 39(10): 5-11.
[7] 刘璐, 徐桂枝, 石凯凯, 曹智阳. 线圈偏移对无线电能传输效率的影响及优化[J]. 现代电子技术, 2021, 44(8): 123-127.
[8] 李文华, 马源鸿, 王炳龙. 电动汽车无线充电线圈错位及偏移影响研究[J]. 计算机仿真, 2018, 35(2): 101⁃104.
[9] 王建军, 秦琴. 随机负载条件下非接触供电系统的自适应调谐方法[J]. 电力自动化设备, 2012, 32(10): 142-145.