在线振动管液体密度计自动校准装置的研究
Research on an Automatic Calibration Device for Online Vibrating-Tube Liquid Densimeters
摘要: 针对传统在线振动管液体密度计校准过程繁琐、效率低下的问题、人工干预多、易引入误差等问题,本文设计并实现了一种基于多管道并行架构的在线振动管液体密度计自动校准装置,该装置集成了测量部分、循环部分、移动装置及PID控制系统,形成一套完整的校准平台。测量部分可同时安装三台被测密度计,支持并行校准;循环部分包括三套校准介质循环管道以及三套清洗循环管道,分别用于多种介质条件下的密度标定和系统清洗;移动装置用于实现测量部分在校准介质循环管道和清洗循环管道之间的移动,以接入校准介质循环管道和清洗循环管道中的其中一个。被测密度计在不同校准介质循环管道之间切换而进行标定时,无需对校准介质循环管道内的溶剂进行更换或减少更换次数,省去了清洗管道和仪表所需的时间,同时避免了因清洗不彻底导致的交叉污染。系统支持多台密度计并行校准,能够极大提高校准效率,适用于大规模、多批次的密度计校准需求。
Abstract: To address the limitations of traditional calibration methods for online vibrating-tube liquid densi- tometers, such as cumbersome procedures, low efficiency, high manual intervention, and susceptibility to human error, this paper presents the design and implementation of an automated calibration device based on a multi-pipeline parallel architecture. The system integrates a measurement module, a circulation module, a moving mechanism, and a PID-based control system into a comprehensive calibration platform. The measurement module accommodates up to three densitometers under test simultaneously, enabling parallel calibration. The circulation module comprises three sets of calibration fluid circulation pipelines and three sets of cleaning pipelines, dedicated to density calibration under multiple medium conditions and systematic cleaning, respectively. A moving mechanism facilitates the switching of the measurement module between calibration and cleaning pipelines, allowing it to connect selectively to any one pipeline. When calibrating a densitometer by switching among different calibration fluid pipelines, the solvent replacement within the pipelines is either unnecessary or significantly reduced. This approach eliminates the time required for pipeline and instrument cleaning while preventing cross-contamination caused by incomplete cleaning. By supporting parallel calibration of multiple densitometers, the system substantially improves calibration efficiency and is well-suited for large-scale, batch-based densitometer calibration demands.
文章引用:沈友弟, 许俊斌, 吴明凯, 沈泽曼. 在线振动管液体密度计自动校准装置的研究[J]. 机械工程与技术, 2026, 15(1): 21-29. https://doi.org/10.12677/met.2026.151003

1. 引言

在线振动管液体密度计因其测量精度高、稳定性好、抗干扰能力强等优点,已被广泛应用于石油输送与炼化、化工生产、水处理、食品制药等行业中的液体密度与浓度的在线监测。密度数据的准确性对于工艺控制、质量保证和能源计量具有重要意义,因此密度计的定期校准成为保障其测量可靠性的关键环节[1]

然而,传统的在线振动管液体密度计校准方法存在明显不足。校准过程中需使用多种不同密度的标定介质(如纯水、乙醇、盐溶液等),并在多个温度环境(如15℃、20℃、25℃~60℃)、不同压力及流量条件下进行多次标定,每次更换校准介质前,还需对管道及仪表进行彻底清洗,以消除介质残留对下一次测量的影响,这一过程不仅步骤繁琐、耗时长,且对操作人员技能要求高,清洗效果难以保证,因此容易引入人为误差。尤其是在大规模、多台密度计需校准的场景下,传统方法效率极低,难以满足现代工业对检测效率和自动化水平的要求。

为解决上述问题,本文根据JJF2164-2024在线振动管液体密度计校准规范的要求,研制了一种新型在线振动管液体密度计自动化校准装置[2]。该装置采用多套独立循环管道并联设计,结合移动对接机构与智能控制系统,实现了校准介质的快速切换与测量系统的自动清洗,显著减少了中间环节时间消耗。装置支持三台密度计同时校准,具备多工况模拟能力,并可实时监测与记录温度、压力、流量等参数,确保校准过程的准确性与可追溯性[3]。本文重点介绍该装置的系统结构、工作原理与控制流程,为相关行业密度计的自动化、标准化校准提供技术支持与发展方向[4]

2. 装置结构

2.1. 整体结构

该校准装置主要由柜体、测量部分、循环部分、移动装置、锁紧装置以及控制系统六大部分组成(图1),其中,测量部分和移动装置设置在柜体1内,循环部分分布在柜体内和柜体外。测量部分用于同时安装1~3台被测密度计;循环部分包括多套校准介质循环管道和清洗循环管道;移动装置通过水平与竖直运动机构实现测量部分与不同管道的对接。

注:1柜体;2测量部分;3循环部分;4移动装置;6操作台。

Figure 1. Schematic diagram of the online calibration device for an in-line vibrating tube liquid densitometer

1. 在线振动管液体密度计自动校准装置的结构示意图

2.2. 循环部分

循环部分包含校准介质和清洗两类循环管道,清洗循环管道包括水洗、酒精洗和气洗三路循环管道,校准介质循环管道支持用三种不同溶液进行密度计校准。每套管道均设有进出口接口,通过金属软管与测量部分相连。校准介质循环管道、水洗循环管道和酒精洗循环管道分别通过三通截止阀与气洗循环管道连接,从而可以实现对管道内残余液体的干燥清理,同时三通截止阀还连接排气阀,用于气体的排出。校准介质循环管道内置恒温槽、热交换器、泵、流量计、调压阀等部件,可实现温度、压力、流量的精确控制[5]。清洗循环管道则用于在不同校准介质之间对测量系统进行清洗与干燥,实现校准过程自动化,解决了传统装置每一步都需要校准人员长时间操作等问题。

2.3. 移动装置

移动装置用于将测量部分在校准介质循环管道和清洗循环管道之间移动,以接入校准介质循环管道和清洗循环管道中的其中一个。移动装置由水平与竖直移动机构组成。水平移动机构包括水平轨道、水平驱动装置和水平移动支架,水平移动支架可滑动地设置在水平轨道上,由水平驱动装置驱动实现在水平轨道上的移动。竖直移动机构包括竖直轨道、竖直驱动装置和竖直移动支架,竖直轨道固定设置在水平移动支架上,竖直移动支架可滑动地设置在竖直轨道上,由竖直驱动装置驱动实现在竖直轨道上的移动。水平驱动装置和竖直驱动装置均可以采用电机。水平移动机构驱动测量部分沿水平方向移动至与校准介质循环管道或清洗循环管道的循环接口对应的位置;竖直移动机构用于驱动测量部分在竖直方向移动,使得第二循环接口与第二测量接口对接,随后锁紧装置对第一循环接口与第一测量接口,以及第二循环接口和第二测量接口进行锁紧,解决了传统装置单一循环通道效率低问题。

2.4. 锁紧装置

锁紧装置用于在测量部分与校准介质循环管道或清洗循环管道对接时实现可靠锁紧,确保连接密封性与稳定性。该装置由第一、第二和第三锁紧机构组成。第一锁紧机构设置在循环部分的第一循环接口上,包括驱动机构和弹性缓冲机构。通过推动第一循环接口上的法兰快速接头向下移动,与测量部分的第一测量接口对接,弹性缓冲机构安装于驱动轴与接头之间,起到缓冲作用。接口后方连接软管,为其下移提供柔性空间。

第二锁紧机构位于测量部分的第一测量接口处,由第二驱动机构和第一法兰快速装夹工装构成。当第二驱动机构向上运动时,驱动装夹工装的勾爪向内合拢,将第一循环接口与第一测量接口的法兰快速接头压紧,使测量部分与循环部分连通;驱动机构下移时,勾爪张开,实现接口分离,便于测量部分移动。

第三锁紧机构设于测量部分的第二测量接口上,包括第三驱动机构和第二法兰快速装夹工装。第三驱动机构向下运动时,驱动装夹工装夹紧第二循环接口与第二测量接口的法兰快速接头,完成密封连接;驱动机构上移则松开接头,使测量部分可切换工位。各循环接口与测量接口均配备法兰快速接头,通过电动推杆驱动实现快速、可靠的对接与分离,保障管道切换过程中的密封性与操作效率。

2.5. 测量部分

测量部分设有三个并联的密度计安装位,可同时安装三个被测密度计,或安装两个被测密度计和一个作为参考的标准密度计,而每个工位均设有截止阀,可独立控制。入口端合并后接入第一测量接口,出口端合并后接入第二测量接口。此装置可同时标定1~3台被测密度计,避免如传统校准装置反复装拆的过程,有效提高了校准效率。

测量部分的入口端和出口端均与测量接口之间设置有温度传感器,实时监测流体温度。在竖直方向上具有默认高度和工作高度两个高度位置,默认高度高于工作高度,在非工作状态下,测量部分位于默认高度,当需要工作时,测量部分在移动机构的驱动下移动到工作高度。

2.6. 其他优选设置

装置在材质、密封、保温及结构方面均经过专门设计,以满足高精度校准及长期稳定运行的要求。在材质选用方面,与液体有接触的位置,全部使用耐腐蚀的316 L不锈钢材质,外部管道采用耐腐蚀的316不锈钢波纹编制管连接,以方便管道的连接。在密封方式方面,所有连接处采用灵活的密封处理,如快装接头,法兰接头,螺牙丝扣等。在密度计安装位,采用不锈钢波纹补偿管进行连接,安装部分使用两种不同规格的接头(法兰或其他)进行连接,方便调整固定密度计法兰位置,兼容不同型号的密度计。在保温措施方面,柜体内壁、管道外、阀门、流量计、压力表、泵等,全部贴好带铝箔的丁腈橡胶保温棉,进行保温,以减少装置与外部空气的热交换,减小在标定过程中因温度的变化产生影响。在温度控制方面,液体温度通过恒温槽实现精确调控。上位机设定温度参数后,指令发送至恒温槽进行加热或制冷,其外循环系统将恒温介质输送至热交换器,进而对管道内的校准介质进行温度调节。在柜体结构方面,采用对开门的形式,增加柜门开口空间,方便安装密度计,正面部分及门上带视窗,方便观察装置内密度计的工作状态。

3. 工作原理与控制流程

3.1. 标定工作原理

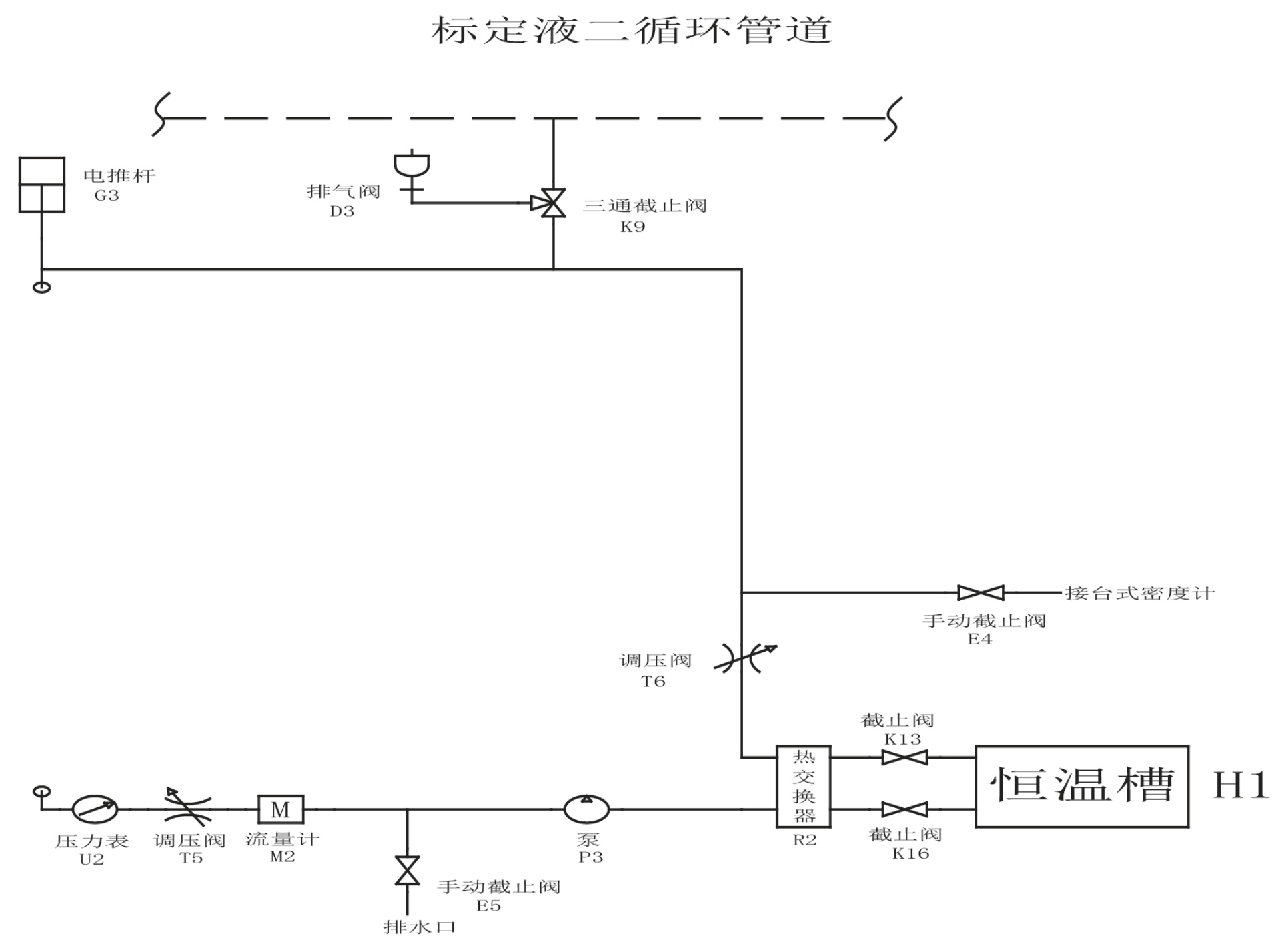
装置采用“一测多标”的并行校准模式,每套校准介质循环管道独立配置恒温槽、热交换器和加压系统。以校准介质二循环管道为例,如图2所示,介质流程为:第一循环接口→第一调压阀(如T6)→热交换器(R2)第一换热端→第一截止阀(K13)→恒温槽(H1)→第二截止阀(K16)→热交换器(R2)第二换热端→泵(P3)→流量计(M2)→第二调压阀(如T5)→压力表(U2)→第二循环接口。其中恒温槽用于精确控温,加压泵可实现压力调节,满足不同工况模拟需求。

旁路设有标准密度计(台式密度计)与手动截止阀(B4、B5),用于与被测密度计同步采集数据,可以和标准值进行比对与液体的排放。系统自动记录标准密度、温度、压力和流量参数,通过控制系统调节热交换器和调压阀,使工况参数稳定在设定值范围内,确保校准数据的可靠性。

Figure 2. Schematic diagram of the calibration fluid II circulation pipeline

2. 校准介质二循环管道的原理示意图

3.2. 自动清洗流程

清洗循环管道有三套,包括水洗循环管道、酒精洗循环管道和气洗循环管道,其支持用两种清洗液和无水无油的空气进行测量部分的清洗。水洗循环管道依次连接为:第一循环接口→调压阀→水槽→泵→调压阀→第二循环接口;酒精洗循环管道依次连接为:第一循环接口→调压阀→酒精槽→泵→调压阀→第二循环接口;气洗循环管道依次连接为:第一循环接口→调压阀→气泵→排气口→第二循环接口。三套校准介质循环管道、水洗循环管道和酒精洗循环管道均与气洗循环管道连接,从而对管道内残余液体进行干燥清理。通过实现多通道自动化的清洗,解决了传统校准装置人工清洗效率低,清洗不彻底等问题。水洗循环管道和气洗循环管道如图3所示。

Figure 3. Circulation pipelines for water rinsing and gas purging

3. 水洗循环管道和气洗循环管道

3.3. 控制系统

在线振动管液体密度计自动校准装置采用以PID控制为核心的全自动化控制系统。该系统集成温度、压力、流量等传感器信号,对所有电控阀门及仪器仪表进行集中控制,实现管道切换、自动清洗、工况参数(温度、压力、流量)调节以及仪表数据自动采集与存储等一系列功能的自动化运行。

系统配备上位机操作软件与专用操作台,提供可交互的操作界面。操作人员可通过界面实时监控设备运行状态,并进行参数设置、程序调用等操作[6]。操作台采用可活动的悬臂结构,便于在现场对密度计实际状态进行参数调整。此外,系统具备异常断电保护功能,可即时保存当前状态,待供电恢复后自动接续执行未完成的操作流程,有效避免介质泄漏风险,解决了传统校准装置在出现介质泄漏风险时无法在第一时间切断电源,自动关闭通道阀门等安全问题。

4. 实验结果

本次实验选用一台在线振动管液体密度计测量结果作为本文方法的验证。根据以下实验结果,出入口温度控制在±0.02℃以内,测量结果均符合JJF2164-2024在线振动管液体密度计校准规范要求,历时4天即可同时完成三台密度计校准。按照传统校准装置校准效率估算,完成以下多个校准介质及多个温度点需约30天以上,而本在线振动管液体密度计自动校准装置在满足规范的要求下,工作效率较大的提高。详细数据见:表1

Table 1. Experimental results

1. 实验结果

制造厂

Anton paar

型号

L-Dens 7500

出厂编号

85101289

准确度等级

0.1级

标准器

密度标准物质/实验室振式密度仪DMA5001

环境温度

(20.8~21.6)℃

环境湿度

(50~55)%

序号

介质类型

压力(kPa)

流量(m/s)

出口温度(℃)

入口温度(℃)

密度计示值(kg/m3)

标准器示值(kg/m3)

差值(kg/m3)

重复性(kg/m3)

1

纯水

70.2

1.0

14.789

14.791

999.15

999.125

0.025

0.01

2

69.9

1.0

14.994

14.986

999.12

999.097

0.023

3

69.8

1.0

14.930

14.928

999.13

999.106

0.024

4

70.1

1.0

14.890

14.890

999.13

999.112

0.018

5

70.0

1.1

14.859

14.859

999.13

999.115

0.015

6

70.2

1.0

14.868

14.863

999.13

999.114

0.016

7

69.7

1.0

19.948

19.939

998.23

998.213

0.017

0.01

8

69.8

1.0

19.883

19.880

998.24

998.225

0.015

9

70.2

1.1

19.994

19.986

998.22

998.203

0.017

10

70.3

1.1

19.987

19.979

998.22

998.205

0.015

11

70.1

1.0

19.969

19.963

998.23

998.207

0.023

12

70.2

1.0

19.970

19.963

998.23

998.208

0.022

13

69.8

1.0

30.133

30.147

995.62

995.607

0.013

0.01

14

69.7

1.0

30.144

30.159

995.62

995.600

0.020

15

69.9

1.0

30.054

30.066

995.65

995.631

0.019

16

69.6

1.0

29.995

30.009

995.67

995.649

0.021

17

69.7

1.0

29.994

30.007

995.67

995.649

0.021

18

69.9

1.0

30.057

30.069

995.64

995.622

0.018

19

碳酸钾溶液

74.0

1.0

14.943

14.946

1129.20

1129.190

0.010

0.01

20

73.5

1.0

14.907

14.908

1129.20

1129.191

0.009

21

74.7

1.0

14.833

14.835

1129.21

1129.197

0.013

22

73.8

1.0

14.826

14.829

1129.19

1129.177

0.013

23

73.7

1.1

14.577

14.572

1129.28

1129.257

0.023

24

73.7

1.0

14.829

14.832

1129.20

1129.181

0.019

25

73.6

1.0

19.914

19.907

1115.70

1115.744

−0.044

0.01

26

73.8

1.0

19.956

19.951

1115.68

1115.719

−0.039

27

73.8

1.1

19.966

19.963

1115.68

1115.704

−0.024

28

73.6

1.0

19.982

19.978

1115.68

1115.701

−0.021

29

73.6

1.0

19.979

19.973

1115.69

1115.706

−0.016

30

73.6

1.0

19.982

19.978

1115.68

1115.710

−0.030

31

73.8

1.0

29.979

30.000

1111.79

1111.824

−0.034

0.01

32

73.8

1.0

29.998

30.019

1111.78

1111.816

−0.036

续表

33

73.5

1.1

29.989

30.012

1111.79

1111.802

−0.012

34

73.6

1.0

29.994

30.015

1111.78

1111.805

−0.025

35

73.9

1.0

29.981

30.004

1111.79

1111.809

−0.019

36

73.5

1.0

29.989

30.012

1111.79

1111.806

−0.016

37

酒精水溶液

52.5

1.0

14.941

14.950

896.59

896.652

−0.062

0.01

38

50.3

1.0

14.938

14.946

896.61

896.671

−0.061

39

51.6

1.1

14.948

14.958

896.61

896.663

−0.053

40

53.1

1.0

15.025

15.031

896.76

896.820

−0.060

41

51.0

1.0

14.950

14.956

896.81

896.874

−0.064

42

50.5

1.1

14.932

14.941

896.83

896.874

−0.044

43

56.8

1.0

19.979

19.976

893.36

893.409

−0.049

0.01

44

56.4

1.0

19.968

19.965

893.38

893.423

−0.043

45

56.8

1.0

19.960

19.957

893.40

893.444

−0.044

46

55.8

1.0

19.956

19.953

893.44

893.496

−0.056

47

54.4

1.0

19.963

19.960

893.46

893.520

−0.060

48

54.4

1.0

19.961

19.958

893.45

893.511

−0.061

49

53.3

1.1

29.984

29.996

885.22

885.281

−0.061

0.01

50

53.1

1.0

29.977

29.989

885.26

885.306

−0.046

51

53.1

1.0

29.957

29.971

885.29

885.332

−0.042

52

52.9

1.1

29.969

29.983

885.30

885.352

−0.052

53

53.3

1.0

29.977

29.990

885.31

885.363

−0.053

54

53.2

1.0

29.978

29.992

885.26

885.306

−0.046

5. 结论

本文所述的在线振动管液体密度计自动校准装置通过多管道并行设计与自动化控制技术的融合,突破了传统校准方法效率低下的瓶颈。采用PID控制系统可实现:(1) 电控阀门与仪器仪表的自动化控制、数据自动采集与存储;(2) 多套校准介质管道通过移动机构实现无换液切换,避免了传统装置中频繁的介质排空与清洗步骤;(3) 水平定位、竖直对接与法兰压紧相结合的三级定位机制,保障了管道接口的快速密封,显著缩短切换时间;(4) 测量单元采用三个独立安装位的模块化设计,支持校准模式的灵活组合与不同型号密度计的兼容性测试。

该装置适用于多种液体介质的密度计校准,尤其适用于需频繁切换溶剂的大规模校准场景。该装置的推广应用将为化工行业密度计量的精准化、高效化提供有力支撑,同时为过程分析仪器的智能化校准开辟新路径。未来可进一步开发基于机器学习的校准参数预测模型,通过历史数据优化温控曲线和清洗策略,实现校准过程的自适应性调节,进一步提升设备的使用效能。

基金项目

广东省市场监督管理局科技项目(2023CJ01)。

NOTES

*通讯作者。

参考文献

[1] 广东省计量科学研究院(华南国家计量测试中心). 在线振动管液体密度计自动校准装置[P]. 中国专利, CN202411454480.9, 2025-05-13.
[2] 王顺利, 李占宏, 许德福, 等. 在线振动管液体密度计标准装置的研究[J]. 计量技术, 2017(9): 42-46.
[3] 许德福, 王顺利, 陈文琳, 等. 在线振动管液体密度计自动校准装置的研究[J]. 计量技术, 2018(9): 51-53, 60.
[4] 侯学青, 倪磊, 姚蜜, 等. 基于在线振动管液体密度计校准的标准装置[J]. 自动化与仪器仪表, 2024(10): 322-324, 329.
[5] 王亚峰, 吉临荣. 液体密度计的循证改装[J]. 中学物理, 2024, 42(2): 53-56.
[6] 李斌, 袁浩, 陈洁, 等. 基于LabWindows/CVI的在线密度计标准装置监控软件设计[J]. 工业控制计算机, 2024, 37(6): 18-20.