两种新型延性节点在地震和全过程火灾中的性能
Performance of Two Novel Ductile Connections under Extreme Seismic and Fire Loads
DOI: 10.12677/mos.2026.152031, PDF, HTML, XML,    国家自然科学基金支持
作者: 金 言, 苏 燕, 孙博涵:上海理工大学环境与建筑学院,上海;刘 彧*:上海理工大学环境与建筑学院,上海;河南省冲击与工程结构灾害动力学国际联合实验室,河南 南阳;广东省城市生命线工程智慧防灾与应急技术重点实验室,广东 东莞
关键词: 火灾地震延性节点Fire Earthquake Ductile Connections
摘要: 节点是确保建筑结构在火灾条件下的完整性的最关键的部件。为了提高结构的延性,本研究提出了两种新型的延性节点,即节点原型1和节点原型2,它们具有优越的变形能力。本研究旨在系统分析这些节点在全火灾过程中的性能,包括加热和冷却阶段,并评估其在独立地震作用下的循环响应。首先,详细阐述了新型延性节点的设计。随后,利用ABAQUS建立了与延性连接相结合的钢框架模型,用于研究它们在整个火灾过程(包括加热和冷却阶段)的性能。模型中采用了考虑冷却阶段的ISO-834标准火灾曲线进行热力耦合分析,并编制了自定义子程序VUSDFLD来考虑结构钢和高强度钢在冷却阶段的材料特性。最后,建立了两种延性节点的精细钢框架模型,并对其在反复荷载作用下的抗震性能进行了对比分析。研究结果表明,延性节点在整个受火过程中表现出良好的变形协调性;在循环荷载作用下,延性节点具有饱满的滞回曲线,具有良好的耗能能力和延性系数。研究结果表明,延性连接可以有效地提高桥梁钢框架结构在多险情下的恢复力。
Abstract: Connections are the most critical components for ensuring the integrity of building structures under fire conditions. To enhance structural resilience, this study proposes two novel ductile connections which are prototype 1 and prototype 2 with superior deformation capacity. The research aims to systematically analyse the performance of these connections during the full fire process, including heating and cooling phases, and evaluate their cyclic response under standalone seismic action. First, the design of the novel ductile connections is elaborated in detail. Subsequently, Abaqus is employed to establish a steel frame model integrated with the ductile connections for investigating their performance throughout the complete fire process (encompassing heating and cooling stages). In the model, the ISO-834 standard fire curve, incorporating the cooling phase, is adopted for thermo-mechanical coupling analysis, and the user-defined subroutine VUSDFLD is implemented to account for the material properties of structural steel and high-strength steel during the cooling stage. Finally, refined steel frame models equipped with the two types of ductile connections are developed, and their seismic performance is comparatively analysed under cyclic loading. The research results indicate that the ductile connections exhibit excellent deformation compatibility during the full fire process; under cyclic loading, they feature plump hysteretic curves, along with superior energy dissipation capacity and ductility coefficient. The conclusions demonstrate that the proposed ductile connections can effectively enhance the resilience of steel frame structures in bridges under multi-hazard scenarios.
文章引用:金言, 苏燕, 孙博涵, 刘彧. 两种新型延性节点在地震和全过程火灾中的性能[J]. 建模与仿真, 2026, 15(2): 31-41. https://doi.org/10.12677/mos.2026.152031

1. 引言

世界范围内火灾事故频发,造成重大人员伤亡和重大经济损失。温度升高通常会导致常用建筑材料,特别是钢材的结构性能退化。因此,在设计阶段应充分重视结构在火灾条件下抵抗不成比例倒塌的能力。传统上,连接被认为具有足够的耐火性,前提是它们往往经历比其连接的结构构件更低的温度。节点失效包括梁在加热过程中下翼缘的屈曲,用于端板连接的端板的螺母螺纹剥落,用于腹板连接的腹板的脚跟断裂和梁腹板的双剪螺栓,以及用于肋板连接的梁腹板的剪切破坏。冷却过程中可能会发生连接故障。在纽约世贸中心大楼倒塌[1]和卡丁顿全尺寸火灾试验中观察到的连接故障[2]表明,连接实际上是最脆弱的结构部件。它们的断裂可能会引发楼板坍塌和柱子屈曲,这可能会导致整个建筑不成比例地倒塌[3]。作为连接所有其他结构构件的关键部件,节点在维护结构完整性和防止渐进性倒塌中起到重要作用。节点在高温下的行为与在环境温度下的行为有很大不同。火灾过程中作用在节点上的内力大致可分为四个阶段。在初始阶段(环境温度),连接承担的主要力是竖向剪力,伴随着一定的弯矩(取决于节点的设计细节),这是由于梁承担的设计荷载。加热开始后,连接开始承受垂直于柱面的附加压力,这是由于连接的梁的热膨胀受到限制,这发生在梁的材料特性退化还不明显的阶段。最后,在极高的温度下,当材料退化变得比热膨胀更起主导作用时,节点的梁主要通过悬链线作用来传递荷载,节点受到拉力。在冷却阶段,热收缩施加额外的拉力。然而,传统的节点类型缺乏足够的变形能力来适应整个火灾过程中随时间变化的轴向变形。为了提高节点的耐火性能,作者提出了两种延性节点。以组件法为基础,建立了纯钢节点和钢–混凝土组合节点的构件模型。这些连接模型被进一步转换为连接元素,并集成到由谢菲尔德大学结构消防研究小组自主开发的专业软件Vulcan中。利用Vulcan建立了一系列纯钢和组合框架模型,并将所提出的延性连接与其他传统连接类型的高温性能进行了比较。结果表明,延性节点在高温下表现出较低的梁轴力和较高的破坏温度,表明其优越的变形能力大大提高了结构的抗火能力。地震场景中也存在连接漏洞。在1994年的北岭地震和1995年的神户地震中,由于梁柱连接的脆性断裂,钢框架遭受了破坏[4] [5]。这表明,在地震过程中,连接并未始终保持预期的高强度和高刚度。传统抗震节点在循环荷载作用下,往往表现为螺栓节点的低周疲劳断裂或焊接节点的焊缝撕裂,表明其耗能能力和转动延性不足。因此,迫切需要新型的延性节点来解决传统连接在火灾和地震荷载作用下的不足。作者提出的延性节点具有良好的轴向和转动变形能力,使其能够更有效地耗散地震能量,提高结构的抗震性能,从而对提高工程结构的整体抗震性能起到至关重要的作用。

2. 延性连接在全火灾过程中的性能

2.1. 延性连接的设计

钢是一种高度依赖温度的材料。钢的屈服强度和弹性模量在400℃时开始急剧下降,800℃加热后的残余强度仅为常温强度的11%。此外,钢具有很高的导热系数,这导致其温度迅速上升。钢构件的热膨胀也会对相邻的结构构件产生压力。在火灾事件的初始阶段,由于受约束的自由热膨胀,梁在其连接上施加轴向力。随着温度的进一步升高,梁失去了大部分的抗弯能力,连接受到梁的悬链线作用所产生的拉力。显然,结构需要具有高延性的连接,以保持其在火灾条件下的完整性和稳定性。因此,设计合适的延性连接方案主要取决于所需的延性程度。在火灾的早期阶段通常是当梁的温度低于大约600℃时连接应该能够容纳连接的梁的热膨胀,以及梁端转动和梁挠度引起的缩短。这减少了传递到相邻结构的力,并防止在压缩下连接断裂。连接受相邻结构构件的约束。在火灾的初始阶段,梁的自由热膨胀受到限制,对其连接接头施加轴向压力。随着温度的进一步升高,梁的抗弯能力大大耗尽,梁的悬链线作用将在节点上产生轴向拉力。图1说明了作用在连接件上的轴向内力的这种变化。图1(A)图1(B)的不同之处在于,图1(B)中梁的自由热膨胀是由韧性边界条件调节的,因此图1(B)中产生的压力和拉力都比图1(A)中的要小得多。

(A) (B)

Figure 1. The change of axial internal forces of a connection in fire conditions. (A) Strong axial restraint; (B) Axially ductile connections

1. 火灾条件下节点轴向内力的变化。(A) 强轴向约束;(B) 轴向延性连接

为了在满足梁的延性要求的同时兼顾结构的简单性,本研究提出了如图2所示的连接形式。这种新型连接形式的延性半椭圆截面将容纳连接梁在高温下的大挠度,从而显著降低连接中的轴向力。目前,翅片和端板连接因其成本低、易于安装的优点而在建筑业中被广泛采用。该新型连接件包括两个相同的部件,它们可以被归类为异型腹板。每个夹紧部件由三部分组成:螺栓固定在梁腹板上的翼板;通过螺栓固定在柱腹板或翼缘上的端板;以及位于肋板和端板之间的半椭圆形部分。这些异型楔形可以通过钢板弯曲来制造。另一种制造方法是将两块钢板焊接到半椭圆形的管状截面上;然而,这种方法与更高的成本和更复杂的程序相关,因此不是首选方案。半椭圆形截面是提供所需拉压延性的核心部件:它使翅片能够朝向或远离端板,从而适应连接的梁的热膨胀和悬链线作用。这可确保连接在梁温度升高和应力状态变化时保持其功能完整性。建议的设计允许连接承受相当大的拉伸和压缩变形,同时将可能引发渐进性坍塌的脆性破坏模式的风险降至最低。将角钢整合到延性节点中后,角钢可以直接承担梁端的部分竖向剪力,从而减少了半椭圆截面上的剪应力集中,防止了半椭圆截面的过早剪切破坏。在火灾或地震作用下,当梁进入接触网作用阶段时,会产生较大的拉力。凭借其面内拉伸性能,角钢可以帮助该半椭圆截面在承受拉力的同时,提高了节点的极限抗拉承载能力。

(A)

(B)

Figure 2. Design of the ductile connection. (A) Pinned connection (protoyepy 1); (B) Semi-rigid connection (protoyepy 2)

2. 延性节点的设计。(A) 刚性节点(原型1);(B) 半刚性节点(原型2)

2.2. 有限元模型的建立

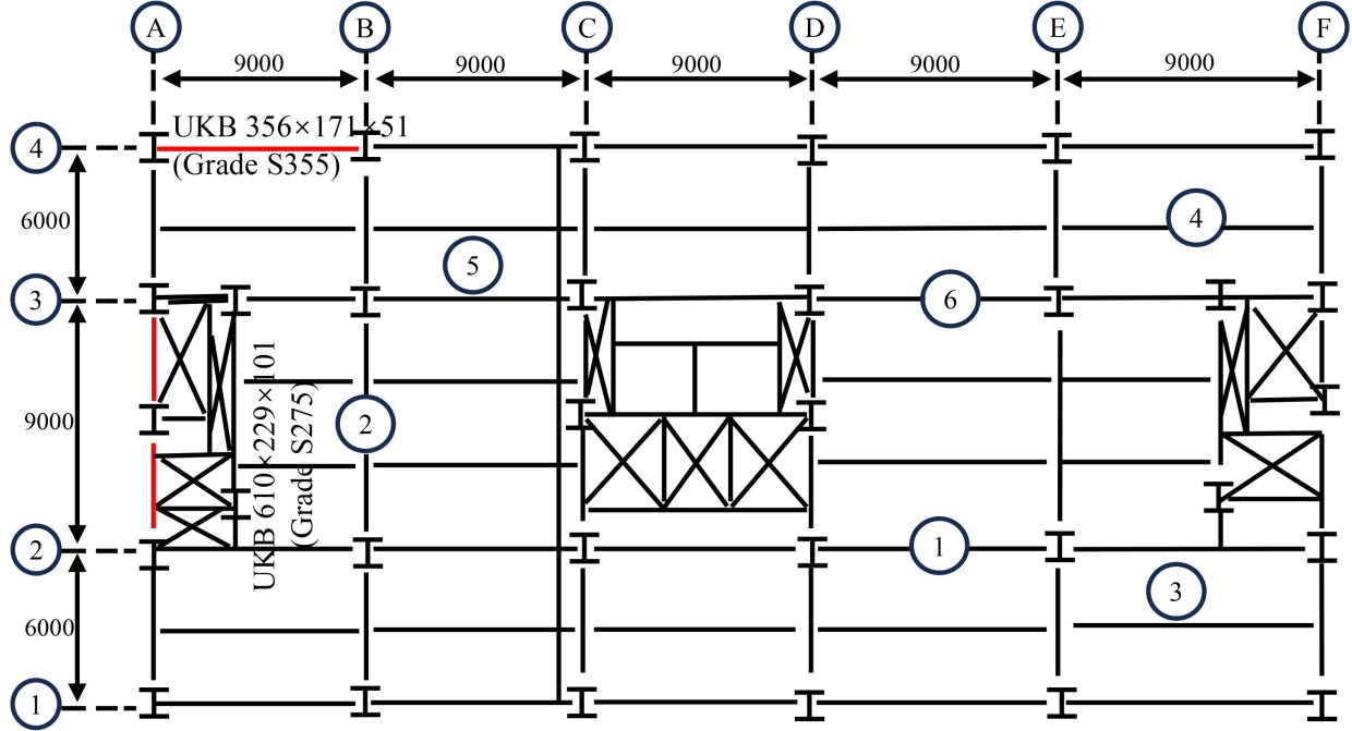
在火灾事件中,连接所承受的轴向力、剪切力和弯矩的复杂组合无法通过对孤立构件的实验准确复制。相比之下,有限元分析(FEA)作为一种稳健可靠的技术出现,用于研究材料退化、热膨胀和复杂荷载条件下的连接行为。本研究采用符合钢材高温性能退化规律的ISO834标准火灾曲线,具有国际公认的普适性和规范性适用性,能够准确捕捉火灾条件下钢节点力学行为从热膨胀约束到接触网作用的全过程。Wang [6]建立了一个三维有限元(FE)热模型,用于预测火灾下组合节点中各组件的温度分布,并建立了相应的二维有限元力学模型,用于分析组合节点在高温下的力学行为。Al-Jabri [7]利用通用有限元软件ABAQUS对两个复合材料十字形柔性端板节点在火灾暴露过程中的高温力学响应进行了详尽的数值研究。赵[8]建立了一个专门的程序,利用该程序对两个复合材料十字形柔性端板节点在火灾下的高温力学响应在已有的纤维梁柱模型采用基于构件的方法进行了研究,可以对半刚性连接的组合结构进行复杂的非线性分析。在基于框架的有限元分析中,结合了精细的节点建模,需要密集的单元网格来全面地捕捉连接细节。这种方法能够精确地集成几何特征、依赖于温度的材料特性、连接界面处的接触行为以及相邻结构组件之间的交互效果。因此,分析结果能够真实地反映节点在临界区域内的变形特征和应力应变的空间分布,椭圆形截面应能够容纳连接梁在低温和高温范围内的火灾变形。从卡丁顿全尺寸火灾试验[9] [10]中采用的典型钢框架模型如图3所示,配备了两种类型的节点。建立了相应的有限元模型(FEMS)来模拟结构的耐火和抗震性能,其详细尺寸如表1所示。

Figure 3. The typical steel frame selected

3. 所选择的典型钢框架

Table 1. Abaqus model dimensions

1. Abaqus模型尺寸

梁截面

UB 457 × 191 × 74

荷载比

0.41

柱截面

UC 305 × 305 × 137

轴压比

0.15

梁跨长

9000

端板尺寸

150 × 290

鳍板尺寸

100 ×290

螺栓直径

20

节点板厚度

10

螺栓等级

8.8

钢材等级

S275

2.3. 材料属性

2.3.1. 火灾后阶段

本文采用Han [11]提出的公式来计算钢材在火灾后的应力应变曲线,如公式(1)所示。

σ s ={ E S ε s ε s ε yp ( T max ) f yp ( T max )+0.01 E s [ ε s ε yp ( T max ) ] ε s > ε yp ( T max )    (1)

其中, E S 代表钢材在环境温度下的弹性模量。此外, ε yp ( T max )= f yp ( T max )/ E s ,其中 f yp ( T max ) 代表火灾后钢材的屈服强度,它与钢材在常温下的屈服强度的关系可表示为公式(2):

f yp ( T max ) f y ( 20˚C ) ={ 1 T max 400˚C 1+2.33× 10 4 ( T max 20 )5.88× 10 7 ( T max 20 ) 2 T max >400˚C   (2)

2.3.2. 冷却阶段

钢材在冷却阶段的力学性能受到两个温度的影响:当前温度和所经历的最高温度。与此相比,钢材在火灾后的力学性能仅受所经历的最高温度的影响,因为此时的当前温度等于环境温度。因此,钢材火灾后的力学性能可以视为冷却阶段力学性能的特例。由此可将钢材在火灾后阶段使用的应力–应变关系推广应用于冷却阶段。本文采用Yang [12]提出的方法来计算钢材在冷却阶段的应力–应变曲线。钢材在冷却阶段的屈服强度和屈服应变可通过对最高温度下和火灾后阶段的值进行线性插值获得,具体公式见(3)~(6)所示。

σ s ={ E sc ( T, T max ) ε s                                 ε s ε yc ( T, T max ) f yc ( T, T max )+0.01 E sc ( T, T max ) ε s     ε s > ε yp ( T, T max )    (3)

其中, f yc ( T, T max ) ε yc ( T,  T max ) E sc ( T,  T max ) 分别为钢材在冷却阶段的屈服强度、屈服应变和弹性模量。

f yc ( T, T max )= f y ( T max ) T max T T max T 0 ×[ f y ( T max ) f yp ( T max ) ] (4)

ε yc ( T, T max )= ε y ( T max ) T max T T max T 0 ×[ ε y ( T max ) ε yp ( T max ) ] (5)

E sc ( T, T max )= f yc ( T, T max ) ε yc ( T, T max )     (6)

采用Hanus [13]提出的方法来计算8.8级螺栓在冷却阶段的材料性能,螺栓的屈服强度可以使用公式(7)来确定。

f yc ( T, T max )= k b ( T ) k nr ( T, T u ) f y ( 20˚C ) (7)

其中, k b ( T ) 是欧洲规范3 [14]给出的不考虑火灾冷却影响的螺栓强度在高温下的折减系数。 k nr ( T, T u ) 是考虑火灾冷却影响的折减系数,可以根据公式(8)进行计算。

{ k nr ( T, T u )=1                                                              T max 500˚C k nr ( T, T u )=11.33× 10 3 ( T max max( T f ,500 ) )   500˚C T max 800˚C (8)

2.3.3. 模拟结果

图4图5所示的模拟结果表明,梁的热膨胀在初始加热阶段受到约束,在连接处产生轴向压力;随着温度的升高,压力逐渐降低。梁进入悬链线状态后,轴力转换为拉力。在冷却阶段,钢材的强度和刚度有一定程度的恢复,而梁的收缩,导致拉力略有增加,可能导致连接失效。图4(A)图5(A)中梁跨中挠度的略微减小也证实了这一现象。在原型1的加热阶段,梁的挠度基本稳定在−50 mm到200 mm的范围内,显示了半椭圆截面的初始变形协调能力。然而,当温度超过600℃时,挠度会急剧下降到−250 mm以下。在高温下,半椭圆截面的材料性能急剧退化,不再能够约束梁的变形,从而导致梁端破坏。对于原型2,在600℃时挠度达到−800 mm,是无角钢连接的四倍(−200 mm)。假设两个节点都以均温分布,角钢节点由于螺栓被拔出,导致了挠度的增加大于无角钢节点,角钢也在一定程度上保护了延性节点。这种现象突出了角钢的延性优势,更符合结构在火灾条件下的抗灾要求。在轴力性能方面,值得欣慰的是,角钢的加入提高了节点的抗压能力。这使得连接件能够承受更大的热膨胀诱导压力,从而防止半椭圆形部分过早进入塑性阶段。在高温下,角钢承担了部分拉力,减小了半椭圆截面上的拉伸载荷,使轴力的变化更加平缓,避免了应力集中导致的脆性断裂。将角钢集成到椭圆形延性连接中,通过扩大变形范围和优化传力路径来改善其延性。图6显示了ABAQUS中两种延性连接的变形等值线图。

(A) (B)

Figure 4. Simulation results from the model of prototype 1. (A) Beam mid-span deflection; (B) Connection axial force

4. 原型1的模拟结果。(A) 梁的跨中挠度;(B) 节点轴力

(A) (B)

Figure 5. Simulation results from the model of prototype 2. (A) Beam mid-span deflection; (B) Connection axial force

5. 原型2的模拟结果。(A) 梁的跨中挠度;(B) 节点轴力

(A) (B)

Figure 6. Deformation contour diagrams of the two types of connections in Abaqus. (A) High-temperature moment of protoyepy 1; (B) High-temperature moment of protoyepy 2

6. ABAQUS中两种节点的变形图。(A) 原型1的高温时刻;(B) 原型2的高温时刻

3. 两种延性节点在地震下的性能

3.1. ABAQUS模型的建立

本文主要研究延性节点的抗震性能。建立了循环荷载作用下考虑延性连接的ABAQUS模型,并对两种节点进行了对比分析。需要注意的是,两套ABAQUS模型具有相同的参数,包括材料特性、梁柱尺寸、板厚、轴压比和螺栓直径。

3.2. 加载制度

该模型采用位移控制加载方法。加载协议基于美国应用技术委员会标准(ATC-24) [15]的相关规定,将加载过程分为三个阶段:弹性阶段、屈服阶段和最终阶段。屈服位移为y。在弹性阶段,每一加载步骤循环加载2次;当达到屈服载荷时,每一加载步骤循环加载3次;之后进入最终阶段,每个加载步骤循环加载2个周期。延性连接的加载协议如图7所示。

Figure 7. Loading system of ductile connections

7. 延性节点的加载制度示意图

3.3. 模拟结果

滞回曲线是评价反复荷载作用下延性节点耗能能力的核心依据。本节重点比较原型1 (图8)的滞回响应特性。原型2 (图9),并量化其耗能性能。图中的原型1。结果表明,延性节点的滞回曲线在加载初期呈“纺锤形”,随着加载次数的增加,包络曲线逐渐变小。当位移幅值达到±100时,曲线开始出现轻微的夹持效应,峰值荷载趋于稳定。这表明节点的半椭圆截面在循环荷载作用下逐渐进入塑性阶段,其优越性源于半圆形环形截面的多级耗能机制:弹性阶段提供稳定的刚度;塑性阶段通过均匀屈服分散应力;破坏阶段将裂缝限制在可替换区域,从而确保主体结构的安全。图9中的原型2显示了原型2的滞回曲线呈全纺锤形,在加载过程中没有明显的夹持效应。峰值载荷(约±10,000 kN)明显高于原型1,包络曲线随位移幅值的增大保持稳定的扩展趋势。这是因为角钢与半椭圆截面形成双承载体系:角钢承担部分循环荷载,降低了半椭圆截面的应力集中,避免了单一构件的过早塑性破坏。

原型1的滞回环逐渐收缩,表明半椭圆截面在循环荷载作用下有累积损伤,达到极限位移后承载能力会迅速下降;原型2的滞回环保持饱满,峰值荷载随着位移的增加而继续增加,延缓了连接最终失效的发生;原型1的滞回环逐渐收缩,表明在循环荷载作用下半椭圆截面有累积损伤,达到极限位移后承载能力会迅速下降。原型2的滞回环保持饱满,峰值荷载随着位移的增加而继续增加。这意味着角钢可以延缓连接最终失效的发生。在工程实践中,这一特点对于防止结构在强震作用下的连续倒塌具有重要意义:角钢延性节点可以在地震后期保持有效的耗能能力,避免节点突然失效导致梁柱体系的连锁性破坏。滞回曲线分析表明,角钢的引入显著改善了延性节点的耗能性能:提高了滞回曲线的饱满度,增加了单周耗能,为高性能延性节点的抗震设计提供了一条可行的技术路径。

Figure 8. Hysteretic curve of prototype 1

8. 原型1的滞回曲线

Figure 9. Hysteretic curve of prototype 2

9. 原型2的滞回曲线

4. 结论

这项研究提出了两种新开发的延性连接,它们能够提供连接梁在常温和高温下所需的变形能力。通过有效地减少热膨胀产生的压缩约束力和在极高温度下产生的接触网拉力,建议的连接有助于防止断裂导致的结构坍塌,特别是在全程火灾情况下。半椭圆截面通过其固有的几何适应性提供了额外的变形储备,从而提高了结构对火灾和地震等极端危险的弹性。原型2具有更好的延性性能,在提高钢结构整体抗火能力方面发挥了更大的作用。在加热过程中,原型1最初保持了相对稳定的跨中挠度,−50~200 mm;然而,一旦温度超过600℃,由于半椭圆截面的严重恶化,挠度急剧增加,超过−250 mm,最终导致变形协调丧失和梁端破坏。关于轴向力响应,原型1在早期加热阶段迅速下降到−150 kN,然后在600℃后转变为大于0 kN的拉力,因为半椭圆形部分不再支持悬链线的张力,导致力传递机制中断。相比之下,原型2达到了跨中在600℃时,跨中的跨度挠度为800 mm,同时保持连续稳定的变形过程,突出了其在耐火方面的明显优势。对于轴向力传递,原型2中的角钢增强了连接的整体压缩能力,使其能够适应更大的热膨胀效应,同时防止半椭圆截面过早进入塑性状态。在高温下,角钢还承担了部分拉力,从而减少了对半椭圆截面的拉伸需求,平滑了轴力的变化,避免了应力集中导致的脆性断裂。在循环荷载作用下,两种节点的滞回反应和耗能能力有明显差异。原型1的滞回曲线呈纺锤形,随循环次数的增加而逐渐缩小,在位移幅值为±10,000 mm处有轻微的收缩,峰值载荷仅为±2000 kN。而原型2的峰值载荷高达±2000 kN,具有完整稳定的纺锤形滞回曲线,峰值载荷高达±2000 kN,包络曲线呈现稳定的扩张趋势。尽管有这些有利的结果,但目前的研究仍有一定的局限性。结论主要基于数值模拟,因此需要进行全尺寸的火灾和地震试验来验证模拟结果的准确性和可靠性。此外,尚未考虑火灾和地震作用的耦合效应,这使得该连接的多危险性能有待进一步探讨。虽然增加半椭圆截面的半径有助于减少轴向压力,但过大的半径可能会阻碍螺栓安装,要求设计标准正确考虑螺栓位置、螺栓尺寸和连接厚度。逐步倒塌模拟进一步表明,破坏是从螺栓顶端的螺栓拔出开始,然后是其余螺栓排的快速顺序失效,失效模式以螺栓拔出为主,而不是螺栓的拉伸屈服,基于参数分析,可以采取多种改进策略来延缓螺栓拔出失效。这些措施包括使用更高等级的钢作为连接部件,增加连接的板厚,通过采取适当的防火措施来缓解过高的温升,以及加大螺栓尺寸以提高机械性能。此外,在螺栓孔周围安装局部加强筋可以进一步提高结构的刚度,从而抑制这些关键区域的过度变形。然而,这些加固策略的有效性和有效性仍然需要通过额外的实验测试或改进的数值模拟来证实。因此,未来的研究应集中在三个主要方向:(1) 对原型2进行全尺寸火灾和地震试验,以验证模拟结果并揭示实际的破坏机理;(2) 建立火灾–地震耦合条件下连接的综合性能评估方法,为稳健、抗灾的结构设计提供技术支持;(3) 发展考虑抗火、抗震性能和建设成本等多目标的优化设计方法,以在连接性能和经济可行性之间取得适当的平衡。

基金项目

本文得到了中国国家自然科学基金(52208489),东莞理工学院广东省城市生命线工程智能防灾应急技术重点实验室(2022B1212010016)的部分资助。南阳理工学院河南省工程结构冲击与灾害动力学联合实验室(DIDES-2024-B2)的资助。

NOTES

*通讯作者。

参考文献

[1] Mcallister, T. and Corley, G. (2002) World Trade Center Building Performance Study: Data Collection, Preliminary Observations, and Recommendations. Federal Emergency Management Agency.
[2] Newman, G.M., Robinson, J.T. and Bailey, C.G. (2000) Fire Safe Design: A New Approach to Multi-Story Steel-Framed Buildings, Steel Construction Institute.
[3] Gann, R.G., Grosshandler, W.L., Lew, H.S., et al. (2008) Final Report on the Collapse of World Trade Center Building 7. Federal Building and Fire Safety Investigation of the World Trade Center Disaster (NIST NCSTAR 1A).
https://www.nist.gov/publications/final-report-collapse-world-trade-center-building-7-federal-building-and-fire-safety-0
[4] Paul Popov, E., Yang, T. and Chang, S. (1998) Design of Steel MRF Connections before and after 1994 Northridge Earthquake. Engineering Structures, 20, 1030-1038. [Google Scholar] [CrossRef
[5] Engelhardt, M.D. and Husain, A.S. (1993) Cyclic-Loading Performance of Welded Flange-Bolted Web Connections. Journal of Structural Engineering, 119, 3537-3550. [Google Scholar] [CrossRef
[6] Wang, A.J. (2013) Numerical Studies on Composite Connections under Fire. Proceedings of the Institution of Civil EngineersStructures and Buildings, 166, 467-481. [Google Scholar] [CrossRef
[7] Al-Jabri, K.S., Pillay, P., Waris, M.B. and Pervez, T. (2016) Modeling of Composite Beam-Column Flexible Endplate Joints at Elevated Temperature. Composite Structures, 143, 180-188. [Google Scholar] [CrossRef
[8] Zhao, H., Liu, X.G. and Tao, M.X. (2022) Component-Based Model of Semi-Rigid Connections for Nonlinear Analysis of Composite Structures. Engineering Structures, 266, Article 114542. [Google Scholar] [CrossRef
[9] Lennon, T., Moore, D. and Bailey, C.G. (1999) The Behaviour of Full-Scale Steel-Framed Buildings Subjected to Compartment Fires. The Structural Engineer, 77, 15-21.
[10] Wald, F., Silva, S., Moore, D. and Lennon, T. (2004) Structural Integrity Fire Test. 2004 Nordic Steel Conference, Gothenburg, 31 May-2 June 2004.
https://people.fsv.cvut.cz/~wald/Clanky%20v%20Adobe%20(Pdf)/Copenhagen_5_Text_Wald-Silva-Moor-Lennon.pdf
[11] Han, L.H., Yang, H. and Cheng, S.L. (2002) Residual Strength of Concrete Filled RHS Stub Columns after Exposure to High Temperatures. Advances in Structural Engineering, 5, 123-134. [Google Scholar] [CrossRef
[12] Yang, H., Han, L.H. and Wang, Y.C. (2008) Effects of Heating and Loading Histories on Post-Fire Cooling Behaviour of Concrete-Filled Steel Tubular Columns. Journal of Constructional Steel Research, 64, 556-570. [Google Scholar] [CrossRef
[13] Hanus, F., Zilli, G. and Franssen, J.M. (2011) Behaviour of Grade 8.8 Bolts under Natural Fire Conditions—Tests and Model. Journal of Constructional Steel Research, 67, 1292-1298. [Google Scholar] [CrossRef
[14] European Committee for Standardization (2005) Eurocode 3: Design of Steel Structures—Part 1-2: General Rules—Structural Fire Design. BS EN 1993-1-2.
https://www.phd.eng.br/wp-content/uploads/2015/12/en.1993.1.2.2005.pdf
[15] Applied Technology Council (1992) Guidelines for Cyclic Seismic Testing of Components of Steel Structures. Applied Technology Council.