一种电容传声器静电激励法相位灵敏度频响的校准方法
A Calibration Method for the Phase Sensitivity Frequency Response of Condenser Microphones Using Electrostatic Actuator Method
DOI: 10.12677/ojav.2026.141001, PDF, HTML, XML,   
作者: 王 坛, 闫 磊, 郭一梦, 高炳涛:北京航天计量测试技术研究所,北京;盖靖宇:天津海帅电子科技有限公司,天津
关键词: 静电激励法相位灵敏度电容传声器Electrostatic Actuator Phase Sensitivity Condenser Microphones
摘要: 近年来传声器灵敏度的相位特性越来越多的利用到现代声学测试技术中,为了实现对相位灵敏度的校准,本文介绍了一种基于静电激励法的测试电容传声器相位灵敏度校准方法及原理,该方法参照IEC61094-5和JJG 175-2015,在其基础之上提出了一种降低相位灵敏度测量误差的改进方法,同时采用自动测量的方法,最终提高了测量效率,降低了系统引入误差,增强了测量数据的可靠性,并且符合测量要求,可以用于电容传声器的生产检验中。
Abstract: In recent years, the phase characteristics of microphone sensitivity have been increasingly utilized in modern acoustic measurement techniques. To achieve the calibration of phase sensitivity, this paper introduces a method and principle for calibrating the phase sensitivity of test condenser microphones based on the electrostatic actuator method. This method references IEC61094-5 and JJG 175-2015, and builds upon them by proposing an improved approach to reduce measurement errors in phase sensitivity. Additionally, an automated measurement method is adopted, which ultimately enhances measurement efficiency, reduces system-introduced errors, and improves the reliability of measurement data. The method meets measurement requirements and can be applied in the production inspection of condenser microphones.
文章引用:王坛, 闫磊, 郭一梦, 高炳涛, 盖靖宇. 一种电容传声器静电激励法相位灵敏度频响的校准方法[J]. 声学与振动, 2026, 14(1): 1-16. https://doi.org/10.12677/ojav.2026.141001

1. 引言

电容传声器,亦称“声电换能器”,是声学测试系统中的核心传感器元件,用于实现空气中声信号至电信号转换的变换装置。其灵敏度为一复数量,具有明显的相位特征,然而该特性在常规声学测量实践中往往未予充分考虑。

在现代声学测试技术发展的推动下,声强分析、声全息、声源定位、故障诊断、声振耦合分析及驻波管材料参数测量等技术相继涌现,并在航空航天、军工、船舶、材料等领域被广泛应用,如航空航天、船舶发动机的故障诊断及优化设计,声阵列精确定位直升机等低空飞行目标,声频法测定材料弹性模量等,这些技术的共同特点为:使用了传声器灵敏度的相位特性,即相位灵敏度。

2016年5月国际电工委员会颁布了IEC61094-5工作标准传声器声压校准的比较法[1] (Part 5: Methods for pressure calibration of working standard microphones by comparison),国内依据IEC标准中的静电激励法部分颁布了JJG 175-2015工作标准传声器(静电激励器法)检定规程,但是该规程并未给出相位灵敏度的校准方法。

本研究依据IEC 61094-5与JJG 175-2015标准,提出了一种基于静电激励法的电容传声器相位灵敏度频率响应校准方案。该方案引入了一种相位测量误差的补偿方法,并实现了测量过程的自动化,从而在保证校准精度的同时,显著提升了测量效率。

2. 测量原理

2.1. 静电激励法响应原理

一个导电刚性的平板放置到传声器膜片的旁边,在上面施加交流电压,使膜片产生静电力响应,该静电力可以来模拟均匀分布的表面声压,其中基频声压方均根值p的具体计算方式如式(1)所示[2]

p= ε gas a d 2 U o u (1)

式中:p代表基频声压方均根,单位为帕(Pa);εgas指导电平板与膜片间空气的介电常数,即板–膜间隙空气的介电常数,在空气中取值为8.85 × 1012 F/m;a则是平板与膜片的有效面积比;d为板–膜有效间距,单位是m;Uou分别为所施加的直流与交流电压方均根,单位是V。

由式(1)可知,模拟声压p与直流电压Uo及交流电压u均呈线性正比关系,而与有效距离d呈平方反比。因此,在εgasad固定的情况下,为提高模拟声压,需提升Uou的取值。在典型测量中,Uo建议设置为800 V,u约为40 V。

2.2. 测量流程图

图1展示了本文所采用的电容传声器相位灵敏度校准方法的等效系统流程图。

Figure 1. Flowchart of the phase sensitivity calibration for condenser microphones using the electrostatic actuator method

1. 静电激励法电容传声器相位灵敏度校准流程图

静电激励器的供电采用交直流复合电压模式:直流电源输出800 V稳定偏置电压,经电阻器限流后接入激励器;与此同时,多通道信号分析仪内置信号源生成的交流电压信号,先由功率放大器放大至40 V,再通过电容器完成交流耦合,最终与直流电压共同作用于静电激励器。该激励器为特制导电平板,核心功能是实现电容传声器的电学激励仿真;基于静电激励原理,在上述交直流复合电压的作用下,它能在待测电容传声器振膜表面形成均匀分布的等效声压,进而高保真复现真实声学激励环境。

在信号采集与处理部分,被测传声器在等效声压作用下完成声电转换,所产生的微弱电信号首先经由一高输入阻抗的前置放大器进行阻抗变换与初步调理,然后作为待测的响应信号被导入到多通道声分析仪的输入通道2。使用分析仪信号发生器的原始输出信号作为参考信号,将其同步接入到输入通道1,可以提供更精确的相位参考基准。系统对上述两路信号进行同步采样与高精度模数转换,并将获取的数字信号传输至上位PC机。最终,通过执行专业的频响函数分析算法,计算通道2响应信号相对于通道1参考信号的幅度比与相位差,即可精确获取被测电容传声器的复数灵敏度频率响应特性。

3. 频响分析

本方法需要使用快速傅里叶变换(FFT)进行计算频率响应函数,将激励信号与响应信号进行对比,也就是将多通道声分析仪中通道1采集到的信号发生器交流电压作为激励信号,通道2采集到的前置放大器调理信号作为响应信号。

序列 { x n } n=0 N1 的离散傅里叶变换公式如式(2)所示

X( k )= m=0 N1 x n e j 2πkn/N (2)

经过此计算,可以提取得到信号的相位、幅值、虚部、实部及相干性等多项参数。在本文的方法中,选取相位信息和幅值信息,本方法实现了电容传声器幅频响应与相位特性的同步获取。

3.1. 扫频信号的设计

本文中静电激励法的交流电压来源于扫频信号。系统在进行频响分析时,系统会实时跟踪信号发生器的瞬时反应,从而实现对当前频率点的响应值的实时更新,最终实现高效的扫频测量。本文为了实现测量精度与速度的兼顾,针对性地优化了扫频信号。

扫频信号又连续扫频与点频扫频两种类型。点频扫频是在每个固定频点持续施加激励一段时间后,再切换至下一个频点,其相位存在间断性,但能将激励能量集中在单一频点,使该频点的信噪比得到明显提升,但是存在相位突变的问题,导致信号不稳定,最终会影响测量的可靠性。连续扫频的频率是连续变化状态,相位始终保持连贯。连续扫频和点频扫频各有各的优点,但是本方法值需要在1/n倍频程中心频点测量传声器频响,为了达到更高的信噪比,选择了点频扫频法,为了减弱信号不稳定的影响,本文设计了一种具备连续相位特性的点频扫频信号[3],最终实现在高信噪比的同时具有高稳定性,该方法的频率切换瞬间的时域波形如图2所示。

Figure 2. Frequency-switching instant waveform of a continuous-phase stepped sweep

2. 连续相位点频扫频信号的时域波形

3.2. FFT的设置

1/n OCT倍频程滤波器采用恒百分比带宽设计,其低频处频点线性间隔小,而高频处线性间隔大;与之相对,FFT分析作为恒带宽滤波器,其高、低频点均保持相同的线性间隔。为调和两种滤波器在中心频率线性间隔上的固有差异,本方法在进行FFT分析时,将整个频响带宽划分为高频与低频两个独立部分进行处理。

FFT的频率分辨率(即频点线性间隔)由公式(3)决定:

Δf = fs/N = 1/T (3)

其中,Δf为频率分辨率(Hz),fs为采样频率(Hz),N为FFT分析线数,T为FFT分析所需的时窗长度(s)。该分辨率Δf值越小,意味着单次分析所需的时间T越长,频率细化能力越强,但测量速度越低。

基于上述特点,本文使用对测试频段进行分段的优化设计,在高频段,为了加快分析速度,使用高采样频率和低FFT线数N,从而降低频率分辨率,在低频段,为了保证所需的频率分辨率,使用低采样频率和高FFT线数。高频段和低频段的分割点以及频率分辨率可以手动设定。在单次完整扫频测量中,测量软件会根据预设参数自动完成FFT线数与采样频率的切换,进而同时满足高、低频段对线性间隔的差异化需求。

通过上述频带分割策略的灵活配置,并结合对扫频信号在各频点驻留时间的独立控制,本方法能够有效地平衡测量精度与效率之间的矛盾,可灵活适配从科学研究到工业生产等不同场景下对测量时间与精度的多样化要求,具体频率采集数据处理流程图,如图3所示。

Figure 3. Data processing flowchart

3. 数据处理流程图

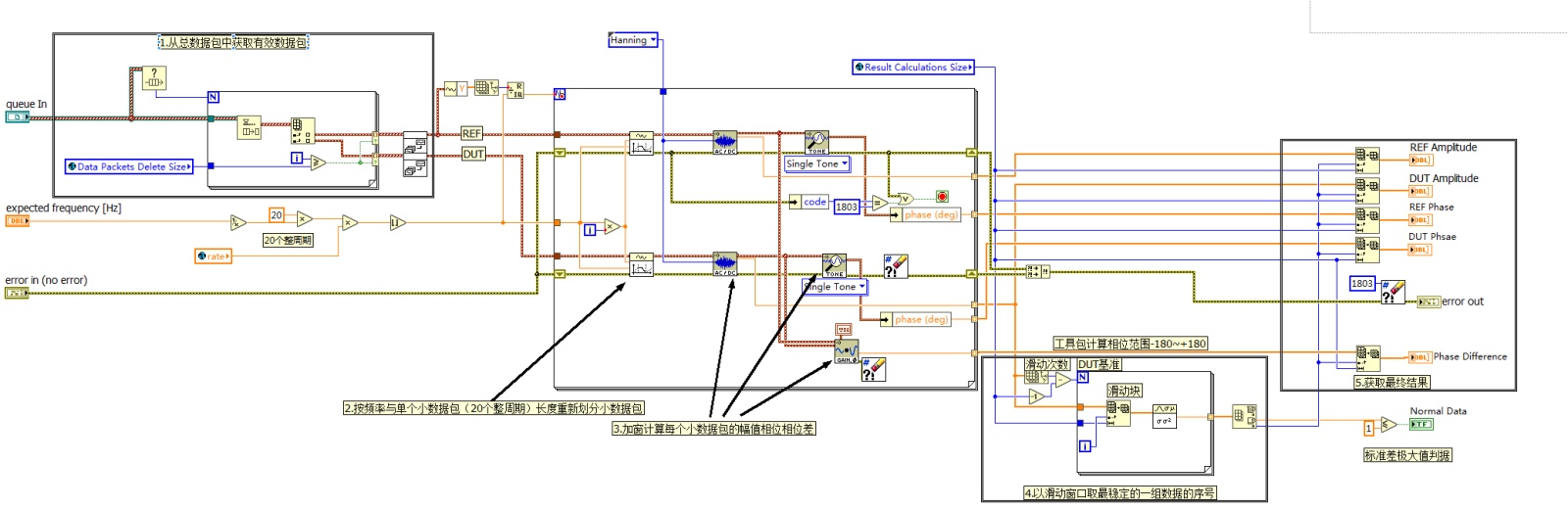
图4为自总数据包至滑动窗口取样部分的Labview代码,部分算法功能vi为Labview自带波形处理函数、Labview自带数学函数、声音与震动工具包函数。

按照上述设置计算分析,对信号输入空载时进行相位、幅值、频率响应进行对比,如图5~7所示,此时相位差、幅值差、频率响应差均在0附近,符合测试规律,证明理论的可行性。

Figure 4. Labview algorithm implementation diagram

4. Labview算法实现示意图

Figure 5. Measure the amplitude difference when the signal input is open-circuited

5. 信号输入空载时测量幅值差

Figure 6. Phase difference when the signal input is open-circuited

6. 信号输入空载时相位差

Figure 7. Measure the frequency response difference when the signal input is unloaded

7. 信号输入空载时测量频率响应差

4. 方法实现

4.1. 硬件实现

表1列出来该测试方法所需的主要硬件及其他主要参数[4]图8展示了测量系统硬件连接图。

Table 1. Major hardware components and parameters

1. 主要硬件以及参数

名称

性能简介

PCI 4461型多通道信号分析仪

信号发生部分:2通道

信号采集部分:2通道

通道隔离度:<−100 dB @ 1 kHz

B&K5001型静电激励器电源

静电激励器极化电压:800 V

电压放大倍数:30 dB

最大激励信号电压:94.8 Vpp

B&K 2669型前置放大器

频响特性:3 Hz至200 kHz (±0.5 dB, 15 pF)

支持电荷注入校准(CIC),用于系统现场校准和验证。

B&K 2690型适调放大器

前置放大器供电:±14 V和±40 V

极化电压:0 V和200 V

增益范围:−20 dB~+80 dB

频率范围:最高频率(滤波器−5%点):100 kHz

Figure 8. Measurement system hardware connection diagram

8. 测量系统硬件连接图

A0033静电激励器采用非接触式激励方式,避免了对传声器膜片造成质量负载效应,确保了校准结果的准确性。该激励器具有宽频带响应特性,能实现快速的频率响应校准,大幅提升了校准效率。其优异的结构设计和稳定的性能表现,为传声器校准提供了可靠的技术保障。

PCI-4461型多通道动态信号分析仪通过其硬件架构有效抑制通道串扰。该设备具备118 dB动态范围与24位模数转换精度,为弱信号检测提供必要条件。其差分输入结构通过共模抑制机制降低电磁干扰,同步采样技术确保多通道数据采集的时基一致性,从根本上消除时序性串扰。系统内置的可编程抗混叠滤波器按奈奎斯特定理设置截止频率,有效抑制高频噪声混叠。这些特性使其在声学与振动测量中能获得准确的多通道时域与频域数据。

4.2. 功能实现

本系统客户端采用LabVIEW图形化语言开发,部署于Windows操作系统。其软件实现兼顾了便捷操作与科研扩展的双重目标。为满足产线快速检测需求,设计了包含默认参数与配置保存的一键测量模式;同时,开放了全面的高级设置选项以服务于科研应用。

Figure 9. Software control panel

9. 软件主界面

图9所示,软件主界面采用逻辑清晰的功能分区设计,包含标题栏、菜单栏、树状测试信息概览区、详细信息面板及启动按钮。菜单栏提供功能导航;树状图分级显示数据库中的厂家、类型与测试程序;详细信息面板同步更新当前选项的全部参数;启动按钮为上下文感知控件,仅在选中具体测试程序后启用,以此防止误操作并引导标准化工作流程。

系统的数据可视化界面如图10所示,支持同步实时显示静电频响与修正后的自由场频响两条曲线。该界面集成了数据导出功能,用户通过右键菜单即可将图形数据直接输出为Excel文档,实现了测量数据到分析报告的无缝流转。

Figure 10. Graphical display of frequency response data

10. 频率响应测试界面

4.3. 相位测量误差消除方法

按照上图连接各仪器,传声器分为标准传声器和被校传声器,其相位灵敏度由 S ϕREF ( f ) S ϕDUT ( f ) 表示,该相位灵敏度为频率 f 的函数;信号源输出变频电信号如式(4)所示。

u in =Asin( 2πft ) (4)

其中A = 3 V~8 V,f = 10 Hz~40 kHz,由上位机软件控制输出幅值、频率和时长。

静电激励器电源用于放大电信号驱动静电激励器,输出驱动电压表示如式(5)所示。

u d = U 0 +a u in (5)

其中U0直流偏置电压为800 V,输出交流变频信号放大倍数 a 一般为10~20倍,通过三通分别连接至两个相同的静电激励器;

前置放大器用于放大电容传声器的声电转换微弱信号,将传声器与前置放大器相连,然后摘掉传声器保护罩,将静电激励器置于传声器表面;当静电场作用于传声器时,传声器敏感到的等效声压力如公式(1)所示,由于静电场一致,则两个前置放大器输出的电信号的相位差就是相位灵敏度的相位差,可以表示为: S ϕDUT ( f ) S ϕREF ( f )

适调放大器用于给前置放大器和传声器供电,将前置放大器的输出电信号输出至多通道声分析仪,计算得到的电信号相位差如式(6)所示。

Δ θ 21 ( f )=[ S ϕDUT ( f ) S ϕREF ( f ) ]+ ε ϕ (6)

其中 ε ϕ 是前置放大器、适调放大器和多通道声分析仪引入的相位测量误差。

调换两只传声器,其余设备均不变,重复上述测量,则多通道声分析仪计算得到的电信号相位差如式(7)所示。

Δ θ 12 ( f )=[ S ϕREF ( f ) S ϕDUT ( f ) ]+ ε ϕ (7)

两传声器的相位灵敏度之差也通过下式计算,实现 ε ϕ 的消除,如式(8)所示。

S ϕDUT ( f ) S ϕREF ( f )= [ Δ θ 21 ( f )Δ θ 12 ( f ) ]/2 (8)

5. 数据分析

5.1. 不确定度评定

对于标准不确定度的A类评定结果,对传声器进行重复测试10次,以其标准偏差作为A类不确定度分量uA,如表2所示。

Table 2. Type A evaluation of standard uncertainty: component sources and values

2. 标准不确定度的A类评定中各分量来源及数值

频率(Hz)

相对相位(˚)

不确定度uA (˚)

1

2

3

4

5

6

7

8

9

10

19.9526

−178.44

−178.51

−178.44

−178.49

−178.27

−178.22

−178.54

−178.43

−178.45

−178.41

0.10

25.1189

−179.12

−178.49

−178.95

−178.69

−179.08

−178.98

−178.76

−179.19

−178.83

−179.17

0.23

31.6228

−179.28

−179.4

−179.3

−179.19

−179.26

−179.34

−179.27

−179.42

−179.1

−179.31

0.09

39.8107

−179.77

−179.36

−179.55

−179.69

−179.56

−179.43

−179.66

−179.71

−179.49

−179.78

0.14

50.1187

−179.85

−179.78

−179.8

−179.86

−179.87

−179.82

−179.69

−179.98

−179.74

−179.78

0.08

63.0957

−179.99

−180.04

−179.98

−179.93

−180.02

−180.01

−179.98

−179.98

−180.01

−180.12

0.05

79.4328

−180.17

−180.12

−180.16

−180.14

−180.16

−180.17

−180.18

−180.16

−180.17

−180.15

0.02

100

−180.33

−180.29

−180.29

−180.34

−180.27

−180.32

−180.32

−180.33

−180.34

−180.35

0.03

125.893

−180.43

−180.47

−180.45

−180.51

−180.45

−180.5

−180.45

−180.43

−180.43

−180.45

0.03

158.489

−180.57

−180.56

−180.55

−180.57

−180.6

−180.53

−180.54

−180.57

−180.59

−180.52

0.03

199.526

−180.86

−180.75

−180.65

−180.66

−180.77

−180.71

−180.68

−180.63

−180.7

−180.71

0.07

251.189

−180.9

−180.81

−180.83

−180.9

−180.84

−180.91

−180.9

−180.99

−180.82

−180.89

0.05

316.228

−181.04

−181.09

−181.14

−181.2

−181.09

−181.03

−181.14

−181.09

−181.06

−181.08

0.05

398.107

−181.37

−181.31

−181.41

−181.32

−181.33

−181.41

−181.46

−181.5

−181.24

−181.1

0.12

501.187

−181.58

−181.59

−181.61

−181.62

−181.59

−181.59

−181.57

−181.58

−181.65

−181.59

0.02

630.957

−181.98

−181.96

−182.01

−182.01

−181.98

−181.99

−181.98

−182

−181.98

−181.97

0.02

794.328

−182.46

−182.45

−182.47

−182.46

−182.5

−182.46

−182.42

−182.43

−182.46

−182.41

0.03

1000

−183.04

−183.02

−183.05

−183.04

−183.02

−182.99

−183

−183.05

−183.05

−183.03

0.02

1258.93

−183.78

−183.76

−183.72

−183.79

−183.73

−183.76

−183.75

−183.76

−183.82

−183.78

0.03

1584.89

−184.7

−184.72

−184.69

−184.7

−184.73

−184.68

−184.7

−184.7

−184.71

−184.7

0.01

1995.26

−185.88

−185.89

−185.88

−185.85

−185.87

−185.89

−185.86

−185.9

−185.88

−185.86

0.02

2511.89

−187.38

−187.41

−187.41

−187.4

−187.39

−187.41

−187.39

−187.4

−187.41

−187.4

0.01

3162.28

−189.25

−189.23

−189.24

−189.21

−189.22

−189.2

−189.16

−189.21

−189.25

−189.26

0.03

3981.07

−191.75

−191.76

−191.74

−191.75

−191.76

−191.76

−191.77

−191.8

−191.83

−191.76

0.03

5011.87

−195.04

−195.05

−195.06

−195.04

−195.06

−195.07

−195.07

−195.11

−195.11

−195.09

0.03

6309.57

−199.3

−199.3

−199.28

−199.28

−199.27

−199.3

−199.31

−199.33

−199.31

−199.27

0.02

7943.28

−205.32

−205.33

−205.3

−205.28

−205.29

−205.28

−205.28

−205.35

−205.31

−205.33

0.02

10000

−214.64

−214.77

−214.59

−214.71

−214.88

−214.91

−214.67

−214.76

−214.32

−214.24

0.22

12589.3

−224.55

−224.39

−224.21

−224.23

−224.29

−224.28

−224.27

−224.39

−224.35

−224.35

0.10

15848.9

−238.1

−238.09

−238.14

−238.08

−238.12

−238.2

−238.16

−238.23

−238.19

−238.26

0.06

19952.6

−256.55

−256.59

−256.55

−256.56

−256.62

−256.64

−256.66

−256.76

−256.61

−256.71

0.07

表3为标准不确定度的B类评定中各分量来源及数值。

Table 3. Type B evaluation of standard uncertainty: component sources and values

3. 标准不确定度的B类评定中各分量来源及数值

序号

来源

数值/˚

1

前置放大器频响(10~20 k) Hz u1

0.029

前置放大器频响(10~200 k) Hz u1

0.115

2

激励器直流电压在测量过程中的波动引入的不确定度分量u2

0.006

3

静电激励器频响(20~6300) Hz u3

0.058

静电激励器频响(20~16 k) Hz u3

0.087

静电激励器频响(10~40 k) Hz u3

0.115

4

静电激励电源频响(20~5 k) Hz u4

0.029

静电激励电源频响(20~40 k) Hz u4

0.115

5

PCI 4461采集系统通道间频响一致性u5

0.029

6

数值修约u6

0.003

7

其他

0.02

根据不确定度评定规则,标准不确定度合成公式

U= u A 2 + u i 2 (9)

最终取得的标准不确定度如表4所示。

当扩展因子k取2时,整个校准系统在不同频段的扩展不确定度评定结果为不确定度由于0.7˚根据工作标准传声器的误差规范,在全部被检频率区间内,需要扩展不确定度满足小于其最大允许误差绝对值1/3,经分析满足该条件。由此可见,本系统具备开展工作标准传声器校准的资质与能力。

Table 4. Standard uncertainty value

4. 标准不确定度数值

频率(Hz)

不确定度(˚)

频率(Hz)

不确定度(˚)

频率(Hz)

不确定度(˚)

19.9526

0.25

199.526

0.24

1995.26

0.23

25.1189

0.33

251.189

0.24

2511.89

0.23

31.6228

0.25

316.228

0.24

3162.28

0.23

39.8107

0.27

398.107

0.26

3981.07

0.23

50.1187

0.24

501.187

0.23

5011.87

0.23

63.0957

0.24

630.957

0.23

6309.57

0.23

79.4328

0.23

794.328

0.23

7943.28

0.23

100

0.23

1000

0.23

10,000

0.32

125.893

0.23

1258.93

0.23

12589.3

0.25

158.489

0.23

1584.89

0.23

15848.9

0.24

5.2. 数据比对

将编号分别为150401~150414的B&K传声器,使用本文介绍的频响测量方法进行频响测量后,送中国计量院校准。对两次测量的静电频响数据进行比对,由于计量院给出的校准数据按照1/3 OCT给出,频率范围为200 Hz~8 kHz,所以本次比对仅在此范围内进行。根据不确定度评定数据及计量院校准比对数据,可以看到本文提出的测量方法是精确可靠的。

Table 5. Relative phase in frequency response measurement

5. 本文频响测量方法相对相位

序号

1

2

3

4

5

6

7

8

9

编号

150401

150402

150404

150405

150407

150408

150410

150413

150414

频率

相对相位(˚)

200

0.00

−0.79

−0.63

−0.21

0.04

−0.76

−1.03

−0.52

−0.69

250

0.00

−0.73

−0.64

−0.20

0.11

−0.77

−0.92

−0.54

−0.69

315

0.00

−0.74

−0.72

−0.25

0.18

−0.78

−0.88

−0.62

−0.72

400

0.00

−0.69

−0.76

−0.11

0.34

−0.71

−0.68

−0.67

−0.66

500

0.00

−0.80

−0.97

0.00

0.43

−0.68

−0.55

−0.92

−0.66

630

0.00

−1.01

−1.32

0.08

0.45

−0.78

−0.45

−1.19

−0.76

800

0.00

−1.23

−1.61

0.05

0.43

−1.05

−0.44

−1.21

−1.02

1000

0.00

−1.29

−1.70

−0.01

0.50

−1.30

−0.45

−0.93

−1.27

1250

0.00

−1.22

−1.63

0.14

0.72

−1.28

−0.25

−0.52

−1.39

1600

0.00

−0.95

−1.37

0.57

1.14

−1.05

0.22

0.04

−1.33

2000

0.00

−0.38

−0.85

1.27

1.82

−0.33

0.96

0.73

−0.99

2500

0.00

0.41

−0.12

2.12

2.63

0.98

1.70

1.42

−0.57

3150

0.00

1.16

0.58

2.81

3.55

2.31

2.15

1.71

−0.27

4000

0.00

1.54

0.11

3.63

3.95

3.76

2.77

1.53

−0.20

5000

0.00

0.98

0.20

2.42

4.62

3.20

1.13

0.52

−1.40

6300

0.00

0.22

−0.45

2.20

4.91

3.03

0.09

−0.43

−2.35

8000

0.00

−1.02

−1.64

1.72

4.17

2.34

−0.68

−1.07

−3.51

由于计量院给出的校准数据按照1/3 OCT给出,频率范围为200 Hz~8 kHz,所以本次比对仅在此范围内进行。根据不确定度评定数据及计量院校准比对数据,可以看到本文提出的测量方法是精确可靠的。

Table 6. Relative phase in frequency response measurement by NIM

6. 中国计量院频响测量方法相对相位

序号

1

2

3

4

5

6

7

8

9

频率(Hz)

相对相位(˚)

150401

150402

150404

150405

150407

150408

150410

150413

150414

200.00

0.00

−0.75

−0.60

−0.20

0.10˚

−0.74

−0.98

−0.46

−0.69

250.00

0.00

−0.73

−0.63

−0.31

0.10˚

−0.79

−0.93

−0.48

−0.64

315.00

0.00

−0.71

−0.75

−0.37

0.26˚

−0.71

−0.94

−0.52

−0.71

400.00

0.00

−0.82

−0.83

−0.36

0.32˚

−0.87

−0.89

−0.71

−0.73

500.00

0.00

−0.84

−1.00

−0.28

0.41˚

−0.82

−0.76

−0.86

−0.70

630.00

0.00

−0.99

−1.24

−0.22

0.50˚

−0.89

−0.70

−1.02

−0.92

800.00

0.00

−1.18

−1.53

−0.26

0.50

−1.14

−0.71

−1.07

−1.13

1000.00

0.00

−1.25

−1.61

−0.25

0.58

−1.31

−0.64

−0.86

−1.31

1250.00

0.00

−1.21

−1.58

−0.10

0.78

−1.36

−0.42

−0.53

−1.40

1600.00

0.00

−0.88

−1.32

0.38

1.25

−0.91

0.17

0.06

−1.28

2000.00

0.00

−0.45

−0.87

0.99

1.76

−0.19

0.80

0.63

−0.99

2500.00

0.00

0.37

−0.19

1.74

2.59

0.95

1.51

1.26

−0.61

3150.00

0.00

0.96

0.34

2.21

3.34

2.06

1.84

1.44

−0.46

4000.00

0.00

1.24

0.01

2.76

3.83

3.41

2.20

1.15

−0.60

5000.00

0.00

0.77

0.29

1.19

4.05

3.31

0.66

−0.03

−1.53

6300.00

0.00

−0.26

−0.86

1.03

4.48

2.46

−0.36

−0.90

−3.05

8000.00

0.00

−1.19

−1.64

0.71

4.79

2.26

−1.22

−1.68

−3.92

根据表5表6所示的测试结果,根据不确定度评定数据进行判断,符合合格判据要求,两项测试结果对比如表7所示。

Table 7. Standard deviation measurement results for array microphones after phase correction

7. 阵列传声器相位修正后标准偏差测量结果

序号

1

2

3

4

5

6

7

8

9

编号

150401

150402

150404

150405

150407

150408

150410

150413

150414

频率

本文测试方法(A)相对相位RθAfn (˚)

200

0.00

−0.79

−0.63

−0.21

0.04

−0.76

−1.03

−0.52

−0.69

8000

0.00

−1.02

−1.64

1.72

4.17

2.34

−0.68

−1.07

−3.51

频率

中国计量科学研究院(B)相对相位RθBfn (˚)

200

0.00

−0.75

−0.60

−0.20

0.10°

−0.74

−0.98

−0.46

−0.69

8000

0.00

−1.19

−1.64

0.71

4.79

2.26

−1.22

−1.68

−3.92

频率

两单位相对相位测量结果的偏差|RθAfnRθBfn|(˚)

200

0.00

0.04

0.03

0.01

0.06

0.02

0.05

0.06

0.00

8000

0.00

0.17

0.00

1.01

0.62

0.08

0.54

0.61

0.41

本文所用方法与中国计量科学研究院的结果相位差,根据不确定度评定数据进行判断,符合合格判据。

对同一器件4192传声器进行了重复性测量,不更换测试器件,只进行简单重复的插拔动作,测试重复性,最终所得数据可见表8,可以看到重复性测试中,最大的标准偏差为0.23˚,满足不确定度分析。

使用该方法测量了一批MPA471的传声器,最终测试结果见表9所示,选择参考传声器,依据参考传声器计算相位差,对测量数据与传声器要求数据进行对比,发现在要求数据范围内,符合器件要求“5 Hz~4 kHz优于或等于±5˚,4 kHz~10 kHz优于或等于±10˚”的测试要求。

Table 8. Relative phase test results for the 4192 microphone

8. 4192传声器相对相位测试结果

序号

1

2

3

4

5

6

7

8

9

10

标准偏差

频率(Hz)

相对相位(˚)

20

−178.44

−178.51

−178.44

−178.49

−178.27

−178.22

−178.54

−178.43

−178.45

−178.41

0.10

25

−179.12

−178.49

−178.95

−178.69

−179.08

−178.98

−178.76

−179.19

−178.83

−179.17

0.23

32

−179.28

−179.4

−179.3

−179.19

−179.26

−179.34

−179.27

−179.42

−179.1

−179.31

0.09

40

−179.77

−179.36

−179.55

−179.69

−179.56

−179.43

−179.66

−179.71

−179.49

−179.78

0.14

50

−179.85

−179.78

−179.8

−179.86

−179.87

−179.82

−179.69

−179.98

−179.74

−179.78

0.08

63

−179.99

−180.04

−179.98

−179.93

−180.02

−180.01

−179.98

−179.98

−180.01

−180.12

0.05

79

−180.17

−180.12

−180.16

−180.14

−180.16

−180.17

−180.18

−180.16

−180.17

−180.15

0.02

100

−180.33

−180.29

−180.29

−180.34

−180.27

−180.32

−180.32

−180.33

−180.34

−180.35

0.03

126

−180.43

−180.47

−180.45

−180.51

−180.45

−180.5

−180.45

−180.43

−180.43

−180.45

0.03

158

−180.57

−180.56

−180.55

−180.57

−180.6

−180.53

−180.54

−180.57

−180.59

−180.52

0.03

200

−180.86

−180.75

−180.65

−180.66

−180.77

−180.71

−180.68

−180.63

−180.7

−180.71

0.07

251

−180.9

−180.81

−180.83

−180.9

−180.84

−180.91

−180.9

−180.99

−180.82

−180.89

0.05

316

−181.04

−181.09

−181.14

−181.2

−181.09

−181.03

−181.14

−181.09

−181.06

−181.08

0.05

398

−181.37

−181.31

−181.41

−181.32

−181.33

−181.41

−181.46

−181.5

−181.24

−181.1

0.12

501

−181.58

−181.59

−181.61

−181.62

−181.59

−181.59

−181.57

−181.58

−181.65

−181.59

0.02

631

−181.98

−181.96

−182.01

−182.01

−181.98

−181.99

−181.98

−182

−181.98

−181.97

0.02

794

−182.46

−182.45

−182.47

−182.46

−182.5

−182.46

−182.42

−182.43

−182.46

−182.41

0.03

1000

−183.04

−183.02

−183.05

−183.04

−183.02

−182.99

−183

−183.05

−183.05

−183.03

0.02

1259

−183.78

−183.76

−183.72

−183.79

−183.73

−183.76

−183.75

−183.76

−183.82

−183.78

0.03

1585

−184.7

−184.72

−184.69

−184.7

−184.73

−184.68

−184.7

−184.7

−184.71

−184.7

0.01

1995

−185.88

−185.89

−185.88

−185.85

−185.87

−185.89

−185.86

−185.9

−185.88

−185.86

0.02

2512

−187.38

−187.41

−187.41

−187.4

−187.39

−187.41

−187.39

−187.4

−187.41

−187.4

0.01

3162

−189.25

−189.23

−189.24

−189.21

−189.22

−189.2

−189.16

−189.21

−189.25

−189.26

0.03

3981

−191.75

−191.76

−191.74

−191.75

−191.76

−191.76

−191.77

−191.8

−191.83

−191.76

0.03

5012

−195.04

−195.05

−195.06

−195.04

−195.06

−195.07

−195.07

−195.11

−195.11

−195.09

0.03

6310

−199.3

−199.3

−199.28

−199.28

−199.27

−199.3

−199.31

−199.33

−199.31

−199.27

0.02

7943

−205.32

−205.33

−205.3

−205.28

−205.29

−205.28

−205.28

−205.35

−205.31

−205.33

0.02

10,000

−214.64

−214.77

−214.59

−214.71

−214.88

−214.91

−214.67

−214.76

−214.32

−214.24

0.22

12,589

−224.55

−224.39

−224.21

−224.23

−224.29

−224.28

−224.27

−224.39

−224.35

−224.35

0.10

15,849

−238.1

−238.09

−238.14

−238.08

−238.12

−238.2

−238.16

−238.23

−238.19

−238.26

0.06

19,953

−256.55

−256.59

−256.55

−256.56

−256.62

−256.64

−256.66

−256.76

−256.61

−256.71

0.07

Table 9. Relative phase of MPA471 microphone

9. MPA471传声器相对相位

序号

1

2

3

4

5

6

7

8

9

10

频率(Hz)

相对相位(˚)

600434

600435

600436

600437

600439

600440

600441

600442

600443

600452

200

0.44

0.36

0.44

0.28

0.39

0.22

0.17

0.29

0.03

0.00

250

0.41

0.27

0.42

0.37

0.36

0.30

0.16

0.28

−0.04

0.00

315

0.42

0.14

0.40

0.43

0.36

0.23

0.15

0.27

−0.17

0.00

400

0.52

0.19

0.58

0.57

0.49

0.35

0.28

0.34

−0.20

0.00

500

0.49

0.05

0.56

0.45

0.44

0.35

0.21

0.29

−0.38

0.00

630

0.48

−0.08

0.59

0.52

0.41

0.34

0.10

0.24

−0.57

0.00

800

0.53

−0.17

0.69

0.67

0.48

0.45

0.10

0.24

−0.62

0.00

1000

0.63

−0.26

0.83

0.80

0.54

0.65

0.10

0.27

−0.79

0.00

1250

0.70

−0.35

1.02

0.87

0.64

0.72

0.13

0.27

−0.96

0.00

1600

0.77

−0.50

1.16

1.06

0.71

0.77

0.10

0.19

−1.11

0.00

2000

0.99

−0.50

1.43

1.20

0.89

1.10

0.21

0.28

−1.14

0.00

2500

1.11

−0.52

1.62

1.38

0.90

1.16

0.21

0.21

−1.20

0.00

3150

1.12

−0.48

1.55

1.45

0.76

1.08

0.11

−0.03

−1.19

0.00

4000

1.20

−0.13

1.50

1.43

0.42

0.85

0.05

−0.27

−0.92

0.00

5000

1.45

0.68

1.49

1.37

0.00

0.66

0.12

−0.40

−0.19

0.00

6300

1.58

1.81

0.92

0.99

−1.04

−0.08

−0.56

−0.70

0.53

0.00

8000

1.74

2.82

−0.25

−0.03

−3.04

−1.33

−1.02

−0.90

0.60

0.00

10,000

2.35

3.43

−1.06

−1.08

−4.92

−2.26

−2.27

−0.44

−0.25

0.00

12,500

3.31

2.54

−0.90

−1.60

−5.93

−2.41

−2.92

1.10

−2.47

0.00

16,000

4.80

1.06

−1.43

−1.31

−6.35

−2.93

−2.81

3.47

−4.94

0.00

20,000

7.64

−0.11

−6.06

0.57

−5.53

−4.95

−0.45

5.17

−5.47

0.00

6. 总结

本研究旨在提出并实现一种电容传声器相位灵敏度频响的静电激励法校准方案。该方案在严格保证测量精度的基础上,实现了测量效率的显著提升,同时有效降低了系统引入的不确定度,从而确保了最终测量结果的高可靠性。实践应用证明,该方法满足相关技术规范要求,现已正式应用于电容传声器的生产流程与质量检验中。

参考文献

[1] International Electrotechnical Commission (2016) IEC 61094-5:2016 Electroacoustics—Measurement Microphones—Part 5: Methods for Pressure Calibration of Working Standard Microphones by Comparison. IEC.
[2] 中华人民共和国国家质量监督检验检疫总局. JJG175-2015工作标准传声器(静电激励器法) [S]. 北京: 中国质监出版社, 2015.
[3] 中华人民共和国国家质量监督检验检疫总局. JJF 1293-2011静电激励器校准规范[S]. 北京: 中国标准出版社, 2011.
[4] 中华人民共和国国家质量监督检验检疫总局. 中国国家标准化管理委员会. GB/T 20441.4-2006测量传声器 第4部分: 工作标准传声器规范[S]. 北京: 中国标准出版社, 2006.

为你推荐