电磁兼容风险评估技术在飞机某系统伺服控制器设计的应用
Application of Electromagnetic Compatibility Risk Assessment Technology in the Design of Servo Controller of an Aircraft System
摘要: 飞机某系统伺服控制器电机驱动电路产生的电磁骚扰起始频率低,功率大。产品设计过程中,常常仅依靠设计电源滤波器通过GJB151B-2013标准CE102电源线传导发射测试项,电源滤波器体积、重量较大。而飞机对机载设备轻量化的要求日益严格,飞机减重后,同样的动力基础下,油耗更低、运力更高、飞行距离更远,还能带来一系列的绿色经济效益。飞机减重意义重大,要“为减轻每一克重量而奋斗”。本文在伺服控制器设计阶段,应用电磁兼容风险评估技术,确定伺服控制器CE102测试项的关键风险要素,识别伺服控制器的电磁兼容设计风险,制定伺服控制器的电磁兼容设计方案,而不是仅依靠设计电源滤波器通过CE102测试项。结果表明设计效果显著,CE102测试项一次性通过试验,满足GJB151B-2013标准要求,滤波器体积减小42%,重量减轻约40%。
Abstract: The electromagnetic interference generated by the servo controller motor drive circuit of a aircraft system, the frequency is low and the power is high. In the process of product design, it is often only relied on to design the power filter to pass the GJB151B-2013 standard CE102 power line conducted emission test items, and the power filter is large in size and weight. After the aircraft is reduced, under the same power base, the fuel consumption is lower, the capacity is higher, the flight distance is longer, and it can also bring a series of green economic benefits. Aircraft weight reduction is significant, and it is necessary to “fight for every gram of weight”. In this paper, in the design stage of servo controller, the EMC risk assessment technology is applied to determine the key risk elements of the CE102 test item of the servo controller, identify the EMC design risk of the servo controller, and formulate the EMC design scheme of the servo controller, instead of relying only on the design of the power filter to pass the CE102 test item. The results show that the design effect is remarkable, and the CE102 test item passes the test at one time, meeting the requirements of the GJB151B-2013 standard, and the filter volume is reduced by 40% and the weight is reduced by about 42%.
文章引用:霍燕宁, 蒲杨云. 电磁兼容风险评估技术在飞机某系统伺服控制器设计的应用[J]. 电力与能源进展, 2024, 12(3): 93-101. https://doi.org/10.12677/aepe.2024.123011

1. 引言

随着飞机向多电技术、全电技术发展,电作动系统技术在军机、民机中大量应用,而伺服控制器等电机驱动设备作为电能转换成机械能的关键设备,是电作动系统的重要设备,被广泛应用于飞机舱门、襟翼控制、机轮刹车等各种系统。飞机伺服控制器常采用三相逆变桥,在电力转换过程中,产品内部IGBT (绝缘栅双极晶体管,Insulate-Gate Bipolar Transistor)或MOSFET (金氧半场效晶体管,Metal-Oxide- Semiconductor Field-Effect Transistor)、二极管等电力电子开关器件按一定频率周期性开通、关断,产生大量的电磁骚扰,严重时导致飞机上其他无线电接收装置等电子设备无法正常工作,甚至危及飞机的安全。军用机载电子设备需满足GJB151B-2013《军用设备和分系统电磁发射和敏感度要求与测量》相关测试项的要求。伺服控制器电机驱动电路产生的电磁骚扰起始频率低,功率大,CE102、RE102等EMI (电磁干扰,Electromagnetic Interference)测试项是通过GJB151B-2013标准的难点。本文主要针对CE102测试项的设计应用。

在伺服控制器详细设计过程中,应用电磁兼容风险评估技术,可以识别伺服控制器CE102测试项的关键风险要素,而不是仅依靠设计电源滤波器通过CE102测试项,从而缩小滤波器体积及重量,为飞机减重作出贡献。

2. 产品工作原理

飞机某系统主要由伺服控制器、电机、传感器等部分组成。伺服控制器是系统的核心部件,主要用于接收飞机的指令、系统位置传感器的反馈信号,控制电机工作,带动传动机构使某系统按规定精度跟踪目标,同时将某系统的位置和状态实时反馈至飞机,如图1所示。

伺服控制器由接口板组件、母板组件、主控板组件、电源板组件、逆变板组件组成,各个组件用板间连接器互连。

Figure 1. Schematic diagram of the working principle of acertain aircraft system

1. 飞机某系统工作原理示意图

3. CE102测试项本质

CE102测试项是测试电源线的传导发射,测试频率从10 kHz~10 MHz。被测设备伺服控制器、LISN (线路阻抗稳定网络,Line Impedance Stabilization Network)、接收机之间的连接关系[1],如图2所示。CE102测试项的本质是伺服控制器内部的差模、共模电磁骚扰电流流过LISN,在接收机端口的50 Ω电阻形成的压降[2]

Figure 2. Schematic diagram of servo controller CE102 testing

2. 伺服控制器CE102测试示意图

伺服控制器内部主要干扰源是驱动板电机驱动电路、电源板的开关电源。电机驱动电路、开关电源的开关管按PWM (脉宽调制波,Pulse Width Modulation)频率开通、关断产生的dV/dt和di/dt变化,产生起始频率较低、幅值较高的电磁骚扰[3]

伺服控制器要满足CE102测试项的限值要求,即需控制流过伺服控制器28 V电源线的差模、共模骚扰电流。差模骚扰电流的路径是28 V电源线之间,是明确且唯一的,差模骚扰电流只需调整滤波器差模参数即可。本文电磁兼容风险评估技术应用于伺服控制器CE102测试项的设计方法主要是针对共模骚扰电流进行设计。

4. 原伺服控制器CE102测试项设计方法

原伺服控制器CE102测试项设计仅考虑滤波器,没有识别产品内部的相关因素,更没有其他设计方法。

滤波器原理图如图3所示,L1 = L2 = 3.5 mH,C1 = 10 uF,C2 = 2.2 uF,C3 = 1 uF,C4~C9 = 0.1 uF。

Figure 3. Principle diagram of the original power filter

3. 原电源滤波器原理图

滤波器的尺寸为95 (mm) × 40 (mm) × 35 (mm),重量是500 g。

CE102测试不合格,测试数据如图4所示。

Figure 4. Test data for 28 V power line CE102 (main line)

4. 28 V电源线CE102测试数据(正线)

5. 电磁兼容风险评估技术应用于伺服控制器CE102测试项的设计方法

电磁兼容风险评估技术由国际无线电干扰特别委员会(IEC/CISPR)副主席、全国无线电干扰标准化技术委员会电磁兼容风险评估分技术委员会副主任委员郑军奇老师提出,是建立在电磁兼容设计方法的基础上,利用通用的风险评估手段,建立产品设计理想模型,确定风险要素,再根据产品实际设计的信息与理想模型中所有风险要素进行比较,以识别产品电磁兼容(Electro Magnetic Compatibility, EMC)设计风险的技术[4]

2022年8月3日,全国无线电干扰标准化技术委员会第一届电磁兼容风险评估分技术委员会(SAC/ TC79/SC9)成立,主要研究国内自主的电磁兼容风险评估标准体系,具体包括电磁兼容风险评估基础内容、通用技术、EMC测试项目风险评估技术、关键风险要素点的测试方法以及后续其他不同产品的风险评估技术。目前已经颁布电磁兼容风险评估基础标准GB/Z 37150,通用标准GB/T 38659.1-2020《电磁兼容风险评估第1部分:电子电气设备》、GB/T 38659.2-2021《电磁兼容风险评估第2部分:电子电气系统》、GB/T 38659.3-2022《电磁兼容风险评估第3部分:设备风险分析方法》、GB/T 38659.4-2022《电磁兼容风险评估第4部分:系统风险分析方法》。GB/T 43460.1-2023《电磁兼容风险分析方法第1部分:电缆屏蔽》多份标准,为各行业产品的EMC设计、EMC性能评估提供指导。

产品设计理想模型可以分为产品架构EMC设计理想模型和产品PCB设计理想模型。根据产品实际设计的信息与理想模型中所有的风险要素进行比较,以识别产品的EMC设计风险。

依据设备级产品电磁兼容风险评估标准GB/T 38659.1-2020《电磁兼容风险评估第1部分:电子电气设备》,GB/T 38659.3-2022《电磁兼容风险评估第3部分:设备风险分析方法》,影响设备级产品电磁兼容性能的风险要素共19项。从CE102测试项本质出发,应用电磁兼容风险评估技术机械架构、PCB(印刷电路板,Printed circuit board)风险评估要素,分析影响流过伺服控制器28 V电源线的共模电磁骚扰电流要素共17项。

5.1. 伺服控制器机械架构EMC设计分析

伺服控制器由接口板、母板、主控板、电源板、逆变板组件组成,各个组件用板间连接器互连。依据设备级产品电磁兼容风险评估标准GB/T 38659.1-2020《电磁兼容风险评估第1部分:电子电气设备》,GB/T 38659.3-2022《电磁兼容风险评估第3部分:设备风险分析方法》,其机械架构设计可以改变伺服控制器内部电机驱动电路、开关电源等噪声形成的共模电流传递路径及大小,尽量避免共模电流流过LISN,设计如图5所示,详细分析见表1

Figure 5. Risk factors of mechanical architecture for servo controller CE102

5. 伺服控制器CE102机械架构风险要素

Table 1. Risk factors of mechanical architecture affecting CE102 and key design points of servo controller [5] [6]

1. 影响CE102的机械架构风险要素及伺服控制器CE102关键设计要点[5] [6]

风险要素信息

风险影响等级

控制器CE102关键设计要点

电源线上共模电流影响

A:电缆连接器位置在产品的同一侧

III

控制器电缆连接器位置在产品的同一侧

减小内部干扰源耦合至电源线的共模电流幅值

B:屏蔽线且360˚搭接

II

依据GJB151B-2013,电源线是非屏蔽线

不满足,对共模电流无影响

C:PCB外部的电源和信号输入端口的滤波

I

电源线端口设置电源滤波器

滤波器减小电源线上共模电流的幅值,并改变了电源线共模电流的流向(图4中①),不经过LISN

D:“0V”工作地与金属壳体在连接器附近等电位互联

II

用电容连接。根据飞机顶层要求,“0V”工作地与金属壳体之间不能直接连接

改变了电源线共模电流的流向(图4中①),不经过LISN

E:不同PCB板之间的“0V”工作地的等电位互连

II

板间连接器多针互连地,PWM、电机三相等关键信号伴地

减小内部干扰源耦合至电源线的共模电流幅值(图4中②)

F:设备内部PCB互连信号端口的信号频率不应该存在时钟或PWM等高速信号

II

主控板PWM信号传输至驱动板;

不满足(图4中③),对共模电流无影响

G:壳体中各个金属部件之间的良好搭接

IV

壳体中各个金属部件之间的搭接良好;

电源线经滤波器后输出伺服控制器

壳体良好搭接,改变了电源线共模电流的流向(图4中④),不经过LISN

H:进入壳体后的电缆、连接器、PCB (若有)、PCB板的“0V”工作地与金属壳体之间的互连及设备金属壳体之间所组成的回路面积

II

“0V”用电容连接壳体,但滤波器设计金属屏蔽壳,与前面板形成封闭腔体

滤波器屏蔽壳改变了电源线共模电流的流向(图4中⑤),不经过LISN

I:壳体接地线

III

接地线长宽比 > 3,且接地线长度 < 3 cm

壳体接地线改变了电源线共模电流的流向(图4中⑥),不经过LISN

表中“风险影响等级”可分类为以下几级[5] [6]

I级:不能满足时,一定会导致CE102测试失败;

II级:不能满足时,应有其他特定的弥补措施才能避免CE102测试失败;;

III级:不能满足时,不一定会导致CE102测试失败,但影响是直接的,而且风险相对较大;

IV级:不能满足时,不一定会导致CE102测试失败,但影响是间接的,且影响较小。

风险影响程度等级越高(I级最高)的要素,进行电磁兼容设计时,必须满足该要素的要求。

表1所示,应用电磁兼容风险评估技术对伺服控制器进行机械架构设计,每个要素均减小电源线上共模电流的幅值或改变电源线共模电流的流向,减小流过LISN的共模电流。

5.2. 伺服控制器PCB的EMC设计分析

伺服控制器的核心是PCB板。PCB板的EMC设计包括原理图EMC设计和PCB布局布线设计。依据设备级产品电磁兼容风险评估标准GB/T 38659.1-2020《电磁兼容风险评估第1部分:电子电气设备》,GB/T 38659.3-2022《电磁兼容风险评估第3部分:设备风险分析方法》,其PCB的EMC设计可以避免伺服控制器正常工作时,PCB的周期性高频信号由于寄生参数影响,转化为共模电流,流向LISN,如图6所示,详细分析见表2

Figure 6. PCB risk factors of servo controller CE102 test

6. 伺服控制器CE102测试项的PCB风险要素

Table 2. PCB risk factors affecting CE102 and key design points for servo controller [5] [6]

2. 影响CE102的PCB风险要素及伺服控制器CE102关键设计要点[5] [6]

风险要素信息

风险影响等级

控制器CE102关键设计要点

电源线上共模电流影响

J:外部电源/信号的滤波处理

I

电缆为非屏蔽电缆,控制器存在开关型功率电路时,缺失该要素,一定会导致传导骚扰CE102测试不合格

共模滤波电路和差模滤波电路LC谐振点小于电机驱动PWM频率

K:噪声信号/电路区域的处理

II

此项风险高时,相关风险要素J

数字芯片电源管脚去耦;

PWM、电机三相线等噪声信号供电去耦,RC滤波、吸收处理;

PWM、电机三相线等噪声信号线包地处理;

电机三相线在控制器外部屏蔽处理

M:隔离区域

III

此项风险高时,相关风险要素J

无悬空的地平面;

隔离DC/DC开关电源的初级“0V”地与次级“0V”地用电容连接

N:“脏”–“干净”信号/电路的串扰防止

II


“脏”–“干净”信号之间有电容滤波;

电机三相线带“0V”地平面

O:“脏”–噪声信号/电路的串扰防止

I

EMI信号源与电缆发生串扰时,导致CE102测试不合格

输出电机三相线屏蔽、包地处理;

噪声信号滤波处理,不同层“0V”地平面隔离

P:噪声–“干净”信号/电路的串扰防止

III

此项风险高时,相关机械架构所有的风险要素

开关电源、电机驱动电路均有滤波电路;

PWM、电机三相、时钟等噪声信号线包地、屏蔽处理

R:EMI相关性地平面的处理

II

此项风险高时,相关风险要素J和机械架构所有的风险要素

所有信号层与完整地、电源平面相邻;层厚最小

电源层与其对应地相邻;噪声信号下方完整地平面

S:EMI相关性信号层与电源层边缘处理

III

此项风险高时,相关机械架构所有的风险要素

信号层在PCB边缘铺屏蔽地线,且通过间距不大于200 mil (小于1/20波长过孔与地平面互连)

Figure 7. 28V Power line CE102(main line)

7. 28V电源线CE102(正线)

Figure 8. 28V Power line CE102 (negative line)

8. 28V电源线 CE102负线

表2所示,应用电磁兼容风险评估技术对伺服控制器进行PCB的EMC设计,风险影响程度等级越高(I级最高)的要素,进行电磁兼容设计时,必须满足该要素的要求。每个要素减小电源线上共模电流的幅值或改变电源线共模电流的流向,减小流过LISN的共模电流。

6. 应用电磁兼容风险评估技术CE102的验证结果及滤波器的变化

伺服控制器依据表1表2关键设计要点进行详细设计,每个要素均减小电源线上共模电流的幅值或改变电源线共模电流的流向,减小流过LISN的共模电流。经验证,CE102测试一次性通过,测试数据如图7图8所示。

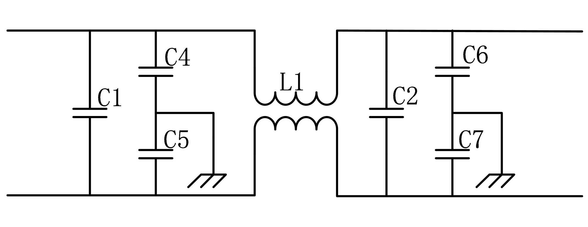
滤波器原理图更改为一阶共模电感,如图9所示,共模滤波电路和差模滤波电路LC谐振点小于电机驱动PWM频率,L1 = 3.5 mH,C1 = 30 uF,C2 = 4.7 uF,C4 = C5 = 22 nF,C6 = C7 = 220 nF。

Figure 9. Principle diagram of power filter after modification

9. 更改后电源滤波器原理图

滤波器尺寸由原来95 (mm) × 40 (mm) × 35 (mm),缩小为55 (mm) × 40 (mm) × 35 (mm),体积缩小约42%;重量由原来500 g减轻为300 g,重量减轻约40%。

7. 结语

电磁兼容风险评估技术可以应用于产品设计指导,产品测试通过率评估,未来还可以应用于产品的合格评定。在产品设计过程中应用电磁兼容风险评估技术,可以把控产品关键的EMC设计要点,减少在后期测试验证阶段、整改阶段涉及产生的电路原理、PCB设计、结构设计的更改,大大减少研发周期及研发费用,达到一次性把产品设计好的目的。

参考文献

[1] 陈世钢, 汤仕平, 胡景森, 等. GJB151B-2013.军用设备和分系统电磁发射和敏感度要求与测量[S]. 北京: 总装备部军标出版发行部, 2013.
[2] 郑军奇. EMC设计分析方法与风险评估技术[M]. 第3版. 北京: 电子工业出版社, 2020: 63.
[3] 杨继深. 电磁兼容(EMC)技术之产品研发及认证[M]. 第3版. 北京: 电子工业出版社, 2014: 20.
[4] 郑军奇, 叶琼瑜, 于超. EMC行业的数字化转型[J]. 安全与电磁兼容, 2022(3): 9-12, 44.
[5] 郑军奇, 李军, 尹海霞, 等. GB/T 38659.1-2020.电磁兼容风险评估第1部分: 电子电气设备[S]. 北京: 中国标准出版社, 2020.
[6] 郑军奇, 于超, 乔峰, 等. GB/T 38659.3-2022.电磁兼容风险评估第3部分: 设备风险分析方法[S]. 北京: 中国标准出版社, 2022.