三相三电平Vienna高功率因数整流电路的控制参数整定方法研究
Research on Control Parameter Setting Method for Three Phase Three Level Vienna High Power Factor Rectifier Circuit
DOI: 10.12677/ojcs.2024.132002, PDF, HTML, XML,    科研立项经费支持
作者: 王昌发, 徐 昊, 张继勇:扬州大学电气与能源动力工程学院,江苏 扬州;方 宇, 舒开鑫:扬州大学信息工程学院人工智能学院,江苏 扬州
关键词: Vienna PFC电路PI参数整定方法PSIMVienna PFC Circuit Voltage Division Rectification PSIM
摘要: 随着新能源汽车产业的蓬勃发展,新能源汽车充电模块研究也在逐渐深入。主流的新能源充电模块由前级AC/DC变换器和后级DC/DC变换器构成。本文针对前级AC/DC部分就三相三电平Vienna PFC电路的稳定控制展开研究,建立了数学模型,推导了控制到输出的传递函数。基于三电平Vienna PFC电路的双闭环控制策略,研究了两种控制参数的整定方法,一是基于前馈解耦法构建了电流内环控制模型和基于功率平衡设计了电压外环控制模型;二是电流内环采用Ⅰ型系统和电压外环采用Ⅱ型系统设计了控制参数。对两种控制参数的整定得出的结果进行了仿真比较,得到较好的电压、电流环控制参数整定方法。仿真和实验验证了方法的正确性。
Abstract: With the vigorous development of the new energy vehicle industry, research on charging modules for new energy vehicles is gradually deepening. The mainstream new energy charging module consists of a front-end AC/DC converter and a back-end DC/DC converter. This article focuses on the stability control of the three-phase three-level Vienna PFC circuit in the front-end AC/DC section, establishes a mathematical model, and derives the transfer function from control to output. A dual closed-loop control strategy based on three-level Vienna PFC circuit was studied, and two tuning methods for control parameters were studied. Firstly, a current inner loop control model was constructed based on feed forward decoupling method, and a voltage outer loop control model was designed based on power balance; The second is that the current inner loop adopts a Type I system and the voltage outer loop adopts a Type II system to design control parameters. A simulation comparison was conducted on the tuning results of two control parameters, and a better voltage and current loop control parameter tuning method was obtained. The correctness of the method was verified through simulation and experiments.
文章引用:王昌发, 方宇, 徐昊, 张继勇, 舒开鑫. 三相三电平Vienna高功率因数整流电路的控制参数整定方法研究[J]. 电路与系统, 2024, 13(2): 9-22. https://doi.org/10.12677/ojcs.2024.132002

1. 引言

三相三电平Vienna PFC整流器通常应用于大功率新能源充电模块的前级AC/DC电路。Vienna PFC整流器具有性能优良、结构简单、功率开关管上承受的最大反向电压为母线电压的一半、无需设置死区时间和功率开关管数量少等特点,因此该拓扑备受国内外学者的关注和研究[1]。目前,对于Vienna PFC整流器的控制方法通常有,通过复位积分器、脉冲发生器等模拟器件来实现的单周控制,电流滞环控制和电压电流双闭环控制结构下的PI控制[2]。单周控制抗干扰能力强,控制简单且动态响应速度快,但系统存在稳态误差。电流滞环控制具有电流偏差小,结构简单等特点,但存在开关频率不确定,容易产生噪音等问题[3]。为了实现高功率因数,三相三电平Vienna PFC整流器大多采用电压、电流双闭环控制结构下的PI控制,即电压外环用以稳定直流母线电压,电压外环调节器的输出作为电流内环调节器给定,且由电流内环实现网侧的高功率因数[4] [5]

电压电流双闭环控制是目前常用的方法,且电压环和电流环均可采用PI调节器。PI控制是将给定值与实际值做差得到的误差值进行比例和积分线性化处理,从而得到针对被控对象的控制量[6]。对于这两控制环路中的PI调节器控制参数整定是关键,涉及系统的稳定性。为此,本文基于三相三电平Vienna PFC整流器电压电流双闭环控制,建立了三相三电平Vienna PFC整流器的数学模型,推导了控制到输出的传递函数,研究了电压电流双闭环控制参数的两种整定方法:一是基于前馈解耦法构建了电流内环控制模型和基于功率平衡设计了电压外环控制模型;二是电流内环采用Ⅰ型系统和电压外环采用Ⅱ型系统设计了控制参数[7]

2. 拓扑结构及工作模态分析

2.1. 拓扑结构

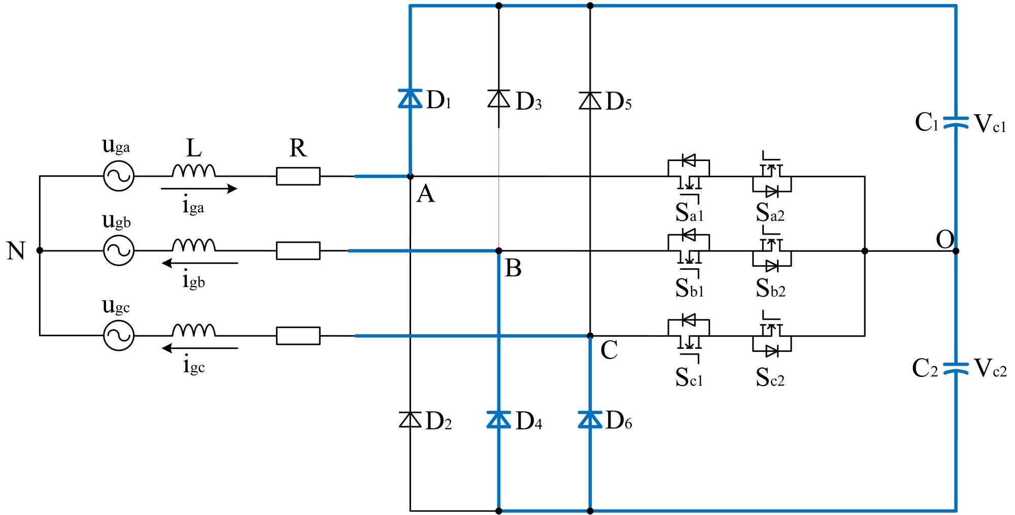
三相三电平Vienna PFC电路拓扑结构如图1所示。其中ugaugbugc为三相交流电压;igaigbigc为三相输入电流;L代表交流侧升压电感,R代表电感寄生电阻;D1~D6为升压二极管;功率管Sa1Sa2反向串联构成A相的开关管SaBC两相开关管同理,三个开关呈星型连接,与直流侧中点O相连形成三电平输出;io表示直流侧中点电流,ipin分别表示流过正负直流母线的电流;直流侧上下母线电容为C1C2Vc1Vc2分别是两个电容电压;VdcIo分别为Vienna整流器的直流输出电压和直流输出电流。

Figure 1. Topology structure of three-phase three-level Vienna PFC circuit

1. 三相三电平Vienna PFC电路拓扑结构

2.2. 工作模态分析

图2所示,单周期内三相电网电压以60度为一区间间隔进行划分,可均分为6个大扇区,每个大扇区内有且仅有两相输入电压的方向相同。由于每一相的开关有开通和关断两个状态,则在每个区间内总共有23 = 8种开关组合如表1,其中1代表开关管导通,0代表开关管关断。文中在此以A相为例,规定三相交流电流输入的方向为正。

Figure 2. Division of input voltage operation period

2. 输入电压工作期间划分

Table1. Vienna rectifier switch tube combination status

1. Vienna整流器开关管组合状态

开关状态表

Sa

0

0

0

0

1

1

1

1

Sb

0

0

1

1

0

0

1

1

Sc

0

1

0

1

0

1

0

1

(a) Sa, Sb, Sc = 000 (b) Sa, Sb, Sc = 001

(c) Sa, Sb, Sc = 010 (d) Sa, Sb, Sc = 011

(e) Sa, Sb, Sc = 100 (f) Sa, Sb, Sc = 101

(g) Sa, Sb, Sc = 110 (h) Sa, Sb, Sc = 111

Figure 3. Working mode of three-phase three-level Vienna PFC rectifier

3. 三相三电平Vienna PFC整流器工作模态

以第二扇区为例,在交流输入正半周期且开关管导通时,开关函数Sa = 1,网侧电流iga依次流经滤波电感L、开关管与直流侧输出母线中点O,电感L充电储能,直流侧电容为负载提供电能,输入端电压箝位为0电平;当开关管关断,令开关函数Sa = 0,交流电网经网侧电感L为电容充电并为负载释放能量,输入端电压箝位为Vdc/2。同理可知,当交流输入正半周期时,当Sa = 1,此时输入端电压箝位为0电平。当Sa = 0,交流侧输入端电压箝位于直流母线负端电压Vdc/2。图3列出了位于区间2时的8种不同开关状态[8]

3. Vienna控制策略分析

3.1. 电流解耦的PI参数整定方法

电流解耦的双闭环PI控制策略原理是由电压外环负责稳定直流侧输出电压,电压外环输出作为电流内环电流的参考值,电流内环将实际采样值和电流参考值比较进行控制,实现网侧输入电流相位跟踪输入电压相位。

dq坐标轴下Vienna PFC整流器的交流侧方程为:

{ urd=( Ls did dt +Rsid )+ωLsiq+ud urq=( Ls diq dt +Rsiq )ωLsid+uq (1)

其中, Ls 为三相储能电感, Rs 为输入等效电阻, urd urq 为输入侧电压在dq坐标轴上的分量。

由式(1)可以看出d轴电流和q轴电流相互耦合,即dq轴的电流分量相互影响,不利于控制器的设计。因此,为了提高系统对输入电流的控制性能,本文采用电流前馈的解耦控制策略。假设系统电流内环的调节器采用PI调节器,引入电流分量 id iq 的参考信号 i d * i q * ,可得dq坐标系下变换器的参考电压信号,如式(2)所示,即将含有q轴电流iqωLsiq作为前馈项叠加到d轴的交流侧电压信号urd上,同理将含有d轴电流id的前馈项——ωLsid叠加在q轴的交流侧电压信号urq[9]

{ ur d * =( kip+ kii s )( i d * id )+ωLsiq+ud ur q * =( kip+ kii s )( i q * iq )ωLsid+uq (2)

其中,kip是电流环PI调节器的比例系数,而kii是积分系数。

结合式(1)和(2),可得到式(3)。由式(3)可以看出引入电流前馈项可实现Vienna整流器电流环的解耦控制。采用电网电压定向,将d轴与电网电压的电压矢量重合,则电网电压矢量q轴分量Vq为零,且d轴分量为系统有功分量,q轴分量为系统无功分量,由此实现了对有功分量和无功分量的独立控制。因直流输出电压由有功电流进行控制,所以d轴电流的参考信号 i d * 可由电压环的PI调节器获得;因采用电网电压定向控制,故q轴电流的参考信号为零,如式(4)所示:

{ Ls did dt =( kip+ kii s )( i d * id )Rsid Ls diq dt =( kip+ kii s )( i q * iq )Rsiq (3)

{ i d * =( kvp+ kvi s )( Vd c * -Vdc ) i q * =0 (4)

其中,kvp是电流环PI调节器的比例系数和kvi分别和积分系数。

图4为根据以上分析绘制出的电流解耦控制原理图。

Figure 4. Principle diagram of current loop decoupling control

4. 电流环解耦控制原理图

基于上文对控制策略的分析,下面进行三相三电平Vienna PFC整流器的控制环路并整定控制参数。由于d轴与q轴坐标对称,电流环PI控制器的参数设计方法类似,本文仅以d轴为例进行设计,其控制框图如图5所示。

Figure 5. Current loop control block diagram

5. 电流环控制框图

其中kif为电流采样增益,Kpwm为整流器增益,T1s为采样延时,T2s为PWM调制延时。

则加入PI调节器的电流环开环传递函数可表示为:

Gi_reg( s )=(kip+ kii s ) kif 1+Tiss Kpwm 1+T2ss 1 Rs+Lss (5)

电流环截止频率一般不超过开关频率的1/10,不妨设置为800 Hz,相位裕度取40˚,通过式(6)可计算出PI控制器的控制参数:

{ | Gi_reg( jω ) |=1 γ=Gi_reg( jω )+180°=40° (6)

将已知参数代入Mathcad中可计算出控制参数为:

{ kip=3.331× 10 3 kii=6.693 (7)

在Mathcad中画出加入PI调节器后电流内环的开环Bode图,如图6所示。

Figure 6. Bode diagram of current loop open loop after adding PI regulator

6. 加入PI调节器后电流环开环Bode图

在Vienna整流器的双闭环控制结构中,由于电压外环的调节速度比较慢,可采取平均功率方法对电压外环进行分析,即平均输入功率等于平均输出功率,则可得到电压环的控制框图,如图7所示。

Figure 7. Voltage control block diagram based on power balance

7. 基于功率平衡的电压控制框图

图7中电压环PI调节器的输出量id*作为d轴上电流内环的幅值给定值,系统稳定工作时,id*的稳态值为Id* i ^ dc * v ^ dc 分别是Id*vdc的扰动量, v ^ dcref * 是输出电压实际值与输出电压参考值的误差扰动量。kvf为反馈系数,Tv为电压环采样延时,Gv(s)是变换器直流侧输出电压对交流侧电流的传递函数。加入PI调节器后电压环的开环传递函数为:

Gv_reg( s )=( kvp+ kvi s ) kvf 1+Tvs v ^ dc( s ) i ^ d (8)

三相三电平Vienna PFC直流侧有300 Hz的电压纹波需要抑制,结合动态响应考虑,将电压环的截止频率设置为100 Hz,相位裕度取45˚,通过式(9)可计算出PI控制器的控制参数[10]

{ | Gv_reg( jω ) |=1 γ=Gv_reg( jω )+180°=45° (9)

将已知参数代入Mathcad中可计算出控制参数为:

{ kvp=0.116 kvi=74.571 (10)

加入PI调节器后的电压环开环Bode图,如图8所示。

Figure 8. Bode diagram of voltage loop open loop after adding PI regulator

8. 加入PI调节器后电压环开环Bode图

3.2. Ⅰ型Ⅱ型PI参数整定方法

为了实现良好的控制效果,需对电压环、电流环参数进行设计。电流环是按照典型Ⅰ型系统设计的,开关周期足够小时,电流环闭环传递函数可以简化成一阶惯性环节。简化后的电流环控制框图为图9

Figure 9. Current loop control block diagram

9. 电流环控制框图

化为Ⅰ型结构的开环传递函数为:

G( s )= Kpwm( Kp Ki s+1 ) s( 1.5Tss+1 )( L R s+1 ) × Ki R (11)

电流环的开环传递函数存在两个极点和一个零点,如果将电流环看作典型的Ⅰ型系统,需要进行零极点抵消。令 Kp/ Ki =L/R ,化简开环传递函数,可得:

{ K= KpwmKp L T=1.5Ts (12)

在典型Ⅰ型系统中,当 Kp/ Ki =L/R ,系统的综合性能达到最佳。

{ Kip= L 3TsKpwm Kii= R 3TsKpwm (13)

在设计电压外环时,可将电流内环看成一个惯性环节,其惯性时间常数为3 Ts (如图10所示)。

Figure 10. Voltage environmental control block diagram

10. 电压环控状控制框图

电压外环的中频带宽 h=T/ sT s+τ ,电压环的传递函数为:

G( s )= 0.75Kp( 1+Ts ) CT s 2 [ ( 3Ts+τ )s+1 ] (14)

综合电压外环的抗干扰性能和跟随性能,一般取中频带宽h = 5,则可得电压外环PI调节器的参数为[11] [12]

{ Kvp= 4C 5( 3Ts+τ ) Kvi= 4C 25 ( 3Ts+τ ) 2 (15)

将电压环的采样频率设置为10 kHz, τ=1× 10 4 s,计算控制参数:

{ Kip=0.0043 Kii=0.027 (16)

{ Kvp=1.312 Kvi=1.05× 10 3 (17)

4. 仿真验证

主要参数指标如表2所示。

Table 2. Parameter indicators of Vienna PFC rectifier circuit

2. Vienna PFC整流器电路的参数指标

名称

参数

RL

320 µH

Vgrid_R

220 V

VAB

380 V

C1

820 µF

C2

820 µF

基于以上的理论分析及参数设计,在PSIM软件中搭建了仿真模型进行验证,仿真原理图如图11所示。

Figure 11. Simulation schematic

11. 仿真原理图

4.1. 电流解耦的PI参数整定方法下的仿真

在正常工作电压220 V下,首先采用电流解耦的PI参数整定方法计算出来PI参数进行仿真,首先进行满载时的稳态仿真,如图12是三相输入电流和A相输入电压的波形,由图可以看到A相输入电流跟踪A相输入电压相位,由此实现了网侧的高功率因数。

Figure 12. Waveform of three-phase input current and A-phase input voltage

12. 三相输入电流和A相输入电压波形

Figure 13. DC output bus voltage waveform

13. 直流输出母线电压波形

图13为直流输出母线电压波形图,母线电压可以快速稳定到850 V,电压纹波很小,由此可以证明上述方法设计的控制参数正确。

后续进行10 kW和5 kW之间的负载突变实验。由图14可以看到进行10 kW到5 kW负载突卸时,输入电压可以快速稳定,无明显畸变;母线电压在卸载时发生波动,波动幅度在20 V范围内,但能迅速恢复至850 V。5 kW到10 kW突加负载波形如图15所示,负载突变时输入电流也无明显畸变,能迅速稳定下来;直流输出电压有跌落,跌落幅度在20 V,但仍能迅速恢复至850 V。由负载突变测试可以得到结论,动态响应性能较好。

Figure 14. Waveform of 10 kW to 5 kW sudden unloading load

14. 10 kW到5 kW突卸负载波形

Figure 15. Sudden load waveform from 5 kW to 10 kW

15. 5 kW到10 kW突加负载波形

4.2. Ⅰ型Ⅱ型PI参数整定方法下的仿真

Figure 16. Waveform of 10 kW to 5 kW sudden unloading load

16. 10 kW到5 kW突卸负载波形

采用Ⅰ型Ⅱ型PI参数整定方法计算出来PI参数进行仿真,进行负载突变仿真的波形如图16所示,由图可以看到A相输入电流跟踪A相输入电压相位,但母线电压无法稳定在给定的852 V,半载时稳定在840 V,满载时稳定在830 V。

对上述两种参数设计方法得到的仿真进行比较,电流解耦的PI参数整定方法进行的仿真,母线电压可以稳定在850 V,在负载突变时,母线电压可以很快的稳定到850 V;而Ⅰ型Ⅱ型PI参数整定方法得到的母线电压略有误差。由此可见,对于三相三电平Vienna PFC整流器的PI参数设计,电流解耦的PI参数整定方法更合适。故后续采用电流解耦的PI参数整定方法计算出的PI参数进行实验。

5. 实验验证

为进一步验证电流解耦的PI参数整定方法计算出的控制参数正确性,搭建了一台10 kW的Vienna PFC变换器实验样机,如图17所示。

Figure 17. Vienna PFC converter experimental prototype

17. Vienna PFC变换器实验样机

Figure 18. Full load steady-state operation waveform

18. 满载稳态运行波形

图18给出了Vienna PFC变换器样机工作在半载情况下的稳态波形。图中CH1和CH3分别是A相的输入电压、电流波形,CH2是直流母线电压波形,CH4是B相输入电流波形。从图中可以看出三相输入电流正弦化较好且都能很好的跟踪该相输入电压,即通过锁相实现了网侧的高功率因数;直流侧输出电压能稳定在850 V且纹波较小,验证了前文PI控制参数计算的正确性。

Figure 19. Waveform of sudden unloading load experiment

19. 突卸负载实验波形

Figure 20. Sudden load test waveform

20. 突加负载实验波形

图19图20分别给出了从满载突卸到空载和从空载突加到满载时Vienna PFC变换器样机的实验波形。图中CH1和CH3分别是A相的输入电压、电流波形,CH2是直流母线电压波形,CH4是B相输入电流波形。从图19中可以看出,突卸负载时,输入电流波形能迅速下降为0,无明显波动;直流输出电压上升至880 V。这是因为卸载时,系统中的储能元件会释放之前存储的能量,这会导致电压出现短暂波动;此外,当负载减少,控制系统逐渐调整输出电压,此时会产生电压波动。随着控制不断调节,系统逐渐稳定,电压波动会逐渐减小并恢复至稳定状态。突加负载时,如图20所示,输入电流会出现短暂畸变,直流输出电压跌落至810 V,这是因为突然加入负载时,输出电压下降,控制系统调整直流输出电压恢复到稳定值。测得输入电流在0.4 s后调整至良好的正弦波,输出电压在30 ms后恢复至850 V,可见Vienna PFC变换器样机仍具有良好的动态响应性能。

6. 结论

本文给出了两种不同的PI参数整定方法,根据两种方法分别设计出两组PI参数;然后在PSIM仿真中搭建了Vienna PFC变换器电路,将两组参数分别带入进行仿真。对比两种方法的仿真结果发现,电流解耦的PI参数整定方法进行的仿真结果中,母线电压可以稳定在850 V,母线电压在经历负载突变后也可以很快的稳定到850 V。由Ⅰ型Ⅱ型PI参数整定方法下的仿真波形可知直流输出母线电压和给定值存在一定误差。故电流解耦的PI参数整定方法更加适用于三相三电平Vienna PFC整流器的电压、电流双闭环控制,本文中的实验结果验证了该方法的正确性和实用性。

致 谢

感谢江苏省研究生科研与实践创新计划项目(SJCX23_1895);国家自然科学基金(61873346)和镇江市科技计划项目——产业前瞻与共性关键技术(GY2021017)项目的资助。

基金项目

江苏省研究生科研与实践创新计划项目(SJCX23_1895);国家自然科学基金(61873346);镇江市科技计划项目——产业前瞻与共性关键技术(GY2021017)。

参考文献

[1] 肖琨, 顾隽楠, 陈息坤. 模块化AC/DC电源并联及其控制策略研究[J]. 现代建筑电气, 2023, 14(7): 28-35.
[2] 王超. 三相Vienna整流器控制策略研究[D]: [硕士学位论文]. 西安: 西安科技大学, 2021.
[3] 张杰楠, 谢运祥, 施泽宇. Vienna整流器PI控制器参数设计方法[J]. 电气传动, 2018, 48(3): 55-61.
[4] 郭殿林, 杨成, 常娜娜. 充电桩前级VIENNA整流器的双闭环仿真研究[J]. 黑龙江电力, 2019, 41(2): 95-99.
[5] 汪鹏, 李山, 郭强, 等. 三相Vienna整流器双闭环控制策略及其参数研究[J]. 电源学报, 2018, 16(5): 16-24.
[6] 邓孝祥, 肖楠, 刘澜涛. VIENNA整流器的闭环控制策略研究[J]. 电子测试, 2022(1): 22, 57-60.
[7] Lei, S., Chen, Q. and Xie, W. (2021) Research on Control Strategy of VIENNA Rectifier Based on Electric Vehicle DC Charging Module. Journal of Physics: Conference Series, 2125, Article 012010.
https://doi.org/10.1088/1742-6596/2125/1/012010
[8] 范家宁, 马辉, 何奇, 等. 三相电压型VIENNA整流器建模及稳定性分析[J]. 电力科学与技术学报, 2024, 39(1): 243-250.
[9] Jin, N., Zhang, L., Chen, H., Zhou, K. and Wu, X. (2023) Design of a Novel Double Closed Loop System of the Vienna Rectifier in the Pre-Stage of UPS. International Journal of Power Electronics, 18, 18-39.
https://doi.org/10.1504/ijpelec.2023.131416
[10] Zhou, K. and Wang, D. (2002) Relationship between Space-Vector Modulation and Three-Phase Carrier-Based PWM: A Comprehensive Analysis [Three-Phase Inverters]. IEEE Transactions on Industrial Electronics, 49, 186-196.
https://doi.org/10.1109/41.982262
[11] 韩鹏. 交流微电网孤岛运行控制及稳定性研究[D]: [硕士学位论文]. 徐州: 中国矿业大学, 2022.
[12] VandeSype, D.M., DeGusseme, K., VandenBossche, A.P. and Melkebeek, J.A.A. (2004) A Sampling Algorithm for Digitally Controlled Boost PFC Converters. IEEE Transactions on Power Electronics, 19, 649-657.
https://doi.org/10.1109/tpel.2004.826439